|
|
(21), (22) Заявка: 2000127285/09, 30.10.2000
(24) Дата начала отсчета срока действия патента:
30.10.2000
(43) Дата публикации заявки: 10.09.2002
(45) Опубликовано: 10.11.2004
(56) Список документов, цитированных в отчете о поиске:
RU 2030054 C1, 27.02.1995. RU 2118029 C1, 20.08.1996. RU 2151458 C1, 20.06.2000. RU 1562 U1, 27.10.2000. SU 1411876 A1, 23.07.1988. SU 1809488 А1, 15.04.1993. GB 734326 А, 27.07.1955.
Адрес для переписки:
425011, Республика Марий Эл, г. Волжск, ул. Кузьмина, 35А, кв.12, В.А.Сергееву
|
(72) Автор(ы):
Сергеев В.А. (RU)
(73) Патентообладатель(и):
Сергеев Владимир Андреевич (RU)
|
(54) УСТРОЙСТВО ДЛЯ УПРАВЛЕНИЯ ТРЕХФАЗНЫМ ЭЛЕКТРОДВИГАТЕЛЕМ С ЗАЩИТОЙ ОТ ОБРЫВА ФАЗ
(57) Реферат:
Изобретение относится к области электротехники и может быть использовано для управления трехфазным электродвигателем. Техническим результатом является расширение функциональных возможностей и повышение надежности путем обеспечения защитного отключения трехфазного электродвигателя при обрыве фазы трехфазной питающей сети. Устройство, содержащее оптоэлектронное трехфазное реле и трехфазный электродвигатель в качестве нагрузки, дополнительно снабжено узлом защиты от обрыва фаз питающей трехфазной сети или от неисправности оптоэлектронного трехфазного реле. Узел защиты содержит три вывода для контроля наличия напряжения на фазах трехфазного электродвигателя и два вывода – для подключения в разрыв цепи управления оптоэлектронного трехфазного реле. После устранения неисправности фаз для включения устройства в нормальную работу необходимо на короткое время отключить управляющее напряжение оптоэлектронного трехфазного реле, после чего вновь его включить. 1 ил.

Изобретение относится к электротехнике и может быть использовано для управления трехфазным электродвигателем.
Известно устройство, содержащее оптоэлектронное трехфазное реле, используемое для управления трехфазной нагрузкой (ж. “Радио” № 9, 1999 г., с.48, рис.18).
Недостатком устройства является отсутствие защиты трехфазной нагрузки, например трехфазного электродвигателя от обрыва фазы.
Цель изобретения – расширение функциональных возможностей и повышение надежности устройство путем обеспечения защитного отключения, трехфазного электродвигателя при обрыве фазы трехфазной питающей сети.
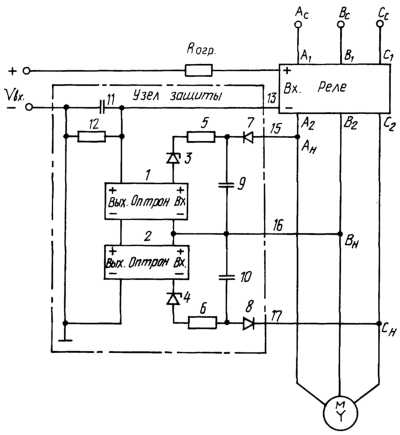
На чертеже приведена принципиальная электрическая схема устройства.
Устройство (см. чертеж), содержащее оптоэлектронное трехфазное реле (на чертеже обозначено “Реле”) с входными выводами A1, B1, C1, подключенными к трехфазной питающей сети с фазами Ac, Bc, Сс, выходными выводами А2, В2, С2, подключенными к фазам Ан, Вн, Сн трехфазного электродвигателя (на чертеже обозначен “М”), входными плюсовым и минусовым управляющими выводами, причем ко входному плюсовому управляющему выводу через ограничительный резистор (на чертеже обозначен “Rогр”) подключен источник напряжения постоянного тока (на чертеже обозначен “Vвх”), дополнительно снабжено узлом защиты с первым 1 и вторым 2 оптронами, первым 3 и вторым 4 стабилитронами, первым 5 и вторым 6 ограничительными резисторами, первым 7 и вторым 8 выпрямительными диодами, первым 9 и вторым 10 накопительными конденсаторами, пусковым 11 конденсатором, зашунтированным третьим 12 резистором, выводами: первым 13 – для подключения входного минусового управляющего вывода оптоэлектронного трехфазного реле, вторым 14 минусовым (общим), третьим 15, четвертым 16, пятым 17 выводами для подключения к соответствующим фазам Ан, Вн, Сн трехфазного электродвигателя для контроля наличия фаз, причем входной минусовой управляющий вывод трехфазного оптоэлектронного реле подключен к первому 13 выводу узла защиты и через последовательно соединенные плюсовые и минусовые выходные выводы первого 1 и второго 2 оптронов, зашунтированные пусковым 11 конденсатором и третьим 12 резистором, соединен со вторым 14 выводом узла защиты. Плюсовой управляющий вывод первого 1 оптрона через переход анод-катод первого 3 стабилитрона, первый 5 ограничительный резистор, переход катод-анод первого 7 диода и через третий 15 вывод узла защиты подключен к фазе Ан трехфазного электродвигателя.
Управляющий минусовой вывод первого 1 оптрона и управляющий плюсовой вывод второго 2 оптрона через четвертый 16 вывод узла защиты подключены к фазе Вн трехфазного электродвигателя. Минусовой управляющий вывод второго 2 оптрона через переход катод-анод второго 4 стабилитрона, второй 6 резистор, переход анод-катод второго 8 диода и пятый 17 вывод узла защиты подключен к фазе Сн трехфазного электродвигателя, причем первый 9 и второй 10 накопительные конденсаторы одними выводами соединены с четвертым 16 выводом узла защиты, другими выводами – с катодом первого 7 и анодом второго 8 диодов соответственно.
Устройство (см. чертеж) работает следующим образом.
В нормальном режиме на входных выводах A1, B1, C1 оптоэлектронного трехфазного реле действует трехфазная симметричная система питающего напряжения с фазами Ac, Bc, Сс. Чтобы запустить трехфазный электродвигатель в работу, необходимо на входной плюсовой управляющий вывод оптоэлектронного трехфазного резе через резистор Rогр подать напряжение +Vвх, от источника постоянного тока (например, при помощи ключевого элемента, на чертеже не показан). В этом случае за счет зарядного тока конденсатора 11 обеспечивается ток управления оптоэлектронного трехфазного реле, которое, отпираясь, коммутирует трехфазное питающее напряжение сети на выводы Ан, Вн, Сн трехфазного электродвигателя и соответственно на выводы 15, 16, 17 узла защиты, в результате чего трехфазный электродвигатель запускается. В устройстве используются стабилитроны 3 и 4 с напряжением пробоя, равным или большим половины амплитудного значения каждого из линейных напряжений VAнВн и VBнCн, действующих на соответствующих выводах трехфазного электродвигателя.
Под действием положительной полуволны напряжение VAнВн по цепи: вывод 15, диод 7, резистор 5, стабилитрон 3, вывод 16 течет входной ток управления оптрона 1.
При появлении положительной полуволны напряжения VВнСн по цепи: вывод 16, стабилитрон 4, резистор 6, диод 8, вывод 17 возникает входной ток управления оптрона 2.
Оптроны 1 и 2 отпираются и их последовательно соединенные в прямом направлении выходы шунтируют конденсатор 11, обеспечивая непрерывность тока управления оптоэлектронного трехфазного реле после окончания заряда конденсатора 11. Конденсаторы 9 и 10 обеспечивают открытое состояние оптронов 1 и 2 при отрицательных полуволнах линейных напряжений VАнВн и V ВнСн.
При исчезновении напряжения на одной из фаз Ан, Вн, Сн трехфазного электродвигателя устройство работает следующим образом.
Например, по причине обрыва фазы Ас трехфазной питающей сети или неисправности оптоэлектронного трехфазного реле на выводе А2 последнего и на фазе Ан трехфазного электродвигателя исчезает напряжение.
При этом фаза Вн трехфазного электродвигателя имеет положительный потенциал относительно фазы Сн в положительную полуволну линейного напряжения VВнСн в то же время обесточенная фаза Ан трехфазного электродвигателя имеет отрицательный потенциал относительно фазы Вн. Поэтому прекращается входной управляющий ток оптрона 1, последний отключается и, прерывая ток управления оптоэлектронного трехфазного реле, отключает трехфазный электродвигатель.
При исчезновении напряжения на фазе Сн линейные напряжения VAнBн и VВнCн также находятся в противофазе, что препятствует протеканию входного управляющего тока через оптрон 2, последний отключается и, прерывая ток управления оптоэлектронного трехфазного реле, отключает трехфазный электродвигатель.
При исчезновении напряжения на фазе Вн линейные напряжения VАнВн и VВнСн совпадают по фазе, но по амплитуде меньше напряжения пробоя стабилитронов 3 и 4, что препятствует протеканию входных управляющих токов через оптроны 1 и 2, последние отключаются и, прерывая ток управления оптоэлектронного трехфазного реле, отключают трехфазный электродвигатель.
После устранения причины неисправности фаз для включения устройства в нормальную работу необходимо на короткое время отключить напряжение +Vвx и вновь включить.
Таким образом, устройство обеспечивает защитное отключение и невключение трехфазного электродвигателя при исчезновении напряжения на одной из его фаз вследствие обрыва соответствующей фазы питающей трехфазной сети или неисправности оптоэлектронного трехфазного реле.
Формула изобретения
Устройство для управления трехфазным электродвигателем с защитой от обрыва фаз, содержащее оптоэлектронное трехфазное реле с входными выводами, подключенными к трехфазной питающей сети, и выходными выводами, подключенными к фазам трехфазного электродвигателя, входными плюсовым и минусовым управляющими выводами, причем к входному плюсовому управляющему выводу через ограничительный резистор подключен источник напряжения постоянного тока, отличающееся тем, что дополнительно снабжено узлом защиты с первым и вторым оптронами, первым и вторым стабилитронами, первым и вторым ограничительными резисторами, первым и вторым выпрямительными диодами, первым и вторым накопительными конденсаторами, пусковым конденсатором, зашунтированным третьим резистором, выводами: первым для подключения входного минусового управляющего вывода оптоэлектронного трехфазного реле, вторым минусовым (общим), третьим, четвертым, пятым выводами для подключения к соответствующим фазам трехфазного электродвигателя для контроля наличия фаз, причем входной минусовой управляющий вывод трехфазного оптоэлектронного реле подключен к первому выводу узла защиты и через последовательно соединенные плюсовые и минусовые выходные выводы первого и второго оптронов, зашунтированные пусковым конденсатором и третьим резистором, соединен со вторым выводом узла защиты, плюсовой управляющий вывод первого оптрона через переход анод – катод первого стабилитрона, первый ограничительный резистор, переход катод – анод первого диода и через третий вывод узла защиты подключен к одной из фаз трехфазного электродвигателя, управляющий минусовой вывод первого оптрона и управляющий плюсовой вывод второго оптрона через четвертый вывод узла защиты подключены ко второй фазе трехфазного электродвигателя, минусовой управляющий вывод второго оптрона через переход катод – анод второго стабилитрона, второй резистор, переход анод – катод второго диода и пятый вывод узла защиты подключен к третьей фазе трехфазного электродвигателя, причем первый и второй накопительные конденсаторы одними выводами соединены с четвертым выводом узла защиты, другими выводами – с катодом первого и анодом второго диодов соответственно.
РИСУНКИ
MM4A – Досрочное прекращение действия патента СССР или патента Российской Федерации на изобретение из-за неуплаты в установленный срок пошлины за поддержание патента в силе
Дата прекращения действия патента: 31.10.2007
Извещение опубликовано: 27.06.2009 БИ: 18/2009
|
|