|
|
(21), (22) Заявка: 2003105368/09, 25.02.2003
(24) Дата начала отсчета срока действия патента:
25.02.2003
(45) Опубликовано: 10.11.2004
(56) Список документов, цитированных в отчете о поиске:
Источники электропитания радиоэлектронной аппаратуры. Справочник /Под ред. Г.С.НАЙВЕСТА – М.: Радио и связь, 1986, с.351, рис. 9.3., с.417, рис.10.9. RU 2020706 C1, 30.09.1994. RU 2047215 C1, 27.10.1995. RU 2168266 C1, 27.05.2001. SU 1555846 A1, 07.04.1990. SU 1339884 A1, 23.09.1987. US 5383082, 17.01.1995. ЕР 0350191 А2, 10.01.1990.
Адрес для переписки:
141070, Московская обл., г. Королев, ул. Ленина, 4а, ОАО РКК “Энергия” им. С.П. Королева, ОПСИ
|
(72) Автор(ы):
Леденев Г.Я. (RU), Попов С.В. (RU), Сухов Б.М. (RU), Ширяев Н.Н. (RU)
(73) Патентообладатель(и):
Открытое акционерное общество “Ракетно-космическая корпорация “Энергия” им. С.П. Королева” (RU)
|
(54) ГЕНЕРАТОР ПЕРЕМЕННОГО НАПРЯЖЕНИЯ
(57) Реферат:
Генератор переменного напряжения относится к электронной технике, может быть использован в электронных схемах, где требуется их включение и отключение в заданные моменты времени при отказах или коротком замыкании без коммутации силового питания. Технический результат заключается в расширении функциональных возможностей и в повышении надежности. Устройство содержит: задающий генератор 1, 1-й и 2-й триггер 2 и 3, 1-й и 2-й усилитель мощности 4 и 5, трансформатор 6, нагрузку 10, одновибратор 11, шину управления 12, источник питания 13. Генератор переменного напряжения позволяет подачей сигнала малой мощности отключить от нагрузки источник напряжения. 1 ил.

Изобретение относится к области электронной техники и может быть использовано в электронных схемах, например в источниках питания, где требуется их включение или отключение в заданные моменты времени, при отказах или коротком замыкании без коммутации силового питания.
Известен генератор переменного напряжения [1], содержащий первый и второй усилители мощности, насыщающийся трансформатор, к вторичным обмоткам которого подключена нагрузка.
Недостаток этого устройства состоит в том, что в нем отсутствует возможность его включения или отключения в заданные моменты времени, при отказах или коротком замыкании без коммутации силового питания.
Наиболее близким техническим решением к предлагаемому устройству является генератор переменного напряжения [2], содержащий задающий генератор, первый и второй усилители мощности, трансформатор и нагрузку, подключенную к вторичной обмотке трансформатора, первая и вторая первичные обмотки которого соединены соответственно с выходами первого и второго усилителей мощности, а общая точка первой и второй первичных обмоток трансформатора подключена к источнику питания.
Недостаток этого генератора переменного напряжения состоит в том, что в нем отсутствует возможность отключения выходного напряжения, а в случае блокировки задающего генератора или срыва генерации известное устройство [2] выходит из строя, так как один из силовых транзисторов усилителя мощности будет постоянно открыт и нагружен на омическое сопротивление первичной обмотки трансформатора, которое очень мало. В результате силовой транзистор и трансформатор будут нагружены на недопустимо большую мощность, что приводит к выходу их из строя.
Задача изобретения – расширение функциональных возможностей за счет реализации управления включением и отключением генератора переменного напряжения и повышение надежности за счет предотвращения выхода из строя устройства при срыве генерации задающего генератора.
Решение этой задачи достигается тем, что генератор переменного напряжения, содержащий задающий генератор, первый и второй усилители мощности, трансформатор и нагрузку, подключенную к вторичной обмотке трансформатора, первая и вторая первичные обмотки которого соединены соответственно с выходами первого и второго усилителей мощности, а общая точка первой и второй первичных обмоток трансформатора подключена к источнику питания, дополнительно содержит первый и второй триггеры и одновибратор, вход которого подключен к выходу задающего генератора и к С-входам первого и второго триггеров, R-входы которых соединены с инверсным выходом одновибратора, при этом неинверсный выход первого триггера соединен с входом первого усилителя мощности и D-входом второго триггера, выход которого подключен к входу второго усилителя мощности, инверсный выход и D – вход первого триггера соединены между собой, а вход управления задающего генератора соединен с шиной управления.
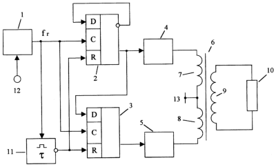
На чертеже приведена схема генератора переменного напряжения. На этой схеме: 1 – задающий генератор, 2 – первый триггер, 3 – второй триггер, 4 – первый усилитель мощности, 5 – второй усилитель мощности, 6 – трансформатор, 7 – первая первичная обмотка трансформатора, 8 – вторая первичная обмотка трансформатора, 9 – вторичная обмотка трансформатора, 10 – нагрузка, 11 – одновибратор, 12 – шина управления, 13 – источник питания.
В генераторе переменного напряжения выход задающего генератора 1 соединен с входом одновибратора 11 и С-входами первого 2 и второго 3 триггеров, R – входы которых подключены к инверсному выходу одновибратора 11. Неинверсный выход первого триггера 2 соединен с входом первого усилителя мощности 4 и D-входом второго триггера 3, выход которого подключен к входу второго усилителя мощности. Инверсный выход и D-вход первого триггера 2 соединены между собой, выходы первого 4 и второго 5 усилителей мощности соединены с соответствующими входами первой 7 и второй 8 первичных обмоток трансформатора 6, общая точка которых подключена к источнику питания 13. Вторичная обмотка 9 трансформатора 6 подключена к нагрузке 10. Вход управления задающего генератора 1 соединен с шиной управления 12.
Генератор переменного напряжения работает следующим образом. Выходной сигнал задающего генератора 1 частотой fг поступает на вход одновибратора 11 и С-входы первого 2 и второго 3 триггеров. Пусть в исходном состоянии первый 2 и второй 3 триггеры находились в нулевом состоянии, при котором их неинверсные выходы имеют низкий потенциал, а инверсные выходы имеют высокий потенциал. В этом случае на входе D первого триггера 2 присутствует высокий уровень, а на входе D второго триггера 3 присутствует низкий уровень. При поступлении сигнала прямоугольной формы с выхода задающего генератора 1 на С-входы первого 2 и второго 3 триггеров они переходят соответственно в единичное и нулевое состояние, после чего на D-входе первого триггера появляется низкий уровень, а на D-входе второго триггера 3 появляется высокий уровень. При поступлении второго импульса с выхода задающего генератора 1 на С-входы первого 2 и второго 3 триггеров они переходят соответственно в нулевое и единичное состояние, после чего процесс переключения триггеров продолжается.
В процессе переключения первый 2 и второй 3 триггеры всегда находятся в противоположных состояниях. Выходные сигналы с неинверсных выходов триггеров подаются на входы первого 4 и второго 5 усилителей мощности, которые поочередно подключают первую 7 и вторую 8 первичные обмотки трансформатора 6 к источнику питания 13, формируя тем самым на обмотках трансформатора переменное напряжение. Считаем, что включение усилителя мощности производится высоким уровнем с выхода триггера, выключение усилителя мощности происходит при низком уровне на его входе.
Сигналы с задающего генератора 1 поступают на вход одновибратора 11, который формирует выходной импульс длительностью . Выберем длительность из условия

где ТГ – период следования импульсов задающего генератора 1. При выполнении условия (1) одновибратор 11 будет находиться в режиме непрерывного формирования выходного импульса и его выходной сигнал (считаем, что при формировании выходного импульса на неинверсном выходе одновибратора 11 образуется высокий потенциал) с инверсного выхода равен нулю (низкий потенциал). Этот потенциал, поступая на R-входы первого 2 и второго 3 триггеров, не препятствует переключению этих триггеров. Таким образом, при включении задающего генератора на обмотках трансформатора 6 формируется переменное напряжение.
На шину управления 12 подается сигнал, который, поступая на вход управления задающего генератора 1, включает или выключает его, то есть переводит задающий генератор 1 в режим генерации импульсов или в режим отсутствия генерации. Подадим на шину управления 12 сигнал, который переводит задающий генератор 1 в режим отсутствия генерации. В этом случае на выходе задающего генератора 1 устанавливается неизменный потенциал, одновибратор 11 перестает формировать импульсы и на его инвертирующем выходе формируется высокий уровень, который поступая на R – входы первого 2 и второго 3 триггеров, переводит их в нулевое состояние. При этом выходные сигналы первого 2 и второго 3 триггеров отключают первый 4 и второй 5 усилители мощности и на обмотках трансформатора 6 устанавливается нулевое напряжение, то есть нагрузка 10 становится обесточенной.
В электронных схемах часто возникает ситуация, когда требуется отключить часть схемы от источника напряжения, например при возникновении отказа в этой схеме или при коротком замыкании. Рассматриваемый генератор переменного напряжения позволяет подачей сигнала малой мощности отключить от нагрузки источник напряжения, при этом не требуется коммутация цепей, по которым протекает значительный ток.
По сравнению с известным решением [2] предлагаемый генератор переменного напряжения позволяет расширить функциональные возможности за счет реализации управления включением и отключением генератора переменного напряжения и повышает надежность за счет предотвращения выхода из строя устройства при срыве генерации задающего генератора. В известном устройстве при отсутствии генерации один из усилителей мощности остается во включенном состоянии (открыт один из транзисторов на низкоомную нагрузку). При этом через усилитель мощности протекает значительный ток и схема выходит из строя.
Предлагаемая совокупность признаков в рассмотренных авторами решениях не встречалась для решения поставленной задачи и не следует явным образом из уровня техники, что позволяет сделать вывод о соответствии технического решения критериям “новизна” и “изобретательский уровень”. В качестве элементов для реализации устройства можно использовать логические элементы цифровых микросхем любых серий, например 564, стандартные усилители мощности на транзисторах, трансформаторы.
Литература
1. Источники электропитания радиоэлектронной аппаратуры. Справочник под редакцией Г.С.Найвеста. М.: Радио и связь, 1986, с. 351, рис.9.3.
2. Источники электропитания радиоэлектронной аппаратуры. Справочник под редакцией Г.С.Найвеста. М.: Радио и связь, 1986, с. 417, рис.10.9.
Формула изобретения
Генератор переменного напряжения, содержащий задающий генератор, первый и второй усилители мощности, трансформатор и нагрузку, подключенную к вторичной обмотке трансформатора, первая и вторая первичные обмотки которого соединены соответственно с выходами первого и второго усилителей мощности, а общая точка первой и второй первичных обмоток трансформатора подключена к источнику питания, отличающийся тем, что в него дополнительно введены первый и второй триггеры и одновибратор, вход которого подключен к выходу задающего генератора и к С-входам первого и второго триггеров, R-входы которых соединены с инверсным выходом одновибратора, при этом неинверсный выход первого триггера соединен с входом первого усилителя мощности и D-входом второго триггера, выход которого подключен к входу второго усилителя мощности, инверсный выход и D-вход первого триггера соединены между собой, а вход управления задающего генератора соединен с шиной управления.
РИСУНКИ
|
|