|
|
(21), (22) Заявка: 2003102991/02, 03.02.2003
(24) Дата начала отсчета срока действия патента:
03.02.2003
(45) Опубликовано: 10.11.2004
(56) Список документов, цитированных в отчете о поиске:
SU 1430204 A1, 15.10.1988. SU 729772 A, 25.04.1980. RU 2063850 C1, 20.07.1996. RU 2094194 C1, 27.10.1997. RU 2131338 C1, 10.06.1999. US 53006894 A, 26.04.94. US 52772314 A, 21.12.1993.
Адрес для переписки:
123181, Москва, ул.Исаковского, 31, кв.17, К.А.Юркевичу
|
(72) Автор(ы):
Логинов В.Ю. (RU), Логинов И.В. (RU), Молчанов С.С. (RU), Юркевич К.А. (RU)
(73) Патентообладатель(и):
Логинов Валерий Юрьевич (RU), Логинов Игорь Валерьевич (RU), Молчанов Сергей Сергеевич (RU), Юркевич Кирилл Анатольевич (RU)
|
(54) СПОСОБ УПРАВЛЕНИЯ ПРОЦЕССОМ СВАРКИ И УСТРОЙСТВО ДЛЯ ЕГО ОСУЩЕСТВЛЕНИЯ (ВАРИАНТЫ)
(57) Реферат:
Изобретения относятся к области сварки и могут быть использованы при проектировании сварочных источников питания постоянного и переменного высокочастотного тока для ручной и полуавтоматической сварки. Согласно способу измеряют текущее значение тока питающей цепи, сравнивают его с эталонным значением, форсированно запирают проводящие в данном такте работы инвертора ключи при достижении током эталонного значения. Также формируют регулируемый временной интервал, длительность которого отсчитывают от момента отпирания ключей и которая не превышает времени насыщения сердечника выходного трансформатора. Форсированно запирают проводящие в данном такте ключи по окончании регулируемого временного интервала. Одновременно запрещают открывание всех ключей на время от момента подачи сигнала на запирание ключей и до момента установления постоянного напряжения на обмотках выходного трансформатора в данном такте работы инвертора. Сварочный источник питания состоит из выпрямителя промышленной сети с емкостным фильтром, двухтактного стабилизированного инвертора на транзисторах с выходным трансформатором и блока управления. В блок управления входят компаратор, пороговое устройство с датчиком, таймер, блок запрета включения. Согласно первому варианту блок управления содержит пороговое устройство с датчиком, таймер, блок запрета включения. В блок запрета включения входят управляющий транзистор, коллектор которого соединен с одним выводом введенного источника питания собственных нужд, другой вывод источника питания собственных нужд через введенный резистор подключен к выходу блока запрета включения, база управляющего транзистора через две цепи из последовательно соединенных диода и конденсатора подключена к первым двум входам блока запрета включения, а точка соединения указанных диода и конденсатора через введенные диоды, а также эмиттер управляющего транзистора подключены и третьему входу блока запрета включения. Согласно второму варианту блок запрета включения содержит управляющий транзистор, база которого подключена к первым двум входам блока запрета включения, эмиттер управляющего транзистора через введенный конденсатор и база управляющего транзистора через введенный резистор соединены с третьим входом блока запрета включения, коллектор управляющего транзистора через введенный резистор подключен к выходу блока запрета включения, база управляющего транзистора через введенный диод соединена с эмиттером управляющего транзистора. Изобретения позволяют управлять длительностью такта работы инвертора путем слежения за магнитным потоком сердечника или путем регулирования длительности открытого состояния силовых ключей в текущем такте, что расширяет функциональные возможности источника, позволяет уменьшить токи через транзисторы и трансформатор на холостом ходу, независимо перестраивать “жесткий” и “падающий” участки внешней вольт-амперной характеристики, повысить выходную мощность при установленных токах через силовые транзисторы. 3 с. и 2 з.п. ф-лы, 4 ил.

Изобретения относятся к области сварки и могут быть использованы при проектировании сварочных источников питания постоянного и переменного высокочастотного тока на базе полумостовых или мостовых инверторов.
Известен способ управления выходными параметрами сварочного источника питания инверторного типа, позволяющий формировать сложную внешнюю вольт-амперную характеристику источника, независимо перестраивать отдельные ее участки и отрабатывать возмущения в цепи сварки в текущем такте работы инвертора (см. а.с. СССР №1430204, БИ №38 от 15.10.88). Способ заключается в том, что наибольшее из текущих интегральных значений тока и напряжения сварки сравнивают с эталонным сигналом, а длительность текущего такта работы определяют от момента начала измерения до момента, когда эталонный сигнал превысит наибольшее из текущих интегральных значений тока или напряжения.
Устройство для реализации способа содержит инвертор, измерители интегральных значений тока и напряжения, устройство выбора наибольшего компаратор, формирователи эталонного сигнала и сигнала запрета, формирователь импульсов управления инвертором. К недостаткам способа следует отнести применимость его только к инверторам, у которых средний выходной ток и напряжение при увеличении частоты увеличиваются, в частности, к тиристорным резонансным инверторам.
Известен также двухтактный стабилизированный инвертор, содержащий выходной трансформатор, первичная обмотка которого через дроссель фильтра подключена к входным питающим выводам инвертора с помощью силовых управляемых ключей, шунтированных силовыми возвратными диодами, а вторичная обмотка подключена через выпрямитель к выходным выводам инвертора (см. а.с. №729772, БИ №15 от 25.04.80). В инверторе реализуется способ, позволяющий формировать внешнюю характеристику в виде ломаной, содержащей участок стабилизации тока, при одновременном ограничении тока силовых ключей на заданном уровне. В способе измеряют в каждом такте ток в питающей цепи инвертора и в каждый момент времени результат измерения сравнивают с эталонным сигналом, форсировано выключают силовые ключи, находящиеся в проводящем состоянии, в момент, когда измеренное значение тока превысит эталонное, и с задержкой на время их выключения подают сигнал, разрешающий включение силовых ключей, находящихся в непроводящем состоянии. К недостаткам данного способа управления относятся:
– невозможность перестройки “жесткого” участка внешней вольт-амперной характеристики;
– невозможность перестройки частоты преобразования на “жестком” участке внешней вольт-амперной характеристики.
В устройстве, реализованном по этому способу, отсутствуют меры, предотвращающие насыщение магнитопровода силового трансформатора и его повышенный нагрев в режимах, близких к холостому ходу.
Амплитудное значение тока через силовые ключи во всех режимах постоянно, что приводит к значительным токам рекуперации через возвратные диоды и обмотки трансформатора в режимах, близких к холостому ходу, и, как следствие, их повышенному нагреву и снижению надежности. Питающее напряжение перераспределяется между включенными последовательно по переменному току силовым трансформатором и дросселем фильтра, что приводит к уменьшению мощности, передаваемой силовым трансформатором в цепь сварки при установленном токе через его первичную обмотку.
Предлагаемый способ делает возможным управление длительностью такта путем сложения за магнитным потоком сердечника или путем регулирования длительности открытого состояния силовых ключей в текущем такте, что позволяет расширить функциональные возможности источника: уменьшить токи через транзисторы, трансформатор на холостом ходу и, следовательно, добиться надежной, долговременной работы в этом режиме, что важно в случае применения источника для ручной и полуавтоматической сварки, независимо перестраивать “жесткий” и “падающий” участки внешней вольт-амперной характеристики, что необходимо для полуавтоматической сварки в среде углекислого газа, регулировать частоту работы инвертора – обязательное условие для сварки ультразвуком, а также повысить выходную мощность при установленных токах через силовые транзисторы.
Для этого в способе, по которому измеряют текущее значение тока питающей цепи, сравнивают его с эталонным значением, форсированно запирают проводящие в данном такте работы инвертора ключи при достижении током эталонного значения, также формируют регулируемый временной интервал, длительность которого отсчитывается от момента отпирания ключей и не превышает времени насыщения сердечника выходного трансформатора, и форсированно запирают проводящие в данном такте ключи по окончании регулируемого временного интервала или при достижении измеряемым током эталонного значения. Одновременно запрещают открывание всех ключей на время от момента подачи сигнала на запирание ключей и до момента установления постоянного напряжения на обмотках выходного трансформатора в данном такте работы инвертора.
При работе на фиксированной частоте преобразования инвертора или на заданном “жестком” участке внешней вольт-амперной характеристики инвертора максимальную длительность временного интервала устанавливают автоматически, измеряя поле рассеяния выходного трансформатора, сравнивают результат измерения с эталонным значением и форсированно запирают проводящие в данном такте работы инвертора ключи при достижении одним из измеряемых параметров своего эталонного значения. Для исключения насыщения магнитопровода выходного трансформатора в переходных режимах также измеряют и поле рассеяния выходного трансформатора, сравнивают его с эталонным значением и форсированно запирают проводящие в данном такте ключи при достижении одним из измеряемых параметров своего эталонного значения или по окончании регулируемого временного интервала.
В сварочный источник питания, состоящий из выпрямителя промышленной сети с емкостным фильтром, двухтактного стабилизированного инвертора, содержащего выходной трансформатор, вторичная обмотка которого подключена через выпрямитель к нагрузке, и подключенные к выходу выпрямителя промышленной сети через датчик тока две параллельные цепи, каждая из которых содержит соединенные последовательно первую первичную обмотку выходного трансформатора и силовой транзистор, шунтированный диодом, вторая первичная обмотка своими выводами через резисторы подключена к базам силовых транзисторов и блока управления с компаратором, вход которого соединен с датчиком тока, а выход – через согласующий резистор подключен к базе запирающего транзистора, эмиттер запирающего транзистора соединен с общим анодом суммирующих диодов, коллектор запирающего транзистора через согласующий резистор подключен к базам силовых транзисторов через диоды, дополнительно введен конденсатор, шунтирующий первые первичные обмотки выходного трансформатора, а блок управления также содержит пороговое устройство датчиком, таймер, блок запрета включения, а в выходной трансформатор введена дополнительная обмотка, средняя точка которой подключена к средней точке второй первичной обмотки выходного трансформатора и объединенным эмиттерам силовых транзисторов, выходы порогового устройства и таймера подключены через указанный резистор к базе запирающего транзистора, один вход таймера соединен с объединенными эмиттерами силовых транзисторов, другой вход таймера соединен с эмиттером запирающего транзистора, коллектор запирающего транзистора через введенные резистор и диод соединен со вторым входом компаратора, каждый из первых двух входов блока запрета включения соединен соответственно с двумя выводами дополнительной обмотки выходного трансформатора и катодами суммирующих диодов, третий его вход соединен со средней точкой дополнительной обмотки выходного трансформатора, выход блока запрета включения через указанные диоды подключен к базам силовых транзисторов, а в блок запрета включения входят управляющий транзистор, коллектор которого соединен с одним выводом введенного источника питания собственных нужд, другой вывод источника питания собственных нужд через введенный резистор подключен к выходу блока запрета включения, база управляющего транзистора через две цепи из последовательно соединенных диода и конденсатора подключена к первым двум входам блока запрета включения, а точка соединения указанных диода и конденсатора через введенные диоды, а также эмиттер управляющего транзистора подключены и третьему входу блока запрета включения.
Этот же технический результат достигается при выполнении сварочного источника по второму варианту согласно изобретению, в котором блок запрета включения выполнен и включен иначе. А именно первые два входа блока запрета включения соединены с двумя выводами дополнительной обмотки выходного трансформатора через суммирующие диоды, а блок запрета включения содержит управляющий транзистор, база которого подключена к первым двум входам блока запрета включения, эмиттер управляющего транзистора через введенный конденсатор и база управляющего транзистора через введенный резистор соединены с третьим входом блока запрета включения, коллектор управляющего транзистора через введенный резистор подключен к выходу блока запрета включения, база управляющего транзистора через введенный диод соединена с эмиттером управляющего транзистора.
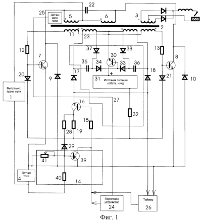
На фиг.1 представлен источник питания инверторного типа, с помощью которого осуществляется предлагаемый способ. На фиг.2 представлены вольт-амперные характеристики источника питания. На фиг.3 – временные диаграммы выпрямленного напряжения различной частоты включения силовых транзисторов на выходе источника и диаграммы токов через транзистор одного плеча источника при различных проводимостях цепи сварки. На фиг.4 представлен другой вариант источника питания инверторного типа для осуществления предлагаемого способа.
Сварочный источник питания (см. фиг.1) состоит из выпрямителя промышленной сети с емкостным фильтром – I, двухтактного стабилизированного инвертора и блока управления. Инвертор содержит выходной трансформатор 2, вторичная обмотка 3 которого подключена через выпрямитель к нагрузке, датчик 4 тока и две параллельные цепи, состоящие из соединенных последовательно первой первичной обмотки 5 (6) выходного трансформатора 2 и силового транзистора 7 (8), шунтированного диодом 9 (10). Вторая первичная обмотка II через резисторы 12, 13 подключена к базам силовых транзисторов 7, 8. В блок управления входит компаратор 14, вход которого соединен с датчиком 4 тока. Выход компаратора 14 соединен через согласующий резистор 15 с базой запирающего транзистора 16. Эмиттер транзистора 16 соединен с общим анодом суммирующих диодов 17, 18. Коллектор транзистора 16 через согласующий резистор 19 и через диоды 20, 21 подключен к базам силовых транзисторов 7, 8. Кроме того, в схему введен конденсатор 22, шунтирующий обмотки 5, 6 выходного трансформатора 2, и дополнительная обмотка 23 выходного трансформатора 2, средняя точка которой подключена к средней точке второй первичной обмотки II трансформатора 2 и объединенным эмиттерам силовых транзисторов 7, 8. Блок управления также содержит пороговое устройство 24 с датчиком 25 магнитного поля, таймер 26, блок 27 запрета включения. Выходы порогового устройства 24 и таймера 26 подключены через резистор 15 к базе запирающего транзистора 16. Один вход таймера 26 соединен с объединенными эмиттерами силовых транзисторов 7, 8, другой вход таймера 26 соединен с эмиттером запирающего транзистора 16. Коллектор запирающего транзистора 16 через резистор 28 и диод 29 соединен со вторым входом компаратора 14. В блок 27 запрета включения входят управляющий транзистор 30, коллектор которого соединен с одним выводом источника 31 питания собственных нужд. Другой вывод источника 31 питания собственных нужд через резистор 32 подключен к выходу блока 27 запрета включения – через диоды 20, 21 к базам силовых транзисторов 7, 8. База управляющего транзистора 30 через две цепи из последовательно соединенных диода 33 (34) и конденсатора 35 (36) подключена к первым двум входам блока 27 – выводам дополнительной обмотки 23 выходного трансформатора 2. Точка соединения диода 33 (34) и конденсатора 35 (36) через диод 37 (38), а также эмиттер управляющего транзистора 30 подключены к третьему входу блока 27 запрета включения – средней точке дополнительной обмотки 23 трансформатора 2. Катоды суммирующих диодов 17, 18 подключены к выводам дополнительной обмотки 23 трансформатора 2.
Компаратор 14 может быть реализован на базе транзистора 39 и резисторов 40, 41. Пороговое устройство 24 и таймер 26 могут быть собраны по общеизвестным схемам, например, на операционных усилителях. Датчик тока 4 может представлять из себя шунт. Датчик 25 магнитного поля может быть выполнен в виде катушки, намотанной на незамкнутом магнитопроводе с разрезом, причем незамкнутая часть должна быть обращена в сторону силового трансформатора.
Источник 31 питания собственных нужд может быть выполнен в виде выпрямителя, питаемого от дополнительной обмотки выходного трансформатора.
Источник работает следующим образом.
В начале очередного такта работы инвертора открывается транзистор 16 и на базу силового транзистора, например, 7, проводившего ток в предыдущем такте, поступает отрицательное смещение, создаваемое обмоткой 23 трансформатора 2.
При этом ток обмотки замыкается через диод 17, транзистор 16, резистор 19, диод 20. Величина запирающего транзистор 7 тока устанавливается соотношением числа витков обмоток 23 и II и номиналов резисторов 19.
Открывание транзистора 16 осуществляется первым из трех импульсов:
1. порогового устройства 24 в начальной стадии насыщения сердечника трансформатора 2, приводящего к возрастанию поля его рассеяния, измеряемого датчиком 25;
2. таймера 26 по окончании формируемого им интервала;
3. порогового устройства 24 при превышении током силового транзистора заданного порога.
После задержки, вызванной рассасыванием неосновных носителей, силовой транзистор 7 закрывается, его коллекторный ток переключается в конденсатор 22, который заряжается за счет энергии, накопленной в трансформаторе 2. Часть энергии трансформатора возвращается в источник питания через обмотку 6 и диод 10. В момент окончания заряда конденсатора 22 между коллектором и эмиттером транзистора 8 – нулевое напряжение, и в этот момент его открывание может произойти с наименьшими потерями. Для открывания очередного силового транзистора при нулевом напряжении между коллектором и эмиттером на его базу во время перезаряда конденсатора подается запирающее транзистор отрицательное относительно эмиттера напряжение запрета. Запрет осуществляется двумя импульсами: первый длительностью t1-t2 (см. фиг.3.) формируется при отпирании триггера на транзисторах 16, 39 и на время рассасывания неосновных носителей упреждает момент закрывания силового транзистора. Второй, длительностью t1-t3, формируется в момент запирания силового транзистора путем подачи через транзистор 30, резистор 32, диоды 20 (21) отрицательного относительно эмиттеров смещения в базы силовых транзисторов 7, 8 от источника 31 питания собственных нужд. Транзистор 30 открывается в результате заряда через его переход база – эмиттер конденсатора 35. Причем время заряда и открытого состояния транзистора 30 соответствует времени заряда конденсатора 22, по окончании которого на обмотках трансформатора 2 устанавливается постоянное в данном такте напряжение.
В течение времени перезаряда конденсатора 22 на входе таймера 26 присутствует положительный треугольный импульс напряжения, который осуществляет очередной его пуск. По окончании заряда конденсатора 22 запрет на открывание силовых транзисторов снимается и в момент начала перезаряда конденсатора через обмотки 5, 6 трансформатора 2 на базу транзистора 8 поступает с обмотки II открывающее его напряжение. Транзистор 8 открывается и поддерживается в открытом состоянии за счет положительной обратной связи через обмотку II трансформатора 2. Рассматриваемый такт заканчивается в момент формирования закрывающего силовой транзистор 8 импульса. Далее процессы повторяются.
Если открывание транзистора 16 и связанное с ним выключение силовых транзисторов осуществляется по сигналу датчика 25 магнитного поля или таймера 26, формируется “жесткий” участок внешней характеристики АВ (см. фиг.2), причем среднее значение выходного напряжения растет при увеличении длительности такта (фиг.3) за счет уменьшения относительного времени на перезаряд конденсатора и может регулироваться длительностью таймера. При выключении силовых транзисторов по превышении их током заданного порога формируется падающий участок характеристики ВС (фиг.2) за счет ограничения тока первичной и, следовательно, вторичной обмотки сварочного выходного трансформатора. Перестройка этого участка осуществляется регулированием порога включения порогового устройства на транзисторе 39 резистором 41.
На фиг.4 представлен другой вариант сварочного источника питания для осуществления предлагаемого способа. В нем эмиттер управляющего транзистора 30 через введенный конденсатор 42 соединен с эмиттерами силовых транзисторов 7, 8. База управляющего транзистора 30 через введенный диод 43 соединена с эмиттером управляющего транзистора 30 и через введенный резистор 44 – с эмиттерами силовых транзисторов 7, 8, а также подключена к общему аноду суммирующих диодов 17, 18. Коллектор управляющего транзистора 30 через введенный резистор 45 и диоды 20, 21 соединен с базами силовых транзисторов 7, 8. Т.е. иной вариант блока 27 запрета включения.
Работа предлагаемого источника отличается тем, что второй импульс запрета длительностью t1-t3 (фиг.3 ) формируется путем подачи на базы транзисторов 7, 8 отрицательного относительно эмиттеров напряжения с конденсатора 42. К началу импульса конденсатор заряжен напряжением, формируемым на обмотках выходного трансформатора 2 (обмотка 23) и выпрямленным двухполупериодным выпрямителем на диодах 17, 18 по цепи – аноды диодов 17, 18 диод 43, конденсатор 42, средняя точка обмотки 23 силового трансформатора 2. Начало импульса совпадает с моментом закрывания силового транзистора, проводившего ток в предыдущем такте работы инвертора, при этом ток транзистора переключается в конденсатор 22, происходит заряд, а затем перезаряд конденсатора 22, на время которых отрицательное напряжение на выходе выпрямителя 17, 18 снижается до нуля, а затем снова возрастает. В момент уменьшения напряжения диоды 17, 18, 43 запираются, начинается разряд конденсатора 42 по цепи – резистор 44, переход база – эмиттер транзистора 30. Транзистор 30 открывается, при этом через резистор 45 и диоды 20, 21 на базы силовых транзисторов 7, 8 соответственно поступает отрицательное напряжение. Выключение транзистора 30 и, как следствие, окончание импульса запрета происходит, когда отрицательное напряжение на анодах диодов 17, 18 превысит напряжение конденсатора 42. При этом ток через переход база – эмиттер транзистора прекращается.
Формула изобретения
1. Способ управления сварочным источником питания инверторного типа, включающий измерение текущего значения тока питающей цепи и сравнение его с эталонным значением, отличающийся тем, что формируют регулируемый временной интервал, длительность которого отсчитывают от момента отпирания ключей и которая не превышает времени насыщения сердечника выходного трансформатора, и форсированно запирают проводящие в данном такте ключи по окончании регулируемого временного интервала или при достижении измеряемым током эталонного значения, при этом одновременно запрещают открывание всех ключей на время от момента подачи сигнала на запирание ключей и до момента установления постоянного напряжения на обмотках выходного трансформатора в данном такте работы инвертора.
2. Способ по п.1, отличающийся тем, что дополнительно автоматически устанавливают максимальную длительность временного интервала, измеряя поле рассеяния выходного трансформатора, сравнивают результат измерения с эталонным значением и форсированно запирают проводящие в данном такте работы инвертора ключи при достижении измеряемого параметра эталонного значения.
3. Способ по п.1, отличающийся тем, что в каждом такте работы инвертора дополнительно измеряют поле рассеяния выходного трансформатора, сравнивают его с эталонным значением и форсированно запирают проводящие в данном такте ключи при достижении измеряемого параметра эталонного значения.
4. Сварочный источник питания, состоящий из выпрямителя промышленной сети с емкостным фильтром, двухтактного стабилизированного инвертора, содержащего выходной трансформатор, вторичная обмотка которого подключена через выпрямитель к нагрузке, и подключенные к выводу выпрямителя промышленной сети через датчик тока две параллельные цепи, каждая из которых содержит соединенные последовательно силовой транзистор, шунтированный диодом, и первую первичную обмотку выходного трансформатора, вторая первичная обмотка которого своими выводами через резисторы подключена к базам силовых транзисторов, и блока управления с компаратором, вход которого соединен с датчиком тока, а выход через согласующий резистор подключен к базе запирающего транзистора, эмиттер которого соединен с общим анодом суммирующих диодов, а коллектор через согласующий резистор подключен к базам силовых транзисторов через диоды, отличающийся тем, что первые первичные обмотки выходного трансформатора шунтированы введенным конденсатором, блок управления имеет пороговое устройство с датчиком, таймер и блок запрета включения, а в выходной трансформатор введена дополнительная обмотка, средняя точка которой подключена к средней точке второй первичной обмотки выходного трансформатора и к объединенным эмиттерам силовых транзисторов, при этом выходы порогового устройства и таймера подключены через согласующий резистор к базе запирающего транзистора, один вход таймера соединен с объединенными эмиттерами силовых транзисторов, другой его вход соединен с эмиттером запирающего транзистора, коллектор которого через введенные резистор и диод соединен со вторым входом компаратора, каждый из первых двух входов блока запрета включения соединен соответственно с двумя выводами дополнительной обмотки выходного трансформатора и катодами суммирующих диодов, третий его вход соединен со средней точкой дополнительной обмотки выходного трансформатора, а выход блока запрета включения через суммирующие диоды подключен к базам силовых транзисторов, причем в блок запрета включения входят управляющий транзистор, источник питания собственных нужд, резистор, две цепи из последовательно соединенных диода и конденсатора и диоды, при этом коллектор управляющего транзистора соединен с одним выводом источника питания собственных нужд, другой вывод источника питания собственных нужд через резистор блока запрета включения подключен к выходу упомянутого блока, база управляющего транзистора через две цепи из последовательно соединенных диода и конденсатора подключена к первым двум входам блока запрета включения, а точка соединения указанных диода и конденсатора через диоды блока запрета включения, а также эмиттер управляющего транзистора подключены к третьему входу блока запрета включения.
5. Сварочный источник питания, состоящий из выпрямителя промышленной сети с емкостным фильтром, двухтактного стабилизированного инвертора, содержащего выходной трансформатор, вторичная обмотка которого подключена через выпрямитель к нагрузке, и подключенные к выводу выпрямителя промышленной сети через датчик тока две параллельные цепи, каждая из которых содержит соединенные последовательно силовой транзистор, шунтированный диодом, и первую первичную обмотку выходного трансформатора, вторая первичная обмотка которого своими выводами через резисторы подключена к базам силовых транзисторов, и блока управления с компаратором, вход которого соединен с датчиком тока, а выход через согласующий резистор подключен к базе запирающего транзистора, эмиттер которого соединен с общим анодом суммирующих диодов, а коллектор через согласующий резистор подключен к базам силовых транзисторов через диоды, отличающийся тем, что первые первичные обмотки выходного трансформатора шунтированы введенным конденсатором, блок управления имеет пороговое устройство с датчиком, таймер и блок запрета включения, а в выходной трансформатор введена дополнительная обмотка, средняя точка которой подключена к средней точке второй первичной обмотки выходного трансформатора и к объединенным эмиттерам силовых транзисторов, при этом выходы порогового устройства и таймера подключены через согласующий резистор к базе запирающего транзистора, один вход таймера соединен с объединенными эмиттерами силовых транзисторов, другой его вход соединен с эмиттером запирающего транзистора, коллектор которого через введенные резистор и диод соединен со вторым входом компаратора, первые два входа блока запрета включения соединены с двумя выводами дополнительной обмотки выходного трансформатора через суммирующие диоды, а блок запрета включения содержит управляющий транзистор, конденсатор, диод и резисторы, причем база управляющего транзистора подключена к первым двум входам блока запрета включения, эмиттер управляющего транзистора через упомянутый конденсатор блока запрета включения и база управляющего транзистора через резистор блока запрета включения соединены с третьим входом упомянутого блока, коллектор управляющего транзистора через другой резистор блока запрета включения подключен к выходу этого блока, а база управляющего транзистора через диод упомянутого блока соединена с эмиттером управляющего транзистора.
РИСУНКИ
MM4A – Досрочное прекращение действия патента СССР или патента Российской Федерации на изобретение из-за неуплаты в установленный срок пошлины за поддержание патента в силе
Дата прекращения действия патента: 04.02.2005
Извещение опубликовано: 20.02.2007 БИ: 05/2007
|
|