Патент на изобретение №2233564
|
||||||||||||||||||||||||||
(54) ВАКУУМНЫЙ ДИОД ДЛЯ ДВУХСТОРОННЕГО ОБЛУЧЕНИЯ
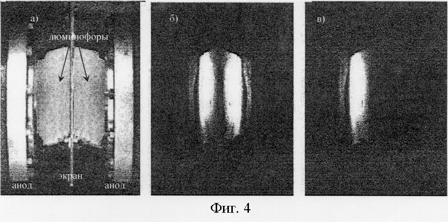
(57) Реферат: Изобретение относится к ускорительной технике и может быть использовано для вывода пучка заряженных частиц в атмосферу или облучаемую среду для облучения объекта с двух сторон. Вакуумный диод содержит катододержатель, который выполнен из двух частей, позволяющих разместить на концах напротив друг друга по катоду, а корпус содержит два окна-анода друг напротив друга между катодами для вывода пучков электронов в воздух для облучения объекта. Вакуумный диод позволяет осуществлять облучение объектов с двух сторон, причем, изменяя расстояние катод-анод в одном из плеч диода, можно изменять алгоритм облучения по сторонам объекта. 6 ил., 1 табл. Изобретение относится к ускорительной технике и может быть использовано для вывода пучка заряженных частиц в атмосферу или облучаемую среду для облучения объекта с двух сторон. В настоящее время ускорители заряженных частиц, особенно электронов, широко используются в радиационных технологиях. При этом наиболее выгодно выполнять облучение изделий с двух сторон, что позволяет снизить неоднородность облучения и увеличить толщину облучаемого изделия [1] при сохранении однородности поглощенной дозы по толщине. Как правило, при использовании ускорителей заряженных частиц, в том числе и электронов, геометрия двухстороннего облучения достигается либо посредством использования двух ускорителей, либо специальной системы развертки пучка [2]. Однако подобные решения требуют использования двух ускорителей, что дорого, либо неприменимы к наносекундным пучкам из-за невозможности управления пучком. Известно решение, заключающееся в использовании одного генератора импульсного высокого напряжения и двух отпаянных наносекундных трубок [3], размещаемых с разных сторон. Однако данное решение: – применимо только для импульсов с параметрами (амплитуда и длительность, частота повторения), сформированными под существующие типы трубок; – имеет существенную паразитную емкость высоковольтного разветвителя за счет использования жидкой изоляции высоковольтного электрода; – не позволяет получать пучки большой площади; – не позволяет задать алгоритм облучения по каждой из сторон. Главная задача изобретения состоит в создании вакуумного диода, позволяющего выполнять двухстороннее облучение объектов с заданным алгоритмом облучения по каждой из сторон при использовании одного ускорителя заряженных частиц. Наиболее близким аналогом (прототипом) является вакуумный диод наносекундного ускорителя электронов [4], состоящий из вакуумного изолятора, катододержателя и МК-катода, который, однако, не позволяет выполнять облучение объектов с двух сторон. Поставленная задача достигается тем, что используется вакуумный диод (фиг.1), содержащий корпус, проходной вакуумный изолятор и катододержатель, отличается тем, что катододержатель имеет общий электрод, который затем разделяется на две части. На конце каждой части катододержателя размещены напротив друг друга по катоду, а корпус содержит два окна-анода для вывода пучков электронов в воздух для облучения объекта. Таким образом, описываемая конструкция позволяет создать два промежутка катод-анод, на которые ускоряющее напряжение подается одновременно по общему электроду. Подобное решение позволяет получать одновременно два пучка электронов, а также управлять раздельно каждым промежутком катод-анод (d1, d2, фиг.1), что дает возможность добиться как равномерного облучения с каждой стороны, так и управлять этим процессом по заданному алгоритму. На фиг.1 изображен вакуумный диод для двухстороннего облучения. Он состоит из проходного вакуумного изолятора 11, который изолирует общий электрод катододержателя 1 от корпуса 4. Корпус 4 служит для создания замкнутого пространства для получения вакуума, а также выполняет роль обратного токопровода. Корпус 4 содержит два окна-анода 3 друг напротив друга. Катододержатель разделяется на правую 5 и левую 6 части, на концах которых расположены катоды 2. Катоды 2 расположены так, что их оси симметрии совпадают с осями окон-анодов 3. Вакуумный диод для двухстороннего облучения работает следующим образом. Формируется импульс высокого напряжения и одновременно прикладывается (фиг.1) через общий электрод 1 и части катододержателя 5,6 к катодам 2. С катодов происходит эмиссия электронов, которые ускоряются приложенным электрическим полем и через выходные окна-аноды 3 выводятся в атмосферу для облучения образца 7 с двух сторон. Работа предлагаемого вакуумного диода была экспериментально проверена на ускорителе УРТ-0,5 [5], штатный диод которого был заменен вакуумным диодом для двухстороннего облучения. Корпус вакуумного диода для двухстороннего облучения выполнен из углеродистой стали. Окна-аноды для вывода пучка имеют диаметр 100 мм. Каждое окно имеет алюминиевую решетку с прозрачностью 85%, состоящую из прорезей и ребер шириной 10 и 2 мм соответственно. На решетку укладывается выходная алюминиевая фольга толщиной 15 мкм в два слоя. В решетке имеется канал для водяного охлаждения. Левая и правая части катододержателя выполнены из дюралюминиевых прутков диаметром 40 мм. Их конструкция позволяет независимо изменять оба расстояния катод-анод с помощью прокладок из металлических колец. Крепление частей катододержателя к общему электроду выполнено так, чтобы имелась возможность осуществлять центровку катодов в выводных окнах. В экспериментах применялись металлодиэлектрические катоды, по конструкции аналогичные использованному в [5], но большего диаметра. Вакуумный диод ускорителя работает при давлении около 10-3 Торр, которое создается ротационным вакуумным насосом АВР-50. В экспериментах использовались штатные электрические датчики ускорителя УРТ-0,5, позволяющие измерять напряжение на вакуумном диоде и ток в вакуумном диоде, бегущий по общему электроду. Для контроля одновременности срабатывания левого и правого катодов использовалась оптическая схема (фиг.2, вид снизу), состоящая из люминофоров 8, непрозрачного экрана 9 и телекамеры 10. Сигнал с телекамеры вводился в персональный компьютер и обрабатывался программой OSC-16. Суть методики сводится к тому, что если пучки электронов генерируются левым и правым катодами одновременно, то свечение от обоих люминофоров 8 попадает в один кадр телесигнала, если ускоритель работает на частоте, существенно меньшей, чем телекамера 10 (50 Гц). Для измерения различий в работе левого и правого катодов использовался дозиметрический метод. Измерения поглощенной дозы электронного пучка на выходе обоих выходных окон 3 (фиг.1) проводились с помощью дозиметрических пленок типа ЦДП-2-Ф2 [6]. Детекторы устанавливались вплотную к выходной фольге. Размер детектора позволял получать полный отпечаток пучка по одной оси. Измерение проводилось по 10 импульсам, подаваемым с частотой f=1 Гц. Кроме того, детекторы размещались за слоями алюминиевой фольги различной толщины, что позволяло измерять распределение поглощенной дозы в материале. На первом этапе были выбраны равные расстояния катод-анод d1=d2=90 мм. Характерные осциллограммы тока пучка (I) и напряжения на вакуумном диоде (U) для двухстороннего диода не отличались от результатов, полученных на ускорителе УРТ-0,5 в штатном режиме (фиг.3). Свечение люминофоров от электронных пучков было одновременным и близким по интенсивности (фиг.4б), для проверки методики были выполнены измерения без левого катода (фиг.4в). Результаты дозиметрии (таблица 4) показывают, что в пределах погрешности измерений (15%) оба катода работают равномерно. Было исследовано влияние на работу вакуумного диода расстояний d1 и d2, которые уменьшались как одновременно, так и независимо друг от друга. Установлено, что уменьшение расстояния d2 не приводит к перераспределению тока между катодами, а одновременность срабатывания катодов не нарушается. При этом видно, что значения поглощенных доз на анодах (таблица 4) возрастают тем сильнее, чем меньше d2. Однако это вызвано прежде всего геометрическим фактором, связанным с уменьшением диаметра пучка, которое приводит к увеличению плотности тока на аноде, которой поглощенная доза прямо пропорциональна. При равных расстояниях анод-катод отпечатки пучком практически подобны (фиг.5). Кроме того, установлено, что существенного снижения ускоряющего напряжения и изменения амплитуды тока в вакуумном диоде даже при d2=30 мм не происходит. Возможно это связано с тем, что части катододержателя имеют существенную индуктивность (~100 Гн). Однако измерения распределения поглощенной дозы в алюминии показывает незначительное (~10%) снижение проникающей способности электронов при d1=d2=90 мм. Это снижение становится значительным при уменьшении d2=30 мм (фиг.6). Таким образом, полученные результаты показали, что созданный вакуумный диод успешно работает и позволяет осуществлять облучение объектов с двух сторон, причем, изменяя расстояние катод-анод в одном из плеч диода, можно изменять алгоритм облучения по сторонам объекта.
Источники информации
1. Козлов Ю.Д., Никулин К.И., Титков Ю.С. Расчет параметров и конструирование радиационно-химических установок с ускорителями электронов. М.: Атомиздат, 1976, 176 с.
2. Абрамян Е.А. Промышленные ускорители электронов. М.: Энергоатомиздат, 1986, 246 с.
3. Mesyats, G.A., Shpak, V.G., M.I. Yalandin and S.A. Shunailov. Radiat. Phys. Chem. Vol. No 46, No 4-6, pp. 489-492, 1995.
4. Патент РФ № 2191488, кл. Н 05 Н 5/02, Н 01 J 1/30
5. Котов Ю.А., Соковнин С.Ю., Балезин М.Ю. Частотный наносекундный ускоритель электронов УРТ-0,5/ ПТЭ, 2000, № 2, с.112-115.
6. Генералова В.В., Гурский М.Н. Дозиметрия в радиационной технологии. М.: Изд-во стандартов, 1981, 184 с.
Формула изобретения Вакуумный диод для двухстороннего облучения, содержащий корпус, проходной вакуумный изолятор и катододержатель, отличающийся тем, что катододержатель выполнен из двух частей, на концах которых напротив друг друга размещено по катоду, а корпус содержит два окна-анода для вывода пучков электронов друг напротив друга между катодами. РИСУНКИ
|
||||||||||||||||||||||||||

Источники информации
1. Козлов Ю.Д., Никулин К.И., Титков Ю.С. Расчет параметров и конструирование радиационно-химических установок с ускорителями электронов. М.: Атомиздат, 1976, 176 с.
2. Абрамян Е.А. Промышленные ускорители электронов. М.: Энергоатомиздат, 1986, 246 с.
3. Mesyats, G.A., Shpak, V.G., M.I. Yalandin and S.A. Shunailov. Radiat. Phys. Chem. Vol. No 46, No 4-6, pp. 489-492, 1995.
4. Патент РФ № 2191488, кл. Н 05 Н 5/02, Н 01 J 1/30
5. Котов Ю.А., Соковнин С.Ю., Балезин М.Ю. Частотный наносекундный ускоритель электронов УРТ-0,5/ ПТЭ, 2000, № 2, с.112-115.
6. Генералова В.В., Гурский М.Н. Дозиметрия в радиационной технологии. М.: Изд-во стандартов, 1981, 184 с.