Патент на изобретение №2399778

Published by on




РОССИЙСКАЯ ФЕДЕРАЦИЯ



ФЕДЕРАЛЬНАЯ СЛУЖБА
ПО ИНТЕЛЛЕКТУАЛЬНОЙ СОБСТВЕННОСТИ,
ПАТЕНТАМ И ТОВАРНЫМ ЗНАКАМ
(19) RU (11) 2399778 (13) C2
(51) МПК

F02C9/26 (2006.01)

(12) ОПИСАНИЕ ИЗОБРЕТЕНИЯ К ПАТЕНТУ

Статус: по данным на 08.10.2010 – действует

(21), (22) Заявка: 2007146447/06, 17.02.2006

(24) Дата начала отсчета срока действия патента:

17.02.2006

(30) Конвенционный приоритет:

17.02.2005 FR 0501640

(43) Дата публикации заявки: 20.06.2009

(46) Опубликовано: 20.09.2010

(56) Список документов, цитированных в отчете о
поиске:
RU 2228455 С2, 10.05.2004. FR 2258526 А, 18.08.1975. ЕР 0377292 А, 11.07.1990. JP 11303652 А, 02.11.1999. ЕР 0657651 А, 14.06.1995. RU 2194181 С1, 10.12.2003.

(85) Дата перевода заявки PCT на национальную фазу:

12.12.2007

(86) Заявка PCT:

EP 2006/060073 20060217

(87) Публикация PCT:

WO 2006/087377 20060824

Адрес для переписки:

129090, Москва, ул. Б.Спасская, 25, стр.3, ООО “Юридическая фирма Городисский и Партнеры”, пат.пов. Ю.Д.Кузнецову, рег. 595

(72) Автор(ы):

БРОКАР Жан-Мари (FR),
ДЕЛЬДАЛЛЬ Режи (FR),
ГАЛОЗИО Филипп (FR),
МАРТИНИ Мишель (FR),
ВАРИЗА Ален (FR)

(73) Патентообладатель(и):

ИСПАНО СЮИЗА (FR)

(54) ПИТАНИЕ ТОПЛИВОМ ДВИГАТЕЛЯ ЛЕТАТЕЛЬНОГО АППАРАТА

(57) Реферат:

Изобретение предназначено для устройства питания топливом двигателя летательного аппарата, в частности газотурбинного авиационного двигателя. Центробежный насос, приводимый в движение при помощи механического соединения с двигателем, имеет входную часть низкого давления, принимающую топливо из топливного контура летательного аппарата, и выходную часть высокого давления, связанную с контуром регулирования расхода топлива, подаваемого в двигатель. Устройство содержит также вспомогательную насосную установку с электрическим управлением, имеющую входную часть, связанную с топливным контуром летательного аппарата, и выходную часть, связанную с контуром регулирования расхода топлива, чтобы иметь на своем выходе топливо при некотором минимальном заданном определенном давлении, причем давление топлива, подаваемого в контур регулирования, является наиболее высоким из давлений, выдаваемых параллельно центробежным насосом и вспомогательной насосной установкой. Такое выполнение устройства позволит создать устройство питания топливом двигателя летательного аппарата с наилучшей оптимизацией с точки зрения массы и потребления мощности. 13 з.п. ф-лы. 5 ил.

Область техники

Настоящее изобретение относится к устройству питания топливом двигателя летательного аппарата, в частности, но не исключительно, газотурбинного авиационного двигателя.

Предшествующий уровень техники

Известное устройство питания обычно содержит объемный шестеренчатый насос, приводимый в движение двигателем при помощи редуктора отбора мощности, предназначенного для приведения в движение вспомогательного оборудования и соединенного с валом двигателя. Объемный насос принимает топливо, поступающее из топливного контура самолета при помощи подкачивающего насоса. Клапан дозирования с электрогидравлическим управлением устанавливается в канале питания, связывающем выходную часть объемного насоса с камерой сгорания двигателя. Контур возврата топлива с клапаном отведения, обеспечивающим управляемую и изменяемую степень открытия, подключен между выходом и входом объемного насоса. Клапан отведения управляется гидравлически, чтобы поддерживать потерю напора через клапан дозирования на постоянном или практически постоянном уровне, позволяющем обеспечить желаемый расход топлива, соответствующий положению клапана дозирования. Предохранительный клапан чрезмерного повышения скорости вращения (заброса оборотов) или чрезмерного повышения тяги двигателя может быть установлен в контуре топливного питания последовательно или параллельно с клапаном дозирования для того, чтобы управлять уменьшением расхода топлива в ответ на выявление чрезмерной скорости вращения или тяги двигателя, что может привести к повреждению клапана дозирования или системы его управления. Клапан прерывания обычно устанавливается последовательно с клапаном дозирования и предохранительным клапаном чрезмерного повышения скорости вращения, чтобы остановить двигатель путем прерывания его питания топливом при помощи непосредственного управления из кабины пилотов. Здесь можно сослаться, в частности, на патентные документы ЕР 1355054 и US 2004/0117102.

Было также предложено питать газотурбинный двигатель топливом посредством центробежного насоса, который позволяет подавать топливо при заданном давлении, определяемом в функции скорости вращения насоса. В патентном документе ЕР 1344917 раскрыто использование центробежного насоса, который приводится в движение при помощи электрического двигателя, управляемого при помощи электронного контура управления, что позволяет регулировать скорость вращения насоса и управлять, таким образом, давлением топлива на его выходе. В том же патентном документе продемонстрирован также объемный шестеренчатый электрический насос, который функционирует параллельно с центробежным насосом для того, чтобы обеспечить функцию запуска и постоянно подавать некоторый минимальный расход топлива, причем центробежный насос и объемный насос запитываются при помощи подкачивающего насоса низкого давления.

В патенте US 3946551 раскрыто устройство питания топливом с использованием крыльчатого насоса с электрическим управлением, установленного последовательно с центробежным насосом, приводимым в движение при помощи двигателя. Крыльчатый насос с электрическим управлением выполняет функцию создания избыточного давления топлива на некоторую необходимую величину в процессе запуска двигателя (содействие запуску) и обеспечения дозирования топлива. Такая конструкция имеет многочисленные недостатки. Поскольку крыльчатый насос с электрическим управлением функционирует постоянно для дозирования топлива, он должен иметь достаточно большой рабочий объем цилиндра, чтобы принимать максимальный расход топлива. Это означает, что его размерные параметры должны быть определены соответствующим образом. Кроме того, при использовании насоса с достаточно большим рабочим объемом цилиндра точность дозирования при небольшой скорости вращения оказывается сниженной, тогда как точное регулирование расхода топлива требуется также и в фазе запуска двигателя. В то же время, в случае отказа крыльчатого насоса перестает осуществляться дозирование топлива.

В документе “Раtent Abstracts of Japan”, том 200, 02, от 29 февраля 2000 года (JР 11303652) раскрыт контур питания топливом газовой турбины с двумя установленными параллельно насосами, причем основной насос приводится в движение при помощи этой газовой турбины, а вторичный насос приводится в движение при помощи электрического двигателя. Вторичный насос используется для холодного запуска турбины, тогда как основной насос может быть использован в случае горячего запуска. В упомянутом выше документе нет никаких указаний относительно основного насоса и относительно возможного переключения функционирования между этими насосами.

Что касается патентного документа ЕР 0657651, то в нем раскрыто соединение центробежного насоса и насоса, содействующего запуску двигателя, причем этот насос содействия запуску двигателя приводится в движение механическим образом на том же валу, что и центробежный насос. Выведение из топливного контура насоса содействия запуску двигателя требует его опорожнения, чтобы не оставлять застаивающегося и нагревающегося топлива в оборудовании, вращающемся с высокой скоростью. Механическое приведение в движение насоса содействия запуску и необходимость его опорожнения усложняет реализацию насосной группы.

Краткое изложение существа изобретения

Технической задачей настоящего изобретения является создание устройства питания топливом двигателя летательного аппарата с наилучшей оптимизацией с точки зрения массы и потребления мощности по сравнению с существующим уровнем техники в данной области.

Эта техническая задача решается путем создания контура питания топливом, содержащего:

контур регулирования расхода топлива, содержащий устройство измерения расхода топлива, управляемый клапан с изменяемым отверстием и систему управления, связанную с устройством измерения расхода топлива и с упомянутым клапаном, чтобы обеспечить управление этим клапаном в функции заданной величины расхода топлива, который необходимо подавать в двигатель,

центробежный насос, приводимый в действие при помощи механического соединения с двигателем и имеющий входную часть низкого давления, принимающую топливо из топливного контура летательного аппарата, и выходную часть высокого давления, связанную с контуром регулирования расхода топлива,

вспомогательную насосную установку с электрическим управлением, входная часть которой связана с топливным контуром летательного аппарата, а выходная часть связана с контуром регулирования расхода топлива, чтобы выдавать на своем выходе топливо при некотором минимальном заданном давлении;

причем давление топлива, подаваемого в контур регулирования, является наиболее высоким из давлений, обеспечиваемых параллельно центробежным насосом и вспомогательной насосной установкой.

Использование центробежного топливного насоса, приводимого в движение при помощи механического соединения с двигателем, а не при помощи электрического двигателя, позволяет наилучшим образом использовать механическую мощность, выдаваемую двигателем, исключая промежуточное преобразование механической энергии в электрическую, что представляет собой неизбежный источник потерь коэффициента полезного действия и увеличения массы.

Вспомогательная насосная установка позволяет заменить центробежный насос в том случае, когда его приведение в действие при помощи двигателя отсутствует или является недостаточным, чтобы обеспечивать минимально необходимое давление в контуре регулирования расхода топлива.

В соответствии с первым вариантом реализации предлагаемого устройства питания топливом вспомогательная насосная установка содержит объемный насос и клапан избыточного давления, имеющий первый вход, связанный с выходом объемного насоса, второй вход, связанный с топливным контуром летательного аппарата, и выход, связанный с входной частью объемного насоса, причем клапан избыточного давления обеспечивает сообщение его первого входа с его выходом в том случае, когда разность давлений между его первым входом и его вторым входом превышает заданное пороговое значение.

Предпочтительно входная часть объемного насоса связана с выходной частью высокого давления центробежного насоса.

В соответствии со вторым вариантом реализации предлагаемого устройства питания топливом упомянутая вспомогательная насосная установка содержит второй центробежный насос и контур электрического управления, предназначенный для приведения в действие второго центробежного насоса со скоростью, позволяющей обеспечивать заданное минимальное давление.

В соответствии с третьим вариантом реализации предлагаемого устройства питания топливом вспомогательная насосная установка содержит регенеративный насос вместо и на месте объемного насоса первого способа реализации.

Выбор типа вспомогательного насоса связан с типом данного летательного аппарата. Таким образом, третий способ реализации более всего предназначен для летательных аппаратов, имеющих газовую турбину, располагающуюся выше места расположения топливного бака (например, вертолетов, гидросамолетов и т.п.).

Предпочтительно предусматриваются средства остановки вспомогательной насосной установки в том случае, когда давление топлива, подаваемого в контур регулирования расхода, превышает некоторое пороговое значение, или в том случае, когда режим работы двигателя превышает некоторый предварительно определенный режим.

Также могут быть предусмотрены средства, обеспечивающие повторный запуск вспомогательной насосной установки в том случае, когда давление топлива, подаваемого в контур регулирования расхода, становится меньше некоторого порогового значения давления или в том случае, когда режим работы двигателя становится ниже некоторого предварительно определенного режима его работы.

Вследствие того что устройство регулирования расхода топлива содержит устройство измерения расхода топлива и управляемый клапан с изменяемым отверстием, а также систему управления, связанную с устройством измерения расхода и с упомянутым клапаном для обеспечения управления этими элементами в функции заданной величины расхода топлива, регулирование расхода топлива не требует использования контура возврата топлива с клапаном отведения, установленным между выходом и входом главного питающего топливного насоса.

Устройство измерения расхода топлива может представлять собой массовый расходомер, объемный расходомер или устройство гибридного типа, которое позволяет обеспечить измерение расхода топлива на основе информации о падении давления и о величине проходного сечения через это устройство.

Использование массового расходомера может обеспечить более точное регулирование расхода топлива по сравнению с использованием объемного расходомера. Действительно, потребность двигателя в топливе обычно выражается в массе топлива. Если измерение расхода является объемным, оказывается необходимым преобразование массы в объем, но при этом понижается точность регулирования вследствие неточности, касающейся объемной массы топлива, причем объемная масса может изменяться в функции внешних условий и характеристик заправленного в самолет топлива.

В соответствии с еще одной особенностью контура питания топливом упомянутый клапан представляет собой клапан с непосредственным электрическим управлением.

Система управления может содержать локальный контур обратной связи, связанный с устройством измерения расхода и с клапаном. Под локальным контуром следует понимать электронный контур обратной связи, внешний по отношению к блоку электрического модуля автоматической системы регулирования двигателя с полной ответственностью (FADEC) “Full Authority Digital Engine Control”.

Предпочтительно устройство регулирования расхода топлива содержит:

устройство измерения расхода топлива в канале питания топливом,

первый управляемый клапан с изменяемым отверстием, установленный в канале питания топливом,

систему управления, связанную с устройством измерения расхода топлива и с первым клапаном, предназначенную для управления этим клапаном, чтобы подать в двигатель требуемый расход топлива,

второй управляемый клапан с изменяемым отверстием, установленный в канале питания топливом последовательно с первым клапаном,

средства управления вторым клапаном, позволяющие подавать в двигатель уменьшенный расход топлива, поддающийся регулированию в ответ на выявление избыточной скорости вращения или избыточной тяги двигателя.

Упомянутые первый и второй клапаны могут представлять собой клапаны с непосредственным электрическим управлением.

Краткое описание чертежей

Предлагаемое изобретение будет лучше понято из приведенного ниже описания не являющихся ограничительными примеров его реализации, со ссылками на прилагаемые чертежи, на которых:

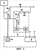
Фиг.1 – схема устройства питания двигателя топливом, согласно изобретению;

Фиг.2 – диаграмма изменения во времени давления, обеспечиваемого центробежным насосом и вспомогательной насосной установкой при запуске двигателя, согласно изобретению;

Фиг.3 – часть схемы варианта реализации вспомогательной насосной установки устройства питания двигателя топливом, согласно изобретению;

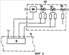
Фиг.4 и 5 – часть схем, иллюстрирующих варианты реализации контура регулирования расхода топлива устройства питания двигателя топливом, согласно изобретению.

Подробное описание предпочтительных вариантов реализации изобретения

Контур 10 питания двигателя топливом (фиг.1) принимает топливо, поступающее из топливного контура 11 самолета, и обеспечивает подачу некоторого количества топлива в систему 12 впрыскивания топлива в камеру сгорания газотурбинного двигателя 14, установленного на самолете. Следует отметить, что описанное устройство питания может быть использовано также и для двигателей летательных аппаратов, отличных от самолетных газотурбинных двигателей, например, для двигателей вертолетов.

Контур 10 содержит центробежный топливный насос 100, представляющий собой главный насос этого контура. Насос 100 имеет входную часть 100а, связанную с топливным контуром 11, и выходную часть высокого давления 100b, обеспечивающую подачу топлива под давлением, которое представляет собой функцию скорости вращения этого насоса. Приведение в движение центробежного насоса осуществляется при помощи механической связи с модулем 16 приведения в движения вспомогательных агрегатов двигателя 14, соединенным с турбиной этого двигателя.

Вспомогательная насосная установка 110 содержит объемный насос 112, имеющий входную часть 112а, связанную с выходной частью центробежного насоса 100, электрический двигатель 114 приведения в движение насоса 112, управляемый при помощи электрического контура 115 управления, и клапан избыточного давления 116.

Насос 112 представляет собой, например, насос шестеренчатого типа. Фильтр 118 может быть установлен между выходной частью 100b насоса 100 и входной частью 112а насоса 112, чтобы обеспечить защиту насоса от проникновения твердых частиц, которые могут поступать вместе с потоком топлива, подаваемого из контура 11. При этом нормальное функционирование центробежного насоса 100 не нарушается такими частицами.

Электрический контур 115 управления связан с системой 15 автоматического регулирования с полной ответственностью двигателя 14 (FADEC) для управления функционированием насоса 112. Контур 115 управления также может быть интегрирован в систему 15 регулирования.

Предохранительный клапан 116 имеет первый вход 116а, связанный с выходом 112b насоса 112, второй вход 116b, связанный с топливным контуром самолета и подающий эталонное давление в клапан 116, и выход 116с, связанный с входом 112а насоса 112. Предохранительный клапан регулируется таким образом, чтобы открываться и соединять первый вход 116а с выходом 116 с в том случае, когда разность давлений между входами 116а и 116b превышает некоторое заданное пороговое значение. Для того чтобы реализовать этот клапан 116, можно использовать золотник 117, подвергающийся, с одной стороны, воздействию давления на выходе из насоса 112 через приемник давления 116d, а с другой стороны, воздействию давления на втором входе 116b, увеличенного усилием, воздействующим со стороны пружины.

Выход 100b центробежного насоса 100 связан через обратный клапан 102 с входом контура 120 регулирования расхода топлива, подаваемого в систему 12 впрыскивания топлива, тогда как выход 112b насоса 112 связан с входом контура 120 регулирования.

Работа системы происходит следующим образом.

Предохранительный клапан 116 регулируется таким образом, чтобы он открывался под давлением, соответствующим минимальному заданному давлению Рm, позволяющему покрыть минимальную потребность в топливе двигателя 14 в процессе его запуска.

Объемный насос 112 запускается и приводится в движение со скоростью, позволяющей подавать количество топлива, превышающее начальную потребность двигателя 14, зафиксированную системой регулирования 120, таким образом, чтобы давление на выходе 112b насоса 112 практически мгновенно достигало минимального давления Рm (см. кривую А на фиг.2), вызывающего открытие предохранительного клапана 116. При этом давление на выходе 100b центробежного насоса начинает возрастать по мере запуска двигателя 14 (см. кривую В на фиг.2), но не покрывает первоначально потребность в давлении топлива. Давление на выходе 112b насоса 112 регулируется при этом на величину давления Рm, и топливо подается насосом 112, но не подается в систему 12 впрыскивания, двигаясь в замкнутом контуре между выходом и входом насоса 112 через клапан 116. Обратный клапан 102 препятствует возврату топлива, подаваемого насосом 112, в центробежный насос 100.

Таким образом, насосная установка 110 обеспечивает функцию содействия при запуске, причем клапан 116 позволяет преобразовать объемный насос 112 в насос, подающий давление топлива таким же образом, как и центробежный насос. Однако в противоположность тому, что может произойти с центробежным насосом, на функционирование объемного насоса 112 не оказывает влияния наличие воздуха или пара в топливе, первоначально полученном из топливного контура 11.

Давление на выходе из насоса 100 возрастает в том случае, когда режим работы двигателя увеличивается и когда это давление превышает величину Рm, обратный клапан 102 открывается (точка перехода Т на фиг.2). При этом давление, выдаваемое в контур 120 регулирования расхода, представляет собой давление, обеспечиваемое центробежным насосом 100.

Как это можно видеть на фиг.2, выделенные жирными линиями части кривых А и В представляют давление топлива, подаваемого в контур 120 регулирования. Система, образованная насосом 100, насосной установкой 110 и клапаном 102, ведет себя как насосная система, позволяющая обеспечить переход путем преобладания величины давления между насосами 112 и 100, причем давление топлива, подаваемого в контур регулирования, является наиболее высоким из давлений, параллельно выдаваемых на выходе из насосов 112 и 100.

В том случае когда насос 100 передает эстафету насосу 112, его функционирование может быть остановлено. Эта остановка может быть выполнена в ответ на превышение некоторого порогового значения давления Р1 на выходе из насоса 100 или в ответ на превышение некоторого порогового значения режима V1 работы двигателя 14. Эта остановка может управляться при помощи системы 15 автоматического регулирования, воздействующей на электрический контур 115 управления в ответ на информацию, выдаваемую датчиком давления топлива или датчиком скорости вращения турбины двигателя 14. При этом пороговые значения Р1 и V1 могут быть выбраны таким образом, чтобы соответствовать некоторой величине, превышающей давление Рm.

Следует отметить, что насосная установка 110 может быть использована не только при запуске двигателя, но также в процессе осуществления других фаз функционирования двигателя на малом газу или на низком режиме в том случае, когда центробежный насос не может выдавать топливо под минимальным давлением Рm. При этом достаточно запустить двигатель 114 при помощи контура 115 управления, если выявлено понижение давления топлива до уровня ниже некоторого порогового значения давления Р1 или если выявлено понижение режима работы двигателя до уровня ниже некоторого порогового значения режима работы V1 двигателя 14, причем упомянутые пороговые значения Р1 и V1 выбираются меньшими, чем значения Р1 и V1.

Насосная установка 110 при этом ведет себя не только как насосная установка содействия запуску двигателя, но также и как насосная установка обеспечения низких режимов работы двигателя для того, чтобы при любых обстоятельствах обеспечить минимально достаточное давление топлива.

В устройстве, схематически проиллюстрированном на фиг.1, насос 112 связан с топливным контуром 11 через центробежный насос, который является “прозрачным” для насоса 112 при запуске двигателя. Такое подключение позволяет насосу 112 благоприятным образом использовать повышение давления, вызываемое насосом 100 после того, как он начинает приводиться в движение.

Разумеется, также возможно связать вход 112а насоса 112 с топливным контуром 11 летательного аппарата через фильтр, без прохождения этого топлива через центробежный насос 100.

В соответствии с другим вариантом реализации объемный насос 112 может быть заменен на регенеративный насос, в частности, для летательных аппаратов, имеющих газовую турбину, располагающуюся выше топливного резервуара, таких как вертолеты, гидросамолеты и т.п.

В соответствии с другим вариантом реализации, схематически проиллюстрированным на фиг.3, вспомогательная насосная установка 110 содержит центробежный насос 212, вход которого связан с топливным контуром 11 летательного аппарата и который приводится в движение при помощи двигателя 214, управляемого при помощи электронного контура 215 управления, связанного с системой 15 автоматического регулирования двигателя 14. При этом обратный клапан 202 устанавливается на выходе насоса 212. Этот центробежный насос 212 приводится в движение со скоростью, позволяющей обеспечивать минимальное давление Рm до тех пор, пока это давление не может быть обеспечено центробежным насосом 100. Функционирование центробежного насоса 212 может быть прервано и снова возобновлено в соответствии с потребностями, таким же образом, как и функционирование насоса 112, описанное выше. Этот вариант реализации отличается от приведенного выше варианта реализации упрощенной конструкцией вспомогательной насосной установки 110, но может быть использован только в том случае, если топливный контур 11 летательного аппарата оказывается в состоянии поставлять топливо без воздуха или пара, включая процесс запуска двигателя.

Контур 120 регулирования расхода топлива в канале питания содержит массовый расходомер 122 и топливный клапан 124 с непосредственным управлением, установленный в канале 126, связывающем насос 100 и вспомогательную насосную установку 110 с устройством 12 впрыскивания топлива. Расходомер 122 предпочтительным образом установлен по потоку перед клапаном 124. Контур 128 теплообмена между маслом, предназначенным для смазки элементов двигателя, и топливом, и фильтр для твердых частиц 130 могут быть установлены в канале 110 по потоку перед расходомером 120, причем такие контуры теплообмена и такие фильтры сами по себе хорошо известны.

Клапан 124 представляет собой, например, клапан с электрическим управлением. Открытие этого клапана регулируется посредством электромеханического силового привода 125, например, подъемника или электрического двигателя. Этот силовой привод 125 получает электрическое питание от электрического контура двигателя 14, например, от системы питания, интегрированной в систему 15 автоматического управления двигателем, или от шины электрического питания двигателя 14. В качестве резервирования могут быть предусмотрены два идентичных силовых привода 125, 125, функционирующих параллельно.

Локальный контур 132 обратной связи, питаемый от электрического контура двигателя, принимает сигнал, выдаваемый массовым расходомером 122 и являющийся репрезентативным для реального массового расхода топлива в канале 126, и сигнал, выдаваемый системой 15 автоматического регулирования двигателя и являющийся репрезентативным для заданной желаемой величины массового расхода топлива, которое необходимо подать в двигатель 14. Силовой привод 125 управляется в функции расхождения, выявленного между реальным и заданным массовым расходом топлива, чтобы отрегулировать этот расход на заданную величину.

Разумеется, такое регулирование может быть обеспечено при помощи электронного модуля, встроенного в систему 15 автоматического регулирования двигателя 14. Использование локального контура 132, внешнего по отношению к блоку электронного модуля, позволяет устранить наличие связи этого модуля с расходомером 122.

Клапан 134 защиты от чрезмерного повышения частоты вращения или от чрезмерной тяги двигателя 14 установлен в канале 126 по потоку позади клапана 124. Предпочтительно здесь можно использовать клапан непосредственного управления с электромеханическим силовым приводом 135, аналогичный клапану 124 и его силовому приводу 125. Силовой привод 135 управляется при помощи автоматической системы управления 15 двигателя 14 посредством модуля, отличного от модуля, обеспечивающего регулирование при помощи клапана 124, по соображениям безопасности. В качестве резервирования может быть предусмотрено использование двух аналогичных силовых приводов 135, 135, функционирующих параллельно.

В нормальном режиме работы двигателя в соответствии с заданием клапан 134 находится в положении максимального открытия, и регулирование расхода обеспечивается при помощи клапана 124.

Система автоматического регулирования 15 принимает информацию, являющуюся репрезентативной для режима работы двигателя, например, информацию, являющуюся репрезентативной для скорости вращения турбины высокого давления. В том случае, когда выявляется состояние чрезмерного повышения частоты вращения (или чрезмерной тяги) двигателя, то есть когда скорость вращения двигателя превышает заданную скорость вращения на некоторую заданную величину, и эта скорость не может быть скорректирована путем воздействия на клапан 124, включается в действие клапан 134 для того, чтобы уменьшить расход топлива в канале 126.

Автоматическая система 15 регулирования двигателя может быть запрограммирована таким образом, чтобы переводить клапан 134 в положение предварительно определенного предохранительного частичного закрытия, позволяющего выдавать уменьшенный расход топлива. При этом использование в качестве клапана 134 клапана с непосредственным управлением является предпочтительным в том смысле, что оно позволяет сохранить управляемость двигателя путем изменения расхода топлива по меньшей мере в некотором уменьшенном диапазоне. Это изменение может быть осуществлено при помощи системы 15 автоматического регулирования в функции желаемого режима работы двигателя. Таким образом, вслед за выявлением чрезмерного превышения скорости вращения двигателя, клапан 134 заменяет клапан 124, чтобы продолжать обеспечивать возможность изменения расхода топлива, по меньшей мере в определенном диапазоне.

По сравнению с системами, известными из существующего уровня техники, в которых клапан чрезмерного превышения скорости вращения двигателя имеет два состояния, а именно: (i) состояние полного открытия или (ii) состояние полного закрытия или предварительно определенного уменьшенного открытия, возможность регулирования расхода топлива после выявления чрезмерного превышения скорости вращения или чрезмерного превышения тяги двигателя позволяет сохранить тягу двигателя и исключить ситуацию, в которой задаваемый уменьшенный расход топлива может в некоторых условиях оказаться неприемлемым для двигателя.

Клапан 136 перекрытия, работающий по принципу “все или ничего”, устанавливается в канале 126, например, по потоку позади клапана 134. Клапан 136 может управляться при помощи электромеханического силового привода 137. Известным образом этот клапан перекрытия 136 может приводиться в действие при помощи управляющей команды, поступающей из системы 15 автоматического регулирования двигателя, или, приоритетным образом, поступающей из кабины экипажа самолета, для того чтобы остановить двигатель 14 путем прекращения его питания топливом.

Также известным образом суммирующий массовый расходомер 138 может быть установлен в канале 126 по потоку позади клапана 136, чтобы выдавать информацию относительно суммарного массового потребления топлива двигателем.

Потребность двигателя в топливе выражается в массе этого топлива. Использование массового расходомера 122 позволяет, таким образом, обеспечить, в пределах диапазона его погрешности, точное регулирование питания топливом на основе заданной величины массового расхода топлива.

Однако имеется возможность, как показано на фиг.4, заменить массовый расходомер на объемный расходомер 222. При этом информация о реальном объемном расходе топлива, измеренном при помощи расходомера 222, передается в систему 15 автоматического регулирования двигателя 14. Эта система 15 запрограммирована таким образом, чтобы преобразовать потребность двигателя в топливе в заданный объемный расход на основе величины оцененной объемной массы топлива. При этом клапан 124 с непосредственным управлением управляется при помощи системы 15 таким образом, чтобы согласовать объемный расход топлива в канале 126 с желаемой заданной величиной.

В соответствии с еще одним возможным вариантом реализации, схематически представленным на фиг.5, можно использовать устройство 322, которое позволяет обеспечить измерение расхода на основе информации о падении давления Р при переходе через устройство 322, о величине проходного сечения для топлива, движущегося через устройство 322, и об объемной массе топлива. При этом расход топлива определяется путем измерения при помощи специального датчика (на фиг.5 не показан) положения клапана, в котором падение напора задается при помощи пружины.

Здесь следует отметить, что устройство 322 известно само по себе (см., например, ЕР 1344917). Это устройство 322 имеет конструкцию, аналогичную конструкции клапанов гидравлического дозирования, используемых в известных системах питания топливом авиационных двигателей.

В приведенном выше изложении рассматривалось использование клапанов 124, 134, 136 с электрическим управлением. Однако в качестве варианта можно использовать клапаны с гидравлическим управлением.

Формула изобретения

1. Устройство питания топливом двигателя летательного аппарата, содержащее контур регулирования расхода топлива, содержащий устройство измерения расхода топлива, управляемый клапан с изменяемым отверстием и систему управления, связанную с устройством измерения расхода топлива и с клапаном для управления этим клапаном в функции заданной величины расхода топлива, которое необходимо подавать в двигатель, центробежный насос, приводимый в движение при помощи механического соединения с двигателем и имеющий входную часть низкого давления, принимающую топливо из топливного контура летательного аппарата, и выходную часть высокого давления, связанную с контуром регулирования расхода топлива, вспомогательную насосную установку обеспечения низких режимов работы, содержащую насос, который приводится в движение электрическим двигателем, и содержащую вход, связанный с топливным контуром летательного аппарата, и выход, связанный с контуром регулирования расхода топлива, при этом вспомогательная насосная установка управляется таким образом, чтобы подавать на выход топливо при некотором минимальном предварительно определенном давлении, независимо от режима работы двигателя летательного аппарата, причем давление топлива, подаваемого в контур регулирования, является наиболее высоким из давлений, обеспечиваемых параллельно центробежным насосом и вспомогательной насосной установкой.

2. Устройство по п.1, отличающееся тем, что вспомогательная насосная установка содержит объемный насос и клапан избыточного давления, имеющий первый вход, связанный с выходом объемного насоса, второй вход, связанный с топливным контуром летательного аппарата, и выход, связанный с входной частью объемного насоса, причем клапан избыточного давления обеспечивает сообщение его первого входа с его выходом в том случае, когда разность давлений между его первым входом и его вторым входом превышает заданное пороговое значение.

3. Устройство по п.2, отличающееся тем, что входная часть объемного насоса связана с выходной частью высокого давления центробежного насоса.

4. Устройство по п.2, отличающееся тем, что объемный насос заменен на регенеративный насос.

5. Устройство по п.1, отличающееся тем, что вспомогательная насосная установка содержит второй центробежный насос и контур электрического управления, предназначенный для приведения в действие второго центробежного насоса со скоростью, позволяющей обеспечивать подачу упомянутого предварительно определенного минимального давления.

6. Устройство по любому из пп.1-5, отличающееся тем, что содержит средства остановки вспомогательной насосной установки в том случае, когда давление топлива, подаваемого в контур регулирования расхода, или режим работы двигателя, превышает заданное пороговое значение давления или предварительно заданный режим.

7. Устройство по любому из пп.1-5, отличающееся тем, что содержит контур управления повторным запуском вспомогательной насосной установки в том случае, когда давление топлива, подаваемого в контур регулирования расхода, или режим работы двигателя, становится меньше порогового значения давления или ниже предварительно определенного режима.

8. Устройство по п.1, отличающееся тем, что устройство измерения расхода топлива представляет собой массовый расходомер, при этом система управления обеспечивает управление клапаном в функции заданной величины массового расхода топлива.

9. Устройство по п.1, отличающееся тем, что управляемый клапан представляет собой клапан с непосредственным управлением, управляемый электрически.

10. Устройство по п.1, отличающееся тем, что система управления содержит локальный контур обратной связи, непосредственно связанный с устройством измерения расхода и с управляемым клапаном.

11. Устройство по п.1, отличающееся тем, что устройство измерения расхода представляет собой объемный расходомер.

12. Устройство по п.1, отличающееся тем, что устройство измерения расхода представляет собой устройство, позволяющее обеспечить измерение расхода на основе информации о падении давления и о величине проходного сечения через это устройство.

13. Устройство по п.1, отличающееся тем, что устройство регулирования расхода топлива содержит устройство измерения расхода топлива в канале питания топливом, первый управляемый клапан с изменяемым отверстием, установленный в канале питания топливом, систему управления, связанную с устройством измерения расхода топлива и с первым клапаном, предназначенную для управления этим клапаном для обеспечения подачи в двигатель требуемого расхода топлива, второй управляемый клапан с изменяемым отверстием, установленный в канале питания топливом последовательно с первым клапаном, средства управления вторым клапаном, позволяющие подавать в двигатель уменьшенный расход топлива, регулируемый в ответ на выявление избыточной скорости вращения или избыточной тяги двигателя.

14. Устройство по п.13, отличающееся тем, что упомянутые первый и второй клапаны представляют собой клапаны с непосредственным управлением, управляемые электрически.

РИСУНКИ

Categories: BD_2399000-2399999