|
|
(21), (22) Заявка: 2009106205/11, 25.02.2009
(24) Дата начала отсчета срока действия патента:
25.02.2009
(46) Опубликовано: 20.09.2010
(56) Список документов, цитированных в отчете о поиске:
RU 2284928 С1, 10.10.2006. SU 1428627 А1, 07.10.1988. RU 2209740 С2, 10.08.2003. RU 2137632 С1, 20.09.1999.
Адрес для переписки:
681013, Хабаровский край, г. Комсомольск-на-Амуре, пр. Ленина, 27а, Комсомольский-на-Амуре филиал общества с ограниченной ответственностью “НТЦ Информационные Технологии”
|
(72) Автор(ы):
Васин Валерий Викторович (RU), Емельянов Евгений Николаевич (RU), Конаков Александр Викторович (RU), Фадеев Валерий Сергеевич (RU), Семашко Николай Александрович (RU), Чигрин Юрий Леонидович (RU), Штанов Олег Викторович (RU), Ободовский Юрий Васильевич (RU), Паладин Николай Михайлович (RU)
(73) Патентообладатель(и):
Общество с ограниченной ответственностью “НТЦ Информационные Технологии” (RU)
|
(54) СПОСОБ КОНТРОЛЯ КРИТИЧЕСКОГО СОСТОЯНИЯ ПОДВИЖНОГО СОСТАВА НА РЕЛЬСОВОМ ПУТИ И РЕГИСТРАЦИИ ЕГО СХОДА И УСТРОЙСТВО ДЛЯ ЕГО ОСУЩЕСТВЛЕНИЯ
(57) Реферат:
Изобретение относится к транспортной технике, в частности к способам предупреждения и регистрации схода вагона подвижного состава с рельсов. В способе непрерывно отслеживают исходные импульсы вертикальных и поперечных колебательных ускорений в зонах наибольшего возбуждения колебаний на ходовых тележках вагонов и энергию акустической эмиссии из зоны контакта механического взаимодействия «левого» и «правого» колес с рельсами. Проводят оценку пиковых напряжений ускорений и сравнение их с “фоновыми” напряжениями. Также проводят оценку энергии акустической эмиссии и сравнивают ее с «фоновыми» значениями энергии акустической эмиссии. По результатам сравнений энергии акустической эмиссии и ускорений получают логические значения «ноль» или «единица» и по их сочетанию идентифицируют состояния подвижного состава: «штатное», «критическое» или «сход». Устройство критического состояния подвижного состава и регистрации его схода с рельсов содержит блок регистрации вертикальных и поперечных колебательных ускорений и блок регистрации акустической эмиссии, анализаторы, передающее устройство и приемник. Блок регистрации вертикальных и поперечных ускорений содержит датчик регистрации вертикальных и поперечных колебательных ускорений, усилители, пиковые детекторы, компараторы и датчики «фонового» сигнала. Блок регистрации акустической эмиссии содержит датчики акустической эмиссии, установленные на «левой» и «правой» буксах вагонной тележки, фильтры, усилители, аналого-цифровой преобразователь, формирователь, компараторы, датчики «фонового» сигнала, блок суммирования сигнала по нулевым каналам компараторов. Технический результат заключается в обеспечении распознавания и фиксации предаварийной ситуации, а также повышения достоверности факта схода состава с рельсов. 2 н.п. ф-лы, 1 ил.
Изобретение относится к транспортной технике и может быть использовано в подвижных железнодорожных составах, предназначенных для пассажирских или грузовых перевозок, в частности к способам предупреждения и регистрации схода вагона подвижного состава с рельсов.
Известен способ автоматического торможения поезда при сходе вагона с рельсов (а.с. СССР 1428627, B60T 7/12), когда идентификацию схода вагона осуществляют отслеживанием вертикальных и продольных колебательных ускорений, при этом продольные ускорения фиксируют с датчиков, установленных на обрессоренной части (на кузове) вагона, а вертикальные ускорения с датчиков ускорений, установленных на необрессоренных частях, например на боковых рамах ходовых тележек вагонов, которые получают в виде непрерывных электрических сигналов, пропускают через фильтры низких частот и выпрямители, а затем сравнивают с опорным “фоновым” сигналом. При появлении одновременно от датчиков сигналов о наличии вертикальных и продольных ускорений, превышающих установленные пороговые значения, идентифицируют сход и формируют управляющий сигнал для блока включения тормоза (“автостопа”) на каждом вагоне. Способ прост, но недостаточно эффективен. При большегрузных составах появление скачкообразного сопротивления движению состава при сходе одной колесной пары будет очень незначительным, что не приведет к появлению необходимого сигнала от датчиков фиксирующих продольные ускорения.
Известно устройство для автоматического торможения подвижного состава при сходе вагона с рельсов (патент РФ 2137632, B60T 7/12), размещенное на локомотиве и содержащее датчики вертикальных и поперечных ускорений, фильтры низкой частоты, аналого-цифровые преобразователи, средства оценки временного информационного поля ускорений, компараторы, источники опорного “фонового” поля ускорений и формирователь управляющего сигнала для блока автоматического включения тормозной системы локомотива. Дополнительно устройство содержит аппаратуру для расчета “шпальной” частоты, и сход вагона идентифицируется им опосредованно, в зависимости от вынужденных упругих колебаний рельсового пути и скорости движения локомотива
Недостаток способа в том, что в качестве временного информационного поля оценивают энергии спектров ускорений и в узкополосном диапазоне “шпальной” частоты, рассчитываемой в режиме реального времени как производной от скорости движения локомотива, причем за исходные принимают импульсы вертикальных и поперечных ускорений в ходовой части локомотива, являющиеся отражением вынужденных упругих колебаний рельсового пути (как бы вторичные), вследствие чего процесс идентификации схода в некоторой мере опосредован и обезличен (отсутствует адресность схода), его алгоритм перенасыщен большим объемом вычислений. Поэтому способ не обладает должной достоверностью и быстродействием, необходимыми для обеспечения безопасности пассажирских перевозок, и не пригоден для длинномерных грузовых составов, на расстоянии более 150 м от места схода колесной пары до локомотива соотношение “полезный сигнал – фон” быстро снижается и таким способом идентифицироваться не сможет.
Известен более точный и быстро действенный способ идентификации схода вагона подвижного состава с рельсов (патент РФ 2209740, B60T 7/12), при котором механические колебания в диапазоне акустических волн, создаваемые контактом колес с рельсами при движении вагона подвижного состава, представляют как сигнал в диапазоне акустических частот по каналам “левая и правая колея”, дополнительно вводят критерии в виде норм временных параметров колебаний указанного сигнала случайного процесса в двух каналах в двоично-цифровом коде, количества колебаний, допустимых временных сдвигов между сигналами случайного процесса по каналам и повторений случайного процесса в канале, регистрируют координаты временных значений сигнала в моменты sign (du/dt) изменения знака первой производной, описывающей указанный сигнал функции, определяют интервалы времени между моментами sign (du/dt), сравнивают текущие значения временного интервала с заданной нормой по каждому каналу и, если текущее значение временного интервала находится в пределах заданного, а количество повторений результатов по обоим каналам за установленный интервал времени не менее заданного, идентифицируют факт схода вагона подвижного состава, при этом устанавливают адаптивную зависимость допустимых временных интервалов как функцию квазистационарного, медленно изменяющегося процесса, характеризующего скорость подвижного состава.
Усложненный алгоритм вычислений, основанный на использовании многофакторных акустических критериев оценки колебательных ускорений, отслеживаемых на ходовых тележках вагонов, которые преобразуют в двоично-цифровой код и оценивают информационное поле ускорений с помощью программируемой логической интегральной схемы требует дорогостоящего электронного оборудования, поэтому широкое использование этого способа на железнодорожном транспорте экономически нецелесообразно, особенно при грузовых перевозках.
Наиболее близким техническим решением по способу контроля критического состояния подвижного состояния на рельсовом пути и регистрация его схода с рельсов является способ автоматического торможения подвижного состава при сходе вагона с рельсов и устройство для его осуществления (патент РФ 2284928, B60T 7/12), в котором в режиме “нон-стоп” отслеживают исходные импульсы колебательных ускорений в виде непрерывных электрических сигналов, преобразуют их в низкочастотные дискретные сигналы с заданным шагом квантования, проводят оценку временного информационного поля ускорений и сравнивают его с опорным “фоновым” полем ускорений и по превалированию временного информационного поля над “фоновым” идентифицируют сход и формируют управляющий сигнал для включения тормозной системы состава, при этом за исходные принимают импульсы вертикальных колебательных ускорений, отслеживаемых в зонах наибольшего возбуждения колебаний на ходовых тележках вагонов, по меньшей мере в одной зоне, а идентификацию схода и формирование управляющего сигнала осуществляют в автономном для каждой из этих зон едином замкнутом цикле, причем в качестве временного информационного поля ускорений оценивают дисперсию спектра отслеживаемых вертикальных колебательных ускорений, при этом дисперсия спектра вертикальных ускорений оценивается в полосе инфранизких частот и “фоновое” поле ускорений устанавливают в полосе инфранизких частот, а управляющий сигнал формируют в виде сигналов дистанционной связи, например радиосигналов.
Как показывает анализ причин схода подвижного состава с рельсов, сходу состава предшествует критическое положение вагона, которое характеризуется действием больших боковых (поперечных) усилий от колеса на рельсы. Такие усилия наиболее характерны при «провале колеса» внутрь колеи из-за уширения колеи, вследствие отжатия гребнем колеса одного из рельсов, или в результате образования «выброса пути» на бесстыковых путях, а также накатывании колеса на рельс при высоких скоростях и малом весе состава, могут образоваться и другие критические положения вагонов подвижного состава на рельсовом пути, обусловленные неблагоприятными обстоятельствами, наложением в процессе движения, дефектов колес на дефекты рельсового пути, особенностями климатических условий, рельефом дороги и скоростью движения.
Задача, решаемая изобретениями, состоит в обеспечении безопасности движения железнодорожного транспорта для предупреждения людских потерь и снижения экономических затрат на железной дороге в результате аварийного схода вагонов подвижного состава с рельсов.
Способ не позволяет оценивать критические ситуации, предшествующие сходу подвижного состава с рельсов, что является актуально для обеспечения безопасности движения, связанные с пассажирскими перевозками и предупреждением экологических катастроф при перемещении особо опасных грузов.
Технический результат от использования изобретения способа заключается в распознавании и фиксировании предаварийной ситуации, в предотвращении ее развития и повышении достоверности факта схода подвижного состава с рельсов.
Технический результат достигается тем, что в способ контроля критического состояния подвижного состава на рельсовом пути и регистрации его схода с рельсов, при котором непрерывно отслеживают исходные импульсы вертикальных колебательных ускорений, в зонах наибольшего возбуждения колебаний на ходовых тележках вагонов, проводят оценку ускорений и сравнение его с “фоновым”, идентифицируют состояние подвижного состава «сход», формируют управляющий сигнал для системы подвижного состава, причем идентификацию состояния подвижного состава и формирование управляющего сигнала осуществляют в автономном для каждой из этих зон едином замкнутом цикле, а управляющий сигнал формируют в виде сигналов дистанционной связи, например радиосигналов на частоте приема штатной радиосвязи локомотива, при этом дополнительно отслеживают энергию акустической эмиссии из зоны контакта механического взаимодействия «левого» и «правого» колес с рельсами, и импульсы поперечных колебательных ускорений, проводят оценку энергии акустической эмиссии в контактных зонах колес с рельсами и сравнивают ее с «фоновым» значениями энергии акустической эмиссии, по результатам сравнений энергии акустической эмиссии и ускорений получают логические значения «ноль» или «единица» и по их сочетанию идентифицируют состояния подвижного состава «штатное» или «критическое» или «сход», при этом «штатное», если получены два «ноля» от датчиков ускорений и два «ноля» от датчиков регистрации акустической эмиссии, «критическое состояние» если получена «единица» от датчика вертикальных ускорений и две «единицы» от датчиков регистрации акустической энергии, «сход», если получены две «единицы» от датчиков ускорений или как минимум «единица» от датчика поперечных ускорений и двух «нолей» или как минимум одного «ноля» от одного из датчиков регистрации энергии акустической эмиссии, а логическое значение «ноль» получают на канале регистрации вертикальных и поперечных ускорений и регистрации энергии от взаимодействия колеса и рельса при значениях электрических сигналов меньше «фоновых», и «единица» при значениях электрических сигналов больше «фоновых», а параметры «фоновых» значений энергии акустической эмиссии от взаимодействия колеса с рельсом и вертикальных и продольных колебательных ускорений получают опытным путем.
Уровень техники устройства контроля критического состояния подвижного состава на рельсовом пути и регистрации его схода с рельсов известен из устройства по (патенту РФ 2137632, B60T 7/12), размещенное на локомотиве и содержащее датчики вертикальных и поперечных ускорений, фильтры низкой частоты, аналого-цифровые преобразователи, средства оценки временного информационного поля ускорений, компараторы, источники опорного “фонового” поля ускорений и формирователь управляющего сигнала для блока автоматического включения тормозной системы локомотива. Дополнительно устройство содержит аппаратуру для расчета “шпальной” частоты, и сход вагона идентифицируется им опосредованно в зависимости от вынужденных упругих колебаний рельсового пути и скорости движения локомотива.
Недостаток устройства в том, что оно установлено на локомотиве, причем за исходные принимают импульсы вертикальных и поперечных ускорений в ходовой части локомотива, являющиеся отражением вынужденных упругих колебаний рельсового пути (как бы вторичные), вследствие чего процесс идентификации схода в некоторой мере опосредован и обезличен (отсутствует адресность схода), его алгоритм перенасыщен большим объемом вычислений, не обладает должной достоверностью и быстродействием, необходимыми для обеспечения безопасности пассажирских перевозок, и непригодно для длинномерных грузовых составов, на расстоянии более 150 м от места схода колесной пары до локомотива соотношение “полезный сигнал – фон” быстро снижается и идентифицироваться не сможет.
Известно устройство по патенту на полезную модель 33920, в котором устройство контроля схода подвижного состава состоит из датчика с системой информации, который крепится на каждой подвижной единице состава. Недостаток данного устройства заключается в том, что оно может выдавать много ложных сигналов, когда схода не произошло, а датчик сломан или откинут предметом, находящимся на рельсовом пути, такие предметы могут быть и другие устройства СЦБ – стационарные УКСПС, гарнитура стрелочных переводов и др. устройства.
Наиболее близким техническим решением устройству контроля критического состояния подвижного состояния на рельсовом пути и регистрация его схода с рельсов является устройство для автоматического торможения подвижного состава при сходе вагона с рельсов (патент РФ 2284928, B60T 7/12),
Устройство для автоматического торможения подвижного состава при сходе вагона с рельсов содержит датчики вертикальных колебательных ускорений, фильтры низкой частоты, аналого-цифровые преобразователи, средства оценки временного информационного поля ускорений, компараторы, источники опорного “фонового” поля ускорений и формирователь управляющего сигнала для блока автоматического включения тормозной системы локомотива, при том, что оно выполнено в виде n-ряда независимых блоков, устанавливаемых в зонах отслеживания вертикальных колебательных ускорений на ходовых тележках вагонов, каждый блок напрямую связан со штатной системой радиосвязи локомотива, включает в себя датчик вертикальных колебательных ускорений, фильтр низкой частоты и аналого-цифровой преобразователь из числа упомянутых и дополнительно снабжен индивидуальными средством оценки временного информационного поля вертикальных колебательных ускорений, компаратором, источником опорного “фонового” поля ускорений и формирователем управляющего сигнала, при этом средство оценки временного информационного поля ускорений выполнено в виде элемента расчета дисперсии спектра вертикальных колебательных ускорений, подключенного входом к аналого-цифровому преобразователю и выходом – к компаратору, а в качестве формирователя управляющего сигнала установлен генератор радиоимпульсов, снабженный передатчиком радиосигнала, настроенным на частоту приема штатной системы радиосвязи локомотива, а каждый независимый блок снабжен автономным источником электропитания и подключен к системе электроснабжения вагона и штатной системе радиосвязи локомотива через блок ожидания.
Технический результат, получаемый от использования изобретения – устройства, заключается в реализации способа, обеспечивающего распознавание и фиксирование предаварийной ситуации, и предотвращение ее развития и повышение достоверности факта схода подвижного состава с рельсов.
Технический результат заключается в использовании устройства контроля критического состояния подвижного состава на рельсовом пути и регистрации его схода с рельсов, содержащего n-рядов независимых блоков, установленных в зонах отслеживания вертикальных колебательных ускорений на ходовых тележках вагонов, каждый блок напрямую связан со штатной системой радиосвязи локомотива, включает в себя датчик вертикальных колебательных ускорений, датчики «фонового» сигнала ускорений и формирователем управляющего сигнала, а в качестве формирователя управляющего сигнала установлен генератор радиоимпульсов, снабженный передатчиком радиосигнала, настроенным на частоту приема штатной системы радиосвязи локомотива, при этом каждый независимый блок снабжен автономным источником электропитания, подключен к системе электроснабжения вагона, а блок автоматического включения тормозной системы подключен к штатной системе радиосвязи локомотива через блок ожидания, достигается тем, что блоки дополнительно содержат датчики регистрации поперечных колебательных ускорений, усилители, пиковые детекторы, коммутаторы, анализаторы, и блоки отслеживания энергии акустической эмиссии от датчиков установленных на «левой» и «правой» буксах вагонной тележки, включающих в себя фильтры, усилители, аналогово-цифровые преобразователи, коммутаторы, датчики фонового сигнала.
Способ осуществляется следующим образом.
При движении грузового или пассажирского поезда, возникающие на необрессоренных зонах ходовой тележки вагона вертикальные и поперечные колебательные ускорения регистрируются датчиком 1 в виде непрерывных электрических сигналов. Датчик 2 непрерывно регистрирует энергию акустической эмиссии из зоны контакта механического взаимодействия «левого» и «правого» колес с рельсами, проводится оценка ускорений и энергии акустической эмиссии, сравнение с “фоновым”, и по результатам сравнения энергии акустической эмиссии и ускорений получают логические значения «ноль» или «единица» и по их сочетанию идентифицируют состояния подвижного состава «штатное» или «критическое» или «сход», при этом «штатное» если получены два «ноля» от датчиков ускорений и два «ноля» от датчиков регистрации акустической эмиссии, «критическое» если получена «единица» от датчика вертикальных ускорений и две «единицы» от датчиков регистрации акустической энергии, «сход» если получены две «единицы» от датчиков ускорений или как минимум «единица» от датчика поперечных ускорений и двух «нолей» или как минимум одного «ноля» от одного из датчиков регистрации энергии акустической эмиссии, а логическое значение «ноль» получают на канале регистрации вертикальных и поперечных ускорений и регистрации энергии от взаимодействия колеса и рельса при значениях электрических сигналов меньше «фоновых», и «единица» при значениях электрических сигналов больше «фоновых», а параметры «фоновых» значений энергии акустической эмиссии от взаимодействия колеса с рельсом и вертикальных и продольных колебательных ускорений получают опытным путем. В зависимости от состояния подвижного состава формируют управляющий сигнал для системы подвижного состава, причем идентификацию состояния подвижного состава и формирование управляющего сигнала осуществляют в автономном для каждой из этих зон едином замкнутом цикле, а управляющий сигнал формируют в виде сигналов дистанционной связи, например радиосигналов на частоте приема штатной радиосвязи локомотива.
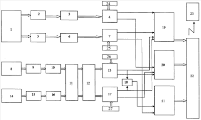
На чертеже дана блок-схема устройства. Устройство состоит из блоков по регистрации ускорений и регистрации энергии акустической эмиссии.
Каждый блок регистрации ускорений представляет собой расположенные в корпусе последовательно соединенные между собой датчик вертикальных и поперечных колебательных ускорений 1, усилители 2 и 5, пиковые детекторы 3 и 6, датчики «фонового» сигнала 24 и 25 и компараторы 4 и 7.
Каждый блок регистрации энергии сигналов акустической эмиссии состоит из датчиков акустической эмиссии 8 и 9, установленных на буксах колес, фильтров 9 и 15, усилителей 10 и 15, аналого-цифрового преобразователя 11, формирователя 12, датчиков «фонового» сигнала энергии акустической эмиссии и коммутаторов и компараторы 13 и 17 и сумматора 18.
Общим для блоков являются анализаторы 19, 20, 21, передающее устройство 22 и приемник 23.
Сигнал от датчика 1 по двум каналам в виде напряжений проходит через усилители 2 и 5, пиковые детекторы 3 и 6 и поступает на компараторы 4 и 7. В компараторах происходит сравнение пиковых напряжений в каналах с соответствующими «фоновыми» напряжениями 24 и 25. В зависимости от соотношения поступившего и «фонового» напряжения на выходе компаратора формируются логические значения «0» или «1».
Сигнал от датчиков акустической эмиссии 8 и 14 в виде радиоимпульсов по двум каналам проходит через фильтры 9 и 15, через усилители 10 и 16, переводятся в цифровую информацию в блоке АЦП 11 и преобразуются в энергию акустического сигнала в формирователе 12. На выходе формирователя 12 имеем максимальное (пиковое) значение акустической энергии в данной полосе частот, соответствующей взаимодействию колеса тележки и рельса. Далее информация поступает на компараторы 13 и 17. В компараторах происходит сравнение пиковых значений с «фоновыми» значениями энергии 26, 27 с соответствующими «фоновыми» энергиями 24 и 25. В зависимости от соотношения поступившего и «фонового» значения энергии на выходе компаратора формируются логические значения «0» или «1». Блок 18 служит для суммирования информации по нулевым каналам компаратора 13 и 17. Логические блоки 19, 20, 21 служат для анализа информации с выходов компараторов 4, 7, 13 и 17 и формирование информации о состоянии соответствующего вагона подвижного состава.
При сочетании четырех логических «0» со всех выходов компараторов а анализаторе идентифицируется сигнал «штатное». При сочетании «1» с выхода компаратора 4 и двух «1» с выходов компараторов 13 и 17 в анализаторе 20 идентифицируется сигнал «критическое». При сочетании с выхода компаратора 7 и двух «0» или одного «0» с любого компаратора 13 и 17 в анализаторе 21 идентифицируется сигнал «сход». Сформированные сигналы поступают на передающее устройство 22 и далее на приемник 23, расположенный в кабине машиниста, и на пульте оператора пути.
Формула изобретения
1. Способ контроля критического состояния подвижного состава на рельсовом пути и регистрации его схода с рельсов, при котором непрерывно отслеживают исходные импульсы вертикальных колебательных ускорений в зонах наибольшего возбуждения колебаний на ходовых тележках вагонов, производят оценку пиковых напряжений ускорений и сравнение их с «фоновыми» напряжениями, идентифицируют состояние подвижного состава, формируют управляющий сигнал для подвижного состава, причем идентификацию состояния подвижного состава и формирование управляющего сигнала осуществляют в автономном для каждой из этих зон едином замкнутом цикле, а управляющий сигнал формируют в виде сигналов дистанционной связи, например радиосигналов на частоте приема штатной радиосвязи локомотива, отличающийся тем, что дополнительно отслеживают энергию акустической эмиссии из зоны контакта механического взаимодействия «левого» и «правого» колес с рельсами и импульсы поперечных колебательных ускорений, проводят оценку энергии акустической эмиссии в контактных зонах колес с рельсами и сравнивают ее с «фоновыми» значениями энергии акустической эмиссии, по результатам сравнений энергии акустической эмиссии и ускорений получают логические значения «ноль» или «единица» и по их сочетанию идентифицируют состояния подвижного состава «штатное» или «критическое» или «сход», при этом «штатное», если получены два «ноля» от датчиков ускорений и два «ноля» от датчиков регистрации акустической эмиссии, «критическое», если получена «единица» от датчика вертикальных ускорений и две «единицы» от датчиков регистрации акустической энергии, «сход», если получены две «единицы» от датчиков ускорений или как минимум «единица» от датчика поперечных ускорений и двух «нолей» или как минимум одного «ноля» от одного из датчиков регистрации энергии акустической эмиссии, а логическое значение «ноль» получают на канале регистрации вертикальных и поперечных ускорений и регистрации энергии от взаимодействия колеса и рельса при значениях электрических сигналов меньше «фоновых», и «единица» при значениях электрических сигналов больше «фоновых», а параметры «фоновых» значений энергии акустической эмиссии от взаимодействия колеса с рельсом и вертикальных и продольных колебательных ускорений получают опытным путем.
2. Устройство контроля критического состояния подвижного состава на рельсовом пути и регистрации его схода с рельсов содержащее n-рядов независимых блоков, установленных на ходовых тележках вагонов, каждый независимый блок напрямую связан со штатной системой радиосвязи локомотива и включает в себя датчик колебательных ускорений, датчики «фонового» сигнала ускорений и формирователь управляющего сигнала, а в качестве формирователя управляющего сигнала установлен генератор радиоимпульсов, снабженный передатчиком радиосигнала, настроенным на частоту приема штатной системы радиосвязи локомотива, при этом каждый независимый блок снабжен автономным источником электропитания, подключен к системе электроснабжения вагона, а блок автоматического включения тормозной системы подключен к штатной системе радиосвязи локомотива через блок ожидания, отличающееся тем, что устройство контроля критического состояния подвижного состава на рельсовом пути и регистрации его схода с рельсов содержит блок регистрации вертикальных и поперечных колебательных ускорений и блок регистрации акустической эмиссии, анализаторы, передающее устройство и приемник, блок регистрации вертикальных и поперечных ускорений содержит датчик регистрации вертикальных и поперечных колебательных ускорений, усилители, пиковые детекторы, компараторы и датчики «фонового» сигнала, причем сигналы с датчика регистрации вертикальных и поперечных колебательных ускорений по двум каналам в виде напряжений через усилители, а затем через пиковые детекторы поступают на компараторы, где происходит сравнение пиковых напряжений с соответствующими «фоновыми» напряжениями и формирование логического сигнала, блок регистрации акустической эмиссии содержит датчики акустической эмиссии, установленные на «левой» и «правой» буксах вагонной тележки, фильтры, усилители, аналого-цифровой преобразователь, формирователь, компараторы, датчики «фонового» сигнала, блок суммирования сигнала по нулевым каналам компараторов, причем сигналы от датчиков акустической эмиссии в виде радиоимпульсов по двум каналам проходят через фильтры, а затем через усилители, далее преобразуются в цифровую информацию в блоке АЦП и преобразуются в энергию акустического сигнала в формирователе, далее сигналы поступают на компараторы, где происходит сравнение пиковых значений энергии с соответствующими «фоновыми» и формирование логического сигнала, логические сигналы с выходов компараторов поступают в анализаторы, где происходит формирование сигналов о состоянии соответствующего вагона подвижного состава, которые далее поступают на передающее устройство, а затем на приемник, расположенный в кабине машиниста и на пульте управления оператора.
РИСУНКИ
|
|