|
|
(21), (22) Заявка: 2009111942/28, 31.03.2009
(24) Дата начала отсчета срока действия патента:
31.03.2009
(46) Опубликовано: 10.09.2010
(56) Список документов, цитированных в отчете о поиске:
RU 2154850 С2, 20.08.2000. RU 2349944 С1, 20.03.2009. SU 484478 А1, 15.09.1975. JP 2005-284199 А, 13.10.2005.
Адрес для переписки:
160035, г.Вологда, ул. Ленина, 15, Государственное образовательное учреждение высшего профессионального образования “Вологодский государственный технический университет” (ВоГТУ)
|
(72) Автор(ы):
Плеханов Александр Андреевич (RU), Коняхин Анатолий Васильевич (RU)
(73) Патентообладатель(и):
Государственное образовательное учреждение высшего профессионального образования “Вологодский государственный технический университет” (ВоГТУ) (RU)
|
(54) КАЛЕЙДОСКОПИЧЕСКИЙ ПРОЕКТОР
(57) Реферат:
Изобретение относится к проекционным аппаратам и предназначено для проецирования калейдоскопических узоров на экран. Калейдоскопический проектор включает источник света, матовое стекло, кассету с диаскопическим и эпископическим материалом, механизм вращения кассеты, зеркальную систему, систему линз. Боковая сторона кассеты выполнена прозрачной. Коаксиально боковой стороне кассеты расположены дополнительно рефлектор или рефлекторы со связанными с блоком управления источниками света регулируемой яркости и цвета. Технический результат – обеспечение более ярких и насыщенных цветов на экране. 1 ил.
Изобретение относится к проекционным аппаратам и предназначено для проецирования калейдоскопических узоров на экран в лечебно-оздоровительных целях.
Калейдоскопический проектор, включающий диаскопическую часть, состоящую из источника света, матового стекла, кассеты с диаскопическим материалом, механизма вращения кассеты, зеркальной системы, объектива, а также эпископические материалы, а также источник света с рефлектором, расположенный между объективом и кассетой, рядом с зеркальной системой. RU 2154850, МПК G02B 27/02, 2000 г.
Недостатком известного калейдоскопического проектора является низкая степень физиотерапевтического эффекта.
Задача, на решение которой направлено предлагаемое решение, -повышение физиотерапевтического эффекта.
Технический результат достигается тем, что калейдоскопический проектор, включающий источник света, матовое стекло, кассету с диаскопическим и эпископическим материалом, механизм вращения кассеты, зеркальную систему, источник света, при этом боковая сторона кассеты выполнена прозрачной, а коаксиально боковой стороне кассеты расположены дополнительно рефлектор или рефлекторы с источниками света регулируемой яркости и цвета, а источники света связаны с блоком управления.
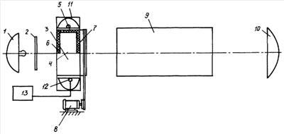
На чертеже показан калейдоскопический проектор, общий вид.
Калейдоскопический проектор содержит источник света 1, матовое стекло 2, кассету 3 с диаскопическим и эпископическим материалом 4, с прозрачной боковой стороной 5 и основаниями 6 и 7, механизм вращения кассеты 8, зеркальную систему 9, систему линз 10, дополнительный рефлектор 11 с источниками света 12, коаксиально расположенными кассете 3 и электрически связанными с блоком регулирования 13. Источники света 12 излучают различные цвета и выполнены, например, из светодиодов различных цветов.
Принцип действия калейдоскопического проектора следующий. Луч света от источника света 1 проходит через матовое стекло 2, прозрачные основания 6 и 7 кассеты 3, цветной диаскопический материал 4 находящийся в кассете 3, затем через зеркальную систему 9, систему линз 10 образует на экране цветные узоры (экран на чертеже не показан). При вращении кассеты узоры на экране меняются.
При включении источников света 12, находящихся в дополнительном рефлекторе 11, коаксиально расположенном кассете 3, лучи света одного или различного цвета от источников света 12 (светодиодов), проходя через прозрачную боковую сторону 5 кассеты 3, освещают диаскопический и эпископический материал 4, способствуют более яркому и насыщенному цвету переливающихся изображений на экране. Диаскопический 4 материал может быть выполнен в виде прозрачных кристаллов. Калейдоскопический проектор может найти применение в лечебно-профилактических учреждениях, санаториях, детских садах, в рекламе.
Формула изобретения
Калейдоскопический проектор, включающий источник света, матовое стекло, кассету с диаскопическим и эпископическим материалом, механизм вращения кассеты, зеркальную систему, систему линз, отличающийся тем, что боковая сторона кассеты выполнена прозрачной, а коаксиально боковой стороне кассеты расположены дополнительно рефлектор или рефлекторы с источниками света регулируемой яркости и цвета, а источники света связанны с блоком управления.
РИСУНКИ
|
|