|
|
(21), (22) Заявка: 2007139906/09, 15.03.2006
(24) Дата начала отсчета срока действия патента:
15.03.2006
(30) Конвенционный приоритет:
30.03.2005 US 11/095,227
(43) Дата публикации заявки: 20.05.2009
(46) Опубликовано: 27.08.2010
(56) Список документов, цитированных в отчете о поиске:
RU 2231903 C2, 31.03.2009. US 5986909 A, 16.11.1999. МОИН B.C. Стабилизированные транзисторные преобразователи. – М.: ЭНЕРГОАТОМИЗДАТ, 1986, с.158, 159, 229-233, 245-247.
(85) Дата перевода заявки PCT на национальную фазу:
30.10.2007
(86) Заявка PCT:
US 2006/009317 20060315
(87) Публикация PCT:
WO 2006/107548 20061012
Адрес для переписки:
129090, Москва, ул. Б.Спасская, 25, стр.3, ООО “Юридическая фирма Городисский и Партнеры”, пат.пов. Ю.Д.Кузнецову, рег. 595
|
(72) Автор(ы):
ДАТТА Раджиб (US), ЧЕНЬ Куньлунь (CN), ВЭН Хаицин (CN), РАДЖУ Рависекхар (US)
(73) Патентообладатель(и):
ДЖЕНЕРАЛ ЭЛЕКТРИК КОМПАНИ (US)
|
(54) СИСТЕМА СИЛОВОГО ПРЕОБРАЗОВАТЕЛЯ И СПОСОБ ДЛЯ НЕЕ
(57) Реферат:
Представлена система (12) силового преобразователя для подачи выходного напряжения. Система силового электропитания выполнена с возможностью работать в обычном режиме и в аварийном режиме. Система содержит множество мостов (14, 19, 90) и множество трансформаторов (20 25). Система дополнительно содержит множество конденсаторов (32 37) постоянного тока, каждый соединен параллельно соответствующему мосту. Система также включает в себя контроллер (11), выполненный с возможностью переключения во время обычного режима каждого моста с соответствующим обычным сдвигом фазы. Во время аварийного режима контроллер выполнен с возможностью переключения каждого из оставшихся мостов с соответствующим заданным сдвигом фазы, чтобы сгенерировать выходное напряжение. Во время аварийного режима, по меньшей мере, один из множества мостов шунтируется. Технический результат – сохранение высокого качества выходного напряжения при выходе из строя одного компонента системы. 3 с. и 13 з.п. ф-лы, 5 ил.
Уровень техники
Изобретение в целом относится к системам силовых преобразователей, а более конкретно к способу и системе для работы системы силового преобразователя в обычном режиме и в аварийном режиме.
Множество устройств, например системы энергоснабжения, включают в себя системы силовых преобразователей. Система силового преобразователя в типичном варианте используется, чтобы преобразовать входное напряжение, которое может быть с постоянной частотой, переменной частотой или с постоянным током, в желаемое выходное напряжение преобразователя. Выходное напряжение и частота могут быть постоянными или переменными. Система преобразователя обычно включает в себя несколько переключателей, таких как биполярные транзисторы с изолированным затвором (IGBT), которые переключаются на определенных частотах, чтобы сгенерировать желаемое выходное напряжение и частоту преобразователя. Выходное напряжение преобразователя затем предоставляется к различным нагрузкам через трансформаторы. Нагрузки, как используются здесь, могут включать в себя двигатели, электрические сети и, например, активные нагрузки.
Для некоторых применений, таких как генерация энергии от ветра и промышленная генерация энергии, например, системы силовых преобразователей в типичном варианте включают в себя несколько компонентов типа мостов и трансформаторов. Одиночные отказы в таких системах преобразователей могут привести к прекращению работы всей системы силового преобразователя, понижая таким образом работоспособность. Поэтому желательно спроектировать систему силового преобразователя с более высокой работоспособностью.
В ситуации, когда компонент в системе силового преобразователя выходит из строя, выходное напряжение преобразователя не является высококачественным. То есть, выходное напряжение преобразователя может включать в себя гармонические составляющие. Таким образом, желательно поддерживать гармонические составляющие в выходном напряжении преобразователя на минимальном уровне, даже когда случается одиночный отказ.
Следовательно, желательной является такая система силового преобразователя, которая способна работать, когда компонент в системе выходит из строя, при сохранении высокого качества выходного напряжения с минимальными гармоническими составляющими.
Краткое описание изобретения
Кратко, предоставлена система силового преобразователя для снабжения выходным напряжением согласно одному варианту осуществления изобретения. Система силового электропитания выполнена с возможностью работать в обычном режиме и в аварийном режиме. Система содержит множество мостов и множество трансформаторов. Каждый мост соединен с первичной обмоткой соответствующего трансформатора, а вторичные обмотки трансформаторов соединены вместе. Система дополнительно содержит множество конденсаторов линии постоянного тока, каждый соединен параллельно соответствующему мосту. Система дополнительно содержит контроллер, выполненный с возможностью переключения во время обычного режима каждого моста с соответствующим обычным сдвигом фазы, а во время аварийного режима шунтирования, по меньшей мере, одного неисправного моста и переключения каждого из оставшихся мостов с соответствующим заданным сдвигом фазы, чтобы сгенерировать выходное напряжение.
В другом варианте осуществления предоставлен способ подачи выходного напряжения с использованием системы силового преобразователя. Система силового преобразователя содержит мосты, трансформаторы и конденсаторы линии постоянного тока с каждым мостом, соединяемым с соответствующим трансформатором, и соответствующим конденсатором линии постоянного тока, соединенным параллельно мосту. Способ содержит функционирование в обычном режиме посредством переключения каждого из мостов с соответствующим обычным сдвигом фазы. Способ дополнительно содержит функционирование в аварийном режиме, где, по меньшей мере, один из множества мостов шунтируется, а оставшиеся мосты, каждый, выполнены с возможностью переключения с заданным сдвигом фазы, чтобы сгенерировать выходное напряжение.
В другом варианте осуществления предоставлена система силового преобразователя для подачи выходного напряжения. Система силового электропитания выполнена с возможностью работать в обычном режиме и в аварийном режиме. Система содержит множество мостов и множество трансформаторов, каждый соединен с соответствующим мостом, где вторичные обмотки трансформаторов соединены вместе. Система дополнительно содержит множество конденсаторов линии постоянного тока, каждый соединен параллельно соответствующему мосту. Система дополнительно включает в себя контроллер, приспособленный, во время обычного режима, для переключения каждого моста с соответствующим обычным сдвигом фазы, а во время аварийного режима переключающий, по меньшей мере, один из мостов с соответствующим заданным сдвигом фазы так, чтобы минимизировать гармонические составляющие в выходном напряжении.
Чертежи
Эти и другие признаки, аспекты и преимущества настоящего изобретения станут лучше понятны при прочтении последующего подробного описания со ссылкой на сопровождающие чертежи, на которых похожие символы представляют похожие части на всех чертежах, где:
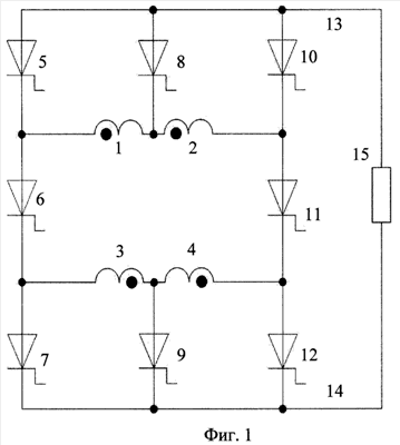
Фиг.1 является блок-схемой одного варианта осуществления системы силового преобразователя, осуществленной согласно одному аспекту изобретения;
Фиг.2 является блок-схемой альтернативной топологии системы силового преобразователя, осуществленной согласно одному аспекту изобретения;
Фиг.3 является векторной диаграммой, иллюстрирующей выходное напряжение системы силового преобразователя при работе в обычном режиме;
Фиг.4 является векторной диаграммой, иллюстрирующей выходное напряжение системы силового преобразователя при работе в аварийном режиме без минимизации общего гармонического искажения; и
Фиг.5 является векторной диаграммой, иллюстрирующей выходное напряжение системы силового преобразователя при работе в аварийном режиме во время минимизации общего гармонического искажения.
Подробное описание
Фиг.1 является блок-схемой системы силового преобразователя, осуществленной согласно одному аспекту изобретения. Система 12 силового преобразователя выполнена так, чтобы преобразовать мощность постоянного тока в соответствующую мощность переменного тока, которая затем подается к нагрузке 46. В иллюстрированном варианте осуществления источник 10 предоставляет энергию постоянного тока системе силового преобразователя. Примеры источника включают в себя электрические машины, топливные элементы или ультраконденсатор, основанный на хранении энергии линии постоянного тока, и батареи. Примеры нагрузок включают в себя электрические сети, двигатели и активные нагрузки. Система 12 силового электропитания выполнена так, чтобы работать в обычном режиме и в аварийном режиме. Система 12 силового преобразователя описана более детально ниже.
В качестве используемых в данном документе термины выполненный с возможностью , сконфигурированный и подобные ссылаются на признаки элементов в системе, которые позволяют элементам системы объединяться, чтобы обеспечить желаемый эффект; эти термины также ссылаются на функциональные возможности электрических элементов, таких как аналоговые или цифровые компьютеры или специализированные устройства (такие как специализированные интегральные микросхемы (ASIC)), усилители или подобные, которые запрограммированы, чтобы предоставлять выходной сигнал в ответ на поданные входные сигналы, и на механические устройства для электрического соединения компонентов вместе.
Система 12 силового преобразователя содержит мосты 14-19 и трансформаторы 20-25. Каждый мост соединен с первичной обмоткой 71-76 соответствующего трансформатора через конденсаторы 26-31. Вторичные обмотки 77-82 трансформаторов 20-25 соединены последовательно. Контроллер 11 предоставляет управляющие сигналы системе силового преобразователя, чтобы работать в обычном режиме или аварийном режиме.
Мосты 14-19 в типичном варианте выполнены с возможностью переключения с предварительно определенной частотой и обычным сдвигом фазы, чтобы сгенерировать соответствующее выходное напряжение моста. Выходное напряжение моста включает в себя основную составляющую напряжения и гармонические составляющие. Стробирующие сигналы для мостов получаются такими, что основные составляющие выходных напряжений мостов сдвинуты по фазе относительно друг друга.
Трансформаторы 20-25 выполнены так, чтобы генерировать сдвиг фазы между выходным напряжением преобразователя и вторичным напряжением трансформатора. Сдвинутые по фазе стробирующие сигналы, особенно когда соединены со сдвигом фазы в первичной обмотке трансформаторов силового преобразователя, дают в результате удаление гармонических составляющих низшего порядка из выходного напряжения преобразователя. В одном варианте осуществления выходное напряжение преобразователя содержит сумму основных составляющих напряжения выходного напряжения каждого моста. Таким образом, выходное напряжение преобразователя в основном лишено каких-либо гармонических составляющих. По существу, свободно ссылаемся на выходное напряжение, которое не включает в себя гармонические составляющие 5-го и 7-го порядка или ниже для двухмостовой конфигурации.
Система 12 силового преобразователя дополнительно включает в себя множество конденсаторов 32-37 линии постоянного тока. Каждый конденсатор 32-37 линии постоянного тока соединен параллельно соответствующему мосту 14-19 соответственно. На иллюстрированном чертеже конденсаторы линии постоянного тока соединены вместе последовательно. Однако, может быть отмечено, что конденсаторы линии постоянного тока могут также быть соединены параллельно или изолированы друг от друга. Система 12 силового преобразователя дополнительно включает в себя переключающие схемы 38-43. Каждая переключающая схема соединена через соответствующий конденсатор линии постоянного тока. Переключающая схема выполнена с возможностью разряжать соответствующий конденсатор линии постоянного тока, когда система силового преобразователя работает в аварийном режиме. В одном варианте осуществления переключающая схема содержит кремниевые управляемые выпрямители.
Система силового преобразователя дополнительно содержит контроллер 11, который выполнен с возможностью переключения системы силового преобразователя между обычным режимом и аварийным режимом. Когда система силового преобразователя работает в обычном режиме, контроллер 11 выполнен с возможностью переключать каждый мост 14-19 с соответствующим обычным сдвигом фазы.
Система силового преобразователя работает в аварийном режиме, когда один из мостов 14-19 выходит из строя. Например, если мост 19 выходит из строя (другими словами, если мост 19 является неисправным мостом), контроллер 11 выполнен с возможностью предоставлять управляющие сигналы мостам 14-18 и переключающей схеме 38-43, указывая систему силового преобразователя, работающую в аварийном режиме. При приеме управляющего сигнала, указывающего, что система силового преобразователя работает в аварийном режиме, мосты 14-18 переключаются с заданным сдвигом фазы, а мост 19 шунтируется. Сдвиг фазы устанавливается так, что гармонические составляющие в выходном напряжении находятся на минимуме, даже при работе в аварийном режиме. В одном варианте осуществления выходное напряжение системы силового напряжения при работе в обычном режиме, по существу, равно выходному напряжению системы силового преобразователя при работе в аварийном режиме. В одном варианте осуществления выходное напряжение силового преобразователя при работе в аварийном режиме равно 83,3% выходного напряжения силового преобразователя при работе в обычном режиме. Например, в одном варианте осуществления выходное напряжение системы силового напряжения при работе в обычном режиме равно 4160 Вольт, а выходное напряжение системы силового преобразователя при работе в аварийном режиме равно 3467 Вольт.
В одном варианте осуществления сдвиг фазы устанавливается на основе общего числа мостов. В другом варианте осуществления сдвиг фазы устанавливается на основе общего числа шунтированных мостов. В конкретном варианте осуществления сдвиг фазы соседних мостов равняется шестидесяти, разделенным на разницу между общим числом мостов и общим числом шунтированных мостов.
Таблица ниже иллюстрирует один примерный вариант осуществления, включающий в себя шесть мостов и различные сдвиги фаз, при которых мосты переключаются. Первая строка указывает обычные сдвиги фаз, соответствующие каждому мосту, когда система силового преобразователя работает в обычном режиме. Следующие шесть строк указывают заданный сдвиг фазы, соответствующий каждому мосту, когда один из мостов выходит из строя. Например, во второй строке мост 14 вышел из строя. Таким образом, сдвиги фаз мостов 15-19 установлены, как показано.
| Таблица 1 |
 |
Мост 14 |
Мост 15 |
Мост 16 |
Мост 17 |
Мост 18 |
Мост 19 |
| Обычный сдвиг фазы |
-5 |
-25 |
15 |
5 |
25 |
-15 |
| Заданный сдвиг фазы |
Отказ |
-23 |
13 |
1 |
25 |
-11 |
| Заданный сдвиг фазы |
-7 |
Отказ |
17 |
5 |
29 |
-19 |
| Заданный сдвиг фазы |
-3 |
-27 |
Отказ |
9 |
21 |
-15 |
| Заданный сдвиг фазы |
-1 |
-25 |
11 |
Отказ |
23 |
-13 |
| Заданный сдвиг фазы |
-5 |
-29 |
19 |
7 |
Отказ |
-17 |
| Заданный сдвиг фазы |
-9 |
-21 |
15 |
3 |
27 |
Отказ |
Мосты, когда переключаются с заданными сдвигами фаз, как показано выше, минимизируют среднеквадратичное (rms) значение гармонических составляющих. Может быть отмечено, что контроллер может быть выполнен с возможностью переключать мосты таким способом, чтобы удалить отдельный порядок гармонической составляющей. Такие схемы выборочного удаления гармоники позволяют удалить либо один, либо множество порядков гармоники из выходного сигнала. Число удаленных гармонических составляющих зависит от числа импульсов в цикле и шаблоне переключения.
Система силового преобразователя, когда выполнена с возможностью работать с заданными сдвигами фаз для мостов 14-19, работает с минимизированным общим нелинейным искажением (THD). Напряжение постоянного тока оставшихся конденсаторов 32-36 линии постоянного тока динамически сбалансировано посредством уравновешивания активной мощности, управляемой отдельными мостами, что может быть достигнуто управлением через динамическое регулирование величины и фазы выходного напряжения каждого моста. Контроллер 11 может использоваться, чтобы предоставить управляющие сигналы различным топологиям системы силового преобразователя. Одна такая альтернативная топология иллюстрирована на Фиг.2, где число мостов больше, чем число трансформаторов. На иллюстрированном чертеже система 10 силового преобразователя (как иллюстрировано на Фиг.1) дополнительно включает в себя непосредственно соединенный мост 90. Непосредственно соединенный мост 90 соединен с нагрузкой через вторичную обмотку 82 трансформатора 25. Непосредственно соединенная линия 88 постоянного тока соединена через непосредственно соединенный мост, а непосредственно соединенная переключающая схема 86 соединена через непосредственно соединенную линию постоянного тока. Мост 74, конденсатор линии постоянного тока и переключающая схема 70 работают похожим образом с тем, что описано со ссылкой на Фиг.1.
Фиг.3 является векторной диаграммой, иллюстрирующей выходное напряжение системы силового преобразователя при работе в обычном режиме. Вторичная обмотка каждого трансформатора 20-25 имеет напряжение с одинаковым значением и фазой, представленное номерами 51-56 соответственно. Общее выходное напряжение представлено номером 58, которое равно сумме напряжений 51-56. В одном варианте осуществления ток 61 нагрузки задает выходное напряжение. В другом варианте осуществления ток 62 нагрузки находится в фазе с выходным напряжением. Еще в одном варианте осуществления ток 63 нагрузки задерживает выходное напряжение.
Фиг.4 является векторной диаграммой, иллюстрирующей выходное напряжение системы силового преобразователя при работе в аварийном режиме без минимизации общего нелинейного искажения. В этой системе предполагается, что один мост неисправен. Видно, что выходное напряжение системы силового преобразователя в аварийном режиме является почти выходным напряжением системы силового преобразователя в обычном режиме. Это потому, что напряжение через вторичную обмотку каждого трансформатора увеличилось примерно на 20%.
Фиг.5 является векторной диаграммой, иллюстрирующей выходное напряжение системы силового преобразователя при работе в аварийном режиме (с одним неисправным мостом) во время минимизации общего нелинейного искажения. Вторичная обмотка каждого трансформатора 77-82 имеет напряжение с разным значением и фазой, представленное номерами 51-56 соответственно. Эти векторы задаются так, чтобы минимизировать общее нелинейное искажение. Общее выходное напряжение, представленное номером 58, равно сумме напряжений 51-56. В одном варианте осуществления ток 61 нагрузки задает выходное напряжение. В другом варианте осуществления ток 62 нагрузки находится в фазе с выходным напряжением. Еще в одном варианте осуществления ток 63 нагрузки задерживает выходное напряжение.
Вышеописанное изобретение предоставляет несколько преимуществ, которые включают в себя работу системы преобразователя, даже когда один мост в системе неисправен. Другим преимуществом одного варианта осуществления раскрытой системы силового преобразователя является то, что выходной сигнал, сгенерированный во время обычного режима работы и аварийного режима работы, по существу равный. В другом варианте осуществления сгенерированное выходное напряжение содержит минимальное нелинейное искажение, даже когда система силового преобразователя работает в аварийном режиме. В то время как только определенные признаки изобретения были иллюстрированы и описаны в данном документе, многие модификации и изменения придут на ум специалистам в области техники. Следовательно, должно быть понятно, что прилагаемая формула изобретения предназначена, чтобы покрывать все такие модификации и изменения, как подпадающие в рамки истинного духа изобретения.
Формула изобретения
1. Система силового преобразователя для подачи выходного напряжения, причем система силового преобразователя выполнена с возможностью работать в обычном режиме и аварийном режиме, при этом система содержит множество мостов; множество трансформаторов, причем каждый мост соединен с первичной обмоткой соответствующего трансформатора, а вторичные обмотки трансформаторов соединены друг с другом; множество конденсаторов линии постоянного тока, каждый соединен параллельно соответствующему мосту; и контроллер, выполненный с возможностью переключения во время обычного режима каждого моста с соответствующим обычным сдвигом фазы, а во время аварийного режима шунтирования, по меньшей мере, одного неисправного моста и переключения каждого из оставшихся мостов с соответствующим заданным сдвигом фазы, чтобы сгенерировать выходное напряжение, по существу, одинаковое во время обычного режима и аварийного режима.
2. Система по п.1, дополнительно содержащая множество переключающих схем, каждая соединена параллельно соответствующему конденсатору линии постоянного тока.
3. Система по п.2, в которой контроллер выполнен так, чтобы во время аварийного режима управлять переключающей схемой, соответствующей соответственному неисправному мосту, так, чтобы разрядить соответствующий конденсатор линии постоянного тока.
4. Система по п.3, в которой контроллер выполнен так, чтобы во время аварийного режима динамически балансировать мощность постоянного тока по разряженным линиям постоянного тока.
5. Система по п.1, в которой контроллер выполнен так, чтобы во время аварийного режима минимизировать гармонические составляющие в выходном напряжении.
6. Система по п.5, в которой сдвиг фазы регулируется на основе общего числа мостов.
7. Система по п.5, в которой сдвиг фазы регулируется на основе общего числа шунтированных мостов.
8. Система по п.5, в которой разница между сдвигом фазы соседних мостов равняется шестидесяти, разделенным на разницу между общим числом мостов и общим числом шунтированных мостов.
9. Система по п.1, дополнительно содержащая непосредственно соединенный мост, подсоединенный к нагрузке через вторичную обмотку, по меньшей мере, одного трансформатора; непосредственно соединенную линию постоянного тока, подсоединенную параллельно непосредственно соединенному мосту; и непосредственно соединенную переключающую схему, подсоединенную параллельно непосредственно соединенной линии постоянного тока.
10. Способ подачи выходного напряжения с использованием системы силового преобразователя, содержащей мосты, трансформаторы и конденсаторы линии постоянного тока с каждым мостом, подсоединяемым к соответствующему трансформатору, и имеющей соответствующий конденсатор линии постоянного тока, соединенный параллельно мосту, способ содержит этапы, на которых функционируют в обычном режиме посредством переключения каждого из мостов с соответствующим обычным сдвигом фазы и функционируют в аварийном режиме, в котором, по меньшей мере, один из множества мостов шунтируется; а каждый из оставшихся мостов выполнен с возможностью переключения с заданным сдвигом фазы, чтобы сгенерировать выходное напряжение, по существу, одинаковое выходное напряжение во время обычного режима и аварийного режима.
11. Способ по п.10, дополнительно содержащий этап, на котором разряжают конденсатор линии постоянного тока, подсоединенный параллельно шунтированному мосту.
12. Способ по п.10, дополнительно содержащий этап при работе в аварийном режиме, на котором динамически балансируют мощность постоянного тока множества конденсаторов линии постоянного тока.
13. Система силового преобразователя для подачи выходного напряжения, система силового преобразователя выполнена с возможностью функционировать в обычном режиме и аварийном режиме, причем система содержит множество мостов; множество трансформаторов, каждый подсоединен к соответствующему мосту через соответствующий контактор переменного тока, причем вторичные обмотки трансформаторов соединены вместе; множество конденсаторов линии постоянного тока, каждый соединен параллельно соответствующему мосту; и контроллер, выполненный с возможностью переключения во время обычного режима каждого моста с соответствующим обычным сдвигом фазы, а во время аварийного режима переключения, по меньшей мере, одного из мостов с соответствующим заданным сдвигом фазы так, чтобы минимизировать гармонические составляющие в выходном напряжении, по существу, одинаковым во время обычного режима и аварийного режима.
14. Система по п.13, дополнительно содержащая множество переключающих схем, каждая соединена параллельно соответствующему конденсатору линии постоянного тока, причем контроллер выполнен так, чтобы заставить конкретную переключающую схему разряжать соответствующий конденсатор линии постоянного тока, когда система силового преобразователя работает в аварийном режиме.
15. Система по п.14, в которой во время аварийного режима контроллер выполнен с возможностью заставлять переключающую схему шунтировать соответствующий конденсатор линии постоянного тока и активировать контактор переменного тока, чтобы шунтировать соответствующий трансформатор.
16. Система по п.15, в которой контроллер выполнен так, чтобы во время аварийного режима динамически балансировать мощность постоянного тока по неразряженным линиям постоянного тока.
РИСУНКИ
|
|