|
|
(21), (22) Заявка: 2009125279/09, 01.07.2009
(24) Дата начала отсчета срока действия патента:
01.07.2009
(46) Опубликовано: 27.08.2010
(56) Список документов, цитированных в отчете о поиске:
SU 1288863 A1, 07.02.1987. RU 1826334 C, 10.06.1997. GB 2430277 A, 21.03.2007.
Адрес для переписки:
630092, г.Новосибирск, пр. К. Маркса, 20, НГТУ
|
(72) Автор(ы):
Евдокимов Сергей Александрович (RU), Евдокимова Людмила Григорьевна (RU)
(73) Патентообладатель(и):
Государственное Образовательное Учреждение Высшего Профессионального Образования Новосибирский Государственный Технический Университет (RU)
|
(54) ОДНОФАЗНЫЙ ПРЕОБРАЗОВАТЕЛЬ ПЕРЕМЕННОГО ТОКА В ПОСТОЯННЫЙ
(57) Реферат:
Однофазный преобразователь переменного тока в постоянный может найти применение для преобразования переменного тока в постоянный и может быть использован в источниках постоянного тока с регулируемым напряжением. Предложенный преобразователь содержит восемь вентилей и однофазный трансформатор с первичной обмоткой и группой вторичных обмоток, состоящей из двух частей, каждая из которых имеет отпайку от средней точки, причем числа витков обеих частей группы вторичных обмоток равны. Из шести вентилей сформированы две, обратные друг другу, трехвентильные звезды, общие точки соединения вентилей которых образуют выходные выводы устройства. Свободные электроды вентилей одной звезды соединены с началом, средней точкой и концом первой части группы вторичных обмоток, а свободные электроды вентилей второй звезды соединены с началом, средней точкой и концом второй части группы вторичных обмоток. При этом один из незадействованных вентилей соединяет начало (конец) первой части с концом (началом) второй части группы вторичных обмоток, а второй незадействованный вентиль соединяет конец (начало) первой части с началом (концом) второй части группы вторичных обмоток, причем оба вентиля включены согласно с вентилями трехвентильных звезд. Все вентили устройства являются управляемыми или один из них принадлежащий одной из трехвентильных звезд и соединенный со средней точкой соответствующей части группы вторичных обмоток является неуправляемым. Предложенный однофазный преобразователь переменного тока в постоянный обеспечивает технический результат – имеет более высокий коэффициент мощности. 3 ил.
Предлагаемое изобретение относится к полупроводниковым преобразователям электрической энергии, предназначенным для преобразования переменного тока в постоянный, и может быть использовано в источниках постоянного тока с регулируемым напряжением.
Известен однофазный преобразователь переменного тока в постоянный (С.Н.Засорин, В.А.Мицкевич, К.Г.Кучма. Электронная и преобразовательная техника. М.: Транспорт, 1981, С.162), содержащий три последовательно согласно соединенных однофазных вентильных моста, в каждом из которых два последовательно включенных вентильных плеча оснащены управляемыми вентилями, два других плеча неуправляемыми вентилями, а к полярным выходам крайних мостов подключена нагрузка, и однофазный трансформатор с первичной обмоткой и тремя гальванически развязанными вторичными обмотками, каждая из которых соединена с одним из мостов, причем начала (концы) обмоток подключены к соответствующим точкам соединения управляемых вентилей, концы (начала) подключены к соответствующим точкам соединения неуправляемых вентилей, а числа витков вторичных обмоток равны или находятся в определенном соотношении между собой. При равенстве чисел витков вторичных обмоток число зон регулирования равно трем. Используя разные соотношения напряжений вторичных обмоток, можно получить число зон регулирования выпрямленного напряжения, большее, чем число мостов. Так, при трех вторичных обмотках и соотношении между числами витков 1:2:3 или 1:2:4 число зон регулирования может быть равным, соответственно шести или семи.
Недостатком данного преобразователя является относительно невысокий КПД из-за большого числа вентилей, последовательно включаемых в цепи тока нагрузки.
Кроме того, известен однофазный преобразователь переменного тока в постоянный (Плакс А.В. Системы управления электрическим подвижным составом. Учебник для вузов ж.-д. транспорта. – М.: Маршрут, 2005, С.140), являющийся прототипом, содержащий однофазный трансформатор с первичной обмоткой и с группой вторичных обмоток, состоящей из двух частей, одна из которых имеет отпайку от средней точки, а вторая часть соединена с первой согласно, причем числа витков обеих частей группы вторичных обмоток равны, и четырехфазный вентильный мост с восемью управляемыми вентилями, входы переменного тока которого подключены к выводам от начала и конца всей вторичной обмотки, образованной соединением двух частей, и к выводам от отпайки первой части и от точки соединения частей группы вторичных обмоток, а выходы постоянного тока подключены к нагрузке. Преобразователь обеспечивает четырехзонное плавное регулирование напряжения.
Недостатком преобразователя является относительно низкий коэффициент мощности, что обусловлено необходимостью осуществлять раздельную коммутацию токов по большому и малому контурам в начальной стадии формирования каждой пульсации, что приводит к дополнительному сдвигу начало формирования пульсаций выпрямленного напряжения относительно «нулевых» фаз питающего напряжения более чем на 20 эл. град., а следовательно к искажению сетевого тока.
Задачей предлагаемого изобретения является создание однофазного преобразователя переменного тока в постоянный с более высоким коэффициентом мощности.
Поставленная задача достигается тем, что однофазный преобразователь переменного тока в постоянный содержит восемь вентилей и однофазный трансформатор с первичной обмоткой и группой вторичных обмоток, состоящей из двух частей, первая из которых имеет отпайку от средней точки, причем числа витков обеих частей группы вторичных обмоток равны, при этом от середины второй части группы вторичных обмоток выполнена отпайка с выводом, из шести вентилей сформированы две, обратные друг другу, трехвентильные звезды, общие точки соединения вентилей которых образуют выходные выводы устройства, причем свободные электроды вентилей одной звезды соединены с началом, средней точкой и концом первой части группы вторичных обмоток, а свободные электроды вентилей второй звезды соединены с началом, средней точкой и концом второй части группы вторичных обмоток, при этом один из незадействованных вентилей соединяет начало (конец) первой части с концом (началом) второй части группы вторичных обмоток, а второй незадействованный вентиль соединяет конец (начало) первой части с началом (концом) второй части группы вторичных обмоток, причем оба вентиля включены согласно с вентилями трехвентильных звезд, а все вентили устройства являются управляемыми или один из них принадлежащий одной из трехвентильных звезд и соединенный со средней точкой соответствующей части группы вторичных обмоток является неуправляемым.
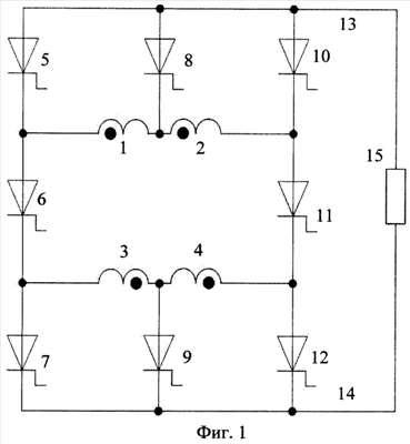
На Фиг.1 приведена схема предлагаемого преобразователя с восемью управляемыми вентилями; на Фиг.2 приведена схема предлагаемого преобразователя с одним неуправляемым вентилем и семью управляемыми вентилями; на Фиг.3 приведены временные диаграммы выпрямленного напряжения для трех поддиапазонов регулирования.
Однофазный преобразователь переменного тока в постоянный (Фиг.1) содержит однофазный трансформатор, имеющий первичную обмотку (не показана) и две гальванически развязанные части группы вторичных обмоток с равными числами витков, одна разделена отпайкой от середины на секции 1 и 2, вторая разделена отпайкой от середины на секции 3 и 4, вентильную часть, состоящую из управляемых вентилей 5-12; вентили 5, 8, 10 и вентили 7, 9, 12 образуют обратные друг другу трехвентильные звезды, соответственно, анодную и катодную, общие точки соединения вентилей в которых образуют соответствующие выходные выводы устройства – анодный 13 и катодный 14, к которым подключена нагрузка 15. Катоды вентилей 5, 8, 10 соединены, соответственно, с началом (секция 1), средней точкой и концом (секция 2) первой части вторичной обмотки. Аноды вентилей 7, 9, 12 соединены, соответственно, с концом (секция 3), средней точкой и началом (секция 4) второй части группы вторичных обмоток. Вентиль 6 подключен анодом к началу первой части группы вторичных обмоток, а катодом к концу второй части. Вентиль 11 подключен анодом к концу первой части группы вторичных обмоток, а катодом к началу второй части. На Фиг.2 управляемый вентиль 9 (Фиг.1) заменен на неуправляемый вентиль 16. В другом (неприведенном) варианте такой замене можно подвергнуть управляемый вентиль 8 (Фиг.1).
Работа устройства (Фиг.1, Фиг.2) по формированию плавно изменяющегося выпрямленного напряжения в разных поддиапазонах (зонах) обеспечивается при нескольких способах подачи управляющих сигналов на управляющие электроды вентилей. Введение неуправляемого вентиля вместо управляемого уменьшает число вариантов алгоритма управления, но упрощает схему. При выбранном равенстве чисел витков всех секций вторичных обмоток (1:1:1:1) число зон регулирования (поддиапазонов регулирования) равно четырем. Принцип работы устройства достаточно рассмотреть на примере реализации преобразователя (Фиг.2) с одним неуправляемым вентилем.
Весь диапазон регулирования выпрямленного напряжения разделен на 4 поддиапазона (зоны), три из которых (зоны I, II, IV) представлены временными диаграммами выпрямленного напряжения на Фиг.3 для различных углов регулирования 1>0°. Для примера рассмотрим четвертый поддиапазон (зона IV).
В четвертом поддиапазоне (зона IV) при положительной полуволне питающего напряжения, положительную полярность которого примем соответствующей более высоким потенциалам начал секций, сначала включаются вентили 6, 8, 12 с углом =0°; при этом на нагрузке 15 формируется напряжение секций 1, 3, 4. Затем, с углом 1>0°, включается вентиль 10 и на нагрузке 15 формируется суммарное напряжение секций 1, 2, 3, 4. Ток при этом протекает сначала по контуру: вывод 13 – нагрузка 15 – вывод 14 – вентиль 8 – секция 1 – вентиль 6 – секции 3, 4 – вентиль 12 – вывод 13, а после включения с углом 1>0° вентиля 11 ток из вентиля 8 в силу естественной коммутации переходит в цепь, состоящую из вентиля 10 и секции вторичной обмотки 2. Мгновенное значение выпрямленного напряжения на нагрузке 15 возрастает от 3/4 полного напряжения всех секций вторичной обмотки трансформатора до значения 4/4, как это показано на Фиг.3 (зона IV) при различных углах регулирования 1>0°.
При отрицательной полуволне питающего напряжения сначала с углами =0° включается вентиль 7, 8, 11, а затем с варьируемым углом 1>0° вентиль 5. Форма выпрямленного напряжения в этой полуволне будет такой же двухступенчатой, как и в предыдущей полуволне, показанной на Фиг.3 (зона IV). С уменьшением угла 1 среднее значение выпрямленного напряжения плавно возрастает.
Аналогично прослеживается работа преобразователя во всех остальных поддиапазонах (зонах) плавного регулирования. В приведенной таблице представлен один из нескольких возможных вариантов алгоритма подачи управляющих сигналов на управляющие электроды управляемых вентилей преобразователя (Фиг.2), где – нулевой сигнал ( 0) и – регулирующий сигнал ( 1). Знаки (+) и (-) в столбце «Фаза» обозначают полупериод подачи на вентили управляющих сигналов.
Кривые выпрямленного напряжения на Фиг.3 получены на компьютерной модели с применением индуктивных сопротивлений.
В предлагаемом преобразователе плавное регулирование достигается во всех четырех поддиапазонах при согласном включении обмоток и при достаточно простой реализации схемы управления. В данном преобразователе образуются большие и малые контуры коммутации, но они, в отличие от прототипа, рассовмещены из-за «лестничного» построения вентильной части, что способствует проведению одновременной коммутации в данных контурах по сигналу, выдаваемому в момент 0. Обычно такой сигнал выдается сразу же по окончанию противотока, примерно через 9 эл. град после начала полупериода. В прототипе после выдачи сигнала 0 происходит коммутация в наибольшем из двух совмещенных контуров. Затем, через 6 эл. град, после сигнала 0, выдается задержанный сигнал 0з, инициирующий коммутацию в малом контуре, и только по окончанию коммутации в малом контуре начинает формироваться кривая выпрямленного напряжения. В предлагаемом устройстве такой двойной коммутации не требуется, так как контуры рассовмещены. В результате улучшается форма выпрямленного напряжения, снижается процентный состав высших гармоник в потребляемом сетевом токе, а значит повышается коэффициент мощности.
Таким образом, предлагаемое изобретение – однофазный преобразователь переменного тока в постоянный – имеет более высокий коэффициент мощности.
Формула изобретения
Однофазный преобразователь переменного тока в постоянный, содержащий восемь вентилей и однофазный трансформатор с первичной обмоткой и группой вторичных обмоток, состоящей из двух частей, первая из которых имеет отпайку от средней точки, причем числа витков обеих частей группы вторичных обмоток равны, отличающийся тем, что от середины второй части группы вторичных обмоток выполнена отпайка с выводом, из шести вентилей сформированы две обратные друг другу трехвентильные звезды, общие точки соединения вентилей которых образуют выходные выводы устройства, причем свободные электроды вентилей одной звезды соединены с началом, средней точкой и концом первой части группы вторичных обмоток, а свободные электроды вентилей второй звезды соединены с началом, средней точкой и концом второй части группы вторичных обмоток, при этом один из незадействованных вентилей соединяет начало (конец) первой части с концом (началом) второй части группы вторичных обмоток, а второй незадействованный вентиль соединяет конец (начало) первой части с началом (концом) второй части группы вторичных обмоток, причем оба вентиля включены согласно с вентилями трехвентильных звезд, а все вентили устройства являются управляемыми или один из них, принадлежащий одной из трехвентильных звезд и соединенный со средней точкой соответствующей части группы вторичных обмоток, является неуправляемым.
РИСУНКИ
|
|