|
|
(21), (22) Заявка: 2009130571/09, 10.08.2009
(24) Дата начала отсчета срока действия патента:
10.08.2009
(46) Опубликовано: 27.08.2010
(56) Список документов, цитированных в отчете о поиске:
RU 2297699 С1, 20.04.2007. RU 2070759 С1, 20.12.1996. RU 2058637 С1, 20.04.1996. GB 2135828 А, 05.09.1984. WO 9936992 А2, 22.07.1999.
Адрес для переписки:
140180, Московская обл., г. Жуковский, Гагарина, 3, Открытое акционерное общество “Научно-исследовательский институт Приборостроения имени В.В. Тихомирова”
|
(72) Автор(ы):
Митин Владимир Александрович (RU), Винярская Наталья Александровна (RU), Рыбин Максим Сергеевич (RU), Синани Анатолий Исакович (RU), Грибанов Александр Николаевич (RU), Мосейчук Георгий Феодосьевич (RU)
(73) Патентообладатель(и):
Открытое акционерное общество “Научно-исследовательский институт Приборостроения имени В.В. Тихомирова” (RU)
|
(54) ФАЗИРОВАННАЯ АНТЕННАЯ РЕШЕТКА
(57) Реферат:
Изобретение относится к радиотехнической промышленности и может использоваться в СВЧ антенной технике в составе фазированных антенных решеток, использующих моноимпульсный метод пеленгации. Техническим результатом является снижение уровня боковых лепестков разностной диаграммы направленности в плоскости расположения линеек волноводной распределительной системы (ВРС). Устройство состоит из 4К панелей излучателей, 4К блоков фазовращателей, 4К линеек ВРС, каждая из которых состоит из одного магистрального волновода (MB) и ответвленных каналов, а также главного распределителя, состоящего из СВЧ-сумматора, суммирующего устройства и направленных ответвителей. Для достижения технического результата в плоскости главного распределителя в каждую из 4К линеек ВРС введен второй MB, расположенный за первым MB таким образом, что их широкие стенки лежат в одной плоскости, а ответвленные каналы имеют общие участки широких стенок с обоими MB. Элементы связи в общих участках MB выполнены поочередно то с первым, то со вторым MB, а выходы ответвленных каналов попарно, имеющие элементы связи с первым MB непосредственно, а имеющие элементы связи со вторым MB через фазовыравнивающие секции, соединены с входами волноводных Н-мостов. Выходы Н-мостов соединены с входами блоков фазовращателей. В главный распределитель введены четыре вторые дополнительные линейки направленных ответвителей, выходы которых соединены с входами вторых MB линеек ВРС, а входы – с выходами второго СВЧ-сумматора, функционально аналогичным первым. 4 ил.
Изобретение относится к радиотехнической промышленности и может использоваться в СВЧ антенной технике в составе фазированных антенных решеток, использующих моноимпульсный метод пеленгации.
Известна фазированная антенная решетка (ФАР) с центральным возбуждением [RU 2070759 С1, опубл. 20.12.1996 г.], содержащая линейные излучатели, выходы которых соединены с входами управляемых фазовращателей, многоканальный волноводный распределитель мощности, выходы которого соединены с направленными ответвителями, выполненными в виде отверстий связи и соединенными с выходами управляемых фазовращателей, и волноводный суммарно-разностный мост. Волноводный суммарно-разностный мост и многоканальный волноводный распределитель мощности выполнены в виде цельнометаллической конструкции так, что боковые плечи волноводного суммарно-разностного моста являются магистральными волноводами многоканального распределителя мощности. Центральный направленный ответвитель многоканального распределителя мощности подключен к регулярному участку отрезка волноводного суммарного плеча волноводного суммарно-разностного моста.
Недостатком этого изобретения является высокий уровень боковых лепестков разностных диаграмм направленности.
Известна статья «Волноводная распределительная система бортовой антенны с электронным управлением лучом», авт. Синани А.И., Позднякова Р.Д., Митин В.А., «Антенны», вып.6 (61), 2002 г.
В этой бортовой антенне используется ВРС строчно-столбцового типа, в которой имеются четыре строчно-столбцовых делителя, каждый из которых разветвляет СВЧ-энергию в одном из квадрантов апертуры, и СВЧ-сумматор, запитывающий четыре упомянутые делителя с требуемыми для формирования суммарно-разностных диаграмм направленности фазовыми соотношениями.
Недостатком этого изобретения является высокий уровень боковых лепестков разностных диаграмм направленности, определяемый примененным способом формирования амплитудного распределения в апертуре антенны (ВРС формирует в раскрыве антенны амплитудное распределение, спадающее от центра к краям, оптимальное для суммарного канала, в то же время являющееся неоптимальным для разностных каналов [«Теория синтеза антенн», авт. Б.М.Минкович, В.П.Яковлев, изд.«Сов. радио», М., 1969 г.]).
Наиболее близкой по технической сущности к предлагаемому изобретению является фазированная антенная решетка [RU 2297699 «Фазированная антенная решетка», опубл. 10.07.2006 г.], состоящая из 4К панелей излучателей, 4К блоков фазовращателей, 4К линеек волноводной распределительной системы и главного распределителя в составе СВЧ-сумматора, имеющего четыре выхода и один суммарный и два разностных входа, четырех линеек направленных ответвителей, каждая из которых имеет 2К выходов, и 4К согласующих нагрузок. N входов каждой из К панелей излучателей соединены с соответствующими N выходами каждого из К блока фазовращателей, N входов каждого из которых присоединены к соответствующим N выходам каждой из К линеек волноводной распределительной системы, вход каждой из К линеек волноводной распределительной системы соединен с соответствующими К выходами линеек направленных ответвителей главного распределителя. Вход каждой из четырех линеек направленных ответвителей соединен с соответствующим выходом СВЧ-сумматора, причем по первому разностному входу формируется разностная диаграмма направленности в плоскости ориентации главного распределителя. По второму разностному входу формируется разностная диаграмма направленности в плоскости линеек волноводной распределительной системы, при этом в одни К выходов линеек направленных ответвителей СВЧ-энергия ответвляется, а в другие К выходов линеек направленных ответвителей СВЧ-энергия не поступает. В главный распределитель введены четыре линейки направленных ответвителей, имеющих 2К выходов в каждой, 4К+2 фазирующие секции, суммирующее устройство и направленный ответвитель. При этом разностный вход СВЧ-сумматора, по которому формировалась разностная диаграмма направленности в плоскости главного распределителя, соединен с выходом фазирующей секции, вход которой подключен к одному из выходов направленного ответвителя, второй выход которого соединен с входом фазирующей секции. При этом выход фазирующей секции подключен к входу суммирующего устройства, а вход направленного ответвителя становится вторым разностным входом, по которому формируется разностная диаграмма направленности фазированной антенной решетки с пониженным уровнем боковых лепестков в плоскости ориентации главного распределителя. При этом каждый из четырех выходов суммирующего устройства соединен с соответствующими входами дополнительных линеек направленных ответвителей, причем К выходов каждой из дополнительных линеек направленных ответвителей, на которые не поступает СВЧ-сигнал, соединены с К согласованными нагрузками, а другие К выходов дополнительных линеек направленных ответвителей подключены к К фазирующим секциям, выходы которых, в свою очередь, соединены с соответствующими К выходами линеек направленных ответвителей главного распределителя.
Недостатком этого изобретения является высокий уровень боковых лепестков разностной ДН в плоскости, ортогональной плоскости расположения главного распределителя.
Сущность предлагаемого изобретения состоит в том, что фазированная антенная решетка состоит из 4К панелей излучателей, 4К блоков фазовращателей, выходы которых соединены с входами панелей излучателей, 4К линеек волноводной распределительной системы, каждая из которых состоит из одного магистрального волновода и ответвленных каналов, а также главного распределителя, состоящего из СВЧ-сумматора, имеющего четыре выхода и один суммарный и два разностных входа, суммирующего устройства, имеющего четыре выхода и один разностный вход, четырех основных и четырех дополнительных линеек направленных ответвителей, входы которых соединены, соответственно, с выходами СВЧ-сумматора и суммирующего устройства. При этом разностный вход СВЧ-сумматора и вход суммирующего устройства соединены через фазирующую секцию с выходами направленного ответвителя.
Новым в предлагаемом изобретении является введение в каждую из 4К линеек волноводной распределительной системы второго магистрального волновода, расположенного за первым магистральным волноводом таким образом, что их широкие стенки лежат в одной плоскости, а ответвленные каналы имеют общие участки широких стенок с обоими магистральными волноводами. Элементы связи в общих участках магистральных волноводов выполнены поочередно то с первым, то со вторым магистральным волноводом, а выходы ответвленных каналов попарно, имеющие элементы связи с первым магистральным волноводом непосредственно, а имеющие элементы связи со вторым магистральным волноводом через фазовыравнивающие секции соединены с входами волноводных Н-мостов. Выходы Н-мостов соединены с входами блоков фазовращателей. В главный распределитель введены четыре вторые дополнительные линейки направленных ответвителей, выходы которых соединены с входами вторых магистральных волноводов линеек ВРС, а входы – с выходами второго СВЧ-сумматора, функционально аналогичным первым.
Технический результат предлагаемого изобретения заключается в существенном (на 10-15 дБ) снижении уровня боковых лепестков разностной ДН в плоскости расположения линеек ВРС при сохранении снижения уровня боковых лепестков разностной диаграммы направленности в плоскости главного распределителя.
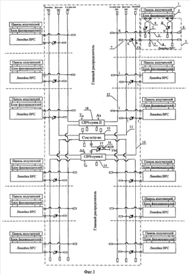
На фиг.1 приведена функциональная схема фазированной антенной решетки.
На фиг.2 приведено схематическое изображение фрагмента конструкции линейки ВРС, обеспечивающей функцию оптимизации разностной ДН в плоскости линеек ВРС.
На фиг.3 приведена расчетная разностная ДН в плоскости расположения линеек ВРС.
На фиг.4 приведена расчетная разностная диаграмма направленности в плоскости расположения главного распределителя
Фазированная антенная решетка с оптимизированными разностными ДН в двух главных плоскостях (Н и Е) состоит из панелей излучателей 1, полностью заполняющих раскрыв антенны, блоков фазовращателей 2, линеек волноводно-распределительной системы (ВРС) 3, каждая из которых состоит из первого и второго магистральных волноводов 4 и 5, волноводных Н-мостов 6, направленных ответвителей 7, фазовыравнивающих секций 8 и согласованных нагрузок 9, главного распределителя, состоящего из четырех основных линеек направленных ответвителей (НО) 10, четырех дополнительных линеек НО 11, четырех вторых дополнительных линеек направленных ответвителей 12, фазирующих секций 13, а также первого СВЧ – сумматора 14, суммирующего устройства 15, направленного ответвителя 16 с фазирующей секцией 17, второго СВЧ-сумматора 18.
Каждый из каналов 4К панелей излучателей 1 соединен с соответствующим выходом одного из 4К блоков фазовращателей 2, входы которых соединены с соответствующими выходами волноводных Н-мостов 6, одни из входов которых соединены с направленными ответвителями 7, объединенными магистральными волноводами 4, а другие – магистральными волноводами 5. При этом в ответвленных каналах (в которые СВЧ-энергия ответвляется) направленных ответвителей 7, объединенных магистральными волноводами 5, установлены фазовыравнивающие секции 8, а в каналах направленности (в которые СВЧ-энергия не поступает) всех направленных ответвителей 7 установлены согласованные нагрузки 9. Входы магистральных волноводов 4 и 5 соединены, соответственно, с выходами основных линеек направленных ответвителей 10 и вторых дополнительных линеек направленных ответвителей 12, при этом каналы направленности основных линеек НО 10 соединены через фазирующие секции 13 с выходами дополнительных линеек НО 11. Входы основных линеек НО 10, дополнительных линеек НО 11 и вторых дополнительных линеек НО 12 соединены, соответственно, с выходами первого СВЧ-сумматора 14, суммирующего устройства 15 и второго СВЧ-сумматора 18, при этом входы первого СВЧ-сумматора 14 и суммирующего устройства 15, по которым формировались разностные диаграммы направленности в плоскости расположения главного распределителя, соединены через фазирующую секцию 17 с направленным ответвителем 16.
Предлагаемая фазированная антенная решетка работает следующим образом:
– в режиме «на передачу» сигнал от передатчика через элементы волноводного тракта и первый СВЧ-сумматор 14 поступает на входы линеек НО 10 главного распределителя и далее в ответвленные каналы направленных ответвителей 7, а затем на входы первых линеек линеек ВРС 3, после деления в них и в волноводных Н-мостах 6 и прохождения блоков фазовращателей 2 и панелей излучателей 1 формируют в раскрыве ФАР амплитудное распределение, обеспечивающее заданные характеристики излучения;
– в режиме «на прием» сигналы от панелей излучателей 1, пройдя блоки фазовращателей 2, поступают на выходы волноводных Н-мостов 6 и далее (при точном совпадении направлений излучаемого и принятого сигналов в плоскости линек ВРС и неточном совпадении направлений излученного и принятого сигналов в плоскости главного распределителя), суммируясь в них, поступают только в ответвленные каналы направленных ответвителей 7, объединенных магистральными волноводами 4 (первые линейки), и далее поступают в основные 10 линейки НО и через фазосдвигающие секции 13 в дополнительные 11 линейки НО главного распределителя, а потом поступают на выходы первого СВЧ-сумматора 14 и суммирующего устройства 15, в результате формируя на входах первого СВЧ-сумматора 14 сигналы, соответствующие суммарной и одной разностной, неоптимизированной ДН, а после фазировки сигналов фазирующей секцией 17 от соответствующих входов первого СВЧ-сумматора 14 и суммирующего устройства 15 формируют на входе направленного ответвителя 16 сигналы, соответствующие разностной ДН с пониженным уровнем боковых лепестков в плоскости расположения главного распределителя. При неточном совпадении направлений излученного и принятого сигналов в плоскостях линеек ВРС и главного распределителя в волноводных Н-мостах происходит разделение сигналов на две составляющие – одна из них проходит те же этапы сложения, что и при точном совпадении направлений излученного и принятого сигналов в плоскости линеек ВРС и неточном в плоскости главного распределителя, другая же часть сигналов с других входов волноводных Н-мостов 6 через фазовыравнивающие секции 8 поступает в ответвленные каналы направленных ответвителей 7, объединенных магистральными волноводами 5 (вторые линейки), далее поступает во вторые дополнительные линейки НО 12 главного распределителя, а потом поступает на выходы второго СВЧ-сумматора 18, в результате формируя на его входе Аз сигналы, соответствующие разностной ДН с пониженным уровнем боковых лепестков в плоскости линеек ВРС.
Таким образом, технико-экономические преимущества предлагаемого изобретения по сравнению с прототипом заключаются в реализации в ФАР с волноводной распределительной системой форм амплитудного распределения оптимальных как по суммарному, так и по разностным каналам в двух главных плоскостях. В результате обеспечивается понижение уровня первых боковых лепестков разностных ДН в этих плоскостях на 10-15 дБ.
Результаты практической реализации изобретения не вызывают сомнения, разработаны все основные элементы, входящие в ВРС, обеспечивающие реализацию заявляемых характеристик (направленные ответвители, волноводные Н-мосты, устройства поворота плоскости поляризации и др.). Проведена предварительная компоновка линеек ВРС в целях обеспечения заявляемых функций, конструкция при этом ориентирована на хорошо отработанные технологии – штамповку, пайку в солях и т.д.
Формула изобретения
Фазированная антенная решетка, состоящая из 4К панелей излучателей, 4К блоков фазовращателей, выходы которых соединены с входами панелей излучателей, 4К линеек волноводной распределительной системы, каждая из которых состоит из одного магистрального волновода и ответвленных каналов, а также главного распределителя, состоящего из СВЧ-сумматора, имеющего четыре выхода и один суммарный и два разностных входа, суммирующего устройства, имеющего четыре выхода и один разностный вход, четырех основных и четырех дополнительных линеек направленных ответвителей, входы которых соединены соответственно с выходами СВЧ-сумматора и суммирующего устройства, при этом разностный вход СВЧ-сумматора и вход суммирующего устройства соединены через фазирующую секцию с выходами направленного ответвителя, отличающаяся тем, что в каждую из 4К линеек волноводной распределительной системы введен второй магистральный волновод, расположенный за первым магистральным волноводом таким образом, что их широкие стенки лежат в одной плоскости, а ответвленные каналы имеют общие участки широких стенок с обоими магистральными волноводами, причем элементы связи в общих участках выполнены поочередно то с первым, то со вторым магистральным волноводом, а выходы ответвленных каналов – попарно, имеющие элементы связи с первым магистральным волноводом непосредственно, а имеющие элементы связи со вторым магистральным волноводом через фазовыравнивающие секции соединены с входами волноводных Н-мостов, выходы которых соединены с входами блоков фазовращателей, при этом в главный распределитель введены четыре вторые дополнительные линейки направленных ответвителей, выходы которых соединены с входами вторых магистральных волноводов, а входы – с выходами второго СВЧ-сумматора.
РИСУНКИ
|
|