|
|
(21), (22) Заявка: 2008119747/09, 19.05.2008
(24) Дата начала отсчета срока действия патента:
19.05.2008
(43) Дата публикации заявки: 27.11.2009
(46) Опубликовано: 27.08.2010
(56) Список документов, цитированных в отчете о поиске:
RU 2249844 C2, 10.04.2005. RU 2262733 C1, 20.10.2005. RU 2228694 C1, 27.10.2006. SU 1619246 A1, 07.01.1991. US 5596763 A, 21.01.1997. GB 2342732 A, 19.04.2000.
Адрес для переписки:
432030, г.Ульяновск, ул. Толбухина, 62, Закрытое акционерное общество “ИВЛА-ОПТ”, И.П. Гринбергу
|
(72) Автор(ы):
Андреев Дмитрий Васильевич (RU), Гринберг Исаак Павлович (RU), Кузнецов Игорь Алексеевич (RU)
(73) Патентообладатель(и):
Закрытое акционерное общество “ИВЛА-ОПТ” (RU)
|
(54) ЛОГИЧЕСКИЙ МОДУЛЬ
(57) Реферат:
Логический модуль предназначен для реализации простых симметричных булевых функций и может быть использован в системах цифровой вычислительной техники как средство преобразования кодов. Техническим результатом является расширение функциональных возможностей устройства за счет реализации любой из пяти простых симметричных булевых функций х14 х2 х3, х1х2 х1х3 х2х3, х1х2х3 и х1х2 х1х3 х1х4 х2х3 х2х4 х3х4, х1х2х3 х1х2х4 х1х3х4 х2х3х4, зависящих соответственно от трех и четырех аргументов – входных двоичных сигналов. Устройство содержит элемент, элемент ИЛИ, два мажоритарных элемента. 1 ил.
Изобретение относится к вычислительной технике и может быть использовано для построения средств автоматики, функциональных узлов систем управления и др.
Известны логические модули (см., например, патент РФ 2262733, кл. G06F 7/00, 2005 г.), которые с помощью двух двоичных сигналов у1,у2 {0,1} реализуют любую из трех простых симметричных булевых функций х1 х2 х3, х1х2 х1х3 х2х3, х1х2х3, зависящих от трех аргументов – входных двоичных сигналов х1,х2,х3 {0,1}.
К причине, препятствующей достижению указанного ниже технического результата при использовании известных логических модулей, относится невозможность реализации простых симметричных булевых функций х1х2 х1х3 х1х4 х2х3 х2х4 х3х4, х1х2х3 х1х2х4 х1х3х4 х2х3х4, зависящих от четырех аргументов – входных двоичных сигналов х1,х2,х3,х4 {0,1}.
Наиболее близким устройством того же назначения к заявленному изобретению по совокупности признаков является принятый за прототип логический модуль (патент РФ 2249844, кл. G06F 7/38, 2005 г.), который содержит два мажоритарных элемента, элемент И, элемент ИЛИ и с помощью двух двоичных сигналов у1,у2 {0,1} реализует любую из трех простых симметричных булевых функций х1 х2 х3, х1х2 х1х3 х2х3, х1х2х3, зависящих от трех аргументов – входных двоичных сигналов х1,х2,х3 {0,1}.
К причине, препятствующей достижению указанного ниже технического результата при использовании прототипа, относится невозможность реализации при у1=1, у2=х4 и у1=х4, у2=0 простых симметричных булевых функций соответственно х1х2 х1х3 х1х4 х2х3 х2х4 х3х4 и х1х2х3 х1х2х4 х1х3х4 х2х3х4, зависящих от четырех аргументов – входных двоичных сигналов х1,х2,х3,х4 {0,1}.
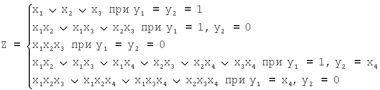
Техническим результатом изобретения является реализация с помощью двух двоичных сигналов у1, у2 любой из трех простых симметричных булевых функций х1 х2 х3, х1х2 х1х3 х2х3, х1х2х3, зависящих от трех аргументов – входных двоичных сигналов, либо при у1=1, у2=х4 простой симметричной булевой функции х1х2 х1х3 х1х4 х2х3 х2х4 х3х4 либо при у1=х4, у2=0 простой симметричной булевой функции х1х2х3 х1х2х4 х1х3х4 х2х3х4, зависящих от четырех аргументов – входных двоичных сигналов.
Указанный технический результат при осуществлении изобретения достигается тем, что в логическом модуле, содержащем элемент И, подключенный первым и вторым входами соответственно к первому и второму входам элемента ИЛИ, и первый мажоритарный элемент, подключенный первым, вторым входами и выходом соответственно к первому настроечному, первому информационному входам логического модуля и второму входу второго мажоритарного элемента, первый вход и выход которого соединены соответственно с вторым настроечным входом и выходом логического модуля, подключенного вторым и третьим информационными входами соответственно к первому и второму входам элемента ИЛИ, особенность заключается в том, что третий вход первого и третий вход второго мажоритарных элементов соединены соответственно с выходом элемента И и выходом элемента ИЛИ, причем для реализации простых симметричных булевых функций х1х2 х1х3 х1х4 х2х3 х2х4 х3х4 и х1х2х3 х1х2х4 х1х3х4 х2х3х4 на первый, второй настроечные входы логического модуля подаются соответственно двоичные сигналы у1=1, у2=х4 и у1=х4, у2=0.
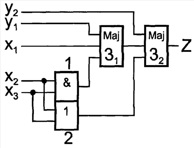
На чертеже представлена схема предлагаемого логического модуля.
Логический модуль содержит элемент И 1, элемент ИЛИ 2, первый и второй мажоритарные элементы 31 и 32, причем выход и первый, второй входы элемента 1 соединены соответственно с третьим входом элемента 31 и первым, вторым входами элемента 2, подключенного выходом к третьему входу элемента 32, первый и второй входы которого соединены соответственно с вторым настроечным входом логического модуля и выходом элемента 31, подключенного первым и вторым входами соответственно к первому настроечному и первому информационному входам логического модуля, второй, третий информационные входы и выход которого образованы соответственно первым, вторым входами элемента 2 и выходом элемента 32.
Работа предлагаемого логического модуля осуществляется следующим образом. На его первый, второй, третий информационные и первый, второй настроечные входы подаются соответственно двоичные сигналы х1,х2,х3 {0,1} и у1,у2 {0,1}. На выходе мажоритарного элемента 3i ( ) имеем ai1#ai2#ai3=ai1ai2 ai1ai3 ai2ai3, где ai1, ai2, ai3 и #, , есть соответственно сигналы на его первом, втором, третьем входах и символы операций Maj, ИЛИ, И. Следовательно, сигнал на выходе предлагаемого логического модуля определяется выражением
Z=у2(у1х1 y1x2x3 x1x2x3) у2(х2 х3)
(у1х1 у1х2х3 х1х2х3)(х2 х3).
Таким образом, предлагаемый логический модуль будет воспроизводить операцию

Вышеизложенные сведения позволяют сделать вывод, что предлагаемый логический модуль реализует с помощью двоичных сигналов у1, у2 любую из трех простых симметричных булевых функций х1 х2 х3, х1х2 х1х3 х2х3, х1х2х3, зависящих от трех аргументов – входных двоичных сигналов, либо при у1=1, у2=х4 простую симметричную булеву функцию х1х2 х1х3 х1х4 х2х3 х2х4 х3х4 либо при у1=х4, у2=0 простую симметричную булеву функцию х1х2х3 х1х2х4 х1х3х4 х2х3х4, зависящие от четырех аргументов – входных двоичных сигналов.
Формула изобретения
Логический модуль, предназначенный для реализации любой из пяти простых симметричных булевых функций х1 х2 х3, х1х2 х1х3 х2х3, х1х2х3 и х1х2 х1х3 х1х4 х2х3 х2х4 х3х4, х1х2х3 х1х2х4 х1х3х4 х2х3х4, зависящих соответственно от трех и четырех аргументов – входных двоичных сигналов, содержащий элемент И, подключенный первым и вторым входами соответственно к первому и второму входам элемента ИЛИ, и первый мажоритарный элемент, подключенный первым, вторым входами и выходом соответственно к первому настроечному, первому информационному входам логического модуля и второму входу второго мажоритарного элемента, первый вход и выход которого соединены соответственно с вторым настроечным входом и выходом логического модуля, подключенного вторым и третьим информационными входами соответственно к первому и второму входам элемента ИЛИ, отличающийся тем, что третий вход первого и третий вход второго мажоритарных элементов соединены соответственно с выходом элемента И и выходом элемента ИЛИ, причем для реализации простых симметричных булевых функций х1х2 х1х3 х1х4 х2х3 х2х4 х3х4 и х1х2х3 х1х2х4 х1х3х4 х2х3х4 на первый, второй настроечные входы логического модуля подаются соответственно двоичные сигналы у1=1, у2=х4 и у1=х4, у2=0.
РИСУНКИ
|
|