|
(21), (22) Заявка: 2009124090/28, 25.06.2009
(24) Дата начала отсчета срока действия патента:
25.06.2009
(46) Опубликовано: 27.08.2010
(56) Список документов, цитированных в отчете о поиске:
SU 934807 A1, 20.07.2005. SU 1028164 A1, 27.07.2005. SU 1356746 A1, 10.08.1996. SU 1839835 A1, 10.08.2005. JP 4038472 A, 07.02.1992. JP 8313552 A, 29.11.1996.
Адрес для переписки:
124498, Москва, Зеленоград, пр-д 4806, 5, МИЭТ, патентно-лицензионный отдел
|
(72) Автор(ы):
Лапенко Вадим Николаевич (RU), Тимошенков Сергей Петрович (RU), Пасютин Антон Викторович (RU), Кик Михаил Андреевич (RU), Кик Дмитрий Андреевич (RU)
(73) Патентообладатель(и):
Государственное образовательное учреждение высшего профессионального образования Московский государственный институт электронной техники (технический университет), (МИЭТ) (RU)
|
(54) СПОСОБ ОПРЕДЕЛЕНИЯ НЕЛИНЕЙНОСТИ ВЫХОДНОЙ ХАРАКТЕРИСТИКИ АКСЕЛЕРОМЕТРА
(57) Реферат:
Изобретение относится к измерительной технике и может быть использовано для измерения нелинейности выходной характеристики акселерометров. Способ заключается в установке эталонного акселерометра на вибростенде вместе с тестируемым и измерении разности выходных сигналов акселерометров, которая минимизируется при помощи регулирования амплитуды сигнала тестируемого акселерометра, фильтруется. Нелинейность выходной характеристики тестируемого акселерометра определяется отношением среднеквадратичного значения напряжения фильтрованного сигнала к среднеквадратичному значению напряжения сигнала эталонного акселерометра. Изобретение позволяет расширить диапазон измерения нелинейности на вибростенде. 1 ил.
Изобретение относится к измерительной технике и может быть использовано для измерения нелинейности выходной характеристики акселерометров.
Известен способ [1], который применяется для измерения нелинейности характеристик акселерометров в поле силы тяжести, что ограничивает возможности измерения диапазоном ±1g, предназначений для измерения нелинейности выходной характеристики компенсационных акселерометров (нелинейности акселерометров), и не может быть применен для ее измерения у акселерометров прямого преобразования.
Наиболее близким по технической сущности является известный способ [2], который также применяется для измерения нелинейности характеристик акселерометров в поле силы тяжести, что ограничивает возможности измерения диапазоном ±1g. При этом использование центирфуги во много раз повышает стоимость измерения и вносит погрешности при измерениях акселерометров прямого преобразования, связанные со смещением центра масс чувствительного элемента акселерометра при воздействии на него центростремительного ускорения.
Измерение нелинейности связано с измерением коэффициентов гармоник сигнала, поэтому применение вибростендов для калибровки акселерометров не позволяет измерять малые (<1%) нелинейности, поскольку в вибростенде преобразование тока в ускорение вносит свою нелинейность.
Задача предлагаемого способа – расширение диапазона измерения нелинейности на вибростенде.
Данная задача решается тем, что на вибростенде вместе с тестируемым устанавливается эталонный акселерометр с низкой нелинейностью выходной характеристики. Разность выходных сигналов акселерометров, минимизированная при помощи регулирования амплитуды сигнала тестируемого акселерометра фильтруется, при этом нелинейность выходной характеристики тестируемого акселерометра определяется отношением среднеквадратичного значения напряжения фильтрованного сигнала к среднеквадратичному значению напряжения сигнала эталонного акселерометра.
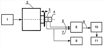
Изобретение иллюстрируется чертежом
На чертеже приведена блок-схема устройства, предназначенного для реализации предложенного способа, где
1 – генератор гармонических сигналов;
2 – вибростенд;
3 – эталонный акселерометр;
4 – тестируемый акселерометр;
5, 7 – входы разностного устройства;
6 – разностное устройство;
8, 11 – среднеквадратичный вольтметр;
9 – выход разностного устройства;
10 – фильтр низкой частоты.
Устройство для реализации предлагаемого способа, структурная схема которого представлена на чертеже, включает в себя генератор гармонического сигнала 1, выход которого подключен ко входу вибростенда 2. На вибростенде 2 механически закрепляются эталонный акселерометр 3 и тестируемый акселерометр 4. Выходной сигнал с тестируемого акселерометра 4 подается на вход 5 разностного устройства 6. Выходной сигнал с эталонного акселерометра 3 подается на вход 7 разностного устройства 6 и на вход среднеквадратичного вольтметра 8. Сигнал с выхода 9 разностного устройства 6 фильтруется фильтром низких частот 10 и поступает на вход среднеквадратичного вольтметра 11.
Предлагаемый способ измерения нелинейности акселерометров реализуется за счет использования вибростенда и эталонного акселерометра, закрепленного на вибростенде вместе с тестируемым. Выходная характеристика акселерометра – это зависимость выходного напряжения от приложенного к оси чувствительности акселерометра ускорения. В предлагаемом способе прилагаемое ускорение задается при помощи вибростенда и регулируется частотой и(или) амплитудой тока генератора синусоидального сигнала. Поскольку преобразование выходного тока генератора в ускорение вибростенда носит нелинейный характер, то присутствие неосновных гармоник в спектре выходного сигнала тестируемого акселерометра нельзя считать следствием его нелинейности, а следует считать следствием суммирования нелинейностей вибростенда и тестируемого акселерометра. Для того чтобы измерить нелинейность, вносимую вибростендом, используется эталонный акселерометр с пренебрежимо малым коэффициентом нелинейности выходной характеристики. Вычитание из выходного сигнала тестируемого акселерометра выходного сигнала эталонного дает представление о нелинейности характеристики тестируемого акселерометра. Выходные сигналы акселерометров нормируются минимизацией разностного сигнала путем регулирования амплитуды выходного сигнала тестируемого акселерометра. Полученный таким образом разностный сигнал фильтруется для исключения из его спектра малозначимых гармонических составляющих, в том числе шумов и помех. Спектр отфильтрованного сигнала составляют гармоники, обусловленные нелинейностью тестируемого акселерометра, которая равна среднеквадратичному значению напряжения фильтрованного сигнала. Нелинейность акселерометра определяется отношением среднеквадратичного значения напряжения фильтрованного сигнала к среднеквадратичному значению напряжения сигнала эталонного акселерометра.
Для проверки данного способа был собран макет устройства (чертеж). В качестве генератора гармонических сигналов 1 был взят генератор многофункциональный Tektronix AFG3021, вибростенд 2 типа 4809 фирмы Bruel&Kjear, эталонный акселерометр 3 – акселерометр AT1112 ОАО «ТЕМП-АВИА», тестируемый акселерометр 4 – разрабатываемые в МИЭТ микроэлектромеханические акселерометры АМЭМ; разностное устройство 6 и фильтр низких частот 10 разработаны на операционных усилителях ОР7727 Analog Devices; в качестве среднеквадратчиных вольтметров 8,11 были взяты мультиметры 34401А фирмы Agilent.
На генераторе 1 установили частоту 70 Гц. Изменяя амплитуду сигнала, добились, чтобы вольтметр 8 показал напряжение, соответствующее ускорению 1g (при этом фактическая амплитуда выходного сигнала акселерометра 3 больше, чем показывает вольтметр 8 в 21/2 раза). Отношение показаний вольтметра 11 к показаниям вольтметра 8 дало численное значение нелинейностей выходной характеристики тестируемых акселерометров.
Для испытаний были выбраны акселерометры АМЭМ, рассчитанные на диапазон ускорений ±1g, поскольку измерения коэффициента нелинейности также были проведены и на делительной головке путем съема выходной характеристики и математическим подсчетом ее нелинейности. Показания, которые были получены с применением предложенного способа, были сопоставимы со значением нелинейности выходной характеристики, полученной при помощи делительной головки.
Источники информации
1. Авторское свидетельство СССР 1028164. Способ определения нелинейности характеристики компенсационного акселерометра.
2. Авторское свидетельство СССР 934807. Способ определения нелинейности маятникового акселерометра на центрифуге (прототип).
Формула изобретения
Способ определения нелинейности выходной характеристики акселерометра, включающий размещение тестируемого акселерометра вместе с эталонным акселерометром на вибростенде, отличающийся тем, что разность выходных сигналов акселерометров, минимизированная при помощи регулирования амплитуды сигнала тестируемого акселерометра, фильтруется, при этом нелинейность выходной характеристики тестируемого акселерометра определяется отношением среднеквадратичного значения напряжения фильтрованного сигнала к среднеквадратичному значению напряжения сигнала эталонного акселерометра.
РИСУНКИ
|