|
|
(21), (22) Заявка: 2008124113/09, 19.06.2008
(24) Дата начала отсчета срока действия патента:
19.06.2008
(43) Дата публикации заявки: 27.12.2009
(46) Опубликовано: 20.08.2010
(56) Список документов, цитированных в отчете о поиске:
ОПАДЧИЙ Ю.Ф. и др. Аналоговая и цифровая электроника. – М.: Горячая линия – Телеком, 2000, рис.17.4а. RU 2244960 С2, 20.01.2005. RU 2061 U1, 16.04.1996. SU 423249 A1, 05.04.1974. SU 265588 A1, 09.03.1970. JP 7154223 A, 16.06.1995. JP 3094514 A, 19.04.1991.
Адрес для переписки:
601655, Владимирская обл., г. Александров, ул. Терешковой, 10, корп.2, кв.30, Н.И. Гудко
|
(72) Автор(ы):
Гудко Николай Иванович (RU), Литвинов Валентин Петрович (RU)
(73) Патентообладатель(и):
Гудко Николай Иванович (RU)
|
(54) ЦИФРОВОЕ УСТРОЙСТВО ДЛЯ ФОРМИРОВАНИЯ ПОСЛЕДОВАТЕЛЬНОСТЕЙ УПРАВЛЯЮЩИХ СИГНАЛОВ
(57) Реферат:
Изобретение относится к области цифровой техники и может быть использовано при построении различного рода цифровых автоматов циклического действия. Техническим результатом является экономия количества оборудования, повышение быстродействия, обеспечение регулярности (однородности) структуры. Устройство содержит последовательно соединенные блоки, имеющие по несколько входов и выходов, меняющие свое внутреннее состояние только при воздействии активного уровня на один из входов и не меняющие внутреннее состояние при переходе активного уровня в пассивный, в сочетании с предложенной организацией связей между выходами и входами соседних блоков таких, что после сигнала на очередном входе последующего блока, переключающего этот блок в очередное внутреннее состояние «j» в данном цикле предыдущего блока, следующим сигналом, переключающим последующий блок в следующее внутреннее состояние (j+1) в следующем цикле предыдущего блока, является сигнал, предшествующий по циклу предыдущего блока сигналу, переключающему последующий блок во внутреннее состояние «j». 5 ил., 7 табл.
Устройство относится к области цифровой техники и может быть использовано в вычислительной технике, системах передачи и обработки информации, при построении различного рода управляющих автоматов циклического действия, то есть устройств, принимающих при воздействии входных сигналов одну и ту же последовательность внутренних состояний (состояний элементов памяти), предназначенных для формирования последовательностей управляющих сигналов.
Наиболее типичными, простыми и наиболее исследованными устройствами такого вида являются счетчик и распределители импульсов, а также более сложные управляющие автоматы циклического действия с произвольным алгоритмом функционирования (например, устройства управления процессоров, формирующие на своих выходах последовательности сигналов, управляющие операционными устройствами, генераторы кодов, а также кодирующие и декодирующие устройства систем передачи информации).
Устройства циклического действия традиционно выполняется в виде счетчика импульсов совместно с дешифратором. Наиболее распространенным примером такого подхода являются распределители импульсов. При этом важной является возможность использования логических элементов, входящих в счетчик, для реализации дешифратора, что позволяет уменьшать количество оборудования.
Название предлагаемого изобретения выбрано исходя из того, что предлагаемое устройство при частной реализации может выполнять функции всех вышеперечисленных устройств циклического действия, то есть обладает универсальностью, позволяет строить различные его варианты и выбирать наиболее подходящий с учетом используемой элементной базы (например, с учетом ограничений на реализацию логических элементов и элементов памяти при разработке микросхем), а также других требуемых параметров, отличается оригинальностью структуры. То есть название принято обобщающего характера и не отражает частную функцию (счетчик, распределитель, устройство управления и т.п.), а отражает общее понятие (выражающее функцию), охватывающее разные частные формы его реализации (см. «Правила составления, подачи и рассмотрения заявки ». П.3.3.1(6)).
Показателями технического уровня цифрового устройства циклического действия, как и других видов цифровых устройств, являются используемое для его реализации количество оборудования, быстродействие, а также однородность (регулярность) структуры, которая особенно важна при реализации методами микроэлектроники.
При построении устройств циклического действия часто используется принцип, когда переключается только один триггер в зависимости от состояний других триггеров, кроме переключаемого, при переходе от одного состояния устройства к другому. (Смотри, например: Гудко Н.И. Распределитель импульсов. Авторское свидетельство 423249. Бюллетень изобретений 13, 1974. Это устройство может использоваться и как счетчик импульсов. Выберем его в качестве одного из аналогов.)
При этом логические схемы, обеспечивающие переключение триггеров, имеют либо число входов “n”, равное числу триггеров в случае, когда число внутренних состояний устройства 2n, так как каждая логическая схема должна учитывать состояния n-1 триггеров, кроме переключаемого, и учитывать состояния тактирующего входа, либо меньшее число входов, если число состояний устройства меньше 2n, но при этом увеличивается число триггеров. Этот принцип, обеспечивая высокое быстродействие, ведет при увеличении количества состояний к слишком большому росту количества оборудования. Структура его не остается однородной при увеличении числа внутренних состояний, так как увеличивается число входов логических схем на входах триггеров.
Для исключения этих явлений применяется разбиение устройства на идентичные блоки, когда каждый блок имеет свой цикл функционирования и последующий блок фиксирует циклы предыдущего блока.
Примером такого устройства является широко распространенная схема счетчика импульсов из последовательно соединенных Т-триггеров (Смотри, например: Опадчий Ю.Ф., Глудкин О.П, Гуров А.И. Аналоговая и цифровая электроника. Полный курс. – М.: Горячая линия – Телеком. 2000. Рис.17.8, рис.17.31).
На Фиг.1 приведена более детальная схема счетчика, в которой раскрыта структура Т-триггеров, использующая RS-триггеры с прямыми входами, в соответствии с указанным источником (Рис 17.4а). Здесь Т1-Т8 – RS-триггеры с прямыми входами, входящие попарно в Т-триггеры ТТ1-ТТ4.
Эта схема использует двухвходовые логические элементы и RS-триггеры для реализации Т-триггеров, требует небольшое количество оборудования, структура ее однородна (регулярна), так как всегда состоит из одних и тех же блоков (Т-триггеров), число которых определяет коэффициент счета. Но такой счетчик имеет невысокое быстродействие, так как триггеры в нем переключаются последовательно, а не одновременно. Это устройство примем в качестве прототипа.
Существуют другие структуры устройств циклического действия, весьма существенно экономящих оборудование и обеспечивающих одновременно быстродействие. (Смотри Рудько В.В. Двоичный потенциальный счетчик. Авторское свидетельство 265588, Бюллетень изобретений, 10, 1970). Это устройство, обеспечивая экономию оборудования и быстродействие, приводит к сложной и неоднородной (нерегулярной) структуре и, следовательно, к сложной топологии соединения элементов, что нежелательно (особенно при реализации средствами микроэлектроники). Используем его в качестве одного из аналогов.
Предлагаемое устройство, как будет показано ниже, обеспечивает экономию количества оборудования, повышение быстродействия и повышение однородности (регулярности) структуры по сравнению с аналогами и прототипом.
Достигается это следующим образом:
– используются последовательно соединенные блоки, когда последующий блок фиксирует циклы предыдущего блока, но блоки используются такие, что внутреннее состояние их меняется только при появлении активного уровня на одном из входов и не меняется при переходе активного состояния этого входа в пассивное;
– выходы предыдущего блока и входы последующего соединяются по определенному правилу.
В результате такого принципа построения достигается:
– экономия числа внутренних состояний блоков, необходимых для фиксации изменения состояния входа устройства (тактирующих импульсов), а поэтому экономию и количества оборудования, а также экономию оборудования за счет использования логических цепей триггеров для формирования выходов, что возможно при такой структуре;
– повышение быстродействия, так как осуществляется сквозной перенос информации по логическим цепям, не требующий срабатывания триггеров, а при смене внутренних состояний триггеры переключаются одновременно, а не последовательно как в прототипе;
– однородная (регулярная) структура блоков, так как они строятся по одному принципу, а поэтому и однородная топология соединения элементов.
Покажем реализацию этих принципов на примере построения счетчика импульсов, сравнивая его со счетчиком, принятым за прототип (счетчик на Т-триггерах. Фиг.1), и аналогами.
Для рассмотрения функционирования прототипа и построения блоков счетчика с предлагаемой структурой устройства циклического действия используем таблицы переходов и описание цепей, воздействующих на входы триггеров и на выходы устройства, с помощью функций алгебры логики.
Функционирование каждого из полностью идентичных блоков ТТ1-ТТ4 на Фиг.1 (Т-триггеров) описывается Таблицей 1 переходов применительно к обозначениям блока ТТ1.
В клетках таблицы в скобках указаны устойчивые внутренние состояния устройства, без скобок – неустойчивые состояния. Каждой строке таблицы соответствует комбинация состояний триггеров Т1 и Т2, то есть внутреннее состояние устройства, которое отображается на прямых выходах этих триггеров Q1 и Q2. Таким образом, каждое устойчивое и неустойчивое состояние устройства образуется из комбинации состояния входа и комбинации состояний триггеров (внутреннего состояния устройства). Справа вверху над каждым состоянием указан индекс, обозначающий выход схемы «И», на котором формируется единица в данном состоянии: I11 – выход схемы «И» на входе R2 триггера; I21 – на входе S1; I31 – на входе S2; I41 – на входе R1. Первая цифра индекса означает номер символа, поступившего на блок в данном состоянии, а вторая – номер блока (в данном случае 1 – блок ТТ1).
Из таблицы видно, что Т-триггер делит число входных символов (нулей и единиц) на два. То есть в течение одного цикла работы блока ТТ1, включающего четыре состояния, на вход поступают два символа «0» и два символа «1».
Выходные символы могут сниматься с выхода любого триггера. В данном случае они снимаются с выхода Q2 триггера Т2 и подаются на Т-вход триггера ТТ2.
Таблица 1.2 переходов, описывающая работу триггера ТГ2, имеет вид, подобный приведенной выше, но она реагирует на символы, поступающие по выходу Q2, являющемуся ее входом. Полный цикл по Таблице 1.2 реализуется за два цикла изменения Q2, то есть ТТ2 за один цикл фиксирует два цикла ТТ1. Номера состояний в Таблице 1.2 соответствуют номеру символа, поступившему на вход триггера ТТ1, который приводит к этому состоянию. При этом неустойчивое состояние 9/1 означает, что переход к исходному устойчивому состоянию (1) осуществляется 9-м символом, после чего начинается новый цикл, состоящий из восьми символов для Таблицы 1.2 и блока ТТ2, который они описывают. Следующие циклы будут начинаться с интервалами в восемь символов. То есть коэффициент счета Ксч удваивается при добавлении очередного Т-триггера. Общий Kcч=2n, где n – число Т-триггеров. При этом для фиксации цикла ТТ1 в ТТ2 используются два внутренних состояния, так как ТТ2 переходит в новое внутреннее состояние и при появлении единицы на Q2 и при ее переходе в нуль после окончании цикла ТТ1. Точно так же взаимодействуют любой предыдущий и последующий блоки.
С целью экономии числа внутренних состояний последующих блоков, фиксирующих циклы предыдущих блоков, что приведет к увеличению коэффициента счета (экономии количества оборудования), возможно исключить переход к новому состоянию последующего блока (в данном случае блока ТТ2) при окончании цикла предыдущего блока (в данном случае блока ТТ1). Для этого необходимо осуществить переход по некоторому другому специально организованному входу, который будет фиксировать следующий цикл, но не сразу после окончания предыдущего цикла, а через как можно большее число символов, поступивших на вход с момента начала нового цикла.
Это можно сделать применительно к блокам ТТ1 и ТТ2, если переход в новое внутреннее состояние после первого цикла осуществить по появлении единицы на выходе I41, второй цикл фиксировать после появления единицы на выходе I31, третий – на выходе I21, четвертый – на выходе I11 с переходом к исходному состоянию, так как схема из двух триггеров не может фиксировать более четырех состояний.
Таблица 2 переходов отображает такое функционирование второго блока (вместо ТТ2). В таблице номер состояния совпадает с номером символа, поступившего на вход Т первого блока и приведшего к этому состоянию. Таблица 2 фиксирует три цикла предыдущего блока (12 символов) и с наступлением четвертого цикла при формировании единицы на выходе I11 отображает переход вместе с первым блоком в исходное состояние (1).
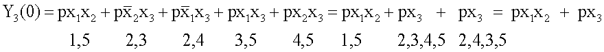
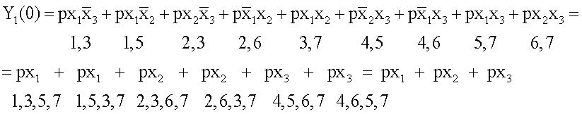
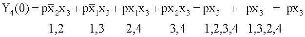
Таким образом, два блока фиксируют 12 символов в течение одного цикла их работы, то есть 6 импульсов и 6 пауз. Коэффициент счета первого блока 2, а второго 3. Если организовать по такому же принципу связь второго и третьего блоков, третьего и четвертого и т.д., то коэффициент счета такого счетчика при «n» блоках будет Ксч=2·3n-1, то есть каждый блок после первого будет иметь Ксч=3, так как фиксирует три цикла предыдущего блока.
Схема такого счетчика приведена на Фиг.2. Первый блок счетчика Б1 такой же, как на Фиг.1 (обычный Т-триггер). Логические выражения выходов I, являющихся входами триггеров, приведены рядом с Таблицей 1.
Внутренние состояния Таблицы 2 закодированы с использованием двух триггеров Т3 и Т4 с выходами Q3 и Q4. Цепи, воздействующие на входы этих триггеров, описываются логическими выражениями рядом с Таблицей 2 и отображены на Фиг.2 в блоке Б2. Эти цепи (логические схемы «И» на входах Т3 и Т4), в свою очередь, можно использовать как входы следующего (третьего) блока Б3, который должен фиксировать циклы блока Б2 с использованием такого же принципа.
Функционирование блока Б3 отображает Таблица 3. В этой таблице, так же как и в Таблице 4, состояние обозначается в виде двух чисел. Число над чертой означает номер символа на входе «Вх.» устройства, по которому происходит переход к этому состоянию, а число под чертой – номер последнего символа, при котором существует это состояние (то есть символа, предшествующего символу, приводящему к следующему внутреннему состоянию). Внутренние состояния Таблицы 3 закодированы комбинациями состояний триггеров Т5 и Т6 с выходами Q5 и Q6. Цепи, воздействующие на входы триггеров блока Б3, описываются логическими выражениями рядом с Таблицей 3. Они же являются одновременно входами блока Б4.
Из Таблицы 3 видно, что с помощью 3-х блоков фиксируется 36 входных символов (18 импульсов и 18 пауз), то есть Ксч=2·33-1=18.
Точно так же строится блок Б4 (Таблица 4). Цепи, воздействующие на входы триггеров блока Б4, описываются логическими выражениями рядом с Таблицей 4. Эти цепи можно использовать в качестве входов следующего блока в случае необходимости дальнейшего увеличения коэффициента счета.
Из Таблицы 4 видно, что число символов, фиксируемых с помощью четырех блоков, равно 108 (54 импульса и 54 паузы), то есть Ксч=2·34-1=54.
Из сравнения схем Фиг.1 и Фиг.2 видно, что первые блоки у них одинаковы. Остальные блоки Фиг.2 имеют на один вентиль «НЕ» меньше, чем блоки Фиг.1. При этом каждый блок Фиг.2, кроме первого, имеет коэффициент счета Ксч=3, а не Ксч=2. как в схеме Фиг.1. За счет этого достигается экономия количества оборудования, так как при одинаковых коэффициентах счета в двух этих устройствах в предлагаемом устройстве требуется меньшее количество блоков.
Кроме того, устройство по Фиг.2 обладает большим быстродействием, так как триггеры в нем переключаются практически одновременно, а не последовательно, как в прототипе Фиг.1.

Однородность (регулярность) структуры у предлагаемого устройства и прототипа на одинаковом уровне, так как изменение коэффициента счета в обоих случаях происходит за счет изменения количеств одинаковых блоков.
Произведем сравнительную оценку количества оборудования для обоих случаев. Для получения в прототипе примерно такого же коэффициента счета, как в предлагаемом устройстве по Фиг.2 из 4-х блоков (Ксч=2·34-1=54), необходимо использовать 6 Т-триггеров (Ксч=26=64). То есть на два блока больше. Учитывая почти полную идентичность блоков, экономия составит примерно 6-4/6=1/3 0,33 (более 30%). При определенных коэффициентах счета эта экономия более существенна.
Сравним предлагаемое устройство с аналогом по авторскому свидетельству Рудько В.В. 265588. Для этого воспользуемся научной статьей (Л.Л.Симаков, В.В.Рудько. Синтез потенциальных двоичных счетчиков. Вопросы радиоэлектроники. Серия «Радиоизмерительная техника». Выпуск 8. 1971 г.), в которой авторы приводят методику синтеза счетчиков со структурой по авторскому свидетельству и пример синтеза счетчика с (Ксч=128). Копия статьи прилагается (см. Приложение 1).
Для реализации Ксч=128 на основе предлагаемо о устройства необходимо 5 блоков (Ксч=2·35-1=162). Из схемы Фиг.2 видно, что для реализации каждого блока необходимо 4 схемы «И» и 4 схемы «ИЛИ-НЕ» (для реализации 2-х RS-триггеров). Всего 8 двухвходовых вентилей. Общее количество вентилей 5-8=40. В примере, приведенном в статье, используются семь триггеров Ту1-Ту7, являющихся основными, и три триггера Тх1 – Тх3, являющихся вспомогательными. Все триггеры RS-типа. Входы R установки их в нуль обозначены Y1(0)-Y7(0) и X1(0)-Х3(0). Входы S установки их в состояние единицы обозначены Y1(1)-Y7(1) и Х1(1)-Х3(1).
Булевы функции, описывающие цепи, воздействующие на входы триггеров, в статье не минимизированы. Для обеспечения корректного сравнения предлагаемого устройства и аналога необходимо их минимизировать, что приведет к использованию минимального количества оборудования. Ниже приводится минимизация функций Y1(0)-Y7(0) с использованием операции склеивания. Исходные булевы функции приведены в статье (см. Приложение 1). Внизу под конъюнкциями проставлены их условные номера для контроля операций склеивания. Под склеившимися конъюнкциями проставлены номера конъюнкций, из которых они получены путем склеивания.

 




В результате получены во много раз более простые функции, чем до минимизации, что привело к уменьшению количества оборудования.
Для функций Х1(1)-Х3(1) минимизация производится путем использования более простых конъюнкций для формирования более сложных конъюнкций, в которые более простые конъюнкции входят в виде составной части. При этом получение более сложных конъюнкций из более простых показано непосредственно на Фиг.3. Это привело к использованию для этих цепей только двухвходовых схем «И» и уменьшению количества оборудования.
Для функций Y1(1)-Y7(1) и функций Х1(0)-Х3(0) минимизация не требуется. Следует отметить, что без проведения минимизации аналог требует неоправданно большого количества оборудования.
Схема всех цепей, переключающих триггеры, соответствующих логическим функциям, приведена на Фиг.3. Сами триггеры не показаны на схеме с целью уменьшения ее объема без ущерба наглядности. Имеется в виду, что каждый из RS-триггеров реализован на двух элементах «ИЛИ-НЕ» как в предлагаемой схеме, так и в аналогах и в прототипе.
Из схемы Фиг.3 следует, что в счетчик входят 36 вентилей в цепях переключения RS-триггеров и 20 вентилей для реализации самих 10-ти RS-триггеров, не показанных на схеме. Итого 56 вентилей. Причем многие вентили на Фиг.3 многовходовые, в то время как в предлагаемом устройстве по Фиг.2 они только двухвходовые. Отметим, что до минимизации аналог включал бы 90 вентилей.
Разница в вентилях 56-40=16. В процентах экономия составляет (16/56 0,285), то есть порядка 30% (при этом не учитывается то, что в аналоге более сложные вентили и меньший коэффициент счета, чем в предлагаемом устройстве).
Быстродействие можно принять в обоих случаях одинаковым, так как и в том и в другом случае триггеры переключаются практически одновременно, а не последовательно во времени, как в пртотипе.
По однородности (регулярности) структуры предлагаемое устройство значительно выигрывает, так как его блоки полностью идентичны независимо от коэффициента счета и состоят из более однотипных вентилей. В схеме данного аналога структура, состав вентилей и число их входов меняются при изменении коэффициента счета.
Далее проведем сравнение со схемой аналога по авторскому свидетельству Гудко Н.И. 423249. Эта схема, как было изложено выше, имеет высокое быстродействие, но требует большего количества оборудования при достаточно больших коэффициентах счета и имеет неоднородную (нерегулярную) структуру. Так, уже при Kcч=6 она использует 4 RS-триггера (8 вентилей «ИЛИ-НЕ»), 8 двухвходовых схем «ИЛИ» на входах триггеров, 12 четырехвходовых схем «И» для организации переходов от одного из двенадцати состояний к другому. Итого 28 вентилей (без учета того, что они не все двухвходовые).
Предлагаемое устройство использует 2 блока. В первом блоке 9 двухвходовых вентилей, во втором 8. Итого 17 вентилей. Выигрыш 28-17/28=11/28=0.39. То есть порядка 40%. При возрастании коэффициента счета выигрыш будет возрастать. При коэффициенте счета 18 выигрыш составит более 60%.
В данном аналоге структура неоднородна и изменяется при изменении коэффициента счета.
За основу блоков предлагаемого устройства можно брать известные и широко применяемые устройства или их модификации. Объединяя их в соответствии с предлагаемой структурой, можно получить устройства циклического действия, превосходящие известные по экономии количества оборудования, быстродействию и более однородные (регулярные) по структуре.
Это по существу и сделано при построении схемы Фиг.2, когда за основу взята повсеместно применяемая структура Т-триггера, используемая в прототипе Фиг.1. Проведена ее модификация. Исключен Т-вход. Введены 4 входа, выполняющие ту же функцию перевода блока из одного внутреннего состояния в другое, но только при появлении активного уровня (в данном случае единицы) на одном из входов, и не изменяющие состояние блока при переходе активного уровня в пассивный (в нуль). Введены 4 выхода, каждый из которых формирует активный уровень (единицу), соответствующий одному из состояний блока. Эта модификация проведена путем устранения связей между вентилями и без организации новых связей. При этом устранен вентиль «НЕ». Далее организованы связи между выходами и входами блоков в соответствии с принципом, описанным выше, являющимся отличительным для предлагаемого устройства.
В результате каждый блок, кроме первого, обеспечивает увеличение коэффициента счета в 3 раза, вместо 2-х при добавлении блока (Т-триггера) в прототипе Фиг.1. И при этом модифицированный блок проще (исключен элемент «НЕ»). При равных коэффициентах счета обеспечивается значительная экономия количества оборудования за счет меньшего количества блоков в устройстве с предлагаемой структурой.
Это можно проиллюстрировать также на примере построения устройства, в котором за основу взят широко известный счетчик Джонсона (счетчик Мебиуса). Описание счетчика Джонсона приведено, например, в книге Е.П.Угрюмов. Цифровая схемотехника. Санкт-Петербург, «БХВ-Петербург», 2004 г.
Построим счетчик импульсов из блоков, представляющих собой модифицированные счетчики Джонсона, в которых переход из одного состояния в другое осуществляется под воздействием многих входов, являющихся выходами предыдущего блока (кроме первого блока, который работает непосредственно от тактовых импульсов).
Это такая же задача, как и в случае блоков из Т-триггеров, когда для переключения RS-триггеров в их составе при переходе к предлагаемой структуре используются те же вентили, но на входы которых подаются сигналы не от одного и того же выхода предыдущего блока, являющегося для последующего блока таковым, а от многих выходов предыдущего блока, которые соединяются со входами последующего, а точнее со входами вентилей, переключающих триггеры в соответствии с заявляемым, описанным ранее порядком соединения.
В случае счетчика Джонсона структура блоков сохраняется, но для каждой схемы «И» на входах триггеров добавляется один вход, что обеспечивает формирование на этих схемах «И» выходных сигналов распределителя импульсов (счетчик превращается в распределитель, в котором цепи переключения триггеров выполняют одновременно роль дешифратора, формирующего выходные сигналы распределителя импульсов, отображающие состояния блока и воздействующие на последующий блок в соответствии с предлагаемым порядком соединения блоков. Каждый последующий блок, на который воздействует предыдущий, переходит в следующее внутреннее состояние при появлении единицы на одном из входов и не меняет его при переходе ее в нуль (в общем случае нужно говорить об активном уровне, переводящем блок в следующее внутреннее состояние, и о сохранении прежнего внутреннего состояния при смене активного уровня на пассивный).
Счетчик реализован на RS-триггерах для обеспечения возможности наиболее корректного сравнения с аналогами и прототипом, схемы которых реализованы в RS-триггерах. При этом счетчик должен иметь коэффициент счета, больший или равный 128.
Возьмем за основу два первых блока по четыре RS-триггера и третий блок, имеющий три RS-триггера. Следует отметить, что в рамках принципа построения заявляемого устройства циклического действия, как правило, возможны разные варианты разбиения на блоки, из которых можно выбрать наиболее удовлетворяющие заданным в каждом случае критериям.
Таблица 5 переходов описывает работу блока 1, который имеет один тактовый вход, обозначенный буквой «а». Первый блок является обычным счетчиком Джонсона, работающим как распределитель импульсов. Блок принимает 8 внутренних состояний, число которых равно в данном случае числу состояний в клетках таблицы. Номер состояния в клетке таблицы соответствует номеру символа на входе, вызвавшем это состояние. Внутренние состояния, соответствующие строкам таблицы, кодируются кодом Джонсона, комбинации которого образуют последовательность типа «волна единиц и волна нулей». Комбинации отображаются четырьмя RS-триггерами с прямыми выходами Q1-Q4. Каждое состояние декодируется, и в результате на выходах I11-I81 формируются последовательно единицы. Первая цифра в обозначении выхода – это номер выхода, на котором появляется единица при поступлении на вход символа с таким же номером, и одновременно номер внутреннего состояния, в котором формируется этот выход. Вторая цифра – номер блока. F(R) и F(S)-функции алгебры логики, отображающие цепи, воздействующие на входы установки триггеров соответственно в состояние нуль и состояние единица. Функции алгебры логики, описывающие цепи, воздействующие на выходы “I”, обозначены как сами выходы. Все эти функции приведены справа от Таблицы 5.
Таблица 6 переходов описывает работу блока 2, входы которого I11-I81 являются выходами блока 1. Его внутренние состояния закодированы четырехразрядным кодом Джонсона, отображаемым четырьмя RS-триггерами с прямыми выходами Q5-Q8. Выходы этого блока I12-I82 являются выходами распределителя и входами блока 3. Все обозначения сделаны по такому же принципу, как и в блоке 1. Блок 2 фиксирует семь циклов блока 1 и обеспечивает фиксацию 56 символов (коэффициент счета 28). Функции алгебры логики, описывающие цепи, воздействующие на выходы распределителя и на входы триггеров, приведены ниже Таблицы 6.
Таблица 7 переходов описывает работу блока 3. На его входы подаются сигналы с выходов блока 2 I12-I82. Состояния блока в каждой клетке, определяемые состоянием входа и состоянием триггеров (внутренним состоянием), обозначены номером символа, который определяет переход к этому состоянию. Возврат блока к исходному состоянию происходит 281-м символом, который является первым символом в новом цикле. То есть блок 3 фиксирует 280 символов (5 циклов блока 2) и обеспечивает коэффициент счета 140. Шесть внутренних состояний кодируются 3-х разрядным кодом Джонсона (триггеры Т9-Т11 с выходами Q9-Q11).
Цепи на входах триггеров описываются логическими функциями справа от Таблицы 7. Конъюнкции в них содержат две переменные, так как не требуется формирования выходов распределителя для управления следующим блоком.
Всего для реализации счетчика требуется для 11-ти триггеров 22 схемы «ИЛИ-НЕ», для входных цепей триггеров и выходов блоков 16 трехвходовых схем «И» и 6 двухвходовых схем «И». Итого 44 вентиля, что немного превышает количество оборудования в предлагаемом устройстве по Фиг.2, но меньше, чем в аналогах и прототипе.
Однородность меньше, чем в прототипе Фиг.2, но выше, чем у аналога Фиг.3 и аналога по авт. свидетельству Гудко Н.И. 423249, но в принципе может быть повышена за счет другого выбора блоков. Быстродействие примерно такое же, как в структуре Фиг.2 и Фиг.3.
Таким образом, выигрыш во многих случаях очевиден. Если же реализовать счетчик Джонсона с таким коэффициентом счета в виде одного блока, то потребуется 280 внутренних состояний, так как блок будет менять внутреннее состояние на каждое изменение входа. При использовании кода Джонсона это потребует 140 триггеров!
В случае использования нескольких блоков, организованных по принципу счетчика Джонсона и имеющих соединение выходов и входов в соответствии с предлагаемым принципом, может в несколько раз сократиться количество оборудования и практически полностью сохраняются достоинства счетчика Джонсона (быстродействие, однородность структуры, простая организация выходов распределителя).
Таким же образом в соответствии с предлагаемым принципом можно организовать разбиение на блоки и при использовании структуры аналога по авт. свидетельству Гудко Н.И. 423249, сохраняя в значительной степени ее достоинство (быстродействие) и значительно сокращая количество оборудования и добиваясь однородности структуры.
При построении устройства циклического действия с предлагаемой структурой можно использовать в качестве его блоков другие известные устройства, подвергая их модификации так же, как это было сделано в вышеприведенных примерах и, получая выигрыш в количестве оборудования, быстродействии, однородности (регулярности) структуры. Например, в качестве таких блоков можно использовать счетчик в коде Грея, что даст экономию количества оборудования, увеличение однородности (регулярности) структуры при сохранении высокого быстродействия и отсутствия паразитных импульсов на выходе дешифратора, что является достоинством этих счетчиков.

Следует отметить также положительное свойство предлагаемого устройства в части высоких возможностей использования логических схем, воздействующих на входы триггеров, для реализации выходов (в частности выходов распределителя импульсов), что ведет к снижению количества оборудования. Это видно из приведенных примеров. Каждый блок в предлагаемой структуре является по существу распределителем импульсов. Это позволяет дополнительно снижать количество оборудования при реализации таких широко распространенных в цифровой технике устройств, как кодирующие устройства и устройства управления процессоров ЭВМ.
Функционирование схемы, приведенной на Фиг.2, было проверено путем моделирования на ПЭВМ с использованием программы Electronics Worckbench 6.0.(схема Фиг.5). На Фиг.5 приводится распечатка схемы, построенной с использованием принципа, предлагаемого в заявке, и схемы прототипа (для сравнения по количеству оборудования), которые обе подверглись моделированию, с изображением логических элементов в соответствии с международными стандартами, раскрытой структурой RS-триггеров на основе двух элементов «ИЛИ-НЕ» и с переключателем S1 для формирования входных сигналов для обеих схем, а также с индикаторами состояния триггеров (обозначены буквой X).
Схема по заявке состоит из трех блоков, полностью идентичных по структуре блокам Б1-БЗ на Фиг.2. Первый блок (аналог Б1) состоит из 2-х RS-триггеров на элементах «ИЛИ-НЕ» U1A и U1B (первый RS-триггер) и U1C и U1D (второй RS-триггер) и является Т-триггером. Второй и третий блоки (аналоги Б2 и БЗ) состоят также каждый из 2-х таких же RS-триггеров (U4A, U4B и U4C, U4D – второй блок; U6A, U6B и U6C, U6D – третий блок), но не являются Т-триггерами.
Схема прототипа состоит из 3-х Т-триггеров (таких же, как в первом блоке схемы по заявке).
Схема по заявке имеет коэффициент счета Kcч=2·32=18. В схеме прототипа Kcч=23=8.
Для обеспечения Ксч=18 в прототипе необходимо добавить 2 блока. Таким образом, экономия оборудования составляет примерно 2/5=0,4=40% (без учета вентилей «НЕ», отсутствующих в блоках по заявке, кроме первого блока).
Представим предлагаемое устройство в виде обобщенной схемы Фиг.4. Устройство содержит блоки 1,2, Р, каждый из которых имеет порядковые номера входов 0i,1i,2i, ni и выходов 0i‘, 1i‘,2i‘, n’i (где i – номер блока).
Каждый выход предыдущего блока соединен с одним из входов последующего блока, как показано на Фиг.4 на примере соединения блоков 1 и 2. Остальные блоки соединяются по такому же принципу. То есть число выходов предыдущего блока равно числу входов последующего блока ni ‘=ni. Выходы 0i ‘ и входы 0i+1 соединяются между собой (0i ‘ – выход, соответствующий исходному состоянию предыдущего блока, 0i+1 – вход, переводящий последующий блок в исходное состояние). Каждый из выходов предыдущего блока соединяется с зеркально расположенным относительно него входом последующего блока. Зеркальность определяется относительно мнимой горизонтальной линии, расположенной так, чтобы по обе стороны от нее располагалось одинаковое число выходов и входов блоков без учета выхода 0i ‘ и входа 0i+1, соответствующих исходному состоянию блоков. То есть выходы и входы образуют соединенные пары. Например, для блоков 1 и 2 это 11 ‘ с n2, 2‘ 1 с (n2-1), (i‘ 1-1) с (j2+1), i‘ 1 с j2, (i‘ 1+1) с (j2-1), (n1 ‘-1) с 22, n1 ‘ с 12.
Выходы 1,2 блоков соединяются со входом Р выходного блока с целью использования выходов логических элементов блоков для формирования выходов устройства 0р ‘,1р ‘, np ‘.
Блок 1 переходит в очередное внутреннее состояние при любом изменении состояний входов. Каждому очередному состоянию соответствует активный уровень на очередном выходе из числа 01 ‘,11 ‘ n1 ‘. Блоки 2 P имеют внутренние состояния, переключаемые в одной заданной очередности, образующей замкнутый цикл, и переключаются в очередное внутреннее состояние при подаче активного уровня на очередной вход 0i,1i,2i, ni, каждому из которых соответствует одно очередное состояние, и не меняют своего внутреннее состояния при переходе активного уровня в пассивный. При числе фиксируемых циклов, большем числа входов, один и тот же вход может вызывать переход в разные внутренние состояния в разных циклах. Каждому очередному состоянию этих блоков так же, как и в блоке 1, соответствует активный уровень на очередном выходе из числа 0i ‘,1i ‘,2i ‘ ni ‘.
Вышеописанный порядок соединения блоков означает, что выходы предыдущего блока соединены со входами последующего блока таким образом, что после сигнала на очередном входе последующего блока, переводящем этот блок в очередное состояние «j» в данном цикле предыдущего блока, следующим сигналом, переводящим блок в следующее состояние (j+1) в следующем цикле предыдущего блока, является сигнал, предшествующий по циклу предыдущего блока сигналу, переводящему последующий блок в состояние «j».
За счет такого соединения блоков с указанной организацией обеспечивается экономия количества оборудования, так как не расходуются внутренние состояния блока на отображение перехода от активного уровня входа к пассивному. Блок с одним и тем же количеством внутренних состояний может фиксировать большее количество циклов предыдущего блока, то есть при одном и том же количестве оборудования обеспечивается больший коэффициент счета или при одинаковых коэффициентах счета обеспечивается экономия количества оборудования.
Быстродействие достигается за счет одновременного, а не последовательного срабатывания триггеров при переходе от состояния к состоянию.
Регулярность структуры обеспечивается за счет идентичности блоков. Все это подтверждается обоснованиями и конкретными схемами, приведенными выше.
Формула изобретения
Цифровое устройство для формирования последовательностей управляющих сигналов, выполненное на потенциальных логических элементах, включающее тактирующие входы, выходы, на которых формируются управляющие сигналы, два или более последовательно соединенных блоков, являющихся последовательными устройствами; при этом один из блоков входной, к которому подключены тактирующие входы, выполнен таким образом, что имеет внутренние состояния, переключаемые в одной заданной очередности, образующей замкнутый цикл, при этом любое изменение уровня тактирующего сигнала переключает блок в очередное внутреннее состояние, а каждому его внутреннему состоянию соответствует выход, на котором появляется активный уровень при переключении в это состояние; один выходной с выходами управляющих сигналов, отличающееся тем, что, с целью экономии количества оборудования, повышения быстродействия, повышения регулярности структуры каждый из блоков, кроме входного, выполнен таким образом, что имеет внутренние состояния, переключаемые в одной заданной очередности, образующей замкнутый цикл, активный уровень на каждом из его очередных входов, соответствующем очередному внутреннему состоянию, переключает блок в это очередное внутреннее состояние, а переход активного уровня в пассивный не вызывает изменения внутреннего состояния; каждый блок, кроме выходного, имеет выходы, активный уровень на каждом из которых соответствует одному из внутренних состояний блока, а выходной блок имеет выходы, учитывающие состояния этого блока и других блоков; выходы предыдущего блока соединены со входами последующего блока таким образом, что после сигнала на очередном входе последующего блока, переключающем этот блок в очередное внутреннее состояние «j» в данном цикле предыдущего блока, следующим сигналом, переключающим последующий блок в следующее внутренне состояние (j+1) в следующем цикле предыдущего блока, является сигнал, предшествующий по циклу предыдущего блока сигналу, переключающему последующий блок во внутреннее состояние «j».
РИСУНКИ
|
|