|
|
(21), (22) Заявка: 2009110954/09, 25.03.2009
(24) Дата начала отсчета срока действия патента:
25.03.2009
(46) Опубликовано: 20.08.2010
(56) Список документов, цитированных в отчете о поиске:
RU 2033688 C1, 20.04.1995. RU 2190925 C1, 10.10.2002. WO 2008145659 A1, 04.12.2008.
Адрес для переписки:
644009, г.Омск-9, ул. Масленникова, 231, ФГУП ОНИИП
|
(72) Автор(ы):
Насонова Лилия Владиславовна (RU), Половнев Александр Вячеславович (RU), Ясинский Игорь Михайлович (RU), Яковлев Андрей Николаевич (RU)
(73) Патентообладатель(и):
ФЕДЕРАЛЬНОЕ ГОСУДАРСТВЕННОЕ УНИТАРНОЕ ПРЕДПРИЯТИЕ Омский научно-исследовательский институт приборостроения (RU)
|
(54) МНОГОКАНАЛЬНЫЙ АКТИВНЫЙ ПЬЕЗОЭЛЕКТРИЧЕСКИЙ ФИЛЬТР
(57) Реферат:
Многоканальный активный пьезоэлектрический фильтр, содержащий сумматор с двумя входами и двумя выходами, выполненный на двух операционных усилителях с отрицательными обратными связями, к инвертирующему входу первого и второго операционных усилителей подключены первый и второй резисторы, вторые выводы которых соединены с общей шиной, инвертирующий вход первого операционного усилителя через третий резистор и неинвертирующий вход второго операционного усилителя через четвертый резистор соединены с первым входом сумматора, неинвертирующий вход первого операционного усилителя через пятый резистор и инвертирующий вход второго операционного усилителя через шестой резистор соединены со вторым входом сумматора, неинвертирующие входы первого и второго операционных усилителей через седьмой и восьмой резисторы соответственно соединены с общей шиной, при этом выходы первого и второго операционных усилителей являются первым и вторым выходами сумматора, к входной потенциальной клемме фильтра подключены первая и вторая группы пьезорезонаторов, каждая из которых содержит N пьезорезонаторов, к первому выходу сумматора подключена третья группа, состоящая из N пьезорезонаторов, ко второму выходу сумматора подключена четвертая группа, состоящая из N пьезорезонаторов, при этом к каждому из вторых выводов пьезорезонаторов третьей и четвертой групп подключено по два резистора, из которых один вторым своим выводом соединен с общей шиной, а вторые выводы других резисторов соединены между собой попарно так, что в каждую пару включен один из резисторов, подключенный к одному из пьезорезонаторов третьей группы, и другой резистор, подключенный к одному из пьезорезонаторов четвертой группы, каждая из пар упомянутых резисторов соединена с одной из потенциальных выходных клемм фильтра, который содержит также третий и четвертый инвертирующие операционные усилители с отрицательными обратными связями, выход первого операционного усилителя соединен с первым входом сумматора, выход четвертого операционного усилителя соединен со вторым входом сумматора, ко входу третьего операционного усилителя подключены N резисторов, вторые выводы которых соединены со вторыми выводами пьезорезонаторов первой группы, ко входу четвертого операционного усилителя подключены N резисторов, вторые выводы которых соединены со вторыми выводами пьезорезонаторов второй группы. Технический результат – расширение полосы пропускания при большом числе каналов. 1 ил.
Изобретение относится к радиоэлектронике и может быть использовано в качестве преселектора многотрактового радиоприемного устройства.
В качестве частотно-разделительных устройств, используемых в преселекторах и обеспечивающих разделение сигнала в некотором диапазоне частот на несколько отдельных полос, могут быть использованы полосовые LC-фильтры, работающие по входу параллельно и имеющие несколько независимых выходов. В том случае, когда заданный диапазон частот необходимо разделить на отдельные полосы пропускания, относительная ширина полосы которых составляет 2±5%, применяют полосовые пьезоэлектрические фильтры.
Наиболее близким аналогом к заявляемому устройству является двухполосный активный пьезоэлектрический фильтр [1], выбранный в качестве прототипа. Данный фильтр является простым в реализации и обеспечивает высокие требования по избирательности и стабильности.
Недостатком этого фильтра является то, что ширина полосы пропускания не может превышать величины , где F – величина частотного промежутка, используемого в схеме пьезорезонатора, а n – число каналов.
Задача изобретения – расширение максимально возможной ширины полосы пропускания отдельных каналов при достаточно большом числе каналов.
Поставленная задача решается тем, что в фильтр, содержащий сумматор с двумя входами и двумя выходами, выполненный на двух операционных усилителях с отрицательными обратными связями, к инвертирующему входу первого и второго операционных усилителей подключены первый и второй резисторы, вторые выводы которых соединены с общей шиной, инвертирующий вход первого операционного усилителя через третий резистор и неинвертирующий вход второго операционного усилителя через четвертый резистор соединены с первым входом сумматора, неинвертирующий вход первого операционного усилителя через пятый резистор и инвертирующий вход второго операционного усилителя через шестой резистор соединены со вторым входом сумматора, неинвертирующие входы первого и второго операционных усилителей через седьмой и восьмой резисторы соответственно соединены с общей шиной, при этом выходы первого и второго операционных усилителей являются первым и вторым выходами сумматора, к входной потенциальной клемме фильтра подключены первая и вторая группы пьезорезонаторов, каждая из которых содержит N пьезорезонаторов, к первому выходу сумматора подключена третья группа, состоящая из N пьезорезонаторов, ко второму выходу сумматора подключена четвертая группа, состоящая из N пьезорезонаторов, при этом к каждому из вторых выводов пьезорезонаторов третьей и четвертой групп подключено по два резистора, из которых один вторым своим выводом соединен с общей шиной, а вторые выводы других резисторов соединены между собой попарно так, что в каждую пару включен один из резисторов, подключенный к одному из пьезорезонаторов третьей группы, и другой резистор, подключенный к одному из пьезорезонаторов четвертой группы, каждая из пар упомянутых резисторов соединена с одной из потенциальных выходных клемм фильтра, дополнительно вводится третий и четвертый операционные усилители с отрицательной обратной связью, выход первого операционного усилителя соединен с первым входом сумматора, выход четвертого операционного усилителя соединен со вторым входом сумматора, ко входу третьего операционного усилителя подключены N резисторов, вторые выводы которых соединены со вторыми выводами пьезорезонаторов первой группы, ко входу четвертого операционного усилителя подключены N резисторов, вторые выводы которых соединены со вторыми выводами пьезорезонаторов второй группы.
Сопоставительный анализ показывает, что заявляемое техническое решение отличается от прототипа тем, что в устройство дополнительно введены третий и четвертый операционные усилители с отрицательными обратными связями, выход первого операционного усилителя соединен с первым входом сумматора, выход четвертого операционного усилителя соединен со вторым входом сумматора, ко входу третьего операционного усилителя подключены N резисторов, вторые выводы которых соединены со вторыми выводами пьезорезонаторов первой группы, ко входу четвертого операционного усилителя подключены N резисторов, вторые выводы которых соединены со вторыми выводами пьезорезонаторов второй группы.
При сравнении заявляемого устройства не только с прототипом, но и с другими известными техническими решениями в науке и технике, не обнаружены решения, обладающие сходными признаками.
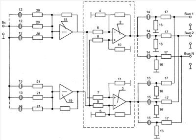
На чертеже приведена схема предлагаемого устройства. Устройство состоит из сумматора 1, выполненного на первом 2 и втором 3 операционных усилителях с отрицательной обратной связью, к инвертирующим входам первого и второго операционных усилителей подключены первый 4 и второй 5 резисторы, вторые выводы которых соединены с общей шиной, инвертирующий вход первого операционного усилителя через третий резистор 6 и неинвертирующий вход второго операционного усилителя через четвертый резистор 7 соединены с первым входом сумматора 1, неинвертирующий вход первого операционного усилителя через пятый резистор 8 и инвертирующий вход второго операционного усилителя через шестой резистор 9 соединены со вторым входом сумматора, неинвертирующие входы первого и второго операционных усилителей через седьмой резистор 10 и восьмой резистор 11 соединены с общей шиной, выходы первого и второго операционных усилителей являются выходами сумматора, к входной потенциальной клемме фильтра подключены N пьезорезонаторов 12 первой группы и N пьезорезонаторов 13 второй группы, к первому выходу сумматора подключены N пьезорезонаторов 14 третьей группы, ко второму выходу сумматора подключены N пьезорезонаторов 15 четвертой группы, к каждому из пьезорезонаторов третьей и четвертой групп подключены соответственно девятый 16 и десятый 17 резисторы, при этом вторые выводы девятых резисторов 16 соединены с общей шиной, а вторые выводы резисторов 17 соединены попарно так, что в каждую пару включен один из резисторов, подключенный к одному из резонаторов третьей группы, каждая из пар резисторов 17 соединена с одной из потенциальных выходных клемм фильтра, кроме того, фильтр содержит третий 18 и четвертый 19 операционные усилители, выход третьего операционного усилителя 18 соединен с первым выходом сумматора, выход четвертого операционного усилителя 19 соединен со вторым входом сумматора, ко входу третьего операционного усилителя 18 подключены N резисторов 20, вторые выводы которых соединены со вторыми выводами пьезорезонаторов первой группы 12, ко входу четвертого операционного усилителя подключены N резисторов 21, вторые выводы которых соединены со вторыми выводами пьезорезонаторов второй группы 13.
Устройство работает следующим образом.
Первая часть схемы, в которую входят третий операционный усилитель 18 и первая группа пьезорезонаторов 12 и резисторов 20, имеет передаточную функцию

где Yi – проводимость i-го пьезорезонатора первой группы, gi – проводимость i-го резистора этой части схемы.
Передаточная функция второй части схемы, состоящей из четвертого операционного усилителя 19, пьезорезонаторов 13 и резисторов 21, будет определяться выражением

где Yk – проводимость k-го пьезорезонатора второй группы, gk – проводимость k-го резистора этой части схемы.
Как было показано в [1], на каждом из выходов сумматора формируется передаточная функция следующего вида:

при условии, что gi=gk.
При этом передаточные функции, сформированные на первом и втором выходах сумматора, равны по модулю и отличаются только знаком (напряжения на этих выходах противофазны). Если частоты резонаторов первой и второй групп выбраны так, что fk-fi= f, а частоты fi=f1(i-1) , то передаточная функция T будет представлять собой гребенчатый фильтр, полоса пропускания каждого из лепестков которого равна f, а расстояние между полосами пропускания равно .
Поскольку напряжения на каждом из выходов сумматора являются противофазными, то каждая из пар пьезорезонаторов 14 и 15 с подключенными к ним резонаторами 16 и 17 реализует по каждому из выходов полосовую цепь (при условии, что пьезорезонаторы 14 и 15 имеют отстройку по частоте).
Таким образом, если частоты пьезорезонаторов 12 и 14 равны fi, а частоты пьезорезонаторов 13 и 15 равны fk, фильтр в целом будет представлять собой каскадное включение гребенчатого фильтра и однозвенного фильтра, полоса пропускания которого совпадает с одним из лепестков АЧХ гребенчатого. Поскольку пьезорезонаторы первой группы (а также и второй) развязаны между собой через резисторы 20, их частотный промежуток не изменится и полоса пропускания каждого канала будет примерно равна удвоенному частотному промежутку используемых пьезорезонаторов независимо от числа каналов.
Расчет параметров резонаторов и нагрузочных сопротивлений может быть проведен по известной методике [2].
Источники информации
1. Патент RU 2190925 «Двухполосный активный пьезоэлектрический фильтр». Насонова Л.В., Ясинский И.М., Яковлев А.Н.
2. Великин Я.И., Гельмонт З.Я., Зелях Э.В. Пьезоэлектрические фильтры. М., «Связь», 1966.
Формула изобретения
Многоканальный активный пьезоэлектрический фильтр, содержащий сумматор с двумя входами и двумя выходами, выполненный на двух операционных усилителях с отрицательными обратными связями, к инвертирующему входу первого и второго операционных усилителей подключены первый и второй резисторы, вторые выводы которых соединены с общей шиной, инвертирующий вход первого операционного усилителя через третий резистор и неинвертирующий вход второго операционного усилителя через четвертый резистор соединены с первым входом сумматора, неинвертирующий вход первого операционного усилителя через пятый резистор и инвертирующий вход второго операционного усилителя через шестой резистор соединены со вторым входом сумматора, неинвертирующие входы первого и второго операционных усилителей через седьмой и восьмой резисторы соответственно соединены с общей шиной, при этом выходы первого и второго операционных усилителей являются первым и вторым выходами сумматора, к входной потенциальной клемме фильтра подключены первая и вторая группы пьезорезонаторов, каждая из которых содержит N пьезорезонаторов, к первому выходу сумматора подключена третья группа, состоящая из N пьезорезонаторов, ко второму выходу сумматора подключена четвертая группа, состоящая из N пьезорезонаторов, при этом к каждому из вторых выводов пьезорезонаторов третьей и четвертой групп подключено по два резистора, из которых один вторым своим выводом соединен с общей шиной, а вторые выводы других резисторов соединены между собой попарно так, что в каждую пару включен один из резисторов, подключенный к одному из пьезорезонаторов третьей группы и другой резистор, подключенный к одному из пьезорезонаторов четвертой группы, каждая из пар упомянутых резисторов соединена с одной из потенциальных выходных клемм фильтра, отличающийся тем, что в фильтр дополнительно введены третий и четвертый инвертирующие операционные усилители с отрицательными обратными связями, выход первого операционного усилителя соединен с первым входом сумматора, выход четвертого операционного усилителя соединен со вторым входом сумматора, ко входу третьего операционного усилителя подключены N резисторов, вторые выводы которых соединены со вторыми выводами пьезорезонаторов первой группы, ко входу четвертого операционного усилителя подключены N резисторов, вторые выводы которых соединены со вторыми выводами пьезорезонаторов второй группы.
РИСУНКИ
|
|