|
|
(21), (22) Заявка: 2008141569/09, 20.10.2008
(24) Дата начала отсчета срока действия патента:
20.10.2008
(43) Дата публикации заявки: 27.04.2010
(46) Опубликовано: 20.08.2010
(56) Список документов, цитированных в отчете о поиске:
RU 2280317 С2, 20.07.2006. RU 2227361 С2, 20.04.2004. RU 60037 U1, 10.01.2007. GB 2097205 А, 27.10.1982. DE 69324292 T2, 26.08.1999. FR 2372045 A1, 23.06.1978. JP 2001177921 A, 29.06.2001.
Адрес для переписки:
664074, г.Иркутск, ул. Чернышевского, 15, ИрГУПС, патентно-лицензионный отдел, О.В. Видякиной
|
(72) Автор(ы):
Рябченок Наталья Леонидовна (RU), Алексеева Татьяна Леонидовна (RU), Астраханцев Леонид Алексеевич (RU), Астраханцева Надежда Михайловна (RU)
(73) Патентообладатель(и):
Государственное образовательное учреждение высшего профессионального образования Иркутский государственный университет путей сообщения (ИрГУПС (ИрИИТ)) (RU)
|
(54) СПОСОБ И УСТРОЙСТВО УПРАВЛЕНИЯ ТОКОМ В ОБМОТКАХ ВОЗБУЖДЕНИЯ ЭЛЕКТРИЧЕСКИХ МАШИН
(57) Реферат:
Изобретение относится к области электротехники, в частности к полупроводниковой технике, и может быть использовано на электроподвижном составе для управления тяговыми электрическими машинами постоянного тока, электротермическими установками и другими потребителями электроэнергии. Техническим результатом является повышение коэффициента мощности, его электромагнитной совместимости с питающими сетями, снижение пульсаций магнитного потока обмотки возбуждения, расширение функциональных возможностей. В способе и устройстве управления независимое регулирование тока в обмотках возбуждения электрических машин выполняется за счет плавного изменения входного электрического сопротивления устройства. Для этого к источнику энергии, охваченному обратным диодом, подключен через реактор промежуточный накопитель электрической энергии большой емкости. Плавное регулирование тока в обмотках возбуждения обеспечивается двухоперационными силовыми полупроводниковыми приборами, которые соединены к накопителю энергии. 2 н.п. ф-лы, 2 ил.
Изобретение относится к электротехнике, в частности к полупроводниковой технике, и может быть использовано на электроподвижном составе для управления тяговыми электрическими машинами постоянного тока, электротермическими установками и другими потребителями электроэнергии.
Известны способ и устройство управления тиристорами реверсивного преобразователя для питания обмотки возбуждения генератора постоянного тока [патент РФ 2313893, к.л. Н02Р 09/34, Н02K 23/02, Н02М 07/155, 2007], регулятор тока возбуждения [патент РФ 2311723, к.л. Н02Р 09/12, Н02Р 01/50, 2006]. Однако такие способ и устройства имеют низкий коэффициент мощности из-за неэффективного использования напряжения на входе регуляторов тока и, в основном, применяются для устранения аварийных режимов работы электрических машин.
Известно устройство для регулирования скорости электроподвижного состава [патент РФ 2301159, кл. B60L 15/08, 2006]. Устройство содержит тяговые двигатели постоянного тока, два цифроаналоговых преобразователя, шунтирующие резисторы и контакторы. За счет реализации максимальной мощности достигается оптимизация режима пуска тягового привода. Однако из-за ступенчатого изменения тока и последовательного соединения обмоток якоря и обмоток возбуждения электрических машин энергетические показатели подвижного состава снижаются в процессе регулирования скорости, ограничено независимое регулирование тока в обмотках якоря и в обмотках возбуждения.
Известен многодвигательный электропривод [патент РФ 2288111, кл. B60L 15/08, 2006], содержащий источник питания, последовательно соединенные обмотки якоря и обмотки возбуждения, конденсатор, широтно-импульсный модулятор, транзистор и контакторы. Изменение тока в обмотках возбуждения электрических машин выполняется шунтирующим резистором и транзистором с широтно-импульсной модуляцией.
Недостатками электропривода является ограниченный диапазон регулирования, затруднено независимое регулирование тока в обмотках якоря и регулирование тока в обмотках возбуждения электрических машин.
Известна схема для питания электрической машины постоянного тока [патент RU 2280317, кл. Н02Р 07/298, B60L 15/08, 2006], для независимого регулирования тока в обмотке якоря и в обмотке возбуждения. В схеме полупроводниковый преобразователь обмотки возбуждения соединен с другой фазой источника энергии или к другому источнику энергии, чем преобразователь обмотки якоря. Однако потери электрической энергии в известной схеме повышаются, и ее надежность снижается из-за большого количества двухоперационных силовых полупроводниковых приборов преобразователей.
Известен способ широтно-импульсной модуляции для последовательно включенных преобразователей (прототип) [патент RU 2227361, кл. Н02М 05/22, G05F 01/44, 2004]. Способом обеспечивается широтно-импульсная модуляция для включенных последовательно двухточечных или трехточечных преобразователей. В каждой паре преобразователей импульсы напряжения первого преобразователя с первым коэффициентом модуляции и импульсы напряжения второго преобразователя со вторым коэффициентом модуляции суммируются таким образом, что формируется один общий безинтервальный импульс напряжения. Суммарные импульсы напряжения симметричны относительно последующих суммарных импульсов напряжения других пар преобразователей. Сформированные импульсные последовательности напряжений оптимизированы по подавлению высших гармонических составляющих с целью минимизации нелинейных искажении тока и напряжения в электрических цепях.
Недостатками данного способа управления являются низкий коэффициент мощности из-за импульсного потребления электроэнергии из питающей сети. При большом количестве преобразователей, собранных на двухоперационных приборах, снижается надежность устройства, и повышаются потери электрической энергии. Способ управления реализуется сложным алгоритмом управления.
Целью изобретения является повышение коэффициента мощности устройства, повышение его электромагнитной совместимости с питающими сетями, снижение пульсаций магнитного потока обмоток возбуждения электрических машин, а также расширение функциональной возможности устройства.
Цель достигается тем, что управление током выполняется за счет плавного изменения входного электрического сопротивления устройства, для этого электрическая энергия непрерывно поступает на промежуточный накопитель электрической энергии большой емкости от источника энергии через реактор. К шинам источника энергии соединен обратный диод, с помощью которого обеспечивается дополнительный заряд промежуточного накопителя энергии за счет реактивной энергии реактора. Плавное регулирование тока в контуре промежуточный накопитель энергии – обмотки возбуждения электрических машин выполняется двухоперационными силовыми полупроводниковыми приборами. Двухоперационные полупроводниковые приборы соединены к промежуточному накопителю электрической энергии параллельно и последовательно с обмотками возбуждения, а параллельно каждой обмотке возбуждения соединены обратные диоды. Управление двухоперационными приборами обеспечивается известными способами импульсного регулирования и импульсной модуляции.
Данным способом управления и соединением элементов устройства обеспечивается плавное независимое регулирование тока в обмотках возбуждения электрических машин.
Таким образом, заявляемый способ и устройство управления током в обмотках возбуждения электрических машин соответствуют критерию изобретения «новизна».
Известные способы управления мощностью потребителей электрической энергии, которыми обеспечивается изменение тока в обмотках возбуждения электрических машин, характеризуются низким коэффициентом мощности, нелинейными искажениями тока, напряжения на входе и высокими пульсациями тока, магнитного потока электрических машин, не обеспечивается независимое регулирование тока в обмотках якоря и в обмотках возбуждения. Предложенным способом и устройством управления током в обмотках возбуждения электрических машин коэффициент мощности повышается за счет плавного изменения входного электрического сопротивления устройства путем непрерывной передачи электрической энергии от источника энергии на промежуточный накопитель электрической энергии большой емкости. От промежуточного накопителя плавное изменение тока в обмотках возбуждения выполняется способами импульсного регулирования и импульсной модуляции двухоперационными полупроводниковыми приборами. Период повторения импульсов ТП делится на n равных частей, где n – количество обмоток возбуждения, соединенных к накопителю энергии. За период повторения к каждой обмотке возбуждения прикладывается один импульс напряжения. Частота следования импульсов напряжения выбирается такой, чтобы электромагнитная постоянная времени обмоток возбуждения ТВ>ТП, а заряд промежуточного накопителя энергии во время паузы между импульсами напряжения выполняется от источника энергии и за счет реактивной энергии реактора. Уровень напряжения источника энергии и емкость промежуточного накопителя электрической энергии выбираются такими, чтобы при коэффициентах заполнения импульсов напряжения, равных единице, ток, протекающий от источника энергии на вход устройства, был бы близок к номинальному току одной обмотки возбуждения. При параллельном соединении силовых полупроводниковых приборов к промежуточному накопителю способ управления позволяет соединять обмотки возбуждения во времени последовательно к накопителю энергии, поэтому достигаются высокие энергетические показатели устройства на всем интервале регулирования коэффициента заполнения импульсов напряжения, а от источника энергии устройством потребляется ток, форма которого определяется формой напряжения источника энергии. Так как параллельно каждой обмотке возбуждения соединены обратные диоды, и обеспечивается соотношение ТВ>ТП, то во время паузы между импульсами напряжения ток в обмотках возбуждения протекает под действием ЭДС самоиндукции, поэтому коэффициент пульсаций тока и магнитного потока близок к нулю. Устройством может обеспечиваться независимая корректировка тока в каждой обмотке возбуждения для регулирования мощности электрических машин с целью компенсации разброса их конструктивных параметров, различного диаметра бандажей колесных пар, изменяющихся условий по сцеплению колесных пар с поверхностью качения.
Таким образом, заявляемый способ и устройство управления током в обмотках возбуждения электрических машин соответствуют критерию изобретения «существенные отличия».
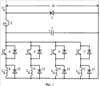
Изобретение поясняется на фиг.1.
На фиг.1 дана принципиальная электрическая схема устройства управления током в обмотках возбуждения электрических машин, реализующего предложенный способ, улучшающего коэффициент мощности и электромагнитную совместимость устройства, обеспечивающего плавное независимое регулирование тока в каждой обмотке возбуждения.
К выводам источника энергии напряжением U соединен промежуточный накопитель электрической энергии большой емкости 1, например ионистор, через реактор 2. К шинам источника энергии соединен обратный диод 3. К плюсовому выводу промежуточного накопителя энергии соединены параллельно коллекторы IGBT-транзисторов и катоды диодов модулей 4, 5, 6 и 7. Эмиттеры транзисторов и аноды диодов каждого модуля соединены к выводам обмоток возбуждения 8, 9, 10, 11 и к катодам обратных диодов 12, 13, 14, 15. Другие выводы обмоток возбуждения и аноды обратных диодов соединены к минусовой шине источника энергии и промежуточного накопителя энергии.
При подаче напряжения U на шины источника энергии заряжается промежуточный накопитель электрической энергии 1 через реактор 2. С помощью системы управления формируются импульсы управления двухоперационными приборами модулей 4, 5, 6, 7. Импульсы следуют через равные промежутки времени за период повторения ТП, а коэффициент заполнения импульсов напряжения изменяется от 0 до ТП/4. При отпирании транзисторов модулей по обмоткам возбуждения протекают токи IB от промежуточного накопителя и от источника энергии. Во время не проводящего состояния транзисторов происходит заряд промежуточного накопителя энергии 1 за счет реактивной энергии реактора 2 через обратный диод 3 и от источника энергии. Уровень напряжения источника энергии U, емкость промежуточного накопителя электрической энергии 1 выбираются такими, чтобы ток I, потребляемый устройством, был бы близок по величине к току IB каждой обмотки возбуждения при коэффициенте заполнения импульсов напряжения ТП/4, а его форма практически определяется формой напряжения источника энергии. Так как электромагнитная постоянная времени обмоток возбуждения ТВ больше периода повторения импульсов напряжения ТП, то во время непроводящего состояния транзисторов по обмоткам возбуждения протекают токи IB за счет ЭДС самоиндукции обмоток через обратные диоды 12, 13, 14, 15. Коэффициент пульсаций тока и магнитного потока обмоток возбуждения практически равен нулю.
На фиг.2 дана зависимость тока I, потребляемого устройством от тока IB в каждой обмотке возбуждения электрических машин номинальной мощностью 765 кВт.
Предлагаемый способ и устройство управления током в обмотках возбуждения электрических машин по сравнению с известными техническими решениями имеет следующие преимущества:
1) коэффициент мощности устройства близок к единице на всем диапазоне регулирования тока;
2) обеспечивается возможность независимого плавного регулирования тока в каждой обмотке возбуждения электрических машин;
3) снижаются нелинейные искажения тока в питающей сети и снижаются пульсации тока, магнитного потока обмоток возбуждения.
Формула изобретения
1. Способ управления током в обмотках возбуждения электрических машин, отличающийся тем, что регулирование тока в обмотках возбуждения выполняется за счет плавного изменения величины входного электрического сопротивления устройства, для этого заряд промежуточного накопителя электрической энергии выполняется за счет источника энергии и реактивной энергии реактора, электрическая энергия от источника энергии непрерывно передается на промежуточный накопитель электрической энергии большой емкости, а плавное изменение тока в контуре промежуточный накопитель энергии – обмотки возбуждения электрических машин выполняется с помощью двухоперационных приборов способами импульсного регулирования и импульсной модуляции.
2. Устройство управления током в обмотках возбуждения электрических машин, содержащее реактор, накопитель электрической энергии большой емкости, двухоперационные приборы, обмотки возбуждения электрических машин и обратные диоды, отличающееся тем, что к источнику энергии с обратным диодом через реактор соединен накопитель электрической энергии большой емкости, к выводам накопителя энергии соединены параллельно двухоперационные силовые полупроводниковые приборы, с каждым из которых последовательно соединены обмотки возбуждения электрических машин, охваченные обратными диодами.
РИСУНКИ
|
|