|
|
(21), (22) Заявка: 2009112544/09, 06.04.2009
(24) Дата начала отсчета срока действия патента:
06.04.2009
(46) Опубликовано: 20.08.2010
(56) Список документов, цитированных в отчете о поиске:
RU 2289191 C1, 10.12.2006. RU 2115989 С1, 20.07.1998. SU 1374329 F1, 15.02.1988. US 5715151 A1, 03.02.1998.
Адрес для переписки:
119334, Москва, ул. Косыгина, 5, кв.35, М.Б. Щедрину
|
(72) Автор(ы):
Краснов Дмитрий Валерьевич (RU), Рязанцев Александр Александрович (RU), Губанов Олег Васильевич (RU), Лазарев Григорий Бенционович (RU)
(73) Патентообладатель(и):
Общество с ограниченной ответственностью “НИЦ Приводная Техника” (ООО “НИЦ Приводная Техника”) (RU), Краснов Дмитрий Валерьевич (RU), Рязанцев Александр Александрович (RU), Губанов Олег Васильевич (RU), Лазарев Григорий Бенционович (RU)
|
(54) СПОСОБ АВАРИЙНОГО УПРАВЛЕНИЯ СИЛОВОЙ ЯЧЕЙКОЙ ВЫСОКОВОЛЬТНОГО ПРЕОБРАЗОВАТЕЛЯ ЧАСТОТЫ
(57) Реферат:
Использование: в области электротехники. Технический результат заключается в повышении надежности преобразователя. Контролируют силовую ячейку и при неисправности выводят ее из работы путем байпасирования, отключают по входу и выходу, тестируют и при положительном результате тестирования вводят в работу. Контроль осуществляют по температуре тиристоров, выходному напряжению выпрямителя, температуре IGВТ-транзисторов и выходному току инвертора. При тестировании проверяют состояние входных предохранителей и при отсутствии их срабатываний попарно включают тиристоры и проверяют выходное напряжение выпрямителя, а затем попарно включают IGBT-транзисторы и проверяют выходной ток инвертора через балластную нагрузку. 2 ил.
Область техники
Изобретение относится к электротехнике и может быть применено в высоковольтных преобразователях частоты для контроля их силовых ячеек.
Уровень техники
Известен выбранный в качестве прототипа способ аварийного управления силовой ячейкой высоковольтного преобразователя частоты, включающий контроль состояния силовой ячейки и ее байпасирование при выявлении неисправности [RU 2289191, МПК Н02М 5/453, 2006 г.].
Недостаток прототипа – высокая вероятность вывода из работы (байпасирования) силовых ячеек при ложных сигналах об отказах и при самовосстанавливающихся повреждениях.
Сущность изобретения
Задача изобретения – обеспечить возврат в рабочее состояние силовых ячеек, байпасированных при ложных и самоустраняющихся отказах и тем самым повысить надежность преобразователя.
Предметом изобретения является способ аварийного управления силовой ячейкой высоковольтного преобразователя частоты, содержащей выпрямитель на тиристорах и инвертор на IGBT-транзисторах, заключающийся в том, что контролируют силовую ячейку и при неисправности выводят ее из работы путем байпасирования, отключают по входу и выходу, тестируют и при положительном результате тестирования вводят в работу, при этом контролируют силовую ячейку по температуре тиристоров, выходному напряжению выпрямителя, температуре IGBT-транзисторов и выходному току инвертора, а при тестировании проверяют состояние входных предохранителей и при отсутствии их срабатываний попарно включают тиристоры и проверяют выходное напряжение выпрямителя, а затем попарно включают IGBT-транзисторы и проверяют выходной ток инвертора через балластную нагрузку.
Это позволяет решить поставленную задачу и получить технический результат в виде повышения надежности преобразователя.
Краткое описание чертежей
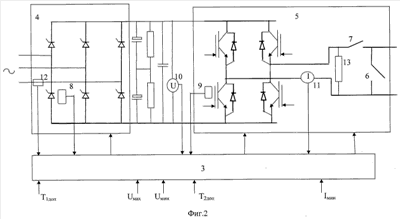
На фиг.1 приведена блок-схема высоковольтного трехфазного преобразователя, на фиг.2 – схема его силовой ячейки, управляемой по предлагаемому способу.
Осуществление способа
Каждая фаза преобразователя, показанного на фиг.1, содержит группу силовых ячеек 1, последовательно соединенных своими выходами. Каждая ячейка 1 питается от отдельной вторичной трехфазной обмотки многообмоточного трансформатора 2. Управление ячейками 1 осуществляет система 3 управления.
В состав силовой ячейки, показанной на фиг.2, входят выпрямитель 4 на тиристорах и инвертор 5 на IGBT-транзисторах, снабженный коммутаторами 6 и 7. Выпрямитель 4 снабжен датчиками 8 температуры тиристоров, а инвертор 5 – датчиками 9 температуры IGBT-транзисторов (на фиг.2 условно показано по одному датчику 8 и 9). Силовая ячейка снабжена также датчиком 10 выпрямленного напряжения и датчиком 11 выходного тока инвертора. Выходы всех датчиков подключены к системе 3, управляющей тиристорами выпрямителя 4, IGBT-транзисторами инвертора 5 и коммутаторами 6 и 7. Кроме того, к входам системы 3 подключены указатели срабатывания входных предохранителей 12 выпрямителя 4 (на фиг.2 условно показан один предохранитель 12).
Осуществляя заявленный способ, устройство работает следующим образом.
В режиме рабочего управления преобразователя коммутатор 6 разомкнут, коммутатор 7 замкнут и система 3 контролирует силовую ячейку по следующим критериям:
– по температуре тиристоров выпрямителя 4 путем сравнения температуры каждого тиристора, данные о которой поступают от соответствующего датчика 8, с установленным допустимым значением Т1доп;
– по выходному напряжению выпрямителя путем сравнения напряжения, данные о котором поступают от датчика 10, с установленными значениями Uмин и Uмах;
– по температуре IGBT-транзисторов инвертора 5 путем сравнения температуры каждого IGBT-транзистора, данные о которой поступают от соответствующего датчика 9, с установленным допустимым значением Т2доп;
– по выходному току инвертора путем сравнения тока, данные о котором поступают от датчика 11, с установленным значением Iмин.
При выходе любого из контролируемых параметров ячейки за установленные пределы система 3 фиксирует обнаружение неисправности данной ячейки и замыкает коммутатор 6, выводя ее из работы в соответствующей фазе преобразователя путем байпасирования (обхода). При этом могут быть приняты меры по симметрированию фазных напряжений на выходе преобразователя (например, аналогичные мерам, принимаемым согласно прототипу).
После замыкания коммутатора 6 система 3 отключает байпасированную ячейку по входу путем выключения всех тиристоров выпрямителя 4 и по выходу путем размыкания коммутатора 7 и после разряда накопительных конденсаторов преобразователя приступает к ее тестированию.
При тестировании система 3 проверяет состояние входных предохранителей 12 по сигналам с указателей их срабатывания, поступающим с датчиков 12, и при отсутствии срабатываний предохранителей 12 переходит к выполнению следующих действий.
Попарно включает тиристоры выпрямителя 4, расположенные в противоположных плечах соседних фаз выпрямителя, и проверяет, что после заряда накопительных емкостей выходное напряжение выпрямителя 4 достигает установленного значения Uмин. После этого ранее включенные тиристоры очередной пары выключаются и накопительные емкости разряжаются. Если описанной проверкой установлено, что все тиристоры выпрямителя и выпрямитель в целом не повреждены, система 3 переходит к тестированию инвертора 5.
Для этого система 3 переводит выпрямитель 4 в режим рабочего управления и затем попарно включает IGBT-транзисторы инвертора 5 в его противоположных плечах. При включенной паре IGBT-транзисторов проверяется выходной ток инвертора 5 через балластную нагрузку 13 путем сравнении данных, поступающих от датчика 11, с установленным минимальным значением Iмин. Перед включением второй пары IGBT-транзисторов ранее включенная пара запирается.
При положительном результате тестирования ячейку вводят в работу: система 3 переходит в режим рабочего управления инвертором 5, замыкает коммутатор 7, размыкает коммутатор 6 и снова контролирует силовую ячейку по вышеописанным критериям. При обнаружении повторяющихся отказов какой-либо ячейки 1 система 3 выводит ее из работы, замыкая коммутатор 6 и размыкая коммутатор 7, без последующего тестирования.
Как видно из изложенного, предлагаемый способ управления силовой ячейкой высоковольтного преобразователя в аварийной ситуации (т.е. при браковке одной из силовых ячеек в процессе работы) позволяет при ложных и самоустраняющихся отказах возвращать забракованные силовые ячейки в работу.
Эффективность предлагаемого решения подтверждена экспериментально.
Формула изобретения
Способ аварийного управления силовой ячейкой высоковольтного преобразователя частоты, содержащей выпрямитель на тиристорах и инвертор на IGBT-транзисторах, заключающийся в том, что контролируют силовую ячейку и при неисправности выводят ее из работы путем байпасирования, отключают по входу и выходу, тестируют и при положительном результате тестирования вводят в работу, при этом контролируют силовую ячейку по температуре тиристоров, выходному напряжению выпрямителя, температуре IGBT-транзисторов и выходному току инвертора, а при тестировании проверяют состояние входных предохранителей и при отсутствии их срабатываний попарно включают тиристоры в противоположных плечах соседних фаз выпрямителя и проверяют, сравнивая с установленным минимальным значением, выходное напряжение выпрямителя, а затем попарно включают IGBT-транзисторы в противоположных плечах инвертора и проверяют, сравнивая с установленным минимальным значением, выходной ток инвертора через балластную нагрузку.
РИСУНКИ
|
|