|
|
(21), (22) Заявка: 2009129254/28, 30.07.2009
(24) Дата начала отсчета срока действия патента:
30.07.2009
(46) Опубликовано: 20.08.2010
(56) Список документов, цитированных в отчете о поиске:
РД 52.04.168-2001 Наблюдения за атмосферным электричеством. Дата введения 01.06.2002 [найдено 22.03.2010]. Найдено из Интернет: . SU 558241 A1, 15.05.1977. SU 1479897 A1, 15.05.1989. SU 1749879 A1, 23.07.1992.
Адрес для переписки:
123995, Москва, Д-242, ГСП-5, ул. Большая Грузинская, 10, ИФЗ РАН
|
(72) Автор(ы):
Анисимов Сергей Васильевич (RU)
(73) Патентообладатель(и):
Учреждение Российской академии наук Институт физики Земли им. О.Ю. Шмидта РАН (ИФЗ РАН) (RU)
|
(54) УСТРОЙСТВО ДЛЯ ИЗМЕРЕНИЯ ЭЛЕКТРИЧЕСКОЙ ПРОВОДИМОСТИ АТМОСФЕРЫ
(57) Реферат:
Изобретение относится к области атмосферного электричества и может быть использовано для определения электрической проводимости атмосферы при аэрофизических, геофизических, электрохимических, метеорологических, биологических и других исследованиях. Сущность: устройство включает измерительную пластину с отверстием в центральной части, а также дополнительную пластину, расположенную над измерительной пластиной параллельно ей. Расстояние между пластинами обратно пропорционально величине напряженности переменного поля, создаваемого генератором инфранизких частот, соединенным с дополнительной пластиной. В отверстии измерительной пластины установлен электростатический флюксметр с возможностью вращения. Также в схему устройства включены усилитель сигналов, блок измерителя разности фаз, блок тригонометрической функции котангенса разности фаз, масштабный усилитель, блок регистрации. Усилитель сигналов подключен к измерительной пластине и к первому входу блока измерителя разности фаз. Ко второму входу блока измерителя разности фаз подключен электростатический флюксметр. Выход блока измерителя разности фаз соединен с входом блока тригонометрической функции котангенса разности фаз, выход которого соединен с входом масштабного усилителя. Выход масштабного усилителя соединен с входом блока регистрации. Технический результат: повышение точности измерений за счет создания сигналов плотности вертикального аэроэлектрического тока и напряженности переменного аэроэлектрического поля, исключения влияния неламинарности потока между пластинами и шумов электростатического флюксметра. 1 з.п. ф-лы, 1 ил.
Изобретение относится к области атмосферного электричества и может быть использовано для определения электрической проводимости атмосферы при аэрофизических, геофизических, электрохимических, метеорологических, биологических и других исследованиях.
Известно устройство для измерения ионной электрической проводимости воздуха, включающее аспирационный конденсатор, к внешнему и внутреннему электродам которого приложена отклоняющая разность потенциалов. (Имянитов И.М. Приборы и методы для изучения электричества атмосферы. М.: Гостехиздат. 1957, с.322).
Недостатком данного устройства является низкая точность измерений тока проводимости, определяемого знаком и заданным значением отклоняющего потенциала, расходом воздуха через аспирационный конденсатор и геометрией конденсатора.
Наиболее близким по технической сущности к предлагаемому изобретению является устройство для измерения электрической проводимости атмосферы, включающее измерительную пластину с отверстием в центральной части, дополнительную пластину, расположенную над измерительной пластиной параллельно ей, электростатический флюксметр, установленный в отверстии измерительной пластины с возможностью вращения, и блок регистрации (Имянитов И.М. Приборы и методы для изучения электричества атмосферы. М.: Гостехиздат.1957, с.324-325).
Недостатком данного устройства является низкая точность измерений из-за нестабильности напряженности постоянного поля, а также неламинарности воздушного потока между пластинами. Данное устройство не позволяет получить высокую точность измерения вследствие влияния шумов электростатического флюксметра на результаты измерения.
Техническим результатом является повышение точности измерений за счет создания сигналов плотности вертикального аэроэлектрического тока и напряженности переменного аэроэлектрического поля, исключения влияния неламинарности потока между пластинами и шумов электростатического флюксметра.
Технический результат достигается в устройстве для измерения электрической проводимости атмосферы, включающем измерительную пластину с отверстием в центральной части, дополнительную пластину, расположенную над измерительной пластиной параллельно ей, электростатический флюксметр, установленный в отверстии измерительной пластины с возможностью вращения, блок регистрации, генератор инфранизких частот, соединенный с дополнительной пластиной, усилитель сигналов, подключенный к измерительной пластине, блок измерителя разности фаз, блок тригонометрической функции котангенса разности фаз, масштабный усилитель, при этом первый вход блока измерителя фаз соединен с выходом усилителя сигналов, второй вход – с выходом электростатического флюксметра, а выход – с входом блока тригонометрической функции котангенса разности фаз, выход которого соединен с входом масштабного усилителя, выход которого подключен к входу блока регистрации, причем расстояние между пластинами обратно пропорционально величине напряженности переменного поля, создаваемого генератором инфранизких частот. Пластины выполнены в виде сетчатой поверхности.
Отличительными признаками предлагаемого устройства для измерения электрической проводимости атмосферы являются генератор инфранизких частот, соединенный с дополнительной пластиной, усилитель сигналов, вход которого соединен с измерительной пластиной, а выход с первым входом блока измерителя разности фаз, второй вход которого соединен с выходом электростатического флюксметра, а выход – с блоком тригонометрической функции котангенса разности фаз, выход которого соединен с масштабным усилителем, выход которого подключен к блоку регистрации, обратно пропорциональная связь расстояния между пластинами и величины напряженности переменного поля, создаваемого генератором инфранизких частот, выполнение пластин в виде сетчатой поверхности. Генератор инфранизких частот, соединенный с дополнительной пластиной, позволяет создать сигналы плотности вертикального аэроэлектрического тока и напряженности переменного аэроэлектрического поля. Установка блока измерителя разности фаз позволяет измерять разность фаз созданных сигналов плотности вертикального аэроэлектрического тока и напряженности аэроэлектрического переменного поля. Установка блока тригонометрической функции котангенса разности фаз позволяет получить значения котангенса измеренной разности фаз сигналов плотности вертикального аэроэлектрического тока и напряженности аэроэлектрического переменного поля. Расстояние между пластинами выбирается из условия обратной пропорциональности величины напряженности переменного поля, создаваемого генератором инфранизких частот, т.е. чем меньше расстояние между пластинами, тем больше напряженность переменного поля и наоборот. Выполнение пластин в виде сетчатой поверхности позволяет проводить измерения в условиях естественных воздушных потоков, исключая необходимость создания ламинарного воздушного потока.
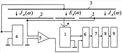
Устройство для измерения электрической проводимости атмосферы поясняется чертежом, где на фиг.1 представлен общий вид устройства.
Устройство для измерения электрической проводимости атмосферы включает электростатический флюксметр 1, установленный с возможностью вращения в отверстии измерительной пластины 2, выполненном в ее центральной части, дополнительную пластину 3, расположенную над измерительной пластиной 2 параллельно ей, генератор инфранизких частот 4, соединенный с дополнительной пластиной 2, усилитель сигналов 5, подключенный к измерительной пластине 1, блок 6 измерителя разности фаз, блок 7 тригонометрической функции котангенса разности фаз, масштабный усилитель 8. Первый вход блока 6 измерителя разности фаз соединен с выходом усилителя сигналов 5, второй вход – с выходом электростатического флюксметра 1, а выход – с входом блока 7 тригонометрической функции котангенса разности фаз, выход которого соединен с входом масштабного усилителя 8, выход которого подключен к входу блока 9 регистрации. Расстояние между пластинами 2 и 3 обратно пропорционально величине напряженности переменного поля, создаваемого генератором инфранизких частот 4. Пластины 2 и 3 выполнены в виде сетчатой поверхности.
Устройство для измерения электрической проводимости атмосферы работает следующим образом.
Над земной поверхностью на высоте один метр установлена пластина, например металлическая, площадью 1 м2, в отверстии которой смонтирован электростатический флюксметр 1. На высоте 10 см над измерительной пластиной 2 параллельно расположена аналогичная дополнительная пластина 3, например металлическая, площадью 1 м2, подключенная к генератору инфранизких частот 4, который задает сигналы плотности вертикального аэроэлектрического тока и напряженности аэроэлектрического переменного поля в промежутке между пластинами 2 и 3. При расстоянии между пластинами 10 см поданное на дополнительную пластину 3 переменное напряжение, равное 10 В, генерирует переменное аэроэлектрическое поле напряженностью 100 В/м. Металлические пластины 2 и 3 могут быть выполнены в виде сетчатой поверхности с размерами ячеек 1×1 см, причем размеры ячеек должны быть меньше расстояния между пластинами. Измерительная пластина 2, подключенная к усилителю сигналов 5, измеряет величину плотности вертикального аэроэлектрического тока, создаваемого в пространстве между пластинами 2 и 3. Электростатический флюксметр 1 измеряет величину напряженности генерируемого аэроэлектрического переменного поля, исключая погрешности краевых эффектов. Сигналы с усилителя сигналов 5 и электростатического флюксметра 1 подаются, соответственно, на первый и второй входы блока 6 измерителя разности фаз. Измеренная разность фаз сигналов в плотности вертикального аэроэлектрического тока и напряженности аэроэлектрического переменного поля поступает в блок 7 тригонометрической функции котангенса разности фаз, где вычисляется котангенс измеренной разности фаз. После чего полученный сигнал поступает на масштабный усилитель 8. Регистрация сигнала с масштабного усилителя 8 осуществляется с высоким временным разрешением. Сигнал на выходе масштабного усилителя 8 пропорционален (соответствует) измеряемой величине электрической проводимости атмосферы.
Предлагаемое устройство для измерения электрической проводимости атмосферы позволяет повысить точность измерений и может быть использовано в метеорологии для определения электрической составляющей погоды и климата, в биологии и медицине для контроля чистоты и определения электрических параметров воздуха, а также при выполнении высокотехнологичных производственных и научно-исследовательских операций, требующих контроля электрического состояния окружающей среды.
Формула изобретения
1. Устройство для измерения электрической проводимости атмосферы, включающее измерительную пластину с отверстием в центральной части, дополнительную пластину, расположенную над измерительной пластиной параллельно ей, электростатический флюксметр, установленный в отверстии измерительной пластины с возможностью вращения, и блок регистрации, отличающееся тем, что оно снабжено генератором инфранизких частот, соединенным с дополнительной пластиной, усилителем сигналов, подключенным к измерительной пластине, блоком измерителя разности фаз, блоком тригонометрической функции котангенса разности фаз, масштабным усилителем, при этом первый вход блока измерителя разности фаз соединен с выходом усилителя сигналов, второй вход – с выходом электростатического флюксметра, а выход – с входом блока тригонометрической функции котангенса разности фаз, выход которого соединен с входом масштабного усилителя, выход которого подключен к входу блока регистрации, причем расстояние между пластинами обратно пропорционально величине напряженности переменного поля, создаваемого генератором инфранизких частот.
2. Устройство по п.1, отличающееся тем, что пластины выполнены в виде сетчатой поверхности.
РИСУНКИ
|
|