|
|
(21), (22) Заявка: 2009116135/28, 29.04.2009
(24) Дата начала отсчета срока действия патента:
29.04.2009
(46) Опубликовано: 20.08.2010
(56) Список документов, цитированных в отчете о поиске:
RU 2339961 C1, 27.11.2008. RU 2316779 C2, 10.02.2008. RU 2316777 C2, 10.02.2008. RU 77447 U1, 20.10.2008. DE 4303739 A1, 19.08.1993. DE 4204911 A1, 19.08.1993.
Адрес для переписки:
125993, Москва, ул. Часовая, 22/2, МИИТ(РОАТ)
|
(72) Автор(ы):
Герман Леонид Абрамович (RU), Герман Вадим Леонидович (RU)
(73) Патентообладатель(и):
Государственное образовательное учреждение высшего профессионального образования “Московский государственный университет путей сообщения” (RU), “Российская открытая академия транспорта” (РОАТ) (RU)
|
(54) УСТРОЙСТВО КОНТРОЛЯ ПРОХОДЯЩЕГО И УСТОЙЧИВОГО КОРОТКОГО ЗАМЫКАНИЯ В КОНТАКТНОЙ СЕТИ ПЕРЕМЕННОГО ТОКА
(57) Реферат:
Изобретение относится к системе автоматизации электроснабжения электрических железных дорог, а именно к устройствам контроля короткого замыкания в контактной сети переменного тока. Технический результат: расширение функциональных возможностей устройства за счет обеспечения поиска повреждения с использованием эффекта наведенного напряжения. Сущность: устройство содержит трансформатор остаточного напряжения, подключенный к контактной сети с постом секционирования. Выключатели подключают контактную сеть и линию «два провода-рельс» к шинам тяговой подстанции. Реле запуска с катушкой и замыкающим с задержкой контактом и реле времени подключаются к источнику питания через последовательно включенные замыкающие контакты реле-повторителей защит выключателя. Фильтр снижает уровень высших гармонических составляющих в кривой остаточного напряжения, поступающего на вход фильтра низкой частоты (ФНЧ) с областью пропускания 0 48 Гц и на вход компаратора через замыкающий с замедлением контакт реле времени. Выходы ФНЧ и компаратора подключены к входу усилителя, который своим выходом подключен к выходному реле. Дополнительная кнопка переключает устройство в режим поиска устойчивого КЗ. 1 ил.
Изобретение относится к системе автоматизации электроснабжения электрических и железных дорог, а именно к устройствам контроля короткого замыкания в контактной сети переменного тока.
Известно устройство контроля короткого замыкания в контактной сети переменного тока [1 – прототип], содержащее выходное реле с замыкающим контактом, контактную сеть и линию продольного электроснабжения 27,5 кВ «Два провода-рельс (ДПР)», подключенными через выключатели к шинам тяговых подстанций, пост секционирования контактной сети, трансформатор остаточного напряжения, подключенный к одному из выключателей контактной сети, реле запуска, у которого первый вход катушки подключен через последовательно соединенные замыкающие контакты реле-повторителей защит к «минусу» источника питания, а второй вход – непосредственно к «плюсу» источника питания, фильтр высших гармонических составляющих остаточного напряжения, вход которого подключен ко вторичной обмотке трансформатора остаточного напряжения через замыкающий с задержкой контакт реле запуска, фильтр низкой частоты (ФНЧ) с областью пропускания 0-40 Гц и усилитель, причем вход ФНЧ подключен к выходу фильтра для фильтрации высших гармонических составляющих остаточного напряжения, а выход ФНЧ – к входу усилителя, при этом выход усилителя подсоединен к входу выходного реле, компаратор, реле времени и замыкающий контакт реле-повторителя отключенного состояния выключателя контактной сети, к которому подключен трансформатор остаточного напряжения, причем цепь из последовательно соединенных катушки реле времени и замыкающего контакта реле-повторителя отключенного состояния выключателя подключается параллельно катушке реле запуска, а вход компаратора через замыкающий с замедлением контакт реле времени подключается к выходу фильтра для фильтрации высших гармонических составляющих и выход компаратора подключается к входу усилителя.
Таким образом, указанное устройство сразу же после аварийного отключения за время до 0,5 1,5 сек определяет: короткое замыкание (КЗ) проходящее или устойчивое. При проходящем КЗ выполняется быстродействующее автоматическое повторное включение (БАПВ) аварийно отключенного выключателя, к которому подключен трансформатор остаточного напряжения.
(Пояснения. Проходящее КЗ после отключения соответствующих фидеров контактной сети, то есть в отключенной контактной сети КЗ самоликвидируется (например, при перекрытии изолятора контактной сети во время грозы). При устойчивом КЗ – оно в отключенной контактной сети не ликвидируется.)
Недостаток этого устройства – оно работает и определяет проходящее или устойчивое КЗ только непосредственно после аварийного отключения выключателя в течение времени до 0,5 1,5 сек. Если же устройство определило, что КЗ устойчивое, то далее выполняется поиск места устойчивого КЗ и затем выполняются ремонтные работы по ликвидации КЗ. Указанное устройство не может определить и проконтролировать отсутствие устойчивого КЗ во время поиска и после ликвидации КЗ.
Известны устройства поиска устойчивых КЗ с использованием эффекта наведенного напряжения [2-5]. Однако они не определяют проходящее КЗ за минимальное время (например, за 0,5 1,5 сек, как указано выше) после аварийного отключения выключателя, и поэтому с их помощью нет возможности выполнить БАПВ.
Целью настоящего изобретения является расширение функциональной возможности устройства по прототипу (по заявке [1]). Дополнительно к [1] при устойчивом КЗ в процессе поиска места КЗ и после проведения ремонтных работ по устранению КЗ устройство должно определить и проконтролировать отсутствие КЗ в отключенной контактной сети с использованием эффекта наведенного напряжения.
Поставленная цель достигается тем, что в устройство, содержащее выходное реле с замыкающим контактом, контактную сеть и линию продольного электроснабжения «Два провода-рельс (ДПР)», подключенными через выключатели к шинам тяговых подстанций, пост секционирования контактной сети, трансформатор остаточного напряжения, подключенный к одному из выключателей контактной сети, реле запуска, у которого первый вход катушки подключен через последовательно соединенные замыкающие контакты реле-повторителей защит к «минусу» источника питания, а второй вход – непосредственно к «плюсу» источника питания, фильтр высших гармонических составляющих остаточного напряжения, вход которого подключен ко вторичной обмотке трансформатора остаточного напряжения через замыкающий с задержкой контакт реле запуска, фильтр низкой частоты (ФНЧ) с областью пропускания 0-40 Гц и усилитель, причем вход ФНЧ подключен к выходу фильтра для фильтрации высших гармонических составляющих остаточного напряжения, а выход ФНЧ – к входу усилителя, при этом выход усилителя подсоединен к входу выходного реле, компаратор, реле времени и замыкающий контакт реле-повторителя отключенного состояния выключателя контактной сети, к которому подключен трансформатор остаточного напряжения, причем цепь из последовательно соединенных катушки реле времени и замыкающего контакта реле-повторителя отключенного состояния выключателя подключается параллельно катушке реле запуска, а вход компаратора через замыкающий с замедлением контакт реле времени подключается к выходу фильтра для фильтрации высших гармонических и выход компаратора подключается к входу усилителя, выход усилителя подсоединен к входу выходного реле, компаратор, реле времени и замыкающий контакт реле-повторителя отключенного состояния выключателя контактной сети, к которому подключен трансформатор остаточного напряжения, причем цепь из последовательно соединенных катушки реле времени и замыкающего контакта реле-повторителя отключенного состояния выключателя подключается параллельно катушке реле запуска, а вход компаратора через замыкающий с замедлением контакт реле времени подключается к выходу фильтра для фильтрации высших гармонических составляющих и выход компаратора подключается к входу усилителя, введена цепь с последовательно соединенными катушкой промежуточного реле с тремя контактами и кнопкой контроля устойчивого короткого замыкания, подключенная к «плюсу» – «минусу» источника питания, причем первый замыкающий контакт промежуточного реле шунтирует последовательно соединенные замыкающие контакты реле-повторителей защит, первые выводы второго замыкающего и третьего размыкающего контактов промежуточного реле через замыкающий контакт выходного реле подключены к «плюсу» источника питания, а второй вывод второго замыкающего контакта подключен к схеме сигнализации устойчивого короткого замыкания и второй вывод третьего размыкающего контакта подключен к схеме включения выключателя контактной сети, который соединен с трансформатором остаточного напряжения.
Такое выполнение устройства, при котором введена цепь с последовательно соединенными катушкой промежуточного реле с тремя контактами и кнопкой контроля устойчивого короткого замыкания, подключенная к «плюсу» – «минусу» источника питания, причем первый замыкающий контакт промежуточного реле шунтирует последовательно соединенные замыкающие контакты реле-повторителей защит, первые выводы второго замыкающего и третьего размыкающего контактов промежуточного реле через замыкающий контакт выходного реле подключены к «плюсу» источника питания, а второй вывод второго замыкающего контакта подключен к схеме сигнализации устойчивого короткого замыкания и второй вывод третьего размыкающего контакта подключен к схеме включения выключателя контактной сети, который соединен с трансформатором остаточного напряжения, позволяет расширить функциональные возможности устройства, а именно:
– устройство определяет проходящее КЗ за минимальное время (до 0,3 0,5 сек) после аварийного отключения выключателя и тогда дает команду на включение этого выключателя,
– устройство определяет устойчивое КЗ и тогда дает запрет на включение аварийно отключенного выключателя,
– вновь введенная функция: в процессе поиска места устойчивого КЗ и после проведения ремонтных работ устройство определяет и контролирует отсутствие (ликвидацию) КЗ в отключенной контактной сети.
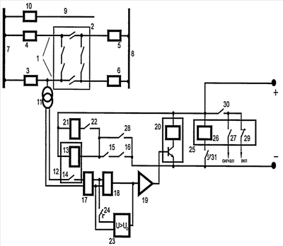
На чертеже представлена схема устройства, которое содержит контактную сеть 1 с постом секционирования 2, подключенную через выключатели 3, 4, 5, 6 к шинам 7 и 8 тяговых подстанций, линию продольного электроснабжения «Два провода-рельс (ДПР)» 9, подключенную через выключатель 10 к шине 7 тяговой подстанции, трансформатор 11 остаточного напряжения, подключенный к выключателю 3, реле запуска 12 с катушкой 13 и замыкающим контактом 14, подключенное к источнику питания «+» и «-» через последовательно включенные замыкающиеся контакты 15 и 16 реле-повторителей защит выключателя 3. Фильтр 17 снижает уровень высших гармонических составляющих в кривой остаточного напряжения, поступающего на вход фильтра 18 низкой частоты ФНЧ с зоной пропускания 0 48 Гц. Выход ФНЧ 18 соединен с входом усилителя 19, который своим выходом подключен к выходному реле 20 с замыкающим контактом 30. Параллельно катушке 13 реле запуска 12 включена катушка 21 реле времени и замыкающий контакт 22 реле повторителя отключенного положения выключателя 3. Компаратор 23 сравнения напряжения от трансформатора напряжения с заданным напряжением Uo подключается к выходу фильтра 18 высших гармонических составляющих через замыкающий с замедлением контакт 24 реле времени. Промежуточное реле 25 с катушкой 26 и тремя контактами: замыкающими 27 и 28 и размыкающим 29, через кнопку контроля устойчивого короткого замыкания, подключается к «+»- «-» источника питания. Устройство работает следующим образом.
При наличии электроподвижного состава и в случае проходящего КЗ отключаются выключатели 3, 4, 5, 6, запускается от защиты выключателя 3 (замыкаются контакты 15 и 16) реле запуска 12 и от трансформатора остаточного напряжения через контакт 14 подается напряжение на фильтр 17 (остаточное напряжение генерируется в контактную сеть фазорасщепителями ЭПС). Далее фильтр 18 ФНЧ определяет, что частота остаточного напряжения ниже 48 Гц и через усилитель 19 включает выходное реле 20 с замыкающим контактом 30, которое осуществляет быстродействующее автоматическое включение (БАПВ) выключателя 3 через контакт 29 (вкл).
Однако в этой же ситуации при отсутствии ЭПС на отключенном участке контактной сети остаточное напряжение будет равно нулю и тогда не ясно, или это результат устойчивого КЗ или отсутствия ЭПС.
В этом случае в изобретении используется эффект наведенного напряжения от линии продольного электроснабжения 27,5 кВ «Два провода-рельс (ДПР)» [2], расположенной на опорах контактной сети (с полевой стороны). Указанная линия предназначена для электроснабжения нетяговых потребителей сравнительно небольшой мощности, расположенных вдоль железной дороги. Поэтому наведенное напряжение определяется в основном электрическим влиянием, наведенное напряжение от магнитного влияния ДПР по опытным данным в 10 30 раз меньше, чем от электрического.
По опытным данным наведенное напряжение, замеренное трансформатором напряжения на различных участках контактной сети системы 25 и 2×5 кВ равно 2,6 7,1 кВ (при отсутствии устойчивого КЗ), а при КЗ на контактной сети не превышало 80 350 В (как результат магнитного влияния).
Таким образом, если после отключения выключателей 3, 4, 5, 6 остаточное напряжение отсутствует, то устройство работает следующим образом.
При отключенном выключателе 3 замыкается контакт 22 реле-повторителя отключенного состояния выключателя 3, катушка 21 реле времени подключается к источнику питания «+» и «-», реле времени срабатывает и замыкается его контакт 24. Таким образом, напряжение от трансформатора напряжения 11, который в этом случае контролирует наведенное напряжение в контактной сети от ДПР 9, через контакт 14, фильтр 17 и контакт 24 подается на компаратор 23. Компаратор должен определить: измеряемое напряжение больше указанного 80 350 В (с запасом принимается Uo=500 B)? Если – да, то КЗ отсутствует. В противном случае КЗ – устойчивое.
Итак, если напряжение U от трансформатора напряжения 11 больше Uo, то подается команда на выходное реле 20 через усилитель 19 и далее происходит включение выключателя 3 через контакты 30 и 29.
Если же U меньше Uo, то это значит К3 – устойчивое, и включение выключателя не произойдет.
Уставка реле времени на замыкание контакта 24 должна превышать время отключения выключателей 3, 4, 5, 6 от защит (с учетом их каскадного действия) и с запасом составляет 0,8 1 сек.
При устойчивом КЗ начинается поиск места КЗ. В этом случае остается отключенным участок от фидера с выключателем 3 и до поста секционирования, так как принимаем, что на этом участке устойчивое КЗ, остальные участки (от других выключателей 4, 5, 6 и до поста секционирования) включены в работу. Если устойчивое КЗ на другом участке, то процесс поиска не изменится (предполагается, что и на других выключателях будут установлены трансформаторы остаточного напряжения).
Последовательность поиска КЗ следующая.
Нажимают кнопку 31 (кнопка с западанием, то есть после нажатия она остается во включенном положении), срабатывает реле 25. Далее замыкается контакт 28, сработает реле 13 и при замкнутом контакте 22 сработает реле 21, замыкаются контакты 14, 24 и напряжение от трансформатора остаточного напряжения 11 подается на компаратор 23.
По команде энергодиспетчера по порядку отключаются продольные разъединители контактной сети от поста секционирования 2 в сторону выключателя 3, который остается отключенным [2, 3].
Если после отключения очередного разъединителя устойчивое КЗ не исчезает, то на входе компаратора нулевое напряжение, контакт 30 остается в отключенном положении и после контакта 27 отсутствует команда на сигнализацию. Напомним [2, 3], что при КЗ на контактной сети электрическая составляющая наведенного напряжения равна нулю, а магнитная составляющая наведенного напряжения от контактной сети смежного пути «гасится» фильтром 17.
Если после отключения очередного разъединителя КЗ исчезает, то это значит, что найдено место КЗ. В этом случае от наведенного напряжения срабатывает компаратор 23, далее выходное реле 20 замыкает контакт 30 и через замкнутый контакт 27 подается команда на схему срабатывания сигнализации, которая свидетельствует об отсутствии КЗ.
После ликвидации повреждения отключают кнопку 31.
Таким образом, окончательно алгоритм работы устройства следующий.
1 этап. 1. После отключения выключателей 3, 4, 5, 6 включаются в работу фильтры 17 и 18 и при наличии остаточного напряжения срабатывает выходное реле 20 и включается выключатель 3 по БАПВ.
2. Если же остаточное напряжение отсутствует, то через 0,6 1 сек подается напряжение на компаратор 23.
3. При U больше Uo через усилитель 19 дается команда на срабатывание выходного реле 20 и далее на включение выключателя 3.
2 этап. 4. При U меньше (или равно) Uo команда на включение выключателя 3 не подается (так как определен признак устойчивого КЗ в контактной сети). Если по БАПВ команда на включение выключателя подается через 0,5 сек, то при отсутствии ЭПС и проходящих КЗ команда на включение выключателя 3 будет подана несколько позже – через 0,8 1 сек. Но это не существенно – так как в этом случае нет потребителя – ЭПС в контактной сети.
3 этап. 5. После определения устойчивого КЗ, включается кнопка 31 и начинается процесс поиска и ликвидации КЗ. Срабатывание сигнализации свидетельствует об отсутствии КЗ в контактной сети.
6. По окончанию работы отключается кнопка 31 и восстанавливается нормальная схема питания.
Источники информации
1. Заявка на изобретение 2008111210. Устройство контроля короткого замыкания в контактной сети переменного тока (авторы Герман Л.А. и др.). Положительное решение от 11.03.2009.
2. Патент на изобретение 2339961 от 27.03.2007. Устройство контроля короткого замыкания в контактной сети (Герман Л.А. и др.).
3. Патент на полезную модель 77447 от 26.03.2008. Устройство контроля короткого замыкания в контактной сети переменного тока (Герман Л.А. и др.).
4. Герман Л.А., Герман В.Л. Диагностика аварийных ситуаций контактной сети переменного тока железных дорог. Электроника и электрооборудование транспорта. – 2008 г., 3, с.41-47.
5. Герман Л.А., Демидов С.В., Попов Д.С., Якунин Д.В. Простой способ поиска повреждения на контактной сети переменного тока. Локомотив. – 2008 г., 4. с.45 -46.
Формула изобретения
Устройство контроля короткого замыкания в контактной сети переменного тока, содержащее выходное реле с замыкающим контактом, контактную сеть и линию продольного электроснабжения 27,5 кВ «Два провода-рельс», подключенные через выключатели контактной сети к шинам тяговых подстанций, пост секционирования контактной сети, трансформатор остаточного напряжения, подключенный к одному из выключателей контактной сети, реле запуска, у которого первый вход катушки подключен через последовательно соединенные замыкающие контакты реле-повторителей защит к «-» источника питания, а второй вход – непосредственно к «+» источника питания, фильтр высших гармонических составляющих остаточного напряжения, вход которого подключен ко вторичной обмотке трансформатора остаточного напряжения через замыкающий с задержкой контакт реле запуска, фильтр низкой частоты (ФНЧ) с областью пропускания 0-40 Гц и усилитель, причем вход ФНЧ подключен к выходу фильтра для фильтрации высших гармонических составляющих остаточного напряжения, а выход ФНЧ – к входу усилителя, при этом выход усилителя подсоединен к входу выходного реле, компаратор, реле времени и замыкающий контакт реле-повторителя отключенного состояния выключателя контактной сети, к которому подключен трансформатор остаточного напряжения, причем цепь из последовательно соединенных катушки реле времени и замыкающего контакта реле-повторителя отключенного состояния выключателя подключается параллельно катушке реле запуска, а вход компаратора через замыкающий с замедлением контакт реле времени подключается к выходу фильтра для фильтрации высших гармонических составляющих, и выход компаратора подключается к входу усилителя, отличающийся тем, что введена цепь с последовательно соединенными катушкой промежуточного реле с тремя контактами и кнопкой контроля устойчивого короткого замыкания, подключенная к «+» – «-» источника питания, причем первый замыкающий контакт промежуточного реле шунтирует последовательно соединенные замыкающие контакты реле-повторителей защит, первые выводы второго замыкающего и третьего размыкающего контактов промежуточного реле через замыкающий контакт выходного реле подключены к «+» источника питания, а второй вывод второго замыкающего контакта подключен к схеме сигнализации устойчивого короткого замыкания, и второй вывод третьего размыкающего контакта подключен к схеме включения выключателя контактной сети, который соединен с трансформатором остаточного напряжения.
РИСУНКИ
|
|