|
|
(21), (22) Заявка: 2009127984/28, 20.07.2009
(24) Дата начала отсчета срока действия патента:
20.07.2009
(46) Опубликовано: 20.08.2010
(56) Список документов, цитированных в отчете о поиске:
RU 2028630 С1, 09.02.1995. RU 2205413 С1, 27.05.2003. FR 2125122 А6, 29.09.1972. SU 300839 А1, 01.01.1971.
Адрес для переписки:
607188, Нижегородская обл., г. Саров, пр. Мира, 37, ФГУП “РФЯЦ-ВНИИЭФ”, начальнику ОПИНТИ
|
(72) Автор(ы):
Гутников Анатолий Иванович (RU), Пикаева Лариса Анатольевна (RU), Давлетчин Дмитрий Зуфарович (RU)
(73) Патентообладатель(и):
Российская Федерация, от имени которой выступает Государственный заказчик – Государственная корпорация по атомной энергии “Росатом” (RU), Федеральное государственное унитарное предприятие “Российский федеральный ядерный центр – Всероссийский научно-исследовательский институт экспериментальной физики” – ФГУП “РФЯЦ-ВНИИЭФ” (RU)
|
(54) ПРЕОБРАЗОВАТЕЛЬ СОПРОТИВЛЕНИЯ В НАПРЯЖЕНИЕ
(57) Реферат:
Изобретение относится к информационно-измерительной технике и может быть использовано для преобразования изменения сопротивления резистивного первичного преобразователя температуры или деформации в напряжение. Преобразователь сопротивления в напряжение содержит три операционных усилителя, источник опорного напряжения, первый, второй, третий, четвертый, пятый, шестой, седьмой, восьмой и девятый резисторы, два диода, два резистивных делителя напряжения и резистор с изменяемым сопротивлением. При этом обеспечивается разделение функций и перенос функции усиления в схеме с Т-образным включением элементов (нелинейной за счет диода) на второй операционный усилитель. Введенная нелинейность за счет диода исключает напряжение насыщения (около 200 мВ) второго операционного усилителя из полного размаха выходного сигнала при однополярном питании операционных усилителей, не влияя на линейное усиление дифференциального сигнала резистора с изменяемым сопротивлением. Технический результат заключается в расширении динамического диапазона сверху и снизу при однополярном питании и сохранении метрологических характеристик. 3 ил.
Преобразователь сопротивления в напряжение относится к информационно-измерительной технике и может быть использован для преобразования изменения сопротивления резистивного первичного преобразователя температуры или деформации в напряжение.
Известен преобразователь сопротивления в напряжение (см. патент 2028630 C1, МПК G01R 27/00 «Преобразователь изменения сопротивления в напряжение», авторы Горбков А.Г., Малышев Г.В., Медников В.А., опубл. БИ 4, 09.02.95 г.), содержащий источник опорного напряжения, подключенный через первый резистор к первому выводу четвертого резистора и к инвертирующему входу операционного усилителя, неинвертирующий вход которого соединен через второй резистор с источником опорного напряжения и через третий резистор – с общей шиной, выход операционного усилителя через пятый резистор соединен со вторым выводом четвертого резистора и через шестой резистор – с общей шиной, выходы двух разнополярных источников питания подключены к соответствующим выводам питания операционного усилителя, четвертый резистор является резистором с изменяемым сопротивлением.
В известном преобразователе сопротивления в напряжение использован дифференциальный операционный усилитель с Т-образным включением четвертого, пятого и шестого резисторов в цепь отрицательной обратной связи.
Недостатками известного преобразователя сопротивления в напряжение являются:
– сложность за счет использования двух разнополярных источников питания и отдельного от них источника опорного напряжения отрицательной полярности. Только при этих условиях выходной сигнал положителен;
– небольшой диапазон выходного сигнала, обусловленный совмещением функции источника тока для резистора с изменяемым сопротивлением, функции большого усиления в Т-образной схеме включения резисторов в цепь отрицательной обратной связи операционного усилителя и функции балансировки в нуль при минимальном сопротивлении резистора с изменяемым сопротивлением одним и тем же операционным усилителем;
– высокая чувствительность выходного напряжения к изменению опорного напряжения при максимальном сопротивлении резистора с изменяемым сопротивлением за счет совмещения функции источника тока для резистора с изменяемым сопротивлением, функции большого усиления в T-образной схеме включения резисторов в цепь отрицательной обратной связи операционного усилителя и функции балансировки в нуль при минимальном сопротивлении резистора с изменяемым сопротивлением одним и тем же операционным усилителем.
Наиболее близким по технической сущности к предлагаемому изобретению является преобразователь сопротивления в напряжение (см. ж. Измерительная техника, 5, 1994 г., стр.49, «Экономичные варианты реализации преобразователей сопротивления в напряжение для резистивных датчиков», авторы Чье Ен Ун, С.Р.Симаков), содержащий два операционных усилителя, источник положительного напряжения питания, источник отрицательного напряжения питания, подключенные к выводам положительного и отрицательного питания операционных усилителей соответственно, источник опорного напряжения, выход первого операционного усилителя подключен через первый резистор к неинвертирующему входу второго операционного усилителя и через второй резистор – к общей шине, точка объединения первых выводов третьего и четвертого резисторов подключена к инвертирующему входу второго операционного усилителя, вторые их выводы подключены к выходам первого и второго операционных усилителей соответственно, точка объединения первых выводов пятого и шестого резисторов подключена к инвертирующему входу первого операционного усилителя, вторые выводы их подключены к источнику опорного напряжения и неинвертирующему входу второго операционного усилителя, неинвертирующий вход первого операционного усилителя подключен к общей шине, первый резистор является резистором с изменяемым сопротивлением.
В известном преобразователе сопротивления в напряжение использован операционный усилитель с T-образным включением первого, второго, шестого резисторов в цепь отрицательной обратной связи.
Недостатками известного преобразователя сопротивления в напряжение являются:
– сложность за счет использования двух разнополярных источников питания и отдельного от них источника опорного напряжения отрицательной полярности. Только при этих условиях выходной сигнал положителен;
– небольшой диапазон выходного сигнала, обусловленный совмещением функции источника тока для резистора с изменяемым сопротивлением и функции большого усиления в схеме с Т-образным включением резисторов в первом операционном усилителе и малым коэффициентом усиления сигнала (k=2) второго операционного усилителя, осуществляющего функцию балансировки в нуль при минимальном сопротивлении резистора с изменяемым сопротивлением;
– ограниченный динамический диапазон преобразования сопротивления за счет отсутствия кусочно-линейной аппроксимации передаточной функции преобразователя сопротивления в напряжение.
Технический результат, на достижение которого направлено изобретение, заключается в расширении динамического диапазона при однополярном питании и сохранении метрологических характеристик.
Для достижения технического результата в преобразователе сопротивления в напряжение, содержащем источник опорного напряжения, операционные усилители, выход первого операционного усилителя соединен через резистор с изменяемым сопротивлением с первым выводом первого резистора, второй вывод которого соединен с общей шиной, инвертирующий вход второго операционного усилителя подключен к точке объединения первых выводов второго и третьего резисторов, первые выводы четвертого и пятого резисторов объединены, новым является то, что дополнительно введены первый и второй резистивные делители напряжения, первый и второй диоды, шестой, седьмой, восьмой и девятый резисторы, третий операционный усилитель, инвертирующий вход которого соединен со вторым выводом четвертого резистора и анодом первого диода, катод которого через шестой резистор соединен с выходом третьего операционного усилителя и через седьмой резистор – с общей шиной, которая соединена со вторым выводом пятого резистора и через восьмой резистор – со вторым выводом третьего резистора и катодом второго диода, анод которого соединен с выходом второго операционного усилителя, неинвертирующий вход которого соединен с первым выводом пятого резистора и через девятый резистор – с выходом первого операционного усилителя, инвертирующий вход которого соединен с первым выводом первого резистора, а неинвертирующий вход с соединен с выходом первого резистивного делителя напряжения, первый вход которого соединен с общей шиной и отрицательными выводами питания операционных усилителей, а второй вход соединен с источником опорного напряжения, положительными выводами питания операционных усилителей и с первым входом второго резистивного делителя напряжения, второй вход которого соединен с общей шиной, а выход соединен с неинвертирующим входом третьего операционного усилителя, при этом второй вывод второго резистора подключен либо к неинвертирующему, либо к инвертирующему входу первого операционного усилителя.
В заявленном преобразователе сопротивления в напряжение использован операционный усилитель с T-образным включением восьмого, третьего резисторов и второго диода (нелинейного элемента вместо линейного резистора) в цепь отрицательной обратной связи.
Расширенный динамический диапазон при однополярном питании и сохранении метрологических характеристик обеспечивается разделением функций и переносом функции усиления в T-образной нелинейной за счет диода схеме на второй операционный усилитель. Функцию источника тока для резистора с изменяемым сопротивлением выполняет первый операционный усилитель с малым коэффициентом усиления (K 1,5) изменений опорного напряжения и напряжения смещения нуля первого операционного усилителя. При этом второй операционный усилитель является дифференциальным и подавляет синфазные изменения опорного напряжения и напряжения смещения нуля первого операционного усилителя, обеспечивая большое линейное усиление дифференциального сигнала резистора с изменяемым сопротивлением, расширяя тем самым динамический диапазон сверху на 70%. Введенная нелинейность за счет диода исключает напряжение насыщения (около 200 мВ) второго операционного усилителя из полного размаха выходного сигнала при однополярном питании операционных усилителей, не влияя на линейное усиление дифференциального сигнала с резистора с изменяемым сопротивлением. Указанные 200 мВ соответствуют расширению динамического диапазона снизу за счет уменьшения на 30% минимального значения преобразуемого сопротивления. Источник положительного напряжения питания и источник отрицательного напряжения питания исключены, а питание операционных усилителей производится от источника опорного напряжения.
В заявленном преобразователе сопротивления в напряжение резистор с изменяемым сопротивлением, первый, пятый, девятый и четвертый резисторы образуют измерительный мост с изменяемой чувствительностью при однополярном напряжении питания операционных усилителей. Четвертый резистор, второй резистивный делитель, третий операционный усилитель, первый диод, шестой и седьмой резисторы и соответствующие связи обеспечивают с измерительным мостом изменение чувствительности за счет кусочно-линейной передаточной функции высокой точности с четкой точкой излома при однополярном напряжении питания операционных усилителей. При этом динамический диапазон преобразуемого сопротивления сверху увеличивается на 70%.
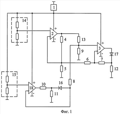
На фиг.1 представлен пример реализации функциональной схемы преобразователя сопротивления в напряжение. На фиг.2, 3 приведены диаграммы работы преобразователя сопротивления в напряжение.
Преобразователь сопротивления в напряжение (фиг.1) содержит источник опорного напряжения 1, первый 2 и второй 3 операционные усилители, резистор 4 с изменяемым сопротивлением, первый 5, второй 6, третий 7, четвертый 8, пятый 9, шестой 10, седьмой 11, восьмой 12 и девятый 13 резисторы, первый 14 и второй 15 резистивные делители напряжения, первый 16 и второй 17 диоды, третий операционный усилитель 18.
Выход первого операционного усилителя 2 соединен через резистор 4 с изменяемым сопротивлением со своим инвертирующим входом, первым выводом первого 5 резистора, вторым выводом второго 6 резистора и через девятый резистор 13 – с точкой объединения первых выводов четвертого 8 и пятого 9 резисторов и неинвертирующим входом второго операционного усилителя 3. Инвертирующий вход второго операционного усилителя 3 соединен с первыми выводами второго 6 и третьего 7 резисторов. Выход второго операционного усилителя 3 соединен с анодом второго диода 17, катод которого соединен со вторым выводом третьего резистора 7 и через восьмой резистор 12 – с общей шиной. Второй вывод четвертого резистора 8 соединен с анодом первого диода 16 и инвертирующим входом третьего операционного усилителя 18, выход которого через шестой резистор 10 соединен с катодом первого диода 16 и через седьмой резистор 11 – с общей шиной. Неинвертирующий вход третьего операционного усилителя 18 соединен с выходом второго резистивного делителя напряжения 15. Второй вход второго резистивного делителя напряжения 15 соединен с общей шиной, а первый вход соединен с источником опорного напряжения 1, вторым входом первого делителя напряжения 14 и положительными выводами питания операционных усилителей 2, 3 и 18. Первый вход первого резистивного делителя напряжения 14 соединен с общей шиной и отрицательными выводами питания операционных усилителей 2, 3 и 18, а выход соединен с неинвертирующим входом первого операционного усилителя 2. Второй вывод первого резистора 5 соединен с общей шиной.
Второй вывод второго резистора 6 подключен к инвертирующему входу, либо к неинвертирующему входу (не показано) первого операционного усилителя 2. Каждый из резистивных делителей напряжения 14, 15 выполнен на двух последовательно соединенных резисторах.
Резистор 12 фактически является сопротивлением нагрузки и может иметь сопротивление в диапазоне от сотен Ом до десятков кОм.
На фиг.2 и 3 приведены диаграммы работы преобразователя сопротивления в напряжение, где:
U12 – напряжение на выходе преобразователя сопротивления в напряжение при различных значениях сопротивления резистора 4 с изменяемым сопротивлением (фиг.2);
U200 U1000 – напряжения на выходе преобразователя сопротивления в напряжение при сопротивлениях резистора 4 от 200 до 1000 Ом с дискретностью 100 Ом (фиг.2);
UR1 UR8 – различные приращения напряжений на выходе преобразователя сопротивления в напряжение при приращении сопротивления резистора 4 на 100 Ом (фиг.2);
– напряжение смещения выхода сбалансированного резистором 13 в нуль преобразователя сопротивления в напряжение (при минимальном сопротивлении резистора 4 с изменяемым сопротивлением) (фиг.2);
U16 – напряжение на аноде диода 16, на инвертирующем входе третьего операционного усилителя 18 и подключаемом резисторе 8 измерительного моста (фиг.3);
U15 – напряжение на выходе второго резистивного делителя 15, являющееся опорным для точки перегиба передаточной характеристики (фиг.3);
U’200 U’600 – значения напряжения U16 на инвертирующем входе третьего операционного усилителя 18 и отключенном резисторе 8 измерительного моста при сопротивлениях резистора 4 от 200 до 600 Ом с дискретностью 100 Ом (фиг.3);
U’600 U’1000 – значения напряжения U16 на инвертирующем входе
третьего операционного усилителя 18 и подключенном резисторе 8 измерительного моста при сопротивлениях резистора 4 от 600 до 1000 Ом с дискретностью 100 Ом (фиг.3).
Преобразователь сопротивления в напряжение работает следующим образом.
Типовое значение напряжения насыщения выхода при однополярном питании однополярных операционных усилителей (LM124, 1401УД2А, 544УД7) и зависит от температуры окружающей среды. Это означает, что при отсутствии диода 17 (на фиг.2 не показано) в схеме с T-образным включением резисторов 7, 12 и диода 17 в цепи нелинейной обратной связи дифференциального операционного усилителя 3 напряжение смещения выхода преобразователя сопротивления в напряжение равно напряжению насыщения выхода операционного усилителя 3, т.е. .
Резисторы 4, 5, 13, 9 и 8 образуют резистивный мост, резисторы 4 и 5 которого, запитанные постоянным током операционного усилителя 2, обеспечивают линейное преобразование сопротивления резистора 4 с изменяемым сопротивлением при однополярном питании, резисторы 13, 9 и автоматически подключаемый операционным усилителем 18 на середине шкалы выходного напряжения резистор 8 обеспечивают четкую точку перегиба кусочно-линейной передаточной функции и расширение динамического диапазона. Напряжение на инвертирующем входе всегда равно напряжению на неинвертирующем входе операционного усилителя 2, следовательно, второй вывод резистора 6 может быть подключен к инвертирующему или неинвертирующему его входу при условии, что выходное сопротивление резистивного делителя 14 выбрано много меньшим сопротивления резистора 6.
Диапазон UR1 UR4 является растянутым, т.к. изменениям сопротивления резистора 4 с изменяемым сопротивлением соответствуют большие и равные приращения напряжений, диапазон UR5 UR8 является сжатым, т.к. тем же изменениям сопротивления резистора 4 с изменяемым сопротивлением соответствуют меньшие и равные приращения напряжения. При сопротивлении резистора 4, равном минимальному значению, резистором 13 преобразователь сопротивления в напряжение сбалансирован в нуль, т.е. за счет T-образного включения резисторов 7, 12 и диода 17 в цепь нелинейной обратной связи дифференциального операционного усилителя 3. Нелинейная обратная связь дифференциального операционного усилителя 3 необходима для достижения нулевого напряжения выхода (на катоде диода 17) и напряжения на аноде выше напряжения насыщения операционного усилителя 3. При последующем минимальном приращении дифференциального сигнала с резистивного моста (сопротивление резистора 4 увеличивается) второй диод 17 входит в насыщение, выходное сопротивление операционного усилителя 3 стремится к нулю, и, таким образом, осуществляется последующее линейное усиление дифференциального сигнала с коэффициентом усиления, равным отношению сопротивлений резисторов 7 и 6. Функцию источника тока для резистора 4 с изменяемым сопротивлением выполняет операционный усилитель 1, подключенный к резистивному делителю 14 и резистору 5. Величина тока через резистор 4 (IR4) с изменяемым сопротивлением постоянна и равна величине тока через резистор 5, т.к. напряжения на инвертирующем и неинвертирующем входах операционного усилителя 2 всегда равны.
Т.к. IR4 постоянный, то равным приращениям сопротивления резистора 4 с изменяемым сопротивлением соответствуют большие, но равные приращения выходного напряжения ( UR1= UR2= UR3= UR4) преобразователя сопротивления в напряжение (см. U200, U300, U400, U500, U600 на фиг.2) вплоть до точки перегиба, т.к. резистор 8 не включен в работу измерительного моста. Т.к. IR4 постоянный, то равным приращениям сопротивления резистора 4 с изменяемым сопротивлением соответствуют меньшие, но равные приращения выходного напряжения ( UR5= UR6= UR7= UR8) преобразователя сопротивления в напряжение (см. U600, U700, U800, U900, U1000 на фиг.2) после точки перегиба, где резистор 8 включен в работу измерительного моста. До точки перегиба высокое напряжение на выходе операционного усилителя 18 обеспечивается тем, что напряжение U15 на неинвертирующем входе операционного усилителя 18 больше напряжения U16 на его инвертирующем входе, при этом цепь отрицательной обратной связи операционного усилителя 18 оборвана, и он выполняет функцию компаратора напряжения. Этим высоким напряжением диод 16 заперт, резистор 8 отключен от измерительного моста, при этом чувствительность измерительного моста к приращениям сопротивления резистора 4 с изменяемым сопротивлением имеет достаточно высокое значение. Точка перегиба соответствует примерно середине шкалы выходного напряжения U12 и обеспечивается при достижении напряжением U16 величины «опорного» напряжения U15 на выходе второго резистивного делителя 15. При этом напряжения на инвертирующем и неинвертирующем входах третьего операционного усилителя 18 выравниваются, диод 16 открывается, замыкается цепь отрицательной обратной связи третьего операционного усилителя 18, превращающее его из компаратора в повторитель напряжения с низким выходным сопротивлением и выходным напряжением, равным «опорному» напряжению U15 на выходе второго резистивного делителя 15. При этом включается резистор 8 измерительного моста, шунтируется резистор 9, чувствительность измерительного моста уменьшается, тем самым уменьшается коэффициент передачи преобразователя сопротивления в напряжения. Резисторы 10 и 11 обеспечивает стабильную работу операционного усилителя 18 при переходе из режима компаратора в режим повторителя напряжения, вход и выход которого объединены через открытый второй диод 16.
Первый операционный усилитель 2 имеет малый коэффициент усиления (K 1,5) изменений опорного напряжения Uоп и напряжения смещения нуля первого операционного усилителя 2 за счет того, что сопротивление резистора 5 выбрано большим, чем максимальное сопротивление резистора 4 с изменяемым сопротивлением.
Второй операционный усилитель 3 является дифференциальным и подавляет синфазные изменения опорного напряжения и напряжения смещения нуля первого операционного усилителя 2, обеспечивая большое линейное усиление дифференциального сигнала резистора 4 с изменяемым сопротивлением.
Питание операционных усилителей 2, 3 и 18 производится от источника опорного напряжения 1.
В предлагаемом преобразователе сопротивления в напряжение расширен динамический диапазон сверху при однополярном питании и сохранении метрологических характеристик, обеспеченный разделением функций и переносом функции усиления в Т-образной нелинейной за счет диода 17 схеме на второй операционный усилитель 3. Функцию источника тока для резистора 4 с изменяемым сопротивлением выполняет первый операционный усилитель 2 с малым коэффициентом усиления (K 1,5) изменений опорного напряжения и напряжения смещения нуля первого операционного усилителя 2. При этом второй операционный усилитель 3 является дифференциальным и подавляет синфазные изменения опорного напряжения и напряжения смещения нуля первого операционного усилителя 2, обеспечивая большое линейное усиление дифференциального сигнала резистора 4 с изменяемым сопротивлением. Введенная нелинейность за счет диода 17 исключает напряжение насыщения (около 200 мВ) второго операционного усилителя 3 из полного размаха выходного сигнала при однополярном питании операционных усилителей 2 и 3, не влияя на линейное усиление дифференциального сигнала резистора 4 с изменяемым сопротивлением, расширяя тем самым динамический диапазон снизу.
Дальнейшее расширение динамического диапазона сверху при однополярном питании и сохранении метрологических характеристик обеспечивается введением измерительного моста с изменяемой чувствительностью вновь введенными резистором 8, вторым резистивным делителем 15, третьим операционным усилителем 18, первым диодом 16, резисторами 10, 11 и соответствующими связями при однополярном напряжении питания операционных усилителей 2, 3 и 18.
Вновь введенные элементы и связи обеспечивают с измерительным мостом кусочно-линейную передаточную функцию высокой точности и четкой точкой излома при однополярном напряжении питания операционных усилителей.
При необходимости учет сопротивлений соединяющих проводников (r1, r2) для резистора 4 с изменяемым сопротивлением в данной схеме преобразователя сопротивления в напряжение может быть осуществлен вводом петли (rп) последовательно между выводом резистора 16 и точкой объединения выхода первого операционного усилителя с резистором 4 с изменяемым сопротивлением, повторяющей параметры соединяющих проводников и проходящей вместе с ними (rп r1+r2). Подобная трехпроводная схема компенсации описана в журнале Измерительная техника, 5, 1994 г., стр.49 «Экономичные варианты реализации преобразователей сопротивления в напряжение для резистивных датчиков», авторы Чье Ен Ун, С.Р.Симаков.
Испытания макета преобразователя сопротивления в напряжение подтвердили его работоспособность, сохранение метрологических характеристик и заявленные преимущества в диапазоне рабочих температур от -40 до +50°C.
Формула изобретения
Преобразователь сопротивления в напряжение, содержащий источник опорного напряжения, два операционных усилителя, выход первого операционного усилителя соединен через резистор с изменяемым сопротивлением с первым выводом первого резистора, второй вывод которого соединен с общей шиной, инвертирующий вход второго операционного усилителя подключен к точке объединения первых выводов второго и третьего резисторов, первые выводы четвертого и пятого резисторов объединены, отличающийся тем, что дополнительно введены первый и второй резистивные делители напряжения, первый и второй диоды, шестой, седьмой, восьмой и девятый резисторы, третий операционный усилитель, инвертирующий вход которого соединен со вторым выводом четвертого резистора и анодом первого диода, катод которого соединен через шестой резистор с выходом третьего операционного усилителя и через седьмой резистор с общей шиной, которая соединена со вторым выводом пятого резистора и через восьмой резистор со вторым выводом третьего резистора и катодом второго диода, анод которого соединен с выходом второго операционного усилителя, неинвертирующий вход которого соединен с первым выводом пятого резистора и через девятый резистор с выходом первого операционного усилителя, инвертирующий вход которого соединен с первым выводом первого резистора, а неинвертирующий вход соединен с выходом первого резистивного делителя напряжения, первый вход которого соединен с общей шиной и отрицательными выводами питания операционных усилителей, а второй вход соединен с источником опорного напряжения, положительными выводами питания операционных усилителей и с первым входом второго резистивного делителя напряжения, второй вход которого соединен с общей шиной, а выход соединен с неинвертирующим входом третьего операционного усилителя, при этом второй вывод второго резистора подключен либо к инвертирующему, либо к неинвертирующему входу первого операционного усилителя.
РИСУНКИ
|
|