|
|
(21), (22) Заявка: 2009103734/28, 04.02.2009
(24) Дата начала отсчета срока действия патента:
04.02.2009
(46) Опубликовано: 20.08.2010
(56) Список документов, цитированных в отчете о поиске:
SU 742801 А, 25.06.1980. RU 2308039 C1, 10.10.2007. RU 2244311 C1, 10.01.2005. RU 2189046 C1, 10.09.2002. RU 2098833 C1, 10.12.1997. DE 3828307 A1, 01.03.1990. EP 1278068 A2, 22.01.2003.
Адрес для переписки:
300600, г.Тула, пр. Ленина, 92, ТулГУ, патентно-лицензионный сектор
|
(72) Автор(ы):
Кулешов Владимир Вениаминович (RU), Кулешов Дмитрий Владимирович (RU)
(73) Патентообладатель(и):
Государственное образовательное учреждение высшего профессионального образования ТУЛЬСКИЙ ГОСУДАРСТВЕННЫЙ УНИВЕРСИТЕТ (ТулГУ) (RU)
|
(54) КОМПЕНСАЦИОННЫЙ АКСЕЛЕРОМЕТР
(57) Реферат:
Изобретение предназначено для применения в качестве чувствительного элемента в системах стабилизации и навигации и может найти применение в приборах измерения механических величин компенсационного типа. Акселерометр содержит чувствительный элемент, датчик угла, интегрирующий усилитель обратной связи, датчик момента, электронный ключ, пороговый элемент, дополнительный интегрирующий усилитель и две отрицательные обратные связи. Одна, с выхода датчика угла на вход сумматора через последовательно соединенные по информационным входам: интегрирующий усилитель, фазовый детектор отрицательной обратной связи, преобразователь напряжение-ток, другая, с выхода фазового детектора отрицательной обратной связи на вход сумматора через последовательно соединенные по информационным входам: сглаживающий фильтр, дополнительный интегрирующий усилитель, компаратор, преобразователь уровня, пару ждущих синхронных генераторов, реверсивный двоичный счетчик, схему сравнения, пороговый элемент, электронный ключ, вход которого соединен с выходом генератора тока. Введение двух отрицательных обратных связей позволяет создать устройство, работающее в автоколебательном режиме, с астатизмом по отклонению и с расширенной полосой пропускания. 5 ил.
Изобретение относится к измерительной технике и предназначено для использования в приборах компенсационного типа с дискретным выходом в системах стабилизации, навигации и наведения. Оно может найти применение в приборах для измерения механических величин компенсационного типа.
Известно устройство для измерения ускорений (патент РФ 2098833, кл. 6 G01P 15/13, опубл. 10.12.97), содержащее чувствительный элемент, включающий в себя два неподвижных электрода и подвижную пластину, три усилителя, два резистора, при этом выход первого усилителя подключен к первому резистору, а вход второго усилителя соединен со вторым резистором и является выходом устройства. Для повышения помехоустойчивости при воздействии электрических помех в него введен источник опорного напряжения, генератор электрического сигнала, две транзисторные пары, три резистора, два конденсатора, позволяющих за счет охвата усилителя отрицательной обратной связью осуществлять компенсацию электрических помех.
Недостатком данного устройства является низкая точность измерения, так как выбор коэффициента усиления с жесткой отрицательной обратной связи ограничен условием устойчивости системы.
Наиболее близким по техническому решению является устройство (описанное в АС 742801, опубл. в бюл. изобретений 23, 1980), содержащее чувствительный элемент, датчик угла, интегрирующий усилитель обратной связи, датчик момента, дополнительный интегрирующий усилитель, электронный ключ, пороговый элемент, причем первый выход датчика угла подключен через интегрирующий усилитель обратной связи к датчику момента, а второй выход датчика угла через пороговый элемент и дополнительный интегрирующий усилитель подключен к управляющему входу электронного ключа.
Недостатком подобного устройства является низкая точность измерения, обусловленная точностью работы интегрирующих аналоговых усилителей и порогового элемента. Кроме того, точность измерения зависит от параметров схемы электронного ключа, осуществляющего выборку информации. Основная погрешность устройства связана с конечностью времени заряда конденсатора интегрирующего усилителя. Эта погрешность приводит к апертурной ошибке, свойственной подобной схеме выборки и обработки информации.
Задачей настоящего изобретения является расширение полосы пропускания компенсационного акселерометра и повышение точности измерения.
Это достигается за счет того, что в компенсационный акселерометр, содержащий чувствительный элемент, угловое положение которого фиксируется датчиком угла, интегрирующий усилитель, датчик момента, электронный ключ, пороговый элемент, дополнительный интегрирующий усилитель, включенные в отрицательную обратную связь, введены отрицательные обратные связи, одна с выхода датчика угла на вход сумматора через последовательно соединенные по информационным входам интегрирующий усилитель, фазовый детектор отрицательной обратной связи, преобразователь напряжение-ток, другая, с выхода фазового детектора отрицательной обратной связи на вход сумматора через последовательно соединенные по информационным входам сглаживающий фильтр, дополнительный интегрирующий усилитель, компаратор, преобразователь уровня, пару ждущих синхронных генераторов, реверсивный двоичный счетчик, схему сравнения, пороговый элемент, электронный ключ, вход которого соединен с выходом генератора тока, второй вход схемы сравнения соединен с выходом суммирующего двоичного счетчика, и дополнительные входы компаратора, ждущих синхронных генераторов, суммирующего двоичного счетчика, реверсивного двоичного счетчика соединены с выходом генератора вспомогательной частоты, дополнительные входы датчика угла, фазового детектора отрицательной обратной связи соединены с выходом генератора опорного напряжения, а выход сумматора соединен с входом датчика момента, выходы с реверсивного двоичного счетчика и преобразователя напряжение-ток являются соответственно цифровым и аналоговым выходом компенсационного акселерометра.
Введение в компенсационный акселерометр двух отрицательных обратных связей позволяет создать устройство, работающее в автоколебательном режиме, с астатизмом по отклонению и с расширенной полосой пропускания.
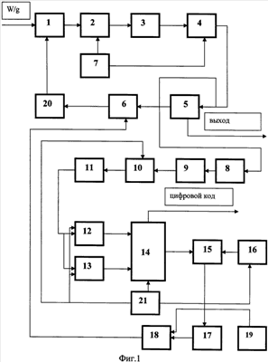
На фиг.1 изображена функциональная схема компенсационного акселерометра; на фиг.2 – структурная схема компенсационного акселерометра; на фиг.3 – 5 – переходные процессы в компенсационном акселерометре при единичном входном воздействии разного знака.
Компенсационный акселерометр содержит чувствительный элемент 1, угловое отклонение которого фиксирует датчик угла 2. Выход датчика угла 2 соединен с входом интегрирующего усилителя 3. Выход интегрирующего усилителя 3 соединен с входом фазового детектора отрицательной обратной связи 4 (ФДООС), а выход ФДООС 4 соединен с входом преобразователя напряжение-ток 5, выход которого соединен с входом сумматора 6. Дополнительные входы датчика угла 2, ФДООС 4 соединены с выходом генератора опорного напряжения 7 (ГОН). Выход ФДООС 4 соединен с входом сглаживающего фильтра 8, выход которого соединен с входом дополнительного интегрирующего усилителя 9. Выход дополнительного интегрирующего усилителя 9 соединен с входом компаратора 10. Выход компаратора 10 соединен с входом преобразователя уровня 11, выходы которого соединены с входами пары ждущих синхронных генераторов (ЖСГ) 12 и 13. Выходы ЖСГ 12 и 13 соединены с входами реверсивного двоичного счетчика 14. Выход реверсивного двоичного счетчика 14 соединен с входом схемы сравнения 15. Другой вход схемы сравнения 15 соединен с выходом суммирующего двоичного счетчика 16. Выход схемы сравнения 15 соединен с входом порогового элемента 17. Выход порогового элемента 17 соединен с входом электронного ключа 18, другой вход электронного ключа 18 соединен с выходом генератора тока 19. Выход электронного ключа 18 соединен с входом сумматора 6. Выход сумматора 6 соединен с входом датчика момента 20. Дополнительные входы компаратора 10, ЖСГ 12 и 13, реверсивного двоичного счетчика 14, суммирующего двоичного счетчика 16 соединены с выходом генератора вспомогательной частоты 21.
Внутреннее содержание ФДООС, компаратора, ждущих синхронных генераторов, реверсивного двоичного счетчика, схемы сравнения, порогового элемента, суммирующего двоичного счетчика, преобразователя уровня, сумматора, интегрирующих усилителей, сглаживающего фильтра и преобразователя напряжение-ток приведены в кн.: П.Хоровиц, У.Хилл. Искусство схемотехники. М.: Мир, т.1-3, 1993.
Компенсационный акселерометр работает следующим образом.
При действии ускорения W на чувствительный элемент 1, выполненный в виде маятника, действует инерционный момент, равный mlW (l, m – длинна и масса маятника). Под действием этого момента происходит отклонение чувствительного элемента 1, которое фиксируется датчиком угла 2, обмотки, возбуждения которого соединены с выходом ГОН 7. Сигнал с датчика угла 2, после усиления интегрирующим усилителем 3, поступает на вход ФДООС 4. С помощью ФДООС 4 и ГОН 7 выделяется фаза отклонения чувствительного элемента 1, и на выходе ФДООС 4 сигнал всегда будет в противофазе отклонения чувствительного элемента 1. Сигнал с выхода ФДООС 4, в виде напряжения, поступает на вход преобразователя напряжение-ток 5, а затем на вход сумматора 6. Другой выход ФДООС 4 соединен с входом сглаживающего фильтра 8, который осуществляет стабилизацию параметров компенсационного акселерометра. Сигнал с выхода сглаживающего фильтра 8, в виде напряжения, поступает на вход дополнительного интегрирующего усилителя 9, и после усиления, на вход компаратора 10. В компараторе 10 происходит сравнение сигнала с выхода дополнительного интегрирующего усилителя 9 с сигналом, выделенного стабильного по частоте и амплитуде сигнала с выхода генератора вспомогательной частоты 21. Если сигнал с выхода интегрирующего усилителя 9 будет больше треугольного напряжения с выхода генератора вспомогательной частоты 21, то на выходе компаратора 10 будет высокий логический уровень, если меньше, то на выходе компаратора 10 – низкий логический уровень. Уровень сигнала с выхода компаратора 10 зависит от фазы отклонения чувствительного элемента 1. Сигнал с выхода компаратора 10, в виде уровня, поступает на вход преобразователя уровня 11, а затем на входы ждущих синхронных генераторов 12 и 13, которые, с помощью генератора вспомогательной частоты 21, выдают сигналы в виде импульса, на каждое воздействие входного сигнала (с выхода преобразователя уровня 11), равного “1”. Реверсивный двоичный счетчик 14, по сигналу с генератора вспомогательной частоты 21, производит подсчет единичных импульсов, поступающих с выхода ждущего синхронного генератора 12 и вычитание импульсов, поступающих с выхода ждущего синхронного генератора 13. Реверсивный двоичный счетчик 14 положительную информацию представляет в прямом коде, а отрицательную – в дополнительном коде, и преобразование дополнительного кода осуществляется схемой сравнения 15 и суммирующим двоичным счетчиком 16. После логического сравнения сигналов в схеме сравнения 15 сигнал с выхода 15 поступает на вход порогового элемента 17, а затем, в виде уровня, на вход электронного ключа 18. Стабилизацию параметров электронного ключа 18 осуществляет генератор тока 19. На выходе электронного ключа 18 будут импульсы, число которых пропорционально двоичному коду, поступающему на вход схемы сравнения 15. На вход датчика момента 20 поступает сигнал с выхода сумматора 6, один вход которого соединен с выходом электронного ключа 18, а другой вход – с выходом преобразователя напряжение-ток 5. Сигнал с выхода сумматора 6, поступающий на обмотку датчика момента 20, будет со знаком знакового разряда реверсивного двоичного счетчика 14. Выход реверсивного двоичного счетчика 14 является выходом цифрового кода компенсационного акселерометра, а выход с преобразователя напряжение-ток 5 – аналоговым выходом компенсационного акселерометра.
Введение в компенсационный акселерометр отрицательных обратных связей, одна отрицательная интегрирующая обратная связь с выхода фазового детектора отрицательной обратной связи на один из входов сумматора через последовательно соединенных по информационным входам: сглаживающий фильтр, дополнительный интегрирующий усилитель, компаратор, преобразователь уровня, ждущие синхронные генераторы, реверсивный двоичный счетчик, схему сравнения, пороговый элемент, электронный ключ, другая с выхода датчика угла на вход сумматора через последовательно соединенные по информационным входам интегрирующий усилитель, фазовый детектор отрицательной обратной связи преобразователь напряжение-ток позволяет создать компенсационный акселерометр с астатизмом по отклонению, а реализация автоколебательного режима в другой отрицательной обратной связи – расширить полосу пропускания.
Технический результат был проверен путем моделирования компенсационного акселерометра, которое осуществлено в соответствии со структурной схемой, представленной на фиг.2, и результаты моделирования приведены на фиг.3 – 5 (при входном воздействии разного знака). Из анализа моделирования следует, что компенсационный акселерометр с реализованными обратными связями устойчив, и в интегрирующей отрицательной обратной связи реализуется относительный цифровой код, пропорциональный входному воздействию.
Формула изобретения
Компенсационный акселерометр, содержащий чувствительный элемент, угловое положение которого фиксируется датчиком угла, интегрирующий усилитель, датчик момента, электронный ключ, пороговый элемент, дополнительный интегрирующий усилитель, включенные в отрицательную обратную связь, отличающийся тем, что в него введены отрицательные обратные связи, одна – с выхода датчика угла на вход сумматора через последовательно соединенные по информационным входам интегрирующий усилитель, фазовый детектор отрицательной обратной связи, преобразователь напряжение-ток, другая – с выхода фазового детектора отрицательной обратной связи на вход сумматора через последовательно соединенные по информационным входам сглаживающий фильтр, дополнительный интегрирующий усилитель, компаратор, преобразователь уровня, пару ждущих синхронных генераторов, реверсивный двоичный счетчик, схему сравнения, пороговый элемент, электронный ключ, вход которого соединен с выходом генератора тока, второй вход схемы сравнения соединен с выходом суммирующего двоичного счетчика, и дополнительные входы компаратора, ждущих синхронных генераторов, реверсивного двоичного счетчика и суммирующего двоичного счетчика соединены с генератором вспомогательной частоты, дополнительные входы датчика угла, фазового детектора отрицательной обратной связи соединены с выходом генератора опорного напряжения, и выход сумматора соединен с входом датчика момента, выходы с реверсивного двоичного счетчика и преобразователя напряжение-ток являются соответственно цифровым и аналоговым выходом компенсационного акселерометра.
РИСУНКИ
|
|