|
|
(21), (22) Заявка: 2008137451/28, 22.09.2008
(24) Дата начала отсчета срока действия патента:
22.09.2008
(43) Дата публикации заявки: 27.03.2010
(46) Опубликовано: 20.08.2010
(56) Список документов, цитированных в отчете о поиске:
SU 1434358 A1, 30.10.1988. SU 670875 A1, 30.06.1979. RU 2248498 C1, 20.03.2005. RU 2097649 С1, 27.11.1997.
Адрес для переписки:
119048, Москва, ул. Усачева, 35, ЗАО “НИИИН МНПО “Спектр”
|
(72) Автор(ы):
Федосенко Юрий Кириллович (RU), Махов Виктор Михайлович (RU)
(73) Патентообладатель(и):
ЗАО НИИИН МНПО “Спектр” (RU)
|
(54) ЭЛЕКТРОМАГНИТНЫЙ ДЕФЕКТОСКОП ДЛЯ ОБНАРУЖЕНИЯ КОРРОЗИОННЫХ ПОВРЕЖДЕНИЙ СТЕНОК ФЕРРОМАГНИТНЫХ КОНСТРУКЦИЙ
(57) Реферат:
Изобретение относится к области неразрушающего контроля деталей, узлов и конструкций из ферромагнитных марок сталей. Устройство содержит: генератор; трансформаторный накладной преобразователь, содержащий возбуждающую, измерительную, компенсационную и дополнительную измерительную обмотки, образующие две дифференциальные измерительные пары; фазометр, первые, вторые и третьи каскады усилителей; амплитудный детектор, четыре цифроаналоговых преобразователя; четыре сумматора; цифровой индикатор; мультиплексор; аналого-цифровой преобразователь; микропроцессорный контроллер. Техническим результатом изобретения является повышение чувствительности дефектоскопа к протяженным коррозионным повреждениям, расположенным как на наружной, так и на внутренней сторонах стенки конструкции. 1 ил.
Предлагаемое изобретение относится к области неразрушающего контроля (НК) деталей, узлов и конструкций из ферромагнитных марок сталей.
Известно устройство для вихретокового контроля коррозионных повреждений ферромагнитных изделий, содержащее последовательно соединенные генератор, трансформаторный преобразователь накладного типа, включающий возбуждающую, измерительную и компенсационную катушки индуктивности и фазометр, соединенный своим вторым входом через фазовращатель с генератором и индикатором [1].
Недостатком такого устройства является низкая информативность контроля, так как устройство не позволяет обнаруживать протяженные коррозионные повреждения с плавными заходными зонами из-за использования дифференциального преобразователя.
Наиболее близким к предлагаемому изобретению является устройство для вихретокового контроля коррозионных повреждений металлических изделий, содержащее последовательно соединенные генератор, трансформаторный накладной преобразователь, включающий возбуждающую, измерительную, компенсационную и дополнительную измерительную катушки индуктивности, образующие две дифференциальные измерительные пары, первая из которых связана с фазометром, а вторая – с компенсатором, подключенным вторым входом к генератору, усилителем, вторым фазометром, выходы фазометров через сумматор соединяются с индикатором, а вторые их входы через фазовращатели с генератором [2].
К числу недостатков этого устройства можно отнести низкую чувствительность к подповерхностным дефектам из-за применения накладного вихретокового преобразователя, у которого существенное влияние на глубину проникновения электромагнитного поля в контролируемую среду оказывает геометрический фактор (ослабление поля с ростом расстояния от торца преобразователя).
Целью данного изобретения является повышение чувствительности дефектоскопа к протяженным коррозионным повреждениям, расположенным как на наружной, так и внутренней сторонам стенки конструкции.
Эта цель достигается за счет того, что дефектоскоп дополнительно снабжен амплитудным детектором, мультиплексором, аналого-цифровым преобразователем, двумя трехкаскадными усилителями, тремя сумматорами, четырьмя цифро-аналоговыми преобразователями, микропроцессорным программно управляемым контроллером; дополнительная измерительная обмотка размещается за пределами обмотки возбуждения на расстояние трех ее диаметров, дополняется второй компенсационной обмоткой, располагаемой над измерительной и образующей вторую дифференциальную пару с осью, перпендикулярной оси возбуждающей обмотки; измерительные каналы дифференциальных пар выполняются параллельными, состоящими из последовательно включенных первого каскада усилителя; фазометра в первом канале или амплитудного детектора во втором, первого сумматора, второго каскада усилителя, второго сумматора, третьего каскада усилителя, при этом сумматоры своими вторыми входами подключаются к выходам цифроаналоговых преобразователей, выходы амплитудного детектора, фазометра, вторых и третьих каскадов усилителей через мультиплексор соединяются с входом аналого-цифрового преобразователя, микропроцессорный контроллер через адресную шину и шину данных связан с генератором, цифроаналоговыми и аналого-цифровым преобразователями, мультиплексором, третьими каскадами усилителей, а функции двухтактной компенсации, автоматического регулирования усиления и кусочно-линейной аппроксимации выполняются контроллером программно.
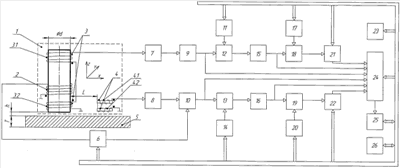
На чертеже представлена структурная схема дефектоскопа. Дефектоскоп состоит из трансформаторного накладного преобразователя 1, содержащего возбуждающую 2 и две дифференциальные пары измерительных 3.1 и 3.2; 4.1 и 4.2 обмоток, из которых 3.2 и 4.2 – измерительные, 3.1; 4.1 – компенсационные, контролируемого изделия 5, генератора 6, первых каскадов усилителей 7, 8, амплитудного детектора 9, фазометра 10, цифроаналоговых преобразователей (ЦАП) 11, 14, 17, 20, сумматоров 12, 13, 18, 19, вторых 15, 16 и третьих 21, 22 каскадов усилителей, цифрового индикатора 23, мультиплексора 24, аналого-цифрового преобразователя (АЦП) 25, микропроцессорного контроллера 26.
Измерительные пары обмоток 3.2 и 3.1; 4.2 и 4.1 включены встречно. Измерительные обмотки 4.2, 4.1 размещаются за пределами обмотки возбуждения 2 на расстояние L, равное трем диаметрам обмотки 2 (L=3d). Оси катушек 2 и 4 взаимно перпендикулярны. Благодаря этому электромагнитное поле преобразователя в зоне расположения измерительной пары обмоток 4.2 и 4.1 содержит в основном продольную составляющую напряженности Hx, величина которой снижается по толщине Т стенки контролируемого изделия в основном только за счет скин-эффекта (влияние геометрического фактора в значительной степени подавлено). Влияние скин-эффекта ослабляют за счет выбора электромагнитного поля низкой частоты (f=10-200 Гц). При этом такое расположение обмоток 4.2 и 4.1 выполняет роль компенсатора начальной ЭДС преобразователя, обусловленной ортогональной составляющей Hz обмотки возбуждения 2.
Электромагнитное поле в зоне расположения измерительных обмоток 2.1 и 2.2 содержит все три составляющие напряженности поля Нх, Ну, Hz, причем существенный вклад вносит вертикальная составляющая Hz. Ее величина по направлению Z в значительной мере зависит от диаметра обмотки возбуждения и расстояния h, и поэтому в этой зоне поле проникает в контролируемое изделие на небольшую глубину.
Электромагнитный дефектоскоп работает следующим образом.
С помощью возбуждающей обмотки 2 в контролируемом изделии 5 возбуждается низкочастотное электромагнитное поле, которое распространяется по толщине Т контролируемого изделия 5 в разных его зонах по-разному. В зоне расположения измерительной пары 3.2 и 3.1 поле проникает в основном в поверхностные и подповерхностные слои объекта контроля, а в зоне расположения измерительной пары 4.2 и 4.1 – на всю толщину Т, ослабляясь только за счет скин-эффекта. Поэтому сигналы измерительной пары 3.2 и 3.1 несут информацию о появлении коррозионных повреждений на наружной (относительно электромагнитного преобразователя 1) стороне стенки изделия, а сигналы обмоток 4.2 и 4.1 – о коррозионных повреждениях как наружной, так и внутренней сторон. По этой причине в измерительном канале обмоток 3.2 и 3.1 измеряется амплитуда сигнала, в измерительном канале обмоток 4.2 и 4.1 – фаза. Информативные сигналы обмоток 3.2 и 3.1; 4.2 и 4.1, усиленные в первых каскадах усилителей 7 и 8, поступают соответственно на амплитудный детектор 9 и фазомер 10, на выходе которых измеренные амплитуда и соответственно фаза преобразуются в постоянное напряжение. На бездефектном участке контролируемого изделия эти напряжения компенсируются на сумматорах 12 и 13, на вторые входы которых подаются компенсирующие напряжения, формируемые с помощью ЦАП’ов 11,14 после измерения АЦП 25 компенсируемых напряжений. Недокомпенсированные напряжения поступают далее на вторые каскады усилителей 15, 16 и вторым тактом компенсируются с помощью сумматоров 18,19, ЦАП”ов 17, 20, АЦП 25. Выбор компенсируемого напряжения производится с помощью мультиплекатора 24. Далее измеряемые напряжения подаются на третьи каскады усилителей 21, 22 и измеряются АЦП для дальнейшей обработки в микропроцессорном контроллере 26, включая линеаризацию зависимостей измеряемых напряжений от глубины коррозионного повреждения с использованием кусочно-линейной аппроксимации, а также коррекцию показаний фазового канала в соответствии с величиной сигнала канала амплитудного, за счет чего выравнивается чувствительность фазового канала к внутренним и наружным коррозионным повреждениям стенок изделия. Все операции, связанные с выбором частоты генератора 6, с двухтактной компенсацией информативных сигналов, выбором измеряемого с помощью АЦП 25 напряжения, автоматической регулировкой усиления третьих каскадов усилителей 22, 23, линеаризацией функциональных зависимостей Uвыx=f(Т), управлением цифровым индикатором 23, производятся в микропроцессрном контроллере программно. Осуществление двухтактной компенсации существенно повышает чувствительность дефектоскопа к толщине стенки изделия, а значит к глубине поражения коррозией металла изделия.
Источники информации
1. Дефектоскопия, 1968, 5, с.113.
2. Авт. свид. 838545, G01 27/90. Опубликовано 15.06.81, Бюллетень 22.
Формула изобретения
Электромагнитный дефектоскоп для обнаружения коррозионных повреждений стенок ферромагнитных конструкций, содержащий последовательно соединенные генератор, трансформаторный накладной преобразователь, включающий возбуждающую, измерительную, компенсационную и дополнительную измерительную обмотки, образующие две дифференциальные измерительные пары, первая из которых связана с фазометром, а вторая – с усилителем, выход фазометра через сумматор соединяются с индикатором, а второй его вход – с генератором, отличающийся тем, что, с целью повышения чувствительности и информативности контроля, дефектоскоп дополнительно снабжен амплитудным детектором, мультиплексором, аналого-цифровым преобразователем, двумя трехкаскадными усилителями, тремя сумматорами, четырьмя цифроаналоговыми преобразователями, микропроцессорным программно управляемым контроллером; дополнительная измерительная обмотка размещается за пределами обмотки возбуждения на расстояние трех ее диаметров, дополняется второй компенсационной обмоткой, располагаемой над измерительной и образующей вторую дифференциальную пару с осью, перпендикулярной оси возбуждающей обмотки; измерительные каналы дифференциальных пар выполняются параллельными, состоящими из последовательно включенных первого каскада усилителя, фазометра в первом канале и амплитудного детектора во втором, первого сумматора, второго каскада усилителя, второго сумматора, третьего каскада усилителя; сумматоры своими вторыми входами подключаются к выходам цифроаналоговых преобразователей, выходы амплитудного детектора, фазометра, вторых и третьих каскадов усилителей через мультиплексор соединяются с входом аналого-цифрового преобразователя; микропроцессорный контроллер через адресную шину и шину данных связан с генератором, цифроаналоговыми и аналого-цифровым преобразователями, мультиплексором, третьими каскадами усилителей, а функции двухтактной компенсации, автоматического регулирования усиления и кусочно-линейной аппроксимации выполняются в контроллере программно.
РИСУНКИ
|
|