|
|
(21), (22) Заявка: 2009121632/28, 08.06.2009
(24) Дата начала отсчета срока действия патента:
08.06.2009
(46) Опубликовано: 20.08.2010
(56) Список документов, цитированных в отчете о поиске:
Калужских А.Н. Шаровые краны: контроль герметичности в условиях действующей компрессорной станции магистрального газопровода. Обзор. информ. Сер. Транспорт и подземное хранение газа. – М.: ООО «ИРЦ Газпром», 2002, с.29-33, рис.9. SU 14121 А1, 31.03.1930. RU 2222791 С2, 27.01.2004. SU 887958 А1, 07.12.1981.
Адрес для переписки:
117218, Москва, ул. Кржижановского, 21/33, корп.1, ООО “ГАЗПРОМЭНЕРГОДИАГНОСТИКА”
|
(72) Автор(ы):
Аксютин Олег Евгеньевич (RU), Власов Сергей Викторович (RU), Горяев Юрий Анатольевич (RU), Дудов Александр Николаевич (RU), Егурцов Сергей Алексеевич (RU), Митрохин Михаил Юрьевич (RU), Пиксайкин Роман Владимирович (RU), Салюков Вячеслав Васильевич (RU), Степаненко Александр Иванович (RU), Хороших Андрей Валентинович (RU)
(73) Патентообладатель(и):
ОБЩЕСТВО С ОГРАНИЧЕННОЙ ОТВЕТСТВЕННОСТЬЮ “ГАЗПРОМЭНЕРГОДИАГНОСТИКА” (RU)
|
(54) ИСПЫТАТЕЛЬНЫЙ СТЕНД ШАРОВЫХ КРАНОВ (ВАРИАНТЫ)
(57) Реферат:
Изобретения относятся к испытательной технике и могут быть использованы для определения величин протечек шаровых кранов запорно-регулирующей арматуры (ЗРА) магистрального газопровода (МГ). Существо изобретений заключается в том, что с помощью пневматических элементов создается модель МГ в виде испытательного стенда (ИС), содержащего шаровой кран ЗРА, трубопровод высокого давления (ТВД) и трубопровод низкого давления (ТНД). Стенд дополняется дренажной трубкой (ДТ), соединяющей через запорный кран внутреннюю полость испытуемого шарового крана с атмосферой, а также импульсной трубкой высокого давления (ИТВД) и импульсной трубкой низкого давления (ИТНД). ИТВД соединяет ДТ с ТВД. ИТНД соединяет ДТ с ТНД. В первом варианте ИС в ДТ установлен реверсивный расходомер. Во втором варианте ИС в ИТВД и ИТНД установлены нереверсивные расходомеры, а в ДТ расходомер отсутствует. Коммутацией потока газа последний сначала направляется через первое по ходу газа уплотнение шарового крана, а затем – через второе его уплотнение.. Технический результат заключается в возможности измерения величин протечек газа соответственно через первое и второе уплотнения шарового крана ЗРА. 2 н.п. и 2 з.п. ф-лы, 3 ил.
Группа изобретений относится к контрольно-измерительной технике и может быть использована для определения величин протечек шаровых кранов запорно-регулирующей арматуры (ЗРА) магистрального газопровода (МГ).
Известен испытательный стенд (ИС) аналогичного назначения, принятый за прототип, содержащий компрессор и установленные с различных сторон от испытуемого шарового крана трубопровод высокого давления и трубопровод низкого давления, дренажную трубку, подсоединенную к внутренней полости шарового крана, три преобразователя статического давления, первый из которых установлен в дренажной трубке, первый и второй краны и расходомер, установленные в дренажной трубке, соединенной с атмосферой, причем первый кран установлен у выхода дренажной трубки из внутренней полости шарового крана /Калужских А.Н. «Шаровые краны: контроль герметичности в условиях действующей компрессорной станции магистрального газопровода». Обзор. информ. Сер. Транспорт и подземное хранение газа. – М: ООО «ИРЦ Газпром», 2002, стр.29-33, рис.9/.
Недостатком известного ИС является невозможность измерения с его помощью величины протечек газа через отдельные уплотнения испытуемого шарового крана ЗРА.
Техническим результатом, получаемым при внедрении группы изобретений, является получение возможности измерения величин протечек газа через каждое отдельное уплотнение шарового крана ЗРА.
Данный технический результат достигают за счет того, что по первому варианту ИС, содержащий компрессор и установленные с различных сторон от испытуемого шарового крана трубопровод высокого давления и трубопровод низкого давления, дренажную трубку, подсоединенную к внутренней полости шарового крана, три преобразователя статического давления, первый из которых установлен в дренажной трубке, первый и второй краны и расходомер, установленные в дренажной трубке, соединенной с атмосферой, причем первый кран установлен у выхода дренажной трубки из внутренней полости шарового крана, дополнительно содержит первый и второй пневмоконтейнеры, импульсную трубку высокого давления, импульсную трубку низкого давления, пять дополнительных кранов, регулятор давления «После себя» и регулятор давления «До себя», при этом импульсные трубки высокого и низкого давлений пневматически соединены с дренажной трубкой, первый пневмоконтейнер пневматически соединен через регулятор давления «После себя» с компрессором и через третий кран – с трубопроводом высокого давления, а через четвертый кран – с импульсной трубкой высокого давления, второй пневмоконтейнер пневматически соединен через пятый кран с трубопроводом низкого давления, через шестой кран – с импульсной трубкой низкого давления и через седьмой кран и регулятор давления «До себя» – с атмосферой, причем импульсные трубки высокого и низкого давлений соединены с дренажной трубкой через крестовину, четвертый выход которой соединен через второй кран с атмосферой, второй преобразователь статического давления подсоединен к первому пневмоконтейнеру, а третий – ко второму пневмоконтейнеру, а расходомер выполнен реверсивным.
ИС дополнительно может содержать третий пневмоконтейнер, при этом первый пневмоконтейнер пневматически соединен через регулятор давления «После себя» с компрессором через третий пневмоконтейнер.
Согласно второму варианту ИС, содержащий компрессор и установленные с различных сторон от испытуемого шарового крана трубопровод высокого давления и трубопровод низкого давления, дренажную трубку, подсоединенную к внутренней полости шарового крана, три преобразователя статического давления, первый из которых установлен в дренажной трубке, первый и второй краны и расходомер, причем краны установлены в дренажной трубке, соединенной с атмосферой, при этом первый кран расположен у выхода дренажной трубки из внутренней полости шарового крана, дополнительно содержит первый и второй пневмоконтейнеры, импульсную трубку высокого давления, импульсную трубку низкого давления, пять дополнительных кранов, регулятор давления «После себя», регулятор давления «До себя» и второй расходомер, при этом импульсные трубки высокого и низкого давлений пневматически соединены с дренажной трубкой, первый пневмоконтейнер пневматически соединен через регулятор давления «После себя» с компрессором и через третий кран – с трубопроводом высокого давления, а через четвертый кран – с импульсной трубкой высокого давления, второй пневмоконтейнер пневматически соединен через пятый кран с трубопроводом низкого давления, через шестой кран – с импульсной трубкой низкого давления и через седьмой кран и регулятор давления «До себя» – с атмосферой, расходомеры установлены соответственно в импульсных трубках высокого и низкого давлений, причем импульсные трубки высокого и низкого давлений соединены с дренажной трубкой через крестовину, четвертый выход которой соединен через второй кран с атмосферой, второй преобразователь статического давления подсоединен к первому пневмоконтейнеру, а третий – ко второму пневмоконтейнеру.
ИС дополнительно может содержать третий пневмоконтейнер, при этом первый пневмоконтейнер пневматически соединен через регулятор давления «После себя» с компрессором через третий пневмоконтейнер
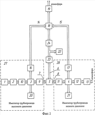
Группа изобретений поясняется чертежами. На фиг.1 представлена схема ИС, выполненного согласно первому варианту; на фиг.2 – схема ИС, выполненного согласно второму варианту; на фиг.3 представлена упрощенная схема, показывающая направления потока газа при его протекании через первое и второе уплотнения крана.
ИС содержит (фиг.1, 2) компрессор воздуха 1 и пневмоконтейнеры 2, 3, 4. Позицией 5 обозначен испытуемый шаровой кран ЗРА.
К внутренней полости шарового крана 5 подсоединена дренажная трубка 6 (ДТ 6). Слева от крана 5 располагается трубопровод 7 высокого давления (ТВД 7), справа – трубопровод 8 низкого давления (ТНД 8).
ТВД 7 соединен с пневмоконтейнером 3 через регулируемый кран 9. Пневмоконтейнер 3 соединен с пневмоконтейнером 2 через регулятор 10 давления «После себя», соединенный в свою очередь с компрессором 1.
ТНД 8 соединен через регулируемый кран 11 с пневмоконтейнером 4, сообщающийся в свою очередь через регулируемый клапан 12 и регулятор 13 давления «До себя» с атмосферой.
Названия регуляторов 10, 13 давления «До себя» и «После себя» являются официально принятыми (см., например, Регуляторы давления РДС-НО (Н3) и регуляторы перепада давлений РПДС, работающие без постороннего источника энергии. Руководство по эксплуатации СНИЦ 423.117.028 РЭ. г.Сафоново, Смоленская область).
В состав схемы ИС входят импульсная трубка 14 высокого давления (ИТВД 14) и импульсная трубка 15 низкого давления (ИТНД 15).
ИТВД 14 соединяет ДТ 6 с пневмоконтейнером 3 через запорный кран 16. ИТНД 15 соединяет ДТ 6 с пневмоконтейнером 4 через запорный кран 17.
Крестовина 18 соединяет ДТ 6, ИТВД 14 и ИТНД 15 в одной точке. Четвертый вход-выход крестовины 18 соединяется через запорный кран 19 с атмосферой.
ИС содержит преобразователи 20, 21, 22 статического давления воздуха, подсоединенные соответственно к пневмоконтейнерам 3, 4 и к ДТ 6.
В ДТ 6 на выходе из полости шарового крана установлены запорный кран 23 и реверсивный расходомер 24 (первый вариант, фиг.1).
Пневмосоединения некоторых элементов ИС на фиг.1, 2 показаны, но не оцифрованы.
Краны 9, 11, 12, 16, 17, 19, 23, используемые в ИС, являются идентичными. Их деление на запорные и регулируемые является условным и введено в описании для указания выполняемых ими функций.
Второй вариант ИС отличается от первого варианта тем, что в ДТ 6 реверсивный расходомер отсутствует, но присутствуют нереверсивные расходомеры 25, 26 в ИТВД 14 и в ИТНД 15 (фиг.2).
Элементы 1, 2, 3, 9, 10, 16, 20 образуют в ИС имитатор 27 трубопровода высокого давления, а элементы 4, 11, 12, 13, 17, 21 образуют имитатор 28 трубопровода низкого давления (фиг.1, 2).
Первое и второе уплотнения по ходу газа в кране 5 обозначены на фиг.3 римскими цифрами I, II.
ИС работает следующим образом.
Открывают регулируемые краны 9, 11, 12 и закрывают запорные краны 16, 17,19, 23. Включают компрессор 1 воздуха и регулировкой кранов 9, 11, 12 добиваются плавного безгистерезисного потока газа через негерметичный шаровой кран 5. Поток воздуха от компрессора 1 последовательно проходит пневмоконтейнер 2, регулятор 10 давления «После себя», пневмоконтейнер 3, регулируемый кран 9, ТВД 7, шаровой кран 5, ТНД 8, регулируемый кран 11, пневмоконтейнер 4, регулируемый кран 12, регулятор 13 давления «До себя» и выходит в атмосферу.
Рабочий режим потока газа контролируется с помощью преобразователей статического давления 20, 21.
После установки рабочего режима потока газа в ИС открывают запорные краны 17, 23. При этом газ потечет из ТВД 7 через первое по ходу газа уплотнение шарового крана 5 (фиг.3), затем по ДТ 6, открытый кран 23, реверсивный расходомер 24 (первый вариант) или через нереверсивный расходомер 25 (второй вариант), расположенный в ИТНД 15. Затем газ после прохождения запорного крана 17, пневмоконтейнера 4, регулируемого крана 12 и регулятора 13 давления «До себя» выходит в атмосферу. На фиг.3 ход газа для этого случая показан сплошной стрелкой.
Реверсивный расходомер 24 (первый вариант) или расходомер 26 (второй вариант) покажут значение расхода газа через первое по ходу газа уплотнение шарового крана 5. Это значение расхода принимают за величину протечки газа через первое уплотнение шарового крана 5.
Далее при открытых регулируемых кранах 9, 11, 12 открывают запорные краны 16, 23, а запорные краны 17, 19 остаются закрытыми (фиг.1, 2).
При этом газ потечет через ИТВД 14, расходомер 25 (второй вариант), ДТ 6, реверсивный расходомер 24 (первый вариант), второе по ходу газа уплотнение в ТНД 8. На фиг.3 ход газа для этого случая показан штриховой стрелкой.
Реверсивный расходомер 24 (первый вариант) или расходомер 25 (второй вариант) покажут значение расхода газа через второе по ходу газа уплотнение шарового крана 5. Это значение расхода принимают за величину протечки газа через второе уплотнение шарового крана 5. (На фиг.3 представлена упрощенная схема течения газа через отдельные уплотнения I, II шарового крана 5, реализующая оба варианта ИС с расходомерами 24, 25, 26. В реальности в первом варианте в ИС присутствует только реверсивный расходомер 24, а во втором – только расходомеры 25, 26. Для упрощения схемы запорные и регулируемые краны на схеме не приведены).
После проведенных испытаний компрессор 1 выключают, и газ из внутренней полости шарового крана 5 стравливают в атмосферу путем открывания запорного крана 19. Процесс стравливания контролируют по показаниям преобразователя 22 статического давления.
Таким образом, в отличие от прототипа на стенде появилась возможность определения протечек газа отдельно через каждое из уплотнений шарового крана. Этим достигается поставленный технический результат.
Формула изобретения
1. Испытательный стенд шаровых кранов, содержащий компрессор и установленные с различных сторон от испытуемого шарового крана трубопровод высокого давления и трубопровод низкого давления; дренажную трубку, подсоединенную к внутренней полости шарового крана, три преобразователя статического давления, первый из которых установлен в дренажной трубке, первый и второй краны и расходомер, установленные в дренажной трубке, соединенной с атмосферой, причем первый кран установлен у выхода дренажной трубки из внутренней полости шарового крана, отличающийся тем, что дополнительно содержит первый и второй пневмоконтейнеры, импульсную трубку высокого давления, импульсную трубку низкого давления, пять дополнительных кранов, регулятор давления «После себя» и регулятор давления «До себя», при этом импульсные трубки высокого и низкого давлений пневматически соединены с дренажной трубкой, первый пневмоконтейнер пневматически соединен через регулятор давления «После себя» с компрессором и через третий кран – с трубопроводом высокого давления, а через четвертый кран – с импульсной трубкой высокого давления, второй пневмоконтейнер пневматически соединен через пятый кран с трубопроводом низкого давления, через шестой кран – с импульсной трубкой низкого давления и через седьмой кран и регулятор давления «До себя» – с атмосферой, причем импульсные трубки высокого и низкого давлений соединены с дренажной трубкой через крестовину, четвертый выход которой соединен через второй кран с атмосферой, второй преобразователь статического давления подсоединен к первому пневмоконтейнеру, а третий – ко второму пневмоконтейнеру, а расходомер выполнен реверсивным.
2. Испытательный стенд по п.1, отличающийся тем, что дополнительно содержит третий пневмоконтейнер, при этом первый пневмоконтейнер пневматически соединен через регулятор давления «После себя» с компрессором через третий пневмоконтейнер.
3. Испытательный стенд шаровых кранов, содержащий компрессор и установленные с различных сторон от испытуемого шарового крана трубопровод высокого давления и трубопровод низкого давления, дренажную трубку, подсоединенную к внутренней полости шарового крана, три преобразователя статического давления, первый из которых установлен в дренажной трубке, первый и второй краны и расходомер, причем краны установлены в дренажной трубке, соединенной с атмосферой, при этом первый кран расположен у выхода дренажной трубки из внутренней полости шарового крана, отличающийся тем, что дополнительно содержит первый и второй пневмоконтейнеры, импульсную трубку высокого давления, импульсную трубку низкого давления, пять дополнительных кранов, регулятор давления «После себя», регулятор давления «До себя» и второй расходомер, при этом импульсные трубки высокого и низкого давлений пневматически соединены с дренажной трубкой, первый пневмоконтейнер пневматически соединен через регулятор давления «После себя» с компрессором и через третий кран – с трубопроводом высокого давления, а через четвертый кран – с импульсной трубкой высокого давления, второй пневмоконтейнер пневматически соединен через пятый кран с трубопроводом низкого давления, через шестой кран – с импульсной трубкой низкого давления и через седьмой кран и регулятор давления «До себя» – с атмосферой, расходомеры установлены в импульсных трубках высокого и низкого давлений, причем импульсные трубки высокого и низкого давлений соединены с дренажной трубкой через крестовину, четвертый выход которой соединен через второй кран с атмосферой, второй преобразователь статического давления подсоединен к первому пневмоконтейнеру, а третий – ко второму пневмоконтейнеру.
4. Испытательный стенд по п.3, отличающийся тем, что дополнительно содержит третий пневмоконтейнер, при этом первый пневмоконтейнер пневматически соединен через регулятор давления «После себя» с компрессором через третий пневмоконтейнер.
РИСУНКИ
|
|