|
|
(21), (22) Заявка: 2007140865/06, 31.03.2006
(24) Дата начала отсчета срока действия патента:
31.03.2006
(30) Конвенционный приоритет:
05.04.2005 EP 05007413.7
(43) Дата публикации заявки: 20.05.2009
(46) Опубликовано: 20.08.2010
(56) Список документов, цитированных в отчете о поиске:
SU 311087 А, 21.10.1971. SU 48335 А, 31.08.1936. RU 2193726 C1, 27.11.2002. SU 1216551 A, 07.03.1986. US 3789806 A, 05.02.1974.
(85) Дата перевода заявки PCT на национальную фазу:
06.11.2007
(86) Заявка PCT:
EP 2006/061225 20060331
(87) Публикация PCT:
WO 2006/106079 20061012
Адрес для переписки:
103735, Москва, ул.Ильинка, 5/2, ООО “Союзпатент”, А.А. Силаевой
|
(72) Автор(ы):
ФРАНКЕ Йоахим (DE), КРАЛЬ Рудольф (DE)
(73) Патентообладатель(и):
СИМЕНС АКЦИЕНГЕЗЕЛЛЬШАФТ (DE)
|
(54) ПАРОГЕНЕРАТОР
(57) Реферат:
Изобретение относится к энергетике и может быть использовано в прямоточных парогенераторах газо- и паротурбинных установок. Суть изобретения в том, что в парогенераторе (1), в котором в канале топочного газа (4) расположены образованная из множества испарительных труб (6) испарительная прямоточная поверхность нагрева (8) и образованная из множества перегревательных труб (10), включенных на стороне текучей среды после испарительных труб (6), перегревательная поверхность нагрева (12), в множество перепускных отрезков трубы (20), соединяющих на стороне текучей среды соответственно одну или множество испарительных труб (6) с соответственно одной или множеством перегревательных труб (10), соответственно введен водоотделительный элемент (30), причем соответствующий водоотделительный элемент (30) содержит соединенный с включенными перед ним испарительными трубами (6) входной отрезок трубы (32), который при рассмотрении в его продольном направлении переходит в водоотводящий отрезок трубы (34), причем в переходной области (36) ответвляется множество выходных отрезков трубы (38), соединенных с соответственно включенными дальше перегревательными трубами (10). При таком выполнении повышается эксплуатационная гибкость парогенератора при запуске и режимах слабой нагрузки. 8 з.п. ф-лы, 6 ил.
Изобретение относится к парогенератору, в котором в канале топочного газа расположены образованная из множества испарительных труб испарительная прямоточная поверхность нагрева и образованная из множества перегревательных труб, включенных на стороне текучей среды после испарительных труб, перегревательная поверхность нагрева.
В прямоточном парогенераторе нагрев множества испарительных труб приводит к полному испарению текучей среды в испарительных трубах за один проход. Текучую среду – обычно воду – подводят после ее испарения к включенным после испарительных труб перегревательным трубам и там перегревают. Положение конечной точки испарения, то есть граничная область между неиспаренной и испаренной текучей средой, является при этом переменной и зависящей от режима эксплуатации. При эксплуатации подобного прямоточного парогенератора в режиме полной нагрузки конечная точка испарения лежит, например, в конечной области испарительных труб так, что перегревание испаренной текучей среды начинается уже в испарительных трубах. Прямоточный парогенератор в противоположность к парогенератору с естественной или принудительной циркуляцией не подлежит никакому ограничению давления так, что он может быть рассчитан для давлений свежего пара значительно выше критического давления воды (Pkri 221 бар), где не существует никакого различия фаз вода и пар и тем самым также не возможно никакое разделение фаз.
Подобные прямоточные парогенераторы можно использовать в газо- и паротурбинных установках, в которых содержащееся в расширенной рабочей среде или топочном газе из газовой турбины тепло используют для производства пара для паровой турбины. При этом использование можно предусматривать, в частности, в комбинации с так называемой промышленной газовой турбиной с расчетной мощностью до порядка 60 МВт. В подобных разработках в связи с заданными за счет номинальной мощности краевыми условиями может быть предусмотрен подогрев и испарение воды и последующее перегревание выработанного пара в одной единственной прямоточной поверхности нагрева, трубы которой на стороне входа соединены с входными коллекторами для переохлажденной питательной воды, а на стороне выхода – с выходными коллекторами для перегретого пара.
В режиме слабой нагрузки или при запуске подобного прямоточного парогенератора горячий отходящий газ из газовой турбины обычно направляют сначала на неохлажденные трубы перегревательной секции прямоточного парогенератора, которые по этой причине обычно должны выполняться из высококачественных температуростойких материалов.
Альтернативно может быть также предусмотрено запитывание испарительной секции минимальным потоком текучей среды, чтобы обеспечивать надежное охлаждение парогенераторных труб. При этом именно при низких нагрузках, например, меньше, чем 40% расчетной нагрузки относящийся к соответствующей паропроизводительности проходящий массопоток через парогенераторные трубы обычно больше не является достаточным для их охлаждения так, что на это протекание текучей среды через испаритель накладывают дополнительный расход текучей среды. В этом случае обычно необходимо отделение воды из текучей среды до того, как она поступит в перегревательную секцию прямоточного парогенератора. При этом прямоточная поверхность нагрева в целом может быть образована посредством расположенной в канале топочного газа испарительной прямоточной поверхности нагрева, образованной из множества испарительных труб, и посредством включенной после нее на стороне текучей среды перегревательной поверхности нагрева, образованной из множества перегревательных труб, причем на стороне текучей среды между испарительной прямоточной поверхностью нагрева и перегревательной поверхностью нагрева включена водоотделительная система.
В подобных прямоточных парогенераторах образующие испарительную секцию испарительные трубы обычно впадают в один или множество выходных коллекторов, из которых текучую среду направляют в последующий отделитель воды и пара. Там происходит разделение текучей среды на воду и пар, причем пар переводят во включенную перед перегревательными трубами распределительную систему, где происходит разделение массопотока пара на отдельные, включенные параллельно на стороне текучей среды перегревательные трубы.
В подобном виде конструкции за счет промежуточного включения водоотделительной системы в режиме запуска или в режиме слабой нагрузки конечная точка испарения прямоточного парогенератора является фиксированной, а не переменной – как при эксплуатации в режиме полной нагрузки. Тем самым эксплуатационная гибкость является при подобном виде конструкции прямоточного парогенератора в режиме слабой нагрузки значительно ограниченной. Кроме того, в подобном виде конструкции водоотделительные системы, как правило, должны быть рассчитаны, в частности, относительно выбора материалов на то, что пар в отделителе в чисто прямоточном режиме является явно перегретым. Необходимый выбор материалов приводит также к значительному ограничению эксплуатационной гибкости. Относительно назначения размеров и вида конструкции необходимых компонентов названный вид конструкции обуславливает к тому же, что появляющийся при запуске прямоточного парогенератора в первой фазе запуска выброс воды должен полностью приниматься в отделительной системе и может отводиться через включенный после нее баллон-сепаратор и спускные вентили в расширитель. Получающиеся отсюда сравнительно большие размеры баллона-сепаратора и спускных вентилей приводят к значительным затратам на изготовление и монтаж.
В основе изобретения, поэтому, поставлена задача создания парогенератора выше названного вида. Техническим результатом является то, что при поддерживаемых сравнительно малыми затратах на изготовление и монтаж парогенератор имеет особенно высокую эксплуатационную гибкость также при запуске и в режиме слабой нагрузки.
Технический результат согласно изобретению достигается тем, что в множество перепускных отрезков трубы, соединяющих на стороне текучей среды соответственно одну или множество испарительных труб с соответственно одной или множеством перегревательных труб, введен соответственно водоотделительный элемент.
Изобретение исходит при этом из рассуждения, что прямоточный парогенератор для достижения особенно высокой эксплуатационной гибкости также в режиме запуска или в режиме слабой нагрузки должен бы быть рассчитан на переменную конечную точку испарения. При этом должно бы избегаться обычное в более ранних системах обусловленное видом конструкции фиксирование конечной точки испарения в водоотделительной системе. В связи с знанием того, что это фиксирование возникает в основном за счет сбора текучей среды, вытекающей из испарительных труб, последующего водоотделения в центральном водоотделительном устройстве и последующего распределения пара на перегревательные трубы, следовало бы производить децентрализацию водоотделительной функции. Водоотделение при этом должно бы, в частности, быть рассчитано так, что после водоотделения не предусмотрено никакого слишком сложного распределения текучей среды, так как именно оно является для пароводяной смеси практически трудно выполнимым. Это можно достигнуть за счет того, что в отличие от предусмотренного обычным образом центрального разделения пароводяной смеси водоотделительная система разработана децентральной, причем отделительная функция интегрирована в отрезки труб, так или иначе необходимые для соединения на стороне текучей среды испарительных труб с подключенными далее перегревательными трубами.
Прямоточный парогенератор может быть выполнен в так называемом вертикальном виде конструкции или также в так называемом горизонтальном виде конструкции. Таким образом, канал топочного газа может быть рассчитан для прохождения топочного газа в основном в вертикальном или также в основном в горизонтальном направлении прохождения.
Особенно простой вид конструкции водоотделительных элементов при высокой надежности водоотделения можно достигать таким образом, что предпочтительным образом соответствующий водоотделительный элемент рассчитан на инерционную сепарацию воды от пара в текучей среде. Для этого предпочтительно используют знание того, что водяная составляющая текучей среды вследствие своей более высокой по сравнению с паровой составляющей инерционности предпочтительно течет дальше прямо в своем направлении потока, в то время как паровая составляющая сравнительно лучше может следовать вынужденному отклонению. Чтобы использовать это при высоком отделительном действии для сравнительно простого вида конструкции водоотделительного элемента, это выполнено в особенно предпочтительной форме выполнения по типу тройника. При этом соответствующий водоотделительный элемент предпочтительно содержит соединенный с включенной перед ним испарительной трубой входной отрезок трубы, который при рассмотрении в его продольном направлении переходит в водоотводящий отрезок трубы, причем в переходной области ответвляется некоторое количество соединенных с соответственно включенной после них перегревательной трубой выходных отрезков трубы. Водяная составляющая втекающей во входной отрезок трубы текучей среды при этом вследствие своей сравнительно более высокой инерционности транспортируется дальше на месте разветвления в основном без отклонения и переходит таким образом в водоотводящий отрезок трубы. В противоположность этому для паровой составляющей вследствие ее сравнительно малой инерционности отклонение возможно легче, так что паровая составляющая переходит в выходной отрезок трубы или выходные отрезки трубы.
Предпочтительным образом входной отрезок трубы выполнен при этом в основном прямолинейным, причем он своим продольным направлением может быть расположен в основном горизонтально или также с заданным углом наклона или опрокидывания. При этом предпочтительным образом предусмотрен наклон в направлении течения сверху вниз. Альтернативно приток во входной отрезок трубы может быть предусмотрен через приходящее сверху колено трубы так, что в этом случае текучая среда вследствие центробежной силы прижимается в направлении внешней стороны изгиба. За счет этого водяная составляющая текучей среды течет предпочтительно вдоль внешней области изгиба. В этой форме выполнения тем самым выходной отрезок трубы, предпочтительно предусмотренный для отведения паровой составляющей, ориентирован к внутренней стороне изгиба.
Предпочтительного водоотводящий отрезок трубы в переходной области своим продольным направлением расположен в направлении течения наклонно.
Водоотводящий отрезок трубы предпочтительно в своей входной области выполнен в виде изогнутого вниз колена трубы. Тем самым особенно простым и связанным с малыми потерями образом облегчается отклонение отделенной воды для соответствующего потребности запитывания в последующие системы.
Предпочтительным образом водоотделительные элементы на стороне выхода воды, то есть, в частности, своими водоотделительными отрезками труб, соединены группами с множеством общих выходных коллекторов. При подобном монтаже тем самым в противоположность известным системам, при которых водоотделитель включен на стороне текучей среды после выходных коллекторов испарительных труб, теперь соответствующий водоотделительный элемент включен перед выходным коллектором. Именно за счет этого является возможным также в режиме запуска или слабой нагрузки прямой перевод текучей среды из испарительных труб в перегревательные трубы без промежуточного включения коллекторных или распределительных систем так, что конечная точка испарения также может быть перенесена в перегревательные трубы. При этом предпочтительным образом после выходных коллекторов подключено множество водосборных баков. Водосборный бак или водосборные баки при этом со своей стороны могут быть соединены на стороне выхода с подходящими системами, как, например, атмосферным расширителем или через циркуляционный насос с контуром прямоточного парогенератора.
При отделении воды и пара в водоотделительной системе можно отделять приблизительно всю водяную составляющую так, что только еще испаренная текучая среда передается дальше на включенные дальше перегревательные трубы. В этом случае конечная точка испарения лежит еще в испарительных трубах. Альтернативно, однако, также можно отделять только часть поступающей воды, причем остаточная или неиспаренная текучая среда вместе с испаренной текучей средой передается во включенные далее перегревательные трубы. В этом случае конечная точка испарения сдвигается внутрь в перегревательные трубы.
В названном последним случае, обозначаемом также как перепитка отделительного устройства, сначала полностью заполняют водой включенные на стороне воды после водоотделительных элементов компоненты, как, например, выходной коллектор или водосборный бак, так, что при далее поступающей воде в соответствующих отрезках линии образуется обратный подпор. Как только этот обратный подпор достигает водоотделительных элементов, по меньшей мере, частичный поток вновь притекающей воды вместе с направляемым в текучей среде паром передают дальше на последующие перегревательные трубы. Для того чтобы в этом режиме эксплуатации так называемой перепитки отделительной системы обеспечивать особенно высокую эксплуатационную гибкость, в особенно предпочтительной форме выполнения в подключенную к водосборному баку сливную линию включен установочный вентиль, управляемый через соответствующее регулирующее устройство. Регулирующее устройство при этом предпочтительным образом может быть нагружаемым входным значением, характеристическим для энтальпии текучей среды на выходе перегревательной поверхности нагрева.
С помощью подобной системы в режиме работы перепитанной отделительной системы посредством нацеленного управления вентиля, включенного в сливную линию водосборного бака, можно регулировать массопоток, вытекающий из водосборного бака. Так как последний заменяют соответствующим массопотоком воды из водоотделительных элементов, таким образом можно настраивать также массопоток, который попадает из водоотделительных элементов в коллекторную систему. Тем самым в свою очередь является настраиваемым также тот частичный поток, который вместе с паром передается дальше в перегревательные трубы так, что за счет соответствующей настройки этого частичного потока, например, на конце перегревательной секции прямоточной поверхности нагрева можно поддерживать заданную энтальпию. Альтернативно или дополнительно можно также воздействовать на переданный вместе с паром на перегревательные трубы частичный поток воды путем соответствующего управления наложенного циркуляционного контура. Для этого в последующей или альтернативной предпочтительной форме выполнения через приданное водоотделительной системе регулирующее устройство можно управлять приданным испарительным трубам циркуляционным насосом.
Целесообразным образом парогенератор используют в качестве парогенератора на отходящем тепле газо- и паротурбинной установки.
Достигнутые изобретением преимущества заключаются, в частности, в том, что посредством интегрирования водоотделения в систему труб парогенератора водоотделение можно производить без предварительного сбора вытекающей из испарительных труб текучей среды и без последующего распределения текучей среды, передаваемой дальше на перегревательные трубы. Тем самым является возможным экономить сложные сборные и распределительные системы. За счет исключения сложных распределительных систем, кроме того, передача текучей среды на перегревательные трубы не является ограниченной только паром; более того на перегревательные трубы можно передавать дальше также пароводяную смесь. Как раз за счет этого можно передвигать конечную точку испарения через место раздела между испарительными трубами и перегревательными трубами при необходимости в перегревательные трубы. Таким образом является достижимой особенно высокая эксплуатационная гибкость также в случае эксплуатации прямоточного парогенератора в режиме запуска или слабой нагрузки.
Кроме того, водоотделительные элементы могут быть выполнены, в частности, в виде тройников на основе так или иначе имеющейся системы трубопроводов прямоточного парогенератора. Эти тройники могут быть выполнены сравнительно тонкостенными, причем диаметр и толщина стенки могут поддерживаться примерно сравнимыми с таковыми для труб стенки. Тем самым посредством тонкостенного выполнения водоотделительных элементов времена разгона котла в целом или также скорости изменения нагрузки больше не являются ограниченными так, что также в установках для высоких параметров пара являются достижимыми сравнительно короткие времена реакции при изменении нагрузки. Кроме того, подобные тройники могут изготавливаться особенно экономично относительно затрат. В частности, время от времени является допустимой перепитка водоотделительных элементов при запуске или в режиме слабой нагрузки так, что часть выталкиваемой воды испарителя можно улавливать во включенных после испарительных труб перегревательных трубах. Тем самым проектирование водосборных систем, как, например, баллонов-сепараторов или спускных вентилей, можно производить для соответственно меньших количеств стоков и тем самым экономичней относительно расходов. Кроме того, сдвиг конечной точки испарения в перегревательные трубы позволяет ограничивать возможно необходимое впрыскивание воды и связанные с этим потери.
Пример выполнения изобретения поясняется более подробно с помощью чертежей. При этом показывают:
фиг.1 схематически парогенератор вертикального типа конструкции,
фиг.2 в виде вырезов водоотделительную систему прямоточного парогенератора по фиг.1, и
фиг.3а-3d соответственно водоотделительный элемент.
Одинаковые части на всех фигурах снабжены одинаковыми ссылочными позициями.
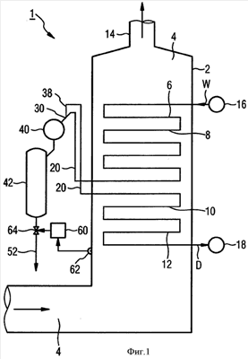
Парогенератор 1 согласно фиг.1 рассчитан в виде прямоточного парогенератора и как составная часть газо- и паротурбинной установки подключен по типу парогенератора на отходящем тепле на стороне отходящего газа после не представленной более подробно на чертеже газовой турбины. Парогенератор 1 содержит ограждающую стенку 2, которая образует канал топочного газа 4 для отходящего газа из газовой турбины. В канале топочного газа 4 расположены образованная из множества испарительных труб 6 испарительная прямоточная поверхность нагрева 8 и включенная после нее для протекания текучей среды W, D, образованная из множества перегревательных труб 10 перегревательная поверхность нагрева 12. Относительно направления потока отходящего газа из газовой турбины перегревательная поверхность нагрева 12 при этом расположена перед испарительной прямоточной поверхностью нагрева 8 так, что отходящий газ из газовой турбины сначала подают к перегревательнои поверхности нагрева 12.
В примере выполнения парогенератор 1 выполнен в вертикальном виде конструкции, причем канал топочного газа 4 протекается отходящим газом газовой турбины в области испарительной прямоточной поверхности нагрева 8 и перегревательнои поверхности нагрева 12 в основном в вертикальном направлении снизу вверх и заканчивается на своем верхнем конце в дымовой трубе 14. Испарительные трубы 6 и перегревательные трубы 10 при этом проложены по типу змеевиков ориентированно попеременно горизонтально в канале топочного газа 4. Альтернативно парогенератор 1 может быть рассчитан также в горизонтальном виде конструкции для в основном проходящего горизонтально потока дымового газа в канале топочного газа 4, предпочтительно с направленными попеременно вертикально змеевиками.
Испарительные трубы 6 испарительной прямоточной поверхности нагрева 8 подключены своими входными концами к входному коллектору 16. В противоположность этому перегревательные трубы 10 подключены на стороне выхода к выходному коллектору 18. При необходимости в канале топочного газа 4 могут быть расположены также еще другие поверхности нагрева, например экономайзер, подогреватель и/или конвективные перегревательные поверхности нагрева.
Для включения друг за другом на стороне текучей среды испарительной прямоточной поверхности нагрева 8 с перегревательной поверхностью нагрева 12, испарительные трубы 6 соединены с перегревательными трубами 10 через перепускные отрезки труб 20. В примере выполнения при этом по типу присвоения одна-к-одной каждая испарительная труба 6 соединена через соответственно один перепускной отрезок трубы 20 с соответственно одной перегревательнои трубой 10. Альтернативно однако может быть предусмотрено также групповое совместной включение, при котором одна испарительная труба или несколько испарительных труб 6 соединены через соответственно один перепускной отрезок трубы 20 с соответственно одной перегревательной трубой или несколькими перегревательными трубами 10.
Прямоточный парогенератор 1 рассчитан на то, что также при эксплуатации в режиме запуска или слабой нагрузки, при котором в испарительных трубах 6 дополнительно к испаряемому массопотоку текучей среды W накладывают по причинам эксплуатационной надежности еще дополнительный циркуляционный массопоток текучей среды W, положение конечной точки испарения для особенно высокой эксплуатационной гибкости можно поддерживать переменным. Для этого конечная точка испарения в режиме запуска и слабой нагрузки, при котором в соответствии с расчетом текучая среда на конце испарительных труб 6 еще не является полностью испаренной, должна сдвигаться в перегревательные трубы 10. Для достижения этого перепускные отрезки трубы 20 снабжены интегрированной водоотделительной функцией. Для этого в каждый перепускной отрезок трубы 20 введен соответственно один водоотделительный элемент 30. Тем самым также, в частности, достигается то, что после разделения воды и пара не нужно сложного распределения пароводяной смеси W, D на перегревательные трубы 10.
В примере выполнения водоотделительные элементы 30, из которых на фиг.1 виден только один, однако, рассчитаны так, что в смысле присвоения одна-к-одной каждая испарительная труба 6 соединена точно с одной следующей перегревательной трубой 10 так, что функционально и схемнотехнически водоотделение переведено внутрь в отдельные трубы. Тем самым обеспечено, что в связи с разделением воды и пара не требуется ни сбора вытекающей из испарительных труб 6 текучей среды, ни распределения подлежащей дальнейшему направлению текучей среды на следующие перегревательные трубы 10. Тем самым сделано особенно простым образом возможным смещение конечной точки испарения внутрь в перегревательные трубы 10. Как, однако, оказалось, достаточно равномерная или также равномерно распределенная передача пароводяной смеси на перегревательные трубы 10 является возможной также тогда, когда распределение происходит на не более чем порядка десяти перегревательных труб 10.
Образованная посредством водоотделительного элемента 30 и дополнительных компонентов водоотделительная система 31 парогенератора 1, которая снова увеличенно в виде вырезов показана на фиг.2, содержит тем самым соответствующее количеству испарительных труб 6 и перегревательных труб 10 количество водоотделительных элементов 30, каждый из которых выполнен в виде тройника. Для этого соответствующий водоотделительный элемент 30 содержит соединенный с предвключенной испарительной трубой 6 входной отрезок трубы 32, который при рассмотрении в его продольном направлении переходит в водоотводящий отрезок трубы 34, причем в переходной области 36 ответвляется соединенный с подключенной далее перегревательной трубой 10 выходной отрезок трубы 38. За счет этого вида конструкции водоотделительный элемент 30 рассчитан на инерционную сепарацию втекающей из предвключенной испарительной трубы 6 во входной отрезок трубы 32 пароводяной смеси. Дело в том, что вследствие своей сравнительно более высокой инерционности водяная составляющая текучей среды, текущей во входном отрезке трубы 32, в месте перехода течет предпочтительно в осевом продолжении входного отрезка трубы 32 прямо дальше и попадает тем самым в водоотводящий отрезок трубы 34. Паровая составляющая пароводяной смеси, текущей во входном отрезке трубы 32, напротив, вследствие своей сравнительно меньшей инерционности, может лучше следовать вынужденному отклонению и течет тем самым через выходной отрезок трубы 38 и перепускной отрезок трубы 20 к подключенной далее перегревательной трубе 10.
На стороне выхода воды, то есть через водоотводящие отрезки трубы 34, водоотделительные элементы 30 соединены группами с одним соответственно общим выходным коллектором 40, причем могут быть предусмотрены группами также множество выходных коллекторов 40. Выходные коллекторы 40, со своей стороны, соединены на стороне выхода с общим водосборным баком 42, в частности, баллоном-сепаратором.
Выполненные в виде тройников водоотделительные элементы 30 могут быть выполнены оптимированно относительно их отделительного действия. Примеры выполнения для этого следуют из фиг.3а-3d. Как представлено на фиг.3а, входной отрезок трубы 32 вместе со следующим за ним водоотводящим отрезком трубы 34 может быть выполнен в основном прямолинейным и быть наклонен своим продольным направлением относительно горизонтали. В примере выполнения согласно фиг.3а перед входным отрезком трубы 32 к тому же еще подключен изогнутый в виде колена отрезок трубы 50, который вследствие своего изгиба и своего пространственного расположения обуславливает, что втекающая во входной отрезок трубы 32 вода вследствие центробежной силы прижимается предпочтительно к противоположной выходному отрезку трубы 38 стороне внутренней стенки входного отрезка трубы 32 и водоотводящего отрезка трубы 34. Тем самым улучшается дальнейшая транспортировка водяной составляющей в водоотводящий отрезок трубы 34 так, что отделительное действие в целом возрастает.
Подобное усиление отделительного действия также является достижимым, как это показано на фиг.3b, если входной отрезок трубы 32 и водоотводящий отрезок трубы 34 ориентированы в основном горизонтально, в то время как перед ними так же включен проходящий с подходящим изгибом отрезок трубы 50.
На фиг.3с представлен пример выполнения для того, что водоотделительный элемент 30 соединяет единственную предвключенную испарительную трубу 6 с множеством, в примере выполнения, с двумя подключенными дальше перегревательными трубами 10. Для этого в примере выполнения согласно фиг.3с от образованного посредством входного отрезка трубы 32 и водоотводящего отрезка трубы 34 канала среды ответвляются два выходных отрезка трубы 38, из которых каждый соединен соответственно с подключенной дальше перегревательной трубой 10. Для облегчения втекания отделенной воды в подключенные далее выходные коллекторы 40, водоотводящий отрезок трубы 34, как это представлено на фиг.3d, может быть выполнен в виде изогнутого вниз колена трубы или содержать соответственно выполненную часть.
Как следует из представления на фиг.1, водосборный бак 42 соединен на стороне выхода через подключенную сливную линию 52 с не представленной более подробно системой сточных вод. Альтернативно или дополнительно сливная линия 52 может быть соединена через не представленную более подробно поверхность нагрева экономайзера с включенным перед испарительными трубами 6 входным коллектором 12 так, что возникает замкнутый циркуляционный контур, через который в режиме запуска или слабой нагрузки на текущую в испарительных трубах 6 текучую среду может быть наложена дополнительная циркуляция для повышения эксплуатационной надежности. В зависимости от эксплуатационной необходимости или потребности отделительная система 31 при этом может эксплуатироваться таким образом, что приблизительно вся еще направляемая на выходе испарительных труб 6 вода отделяется из текучей среды и дальше на перегревательные трубы 10 передается в основном только испаренная текучая среда.
Альтернативно водоотделительную систему 31 можно однако эксплуатировать также в так называемом режиме перепитки, при котором из текучей среды отделяют не всю воду, а передают дальше вместе с паром D еще частичный поток направляемой вместе воды на перегревательные трубы 10. При этом режиме работы конечная точка испарения смещается внутрь в перегревательные трубы 10. В подобном перепитанном режиме работы сначала полностью наполняются водой как водосборный бак 42, так и включенные перед ним выходные коллекторы 40 так, что образуется обратный подпор вплоть до переходной области 36 соответствующих водоотделительных элементов 30, на которой ответвляется выходной отрезок трубы 38. В связи с этим обратным подпором также водяная составляющая притекающей к водоотделительным элементам 30 текучей среды претерпевает по меньшей мере частично отклонение и попадает тем самым вместе с паром в выходной отрезок трубы 38. Высота частичного потока, который при этом подводится вместе с паром к перегревательным трубам 10, получается при этом, с одной стороны, из всего подведенного к соответствующему водоотделительному элементу 30 массопотока воды, и, с другой стороны, из отведенного через водоотводящий отрезок трубы 34 частичного массопотока. Тем самым за счет подходящего изменения подведенного массопотока воды и/или отведенного через водоотводящий отрезок трубы 34 массопотока воды можно устанавливать переданный дальше в перегревательные трубы 10 массопоток неиспаренной текучей среды. Тем самым является возможным, устанавливать за счет управления одной или обеими названными величинами составляющую передаваемой дальше в перегревательные трубы 10 неиспаренной текучей среды таким образом, что на конце перегревательной поверхности нагрева 22 устанавливается, например, заданная энтальпия.
Чтобы сделать это возможным, водоотделительной системе 31 придано в соответствие регулирующее устройство 60, которое срабатывает от входного значения, характерного для энтальпии текучей среды (W, D) на выходе на стороне пара подключенной после водоотделительной системы (14) перегревательной поверхности нагрева (12).
На стороне выхода регулирующее устройство 60, с одной стороны, действует на установочный вентиль 64, включенный в сливную линию 52 водосборного бака 42. Тем самым посредством нацеленного управления установочным вентилем 64 можно задавать поток воды, который отбирают из отделительной системы 31. Этот массопоток можно опять-таки отбирать из текучей среды в водоотделительных элементах 30 и направлять дальше к следующим коллекторным системам. Тем самым за счет управления установочным вентилем 64 можно оказывать влияние на соответственно ответвленный в водоотделительном элементе 30 водяной поток и тем самым оказывать влияние на водяную составляющую, еще передаваемую дальше в текучей среде после отделения в перегревательные поверхности нагрева 10. Альтернативно или дополнительно регулирующее устройство 60 еще может воздействовать на циркуляционный насос так, что можно соответственно также устанавливать скорость притока среды в водоотделительную систему 31.
Формула изобретения
1. Парогенератор (1), в котором в канале топочного газа (4) расположены образованная из множества испарительных труб (6) испарительная прямоточная поверхность нагрева (8) и образованная из множества перегревательных труб (10), включенных на стороне текучей среды после испарительных труб (6), перегревательная поверхность нагрева (12), причем в множество перепускных отрезков трубы (20), соединяющих на стороне текучей среды соответственно одну или множество испарительных труб (6) с соответственно одной или множеством перегревательных труб (10), соответственно введен водоотделительный элемент (30), причем соответствующий водоотделительный элемент (30) содержит соединенный с включенными перед ним испарительными трубами (6) входной отрезок трубы (32), который при рассмотрении в его продольном направлении переходит в водоотводящий отрезок трубы (34), причем в переходной области (36) ответвляется множество выходных отрезков трубы (38), соединенных с соответственно включенными дальше перегревательными трубами (10).
2. Парогенератор (1) по п.1, характеризующийся тем, что входной отрезок трубы (32) присоединен через приходящее сверху колено трубы (50).
3. Парогенератор (1) по п.2, характеризующийся тем, что водоотводящий отрезок трубы (34) в переходной области (36) своим продольным направлением расположен в направлении течения наклонно.
4. Парогенератор (1) по п.3, характеризующийся тем, что водоотводящий отрезок трубы (34) в своей входной области выполнен в виде изогнутого вниз колена трубы (50).
5. Парогенератор (1) по п.1, характеризующийся тем, что водоотделительные элементы (30) на стороне выхода воды соединены группами с множеством общих выходных коллекторов (40).
6. Парогенератор (1) по п.5, характеризующийся тем, что после выходных коллекторов (40) включено множество водосборных баков (42).
7. Парогенератор (1) по п.6, характеризующийся тем, что в подключенную к водосборному баку (42) сливную линию (44) включен управляемый через соответствующее регулирующее устройство (60) установочный вентиль (64), причем регулирующее устройство (60) срабатывает от входного значения, характерного для энтальпии текучей среды (W, D) на выходе на стороне пара подключенной после водоотделительной системы (14) перегревательной поверхности нагрева (12).
8. Парогенератор (1) по п.7, характеризующийся тем, что циркуляционный насос, соединенный с испарительными трубами (6) выполнен с управлением от регулирующего устройства (60).
9. Парогенератор (1) по одному из пп.1-8, характеризующийся тем, что перед каналом топочного газа (4) на стороне топочного газа включена газовая турбина.
РИСУНКИ
|
|