|
|
(21), (22) Заявка: 2009100209/06, 11.01.2009
(24) Дата начала отсчета срока действия патента:
11.01.2009
(46) Опубликовано: 20.08.2010
(56) Список документов, цитированных в отчете о поиске:
RU 2053135 А, 27.01.1996. RU 2013621 C1, 30.05.1994. RU 2251625 C1, 10.05.2005. RU 2182247 C2, 10.05.2002. ЕР 0266581 В1, 07.03.1990. US 4461143 А, 24.07.1984.
Адрес для переписки:
625000, г.Тюмень, ул. Володарского, 38, ТюмГНГУ, патентно-информационный отдел
|
(72) Автор(ы):
Некрасов Владимир Иванович (RU), Иванов Игорь Алексеевич (RU)
(73) Патентообладатель(и):
Государственное образовательное учреждение высшего профессионального образования “Тюменский государственный нефтегазовый университет” (RU)
|
(54) ВАЛОПОВОРОТНОЕ И ПУСКОВОЕ УСТРОЙСТВО ГАЗОТУРБИННОЙ УСТАНОВКИ
(57) Реферат:
Использование – пуск газотурбинной установки, которую применяют для привода нагнетателей газа магистральных трубопроводов, энергетических машин, транспортных средств. Между приводным двигателем (электродвигатель, ДВС) и ротором компрессора установлен редуктор, состоящий из простого трехзвенного ПМ (планетарного механизма) и четырехступенчатой трехвальной сосной КП (коробки передач), состоящей из трех пар зацепленных шестерен. Пять муфт переключения передач обеспечивают работу ПМ в трех режимах: суммирующем, когда крутящий момент поступает на два звена и снимается с третьего редуктора, когда крутящий момент поступает на солнечную шестерню и снимается с водила при остановленном эпициклическом колесе, а также прямой передаче ПМ. Технический результат – обеспечение надежного пуска ГТУ при снижении сложности устройств его пуска за счет объединения двух устройств в одном. 2 ил., 1 табл.
Изобретение относится к системе запуска ГТУ (газотурбинных установок), используемых для привода нагнетателей транспортирования газа по магистральным газопроводам, привода энергетических установок и транспортных средств.
Известны ГТУ с валоповоротным и пусковым устройствами (1. Могильницкий И.П., Стешенко В.Н. Газотурбинные установки в нефтяной и газовой промышленности. М.: Недра, 1971. – 160 с. 2. Атлас конструкций и схем. Газотурбинные установки. / Под ред. Шубенко-Шубина. – М.: Машиностроение, 1976).
Эти устройства функционально разделены и сложны. Вначале срабатывает валоповоротное устройство, обеспечивающее вывод ротора с большой инерционной массой из состояния покоя. Затем в работу включается пусковое устройство, которое должно обеспечить частоту вращения ротора компрессора, достаточную для подачи воздуха с параметрами, реализующими запуск камеры сгорания и турбины. В качестве пускового устройства часто используют турбодетандер, для работы которого необходимо высокое давление газа, отбираемого из магистрального трубопровода.
Для совмещения двух функций в одном техническом устройстве возможно использование простого трехзвенного ПМ (планетарного механизма) на основе патента RU 2053135 С1, В60К 17/08. Автор В.И.Некрасов. (27.01.96. Бюл. 3).
Редуктор по патенту 2053135 обеспечивает семь передач. Три передачи реализуются ПМ в суммирующем режиме с постоянной частотой вращения солнечной шестерни и переменной частотой вращения водила, поток мощности снимается с эпициклического колеса. Изменение частоты вращения водила относительно частоты вращения солнечной шестерни обеспечивается четырехступенчатой трехвальной соосной КП (коробкой передач), состоящей из трех пар взаимозацепленных шестерен и двух муфт переключения. Четыре передачи реализуются тремя парами шестерен КП и по водилу ПМ.
Техническое решение по патенту 2053135 не может обеспечить надежный пуск ГТУ без использования энергии потока газа из магистрального газопровода, так как размещение передаточных чисел по диапазону неоптимально.
Задачей изобретения является обеспечение надежного пуска ГТУ без использования энергии потока газа из магистрального газопровода.
Технический результат достигается за счет совершенствования технического решения по патенту 2053135.
Достижение технического результата обеспечивается тем, что валоповоротное и пусковое устройство газотурбинной установки содержат приводной двигатель, редуктор и обгонную муфту ротора компрессора, при этом редуктор содержит трехвальную соосную коробку передач с тремя парами взаимозацепленных шестерен и простой трехзвенный планетарный механизм, три шестерни закреплены на промежуточном валу коробки передач, расположенном параллельно входному валу, на котором свободно установлены две шестерни, между ними на валу закреплен первый зубчатый венец с трехпозиционной муфтой переключения, свободно установлен трубчатый выходной вал со свободно установленной шестерней, на первом зубчатом венце этого вала между шестернями второго и третьего рядов расположена трехпозиционная муфта переключения, на втором зубчатом венце этого вала установлена сдвоенная двухпозиционная муфта, рядом с ней закреплен второй зубчатый венец входного вала и расположены зубчатые венцы вала привода солнечной шестерни и трубчатого вала водила планетарного механизма, сателлиты, расположенные на осях водила, зацеплены с солнечной шестерней, закрепленной на торце входного вала, а также с эпициклическим колесом, которое закреплено на выходном трубчатом валу с зубчатым венцом, рядом с ним расположены зубчатый венец выходного вала водила и зубчатый венец выходного вала редуктора с двухвенцовой двухпозиционной муфтой переключения, одновенцовая двухпозиционная муфта установлена на зубчатом венце стенки корпуса редуктора рядом с зубчатым венцом трубчатого вала эпициклического колеса.
Размещение сдвоенной двухпозиционной муфты переключения на валах между КП и ПМ, а также муфты между стенкой корпуса редуктора и зубчатым венцом трубчатого вала эпициклического колеса позволяет за счет реализации ПМ в режиме Ub ah=К+1 обеспечить надежный пуск ГТУ при оптимальном расположении передаточных чисел по диапазону.
Где U – передаточное число, индекс вверху указывает на остановленное звено ПМ «b» – эпициклическое колесо, индексы внизу «ah» – звенья входа (солнечная шестерня) и выхода (водило) потока мощности. К=Zb/Za – внутренний параметр ПМ, равный отношению числа зубьев эпициклического колеса к числу зубьев солнечной шестерни.
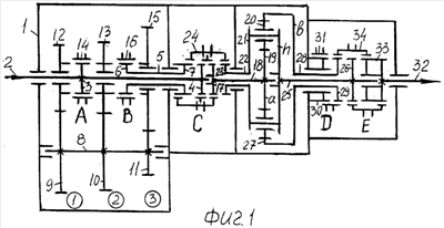
На фиг.1 показана кинематическая схема редуктора. В нижней части КП в окружностях показаны номера пар шестерен для таблицы.
На фиг.2 приведена лучевая диаграмма передаточных чисел, обеспечиваемых редуктором на фиг.1. На лучевой диаграмме величины передаточных чисел (U) отражены неравномерной шкалой внизу верхней горизонтали. В верхней части этой горизонтали приведена равномерная шкала величины передаточных чисел в логарифмическом масштабе (lq U), при этом луч, характеризующий величину передаточного числа, не изменяет своей величины.
Под диаграммой справа дана таблица передач, состояния муфт переключения при этих передачах и включенных элементов редуктора. Теоретически редуктор обеспечивает 11 передач: 4 передачи (11, 10, 8 и 7) в режиме КП при передаче крутящего момента по водилу ПМ, 4 передачи (6-3) при использовании ПМ в режиме К+1, 3 передачи (9, 2 и 1) при работе ПМ в суммирующем режиме. Передачи образуют 5 ступеней (11-9, 8-5, 4-3, 2 и 1-я передачи) практически с одинаковыми интервалами между ними, что обеспечит надежный пуск ГТУ.
В опорах корпуса 1 редуктора (см. фиг.1) расположен входной вал 2 КП, на котором закреплены первый зубчатый венец 3 и второй зубчатый венец 4. На входном валу 2 свободно расположен трубчатый выходной вал 5 КП, на торцах которого закреплены первый 6 и второй 7 зубчатые венцы. Параллельно входному 2 и выходному 5 валам установлен промежуточный вал 8, на котором закреплены шестерни 9-11. Шестерни 9 и 10 промежуточного вала 8 зацеплены с шестернями 12 и 13, свободно установленными на входном валу 2 около первого зубчатого венца 3, на котором расположена трехпозиционная муфта переключения 14 (А). Шестерня 11 зацеплена с шестерней 15, свободно установленной на трубчатом выходном валу 5 КП. На первом зубчатом венце 6 трубчатого выходного вала 5 между шестернями 13 и 15 расположена трехпозиционная муфта переключения 16 (В). Рядом с зубчатым венцом 4 расположен зубчатый венец 17, закрепленный на установленном соосно входному валу 2 КП валу 18 привода солнечной шестерни 19. Солнечная шестерня 19 зацеплена с сателлитами 20, установленными на осях водила 21, на трубчатом валу 22 которого закреплен зубчатый венец 23, расположенный рядом с зубчатым венцом 17 вала 18 привода солнечной шестерни 19. На втором зубчатом венце 7 трубчатого выходного вала 5 расположена сдвоенная двухпозиционная муфта переключения 24 (С). На выходном валу 25 водила 21 закреплен зубчатый венец 26. Эпициклическое колесо 27, зацепленное с сателлитами 20, закреплено на трубчатом выходном валу 28, на торце которого закреплен зубчатый венец 29, расположенный рядом с зубчатым венцом 26 выходного вала 25 водила 21. На стенке корпуса 1 рядом с зубчатым венцом 29 расположен зубчатый венец 30, на котором установлена двухпозиционная одновенцовая муфта переключения 31 (D). Соосно выходному валу 25 водила 21 расположен выходной вал 32 редуктора, на нем закреплен зубчатый венец 33, на котором установлена двухпозиционная двухвенцовая муфта переключения 34 (Е).
Работа редуктора осуществляется следующим образом.
1 передача
Муфты A, D и Е находятся в левом положении (Л), муфты В и С – в правом (П) – см. таблицу под фиг.2. Солнечная шестерня 19 получает прямой привод от входного вала 2 по внутреннему зубчатому венцу муфты 24 (С). Водило 21 получает привод через пары шестерен 1 и 3 с частотой вращения ниже, чем солнечная шестерня 19.
От приводного двигателя (электродвигатель, ДВС – двигатель внутреннего сгорания) по входному валу 2 (см. фиг.1), по зубчатому венцу 3 и муфте 14 (А) крутящий момент поступает на пару шестерен 1 (12-9), затем по промежуточному валу 8 на пару шестерен 3 (11-15), далее по муфте 16 (В) на первый зубчатый венец 6 и трубчатый выходной вал 5, второй зубчатый венец 7, по внешним зубчатым венцам муфты 24 (С) на зубчатый венец 23 и трубчатый вал 22 водила 21, на сателлитах 20 потоки мощности от солнечной шестерни 19 и водила 21 суммируются и снимаются от эпициклического колеса 27 по трубчатому выходному валу 28 на зубчатый венец 29, затем по муфте 34 (Е) на зубчатый венец 33 и выходной вал 32 редуктора (см. верхнее положение муфт C, D и Е на фиг.1)
На лучевой диаграмме (см. фиг.2) луч 1 из т.0 на средней горизонтали направлен вниз направо, затем луч 3 направо вверх на уровень IqU=0,47, при этом U=2,95. К точке на верхней горизонтали, равной 2,07, направлены два луча: один из т.0 от частоты вращения солнечной шестерни 19, второй от частоты вращения водила 21.
Частота вращения эпициклического колеса 27 и выходного вала редуктора 32, а также передаточное число редуктора определяются так:
nb=uh ba nа+ua bh nh=-nа/к+nh(к+1)/к=-3000/2+3000/2,95*3/2=25,4 об/мин; u1=3000/25,4=118,1; lq 118,1=2,07.
2 передача
Переключаем муфту А в правое положение – вместо пары шестерен 1 (12-9) включаем в работу пару шестерен 2 (13-10), передаточное число которой немного ниже, чем у первой пары.
От входного вала 1 по зубчатому венцу 3 и муфте 14 (А) крутящий момент поступает на пару шестерен 2 (13-10), на промежуточный вал 8 и далее как на первой передаче.
На лучевой диаграмме этой передаче принадлежат лучи 2 и 3. Луч 3 выходит на уровень lqU=0,45, при этом U=2,818.
nb=-3000/2+3000/2,818*3/2=96,9 об/мин; u2=3000/96,9=31; lq 31=1,49.
3 передача
Возвращаем муфту А в левое положение, изменяем положения муфт С, D и Е на противоположное. При этом ПМ переходит в режим К+1. Эпициклическое колесо 27 остановлено трубчатым валом 28, зубчатым венцом 29, муфтой D на зубчатом венце 30 стенки корпуса редуктора 1.
До зубчатого венца 7 выходного трубчатого вала 5 крутящий момент поступает как на первой передаче. Затем по внешним зубчатым венцам муфты С в левом положении на зубчатый венец 17, вал 18 привода солнечной шестерни 19, которая вращает сателлиты 20 относительно остановленного эпициклического колеса 27. Сателлиты 20 вращают водило 21 в три раза медленнее солнечной шестерни (при К=2), по валу 25 крутящий момент поступает на зубчатый венец 26, по муфте Е в правом положении (см. нижнее положение муфт C,D и Е на фиг.1) на зубчатый венец 33 и выходной вал 32 редуктора.
На лучевой диаграмме эта передача представлена лучами 1 и 3, далее пологий луч Ub ah=К+1 к верхней горизонтали на уровень lqU=0,47+0,477=0,947, при этом U3=8,85.
4 передача
Переключаем муфту А в правое положение. Вместо пары шестерен 1 работает пара шестерен 2.
До зубчатого венца 7 выходного трубчатого вала 5 крутящий момент поступает как на второй передаче, затем как на предыдущей передаче.
На лучевой диаграмме эта передача представлена лучами 2 и 3, далее пологий луч Ub ah=К+1 к верхней горизонтали на уровень lqU=0,45+0,477=0,927, при этом U4=8,455.
5 передача
Переключаем муфты А и В из правого положения в левое – включаем в работу пары шестерен 1 и 2.
До промежуточного вала 8 крутящий момент поступает как на 1-й и 3-й передачах. От промежуточного вала 8 по паре шестерен 2 (10-13) по муфте 16 (В) крутящий момент поступает на зубчатый венец 6 трубчатого выходного вала 5 КП, далее как на 3-й и 4-й передачах.
На лучевой диаграмме эта передача представлена лучами 1 и 2, далее пологий луч Ub ah=К+1 к верхней горизонтали на уровень lqU=0,02+0,477=0,497, при этом U5=3,14.
6 передача
Переключаем муфту А в правое положение – в КП прямая передача, шестерни выключены из работы.
Крутящий момент от входного вала 2 по зубчатому венцу 3 и муфте А поступает на корпус шестерни 13, далее как на предыдущей передаче.
На лучевой диаграмме эта передача представлена пологим лучом Ub ah=К+1 к верхней горизонтали на уровень lqU=0,477, при этом U6=3,0.
7 передача
Переключаем муфты А и D в левое положение, а муфты В и С – в правое, – ПМ выключен из работы, работают только шестерни КП, как на 1-й и 3-й передачах.
На лучевой диаграмме эта передача представлена лучами 1 и 3, затем вертикальный луч к верхней горизонтали на уровень lqU=0,47, при этом U7=2,95.
8 передача
Переключаем муфту А из левого положения в правое – КП работает, как на 2-й и 4-й передачах.
На лучевой диаграмме эта передача представлена лучами 2 и 3, затем вертикальный луч к верхней горизонтали на уровень lqU=0,45, при этом U8=2,818.
9 передача
Переключаем муфты А, В и Е из правого положения в левое, ПМ в суммирующем режиме.
До солнечной шестерни 19 крутящий момент передается, как на 1-й и 2-й передачах, а до водила 21, как на 5-й передаче.
На лучевой диаграмме эта передача показана лучами 1 и 2 на уровень lqU=0,02, при этом U=1,047, затем луч к верхней горизонтали на уровень lqU=0,03, при этом U9=1,072, туда же приходит луч из т.0:
nb=-3000/2+3000/1,047*3/2=2798 об/мин; u9=3000/2798=1,072.
10 передача
Переключаем муфту Е из левого положения в правое – ПМ выключен из работы.
Крутящий момент поступает на зубчатый венец 7 трубчатого выходного вала 5 КП, как на предыдущей передаче, далее по водилу 21, как на 7-й и 8-й передачах.
На лучевой диаграмме эта передача представлена лучами 1 и 2, затем вертикальный луч к верхней горизонтали на уровень lqU=0,02, при этом U10=1,047.
11 передача
Переключаем муфту А из левого положения в правое – в редукторе прямая передача. При изменении параметров шестерен КП и ПМ величины передаточных чисел изменятся.
Обозначения:
1 – корпус редуктора,
2 – входной вал КП,
3 – первый зубчатый венец входного вала КП,
4 – второй зубчатый венец входного вала КП.
5 – трубчатый выходной вал КП,
6 – первый зубчатый венец выходного вала КП,
7 – второй зубчатый венец выходного вала КП,
8 – промежуточный вал КП,
9-11 – шестерни промежуточного вала,
12, 13 – шестерни входного вала КП,
14 (А) – трехпозиционная муфта переключения на первом зубчатом венце 3 входного вала 2 КП,
15 – шестерня выходного трубчатого вала 5,
16 (В) – трехпозиционная муфта переключения на первом зубчатом венце 6 выходного трубчатого вала 5 КП,
17 – зубчатый венец вала 18,
18 – вал привода солнечной шестерни ПМ,
19 – солнечная шестерня ПМ,
20 – сателлиты водила ПМ,
21 – водило ПМ,
22 – трубчатый вал водила 21 ПМ,
23 – зубчатый венец трубчатого вала 22,
24 (С) – сдвоенная двухпозиционная муфта переключения второго зубчатого венца 7 трубчатого выходного вала 5 КП,
25 – выходной вал водила 21,
26 – зубчатый венец выходного вала 25 водила 21,
27 – эпициклическое колесо ПМ,
28 – трубчатый выходной вал эпициклического колеса 27,
29 – зубчатый венец трубчатого выходного вала 28,
30 – зубчатый венец стенки корпуса 1 редуктора,
31 – двухпозиционная одновенцовая муфта переключения зубчатого венца 30,
32 – выходной вал редуктора,
33 – зубчатый венец выходного вала 32,
34 (Е) – двухпозиционная двухвенцовая муфта переключения зубчатого венца 33 выходного вала 32.
Формула изобретения
Валоповоротное и пусковое устройство газотурбинной установки, содержащее приводной двигатель, редуктор и обгонную муфту ротора компрессора, отличающееся тем, что редуктор содержит трехвальную соосную коробку передач с тремя парами взаимозацепленных шестерен и простой трехзвенный планетарный механизм, три шестерни закреплены на промежуточном валу коробки передач, расположенном параллельно входному валу, на котором свободно установлены две шестерни, между ними на валу закреплен первый зубчатый венец с трехпозиционной муфтой переключения, свободно установлен трубчатый выходной вал со свободно установленной шестерней, на первом зубчатом венце этого вала между шестернями второго и третьего рядов расположена трехпозиционная муфта переключения, на втором зубчатом венце этого вала установлена сдвоенная двухпозиционная муфта, рядом с ней закреплен второй зубчатый венец входного вала и расположены зубчатые венцы вала привода солнечной шестерни и трубчатого вала привода водила планетарного механизма, сателлиты, расположенные на осях водила, зацеплены с солнечной шестерней, а также с эпициклическим колесом, которое закреплено на выходном трубчатом валу с зубчатым венцом, рядом с ним расположены зубчатый венец выходного вала водила и зубчатый венец выходного вала редуктора с двухвенцовой двухпозиционной муфтой переключения, одновенцовая двухпозиционная муфта установлена на зубчатом венце стенки корпуса редуктора рядом с зубчатым венцом трубчатого вала эпициклического колеса.
РИСУНКИ
|
|