|
(21), (22) Заявка: 2008139839/11, 07.10.2008
(24) Дата начала отсчета срока действия патента:
07.10.2008
(43) Дата публикации заявки: 20.04.2010
(46) Опубликовано: 20.08.2010
(56) Список документов, цитированных в отчете о поиске:
RU 2300492 C1, 10.06.2007. RU 2297372 C2, 20.04.2007. US 5001924 A, 26.03.1991. FR 2685084 A1, 18.06.1993.
Адрес для переписки:
662972, Красноярский край, ЗАТО Железногорск, г. Железногорск, ул. Ленина, 52, ОАО “ИСС”, Р.П. Туркеничу
|
(72) Автор(ы):
Тестоедов Николай Алексеевич (RU), Косенко Виктор Евгеньевич (RU), Бартенев Владимир Афанасьевич (RU), Халиманович Владимир Иванович (RU), Данилов Евгений Николаевич (RU), Близневский Александр Сергеевич (RU), Акчурин Владимир Петрович (RU), Алексеев Николай Григорьевич (RU), Загар Олег Вячеславович (RU), Гупало Виктор Кузьмич (RU), Воловиков Виталий Гавриилович (RU), Колесников Анатолий Петрович (RU), Сергеев Юрий Дмитриевич (RU), Трубкин Петр Иванович (RU), Туркенич Роман Петрович (RU), Шилкин Олег Валентинович (RU)
(73) Патентообладатель(и):
Открытое акционерное общество “Информационные спутниковые системы” имени академика М.Ф. Решетнева” (RU)
|
(54) СПОСОБ ЗАПРАВКИ ТЕПЛОНОСИТЕЛЕМ ГИДРОМАГИСТРАЛИ СИСТЕМЫ ТЕРМОРЕГУЛИРОВАНИЯ КОСМИЧЕСКОГО АППАРАТА
(57) Реферат:
Изобретение относится к космической технике, в частности к способам заправки теплоносителем гидромагистралей систем терморегулирования телекоммуникационных спутников. Способ заправки теплоносителем гидромагистрали системы терморегулирования космического аппарата включает измерение объема сухой гидромагистрали, полное заполнение предварительно отвакууммированной гидромагистрали деаэрированным теплоносителем под избыточным давлением, слив дозы теплоносителя из жидкостной полости компенсатора объема системы и измерение объема его газовой полости с использованием эталонной емкости. После слива дозы теплоносителя объем нерастворенных пузырей газа в гидромагистрали определяют на основании измеряемых данных. Достигается повышение надежности работы системы терморегулирования космических аппаратов. 2 ил.
Изобретение, созданное авторами в порядке выполнения служебного задания, относится к космической технике – к способам заправки теплоносителем (жидким или двухфазным) гидромагистралей систем терморегулирования (СТР) космических аппаратов (КА), например телекоммуникационных спутников.
В настоящее время телекоммуникационные спутники, как правило, создаются со сроком активного существования на орбите (САС) не менее 10-15 лет и для гарантированного обеспечения САС гидромагистрали СТР должны быть изготовлены высококачественно, в частности, после заправки гидромагистрали определенным количеством деаэрированного теплоносителя в гидромагистрали не должно быть пузырей нерастворенного воздуха более допустимой нормы.
Предусмотренная технология изготовления СТР – способ заправки теплоносителем гидромагистрали должна обеспечить вышеуказанное требование по качественному изготовлению СТР.
Известны способы заправки теплоносителем гидромагистралей по патентам RU 2300492 [1], 2308402 [2].
Согласно [1] для измерения объема пузырей нерастворенного газа в гидромагистрали с использованием вновь введенного в конструкцию заправщика дополнительного устройства с уровнемером предварительно полностью заполненную теплоносителем гидромагистраль СТР отключают от заправочного бака под избыточным давлением, т.е. гидромагистраль СТР до следующей операции открытия заправочного вентиля остается без компенсации температурного изменения объема теплоносителя и велика вероятность недопустимого повышения давления в ней в результате повышения температуры окружающего СТР воздуха и вплоть до повреждения гидромагистрали – потери герметичности или из-за пребывания под недопустимо высоким давлением СТР потеря герметичности гидромагистрали в будущем из-за скрытого брака в результате воздействия недопустимо высокого давления в ней; кроме того, известный способ определения объема газовых пузырей обеспечивает недостоверное измерение объема газовых пузырей, т.к. в СТР всегда имеются упругие элементы (например, гибкий трубопровод или резервный компенсатор объема, герметичная газовая полость которого заполнена двухфазным рабочим телом, например фреоном 141в) и изменение объема в уровнемере вполне возможно и обусловлено упругой деформацией упругих элементов, а газовых пузырей в гидромагистрали может быть и нет – согласно известному способу, если измеренное изменение объема в уровнемере больше допустимого (хотя это может быть обусловлено только упругой деформацией гибких элементов гидромагистрали СТР), приходится слить и перезаправлять гидромагистраль теплоносителем (в принципе – многократно), что не приемлемо в условиях изготовления СТР, т.к. при этом потребуются бесцельные неоправданные затраты материально-технических средств и времени изготовления СТР.
Согласно [2] для измерения объема нерастворенных пузырей в теплоносителе путем измерения минимального конструктивного объема газовой полости компенсатора, так же как и в [1], применяется способ отключения полностью заправленной теплоносителем гидромагистрали (и находящейся под избыточным давлением) от емкости заправщика, т.е. также вполне возможна вероятность разрушения гидромагистрали или преждевременной потери ее герметичности в условиях САС; точно так же, как и в [1], измеренный по этому способу объем нерастворенного газа в действительности вполне возможно является не объемом нерастворенного газа в теплоносителе гидромагистрали, а является изменением объема гидромагистрали из-за упругой деформации ее упругих элементов.
Как видно из вышеизложенного, известные технические решения согласно [1] и [2] не обеспечивают достоверный контроль наличия нерастворенных пузырей газа, не говоря уже о повышении точности контроля величины объема нерастворенных пузырей, о чем некорректно изложено в этих известных решениях.
Таким образом, как показал анализ, предложенные известные технические решения не могут быть приняты к реализации в производстве СТР спутников из-за ухудшения качества СТР после (при) использования их при заправке гидромагистралей теплоносителем (возможно разрушение гидромагистрали в процессе заправки или скрытый брак: потеря гидромагистралью герметичности на начальном этапе САС из-за пребывания гидромагистрали под недопустимо высоким давлением).
Таким образом, общим существенным недостатком известных технических решений [1], [2] является недостаточно высокая надежность обеспечения качественного изготовления СТР КА (с САС, например, не менее 10-15 лет) в процессе заправки теплоносителем гидромагистрали.
Анализ источников информации по патентной и научно-технической литературе показал, что наиболее близким по технической сути – прототипом предлагаемого технического решения является способ заправки теплоносителем гидромагистрали СТР КА на основе изложенного в [2].
На основе [2] способ заправки теплоносителем гидромагистрали СТР заключается в следующем (см. фиг.2):
– осуществляют сборку гидромагистрали 1;
– измеряют объем гидромагистрали 1 с использованием эталонной емкости 2 (подключив ее к входу гидромагистрали);
– проводят проверку степени герметичности гидромагистрали 1, для чего СТР помещают в вакуумную камеру, подают в гидромагистраль, например, 100% гелий и определяют его утечку, которая должна быть не более заданной в ТД;
– проводят деаэрацию теплоносителя в заправочном баке 3, для чего полость над зеркалом теплоносителя вакуумируют до тех пор, пока давление над зеркалом не установится до стабильного значения, равного давлению насыщенных паров теплоносителя при измеренной температуре;
– вакуумируют гидромагистраль СТР и соответствующих магистралей заправщика, например, до давления не выше 1 мм рт.ст.;
– под избыточным давлением проводится полное заполнение гидромагистрали, в т.ч. полное заполнение жидкостной полости компенсатора объема 4 (т.е. в это время сильфон компенсатора объема полностью сжат и объем газовой полости имеет конструктивно минимально возможную величину);
– затем закрывают заправочный 5 и дренажный 6 вентили гидромагистрали 1 (т.е. с этого момента гидромагистраль СТР, полностью заполненная теплоносителем, остается без компенсации температурного изменения объема теплоносителя и в случае соответствующего повышения температуры окружающего воздуха давление в гидромагистрали 1 СТР возрастает выше допустимого вплоть до разрушения гидромагистрали);
– с помощью эталонной емкости 7 фактически дважды измеряют объем (конструктивно минимально возможный) газовой полости компенсатора объема 4 СТР и на основе измеренных данных судят (как было указано выше – некорректно) о величине объема нерастворенного газа в гидромагистрали 1 СТР;
– сообщают газовую полость компенсатора объема СТР с атмосферой и открывают заправочный вентиль 5 гидромагистрали и ее сообщают с полостью заправочного бака, находящегося под избыточным давлением (т.е. только с этого момента гидромагистраль СТР будет находиться под компенсацией температурного изменения объема теплоносителя);
– закрывают заправочный вентиль 5, затем открывают дренажный вентиль 6 и концевой вентиль 8 и сливают требуемую дозу теплоносителя из жидкостной полости компенсатора объема 4 и закрывают дренажный вентиль 6;
– измеряют объем газовой полости, которая должна быть равна сумме объемов: минимально конструктивно возможного объема газовой полости компенсатора объема 4 плюс слитой дозы теплоносителя;
– разбирают схему заправки теплоносителем гидромагистрали СТР.
Как было указано выше, существенным недостатком известного технического решения [2] является недостаточно высокая надежность обеспечения качественного изготовления СТР КА (с САС, например, не менее 10-15 лет) в процессе заправки теплоносителем гидромагистрали.
Целью предлагаемого авторами технического решения является устранение вышеуказанного существенного недостатка.
Поставленная цель достигается тем, что в способе заправки теплоносителем гидромагистрали СТР КА, включающем измерение объема сухой гидромагистрали, затем полное заполнение предварительно отвакуумированной гидромагистрали деаэрированным теплоносителем под избыточным давлением, после чего слив дозы теплоносителя из жидкостной полости компенсатора объема системы и измерение объема его газовой полости с использованием эталонной емкости – после слива дозы теплоносителя объем нерастворенных пузырей газа в гидромагистрали определяют на основе данных нижеуказанных измерений согласно соотношениям




где Vн.г – объем нерастворенных пузырей газа в заправленной требуемым количеством деаэрированного теплоносителя гидромагистрали, дм3;
Vг.п , Vг.п’ – измеренные с помощью эталонной емкости объемы газовой полости компенсатора объема соответственно при различных начальных давлениях (Рэт , Рэт’) в эталонной емкости, дм3;
Vн.г.доп – допустимая согласно технической документации норма, дм3;
Рнач – установленное (требуемое) начальное абсолютное давление в газовой полости компенсатора объема до соединения ее с эталонной емкостью при измерениях, Па;
PS – максимальное значение абсолютного давления газа (или упругости паров рабочего тела при измеренной температуре) над упругими элементами гидромагистрали, Па;
Ржест – минимально возможное значение перепада давления, достаточное для установки всех упругих элементов до положения, после которого деформация их происходит по закону упругой деформации, Па;
– плотность теплоносителя, кг/м3;
Н – максимальное значение разности высот относительно уровня Земли между упругими элементами гидромагистрали и положением днища сильфона компенсатора объема, м;
g – нормальное ускорение силы тяжести при наземных измерениях, м/с2;
н.г.доп – допустимая согласно технической документации норма, дм3;
Vэт – объем эталонной емкости, дм3;
Рэт’, Рэт – установленные различные начальные абсолютные давления в эталонной емкости при первом и втором измерениях Vг.п’ и Vг.п , Па;
Руст’>Рнач, Руст >Pнач – измеренные установившиеся абсолютные давления в системе (не превышающие допустимого значения давления в гидромагистрали): эталонная емкость + открытый вентиль + соединительные трубопроводы + газовая полость компенсатора объема при первом и втором измерениях Vг.п’ и Vг.п , Па;
Купр.деф – экспериментально определенный коэффициент удельного изменения объема гидромагистрали в результате упругой деформации гибких элементов гидромагистрали при изменении давления теплоносителя в гидромагистрали, дм3,
что и является, по мнению авторов, существенными отличительными признаками предлагаемого авторами технического решения.
В результате анализа, проведенного авторами известной патентной и научно-технической литературы, предложенное сочетание существенных отличительных признаков заявляемого технического решения в известных источниках информации не обнаружено и, следовательно, известные технические решения не проявляют тех же свойств, что в заявляемом способе заправки теплоносителем гидромагистрали СТР КА.
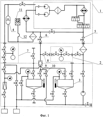
Предложенный способ заправки теплоносителем гидромагистрали СТР КА включает в себя выполняемые в следующей последовательности операции (см. фиг.1, где изображена схема СТР, гидромагистраль которой состыкована с магистралями устройства заправки теплоносителем гидромагистрали СТР КА):
– осуществляют сборку гидромагистрали 1;
– измеряют объем гидромагистрали 1 с использованием эталонной емкости 2 (подключив ее к входу гидромагистрали);
– проводят проверку степени герметичности гидромагистрали 1, для чего СТР помещают в вакуумную камеру, подают в гидромагистраль, например, 100% гелий и определяют утечку его, которая должна быть не более заданной в ТД;
– проводят деаэрацию теплоносителя в заправочном баке 3, для чего полость над зеркалом теплоносителя вакууммируют до тех пор, пока давление над зеркалом не установится до стабильного значения, равного давлению насыщенных паров теплоносителя при измеренной температуре;
– вакуумируют гидромагистраль 1 СТР и соответствующие магистрали заправщика, например, до давления не выше 1 мм рт.ст.;
– под избыточным давлением осуществляют полное заполнение гидромагистрали 1, в т.ч. полное заполнение жидкостных полостей компенсаторов объема 4 и 11 (т.е. в это время сильфоны компенсаторов объема полностью сжаты и объем газовой полости компенсатора объема 4 имеет конструктивно минимально возможную величину);
– выполняют последовательно: закрывают вентили 9 и 10, открывают дренажный вентиль 6, закрывают заправочный вентиль 5 гидромагистрали, затем открывают концевой вентиль 8 и сливают требуемую дозу теплоносителя из жидкостной полости компенсатора объема 4 и закрывают дренажный вентиль 6;
– после слива дозы теплоносителя объем нерастворенных пузырей газа в гидромагистрали 1 определяют на основе данных нижеуказанных измерений согласно соотношениям (полученным авторами на основе анализа физических процессов, происходящих при заправке СТР теплоносителем и измерениях объема газовой полости компенсатора объема 4, и экспериментальных данных по компенсаторам объема 4, 11 и гибкого трубопровода 12):




где Vн.г – объем нерастворенных пузырей газа в заправленной требуемым количеством деаэрированного теплоносителя гидромагистрали, дм;
Vг.п , Vг.п’ – измеренные с помощью эталонной емкости объемы газовой полости компенсатора объема соответственно при различных начальных давлениях (Рэт , Рэт’) в эталонной емкости, дм3;
Vн.г.доп – допустимая согласно технической документации норма, дм3;
Рнач – установленное (требуемое) начальное абсолютное давление в газовой полости компенсатора объема до соединения ее с эталонной емкостью при измерениях, Па;
PS – максимальное значение абсолютного давления газа (или упругости паров рабочего тела при измеренной температуре) над упругими элементами гидромагистрали, Па;
Ржест – минимально возможное значение перепада давления, достаточное для установки всех упругих элементов до положения, после которого деформация их происходит по закону упругой деформации, Па;
– плотность теплоносителя, кг/м3;
Н – максимальное значение разности высот относительно уровня Земли между упругими элементами гидромагистрали и положением днища сильфона компенсатора объема, м;
g – нормальное ускорение силы тяжести при наземных измерениях, м/с2;
Vн.г.доп – допустимая согласно технической документации норма, дм3;
Vэт – объем эталонной емкости, дм3;
Рэт’, Рэт – установленные различные начальные абсолютные давления в эталонной емкости при первом и втором измерениях Vг.п’ и Vг.п , Па;
Руст’>Рнач, Руст >Pнaч – измеренные установившиеся абсолютные давления в системе (не превышающие допустимого значения давления в гидромагистрали): эталонная емкость + открытый вентиль + соединительные трубопроводы + газовая полость компенсатора объема при первом и втором измерениях Vг.п’ и Vг.п , Па;
Купр.деф. – экспериментально определенный коэффициент удельного изменения объема гидромагистрали в результате упругой деформации гибких элементов гидромагистрали при изменении давления теплоносителя в гидромагистрали, дм3;
– измеряют объем газовой полости, которая должна быть равна сумме объемов: минимально конструктивно возможного объема газовой полости компенсатора объема 4 плюс слитой дозы теплоносителя;
– если замечания по предыдущей операции отсутствуют, значит гидромагистраль СТР теплоносителем заправлена качественно и разбирают схему заправки теплоносителем гидромагистрали СТР.
Как видно из вышеизложенного, в результате использования предложенного способа заправки теплоносителем гидромагистрали 1 СТР КА:
– исключается пребывание гидромагистрали 1 СТР под воздействием недопустимо повышенного давления теплоносителя в ней в процессе измерения величины объема нерастворенных пузырей газа в гидромагистрали 1, т.к. перед измерениями слита из гидромагистрали 1 доза теплоносителя;
– обеспечивается достоверное измерение объема нерастворенных пузырей газа в гидромагистрали 1, т.к. способ учитывает деформацию гидромагистрали.
Следует отметить, что
– вышепредложенный авторами способ заправки теплоносителем гидромагистрали также высокоэффективен при использовании его для заправки СТР, изображенной в прототипе [2];
– предложенное техническое решение может быть также высокоэффективно использовано при дальнейших периодических проверках качества СТР вплоть до запуска КА.
Таким образом, как видно из вышеизложенного, в результате использования предложенного авторами способа заправки теплоносителем гидромагистрали при производстве СТР КА повышается надежность обеспечения качественного изготовления СТР КА с длительным САС, например, не менее 10-15 лет и, следовательно, предложенное авторами техническое решение устраняет существенный недостаток известных технических решений, т.е. тем самым достигается цель изобретения.
Формула изобретения
Способ заправки теплоносителем гидромагистрали системы терморегулирования космического аппарата, включающий измерение объема сухой гидромагистрали, затем полное заполнение предварительно отвакууммированной гидромагистрали деаэрированным теплоносителем под избыточным давлением, после чего слив дозы теплоносителя из жидкостной полости компенсатора объема системы и измерение объема его газовой полости с использованием эталонной емкости, отличающийся тем, что после слива дозы теплоносителя объем нерастворенных пузырей газа в гидромагистрали определяют на основе данных нижеуказанных измерений согласно соотношениям



 где Vн.г – объем нерастворенных пузырей газа в заправленной требуемым количеством деаэрированного теплоносителя гидромагистрали, дм3; Vг.п”, Vг.п’ – измеренные с помощью эталонной емкости объемы газовой полости компенсатора объема соответственно при различных начальных давлениях (Рэт”, Рэт’) в эталонной емкости, дм3;
Vн.г.доп – допустимая согласно технической документации норма, дм3; Рнач – установленное (требуемое) начальное абсолютное давление в газовой полости компенсатора объема до соединения ее с эталонной емкостью при измерениях, Па; PS – максимальное значение абсолютного давления газа (или упругости паров рабочего тела при измеренной температуре) над упругими элементами гидромагистрали, Па;
Ржест – минимально возможное значение перепада давления, достаточное для установки всех упругих элементов до положения, после которого деформация их происходит по закону упругой деформации, Па;
– плотность теплоносителя, кг/м3;
Н – максимальное значение разности высот относительно уровня Земли между упругими элементами гидромагистрали и положением днища сильфона компенсатора объема, м; g – нормальное ускорение силы тяжести при наземных измерениях, м/с2;
Vн.г.доп – допустимая согласно технической документации норма, дм3; Vэт – объем эталонной емкости, дм3; Рэт’, Рэт” – установленные различные начальные абсолютные давления в эталонной емкости при первом и втором измерениях Vг.п’ и Vг.п”, Па; Руст’>Рнач, Руст”>Рнач – измеренные установившиеся абсолютные давления в системе (не превышающие допустимого значения давления в гидромагистрали): эталонная емкость + открытый вентиль + соединительные трубопроводы + газовая полость компенсатора объема при первом и втором измерениях Vг.п’ и Vг.п”, Па; Купр.деф – экспериментально определенный коэффициент удельного изменения объема гидромагистрали в результате упругой деформации гибких элементов гидромагистрали при изменении давления теплоносителя в гидромагистрали, дм3.
РИСУНКИ
|