|
| На основании пункта 1 статьи 1366 части четвертой Гражданского кодекса Российской Федерации патентообладатель обязуется заключить договор об отчуждении патента на условиях, соответствующих установившейся практике, с любым гражданином Российской Федерации или российским юридическим лицом, кто первым изъявил такое желание и уведомил об этом патентообладателя и федеральный орган исполнительной власти по интеллектуальной собственности. |
|
(21), (22) Заявка: 2009103176/11, 30.01.2009
(24) Дата начала отсчета срока действия патента:
30.01.2009
(46) Опубликовано: 20.08.2010
(56) Список документов, цитированных в отчете о поиске:
RU 2175398 С2, 27.10.2001. RU 2065985 C1, 27.08.1996. RU 2108477 C1, 10.04.1998. US 4771600 A, 20.09.1988. JP 11229963 A, 24.08.1999.
Адрес для переписки:
443112, г.Самара, ул. Крайняя, 18, кв.17, Н.Б. Болотину
|
(72) Автор(ы):
Болотин Николай Борисович (RU)
(73) Патентообладатель(и):
Болотин Николай Борисович (RU)
|
(54) МНОГОСТУПЕНЧАТАЯ РАКЕТА-НОСИТЕЛЬ, СПОСОБ ЕЕ ЗАПУСКА, ЧЕТЫРЕХКОМПОНЕНТНЫЙ РАКЕТНЫЙ ДВИГАТЕЛЬ И ЧЕТЫРЕХКОМПОНЕНТНЫЙ ГАЗОГЕНЕРАТОР
(57) Реферат:
Изобретение относится к ракетной технике, а именно к многоступенчатой ракете-носителю, к способу ее запуска, к четырехкомпонентному ракетному двигателю и к четырехкомпонентному газогенератору. Ракета-носитель содержит ракетные блоки первой и второй ступени ракеты-носителя с баками окислителя и горючего, соединенные узлами силовой связи и оборудованные двигателем первой и двигателем второй ступеней. В блоке и второй ступени установлены баки второго горючего и второго окислителя, двигатели второй ступени выполнены содержащими камеру сгорания и турбонасосный агрегат. В состав турбонасосного агрегата входят турбина, четырехкомпонентный газогенератор, насос первого окислителя, насос второго окислителя, насос второго горючего, дополнительный насос второго горючего, насос первого горючего и дополнительный насос первого горючего. Способ запуска ракеты-носителя включает одновременный запуск двигателей первой и второй ступеней, работающих на первом окислителе и первом горючем, выключение двигателей первой ступени и сброс блоков первой ступени. После сброса ракетных блоков первой ступени каждый двигатель второй ступени также переводят на питание вторым горючим. Четырехкомпонентный ракетный двигатель содержит камеры сгорания с реактивным соплом, имеющим систему регенеративного охлаждения, газогенератор, турбонасосный агрегат. В турбонасосный агрегат входит турбина, четырехкомпонентный газогенератор, насос первого окислителя, насос второго окислителя, насос второго горючего, дополнительный насос второго горючего и дополнительный насос первого горючего. Выходы всех насосов соединены с входом в четырехкомпонентный газогенератор, выход из него газоводом соединен с каждой камерой сгорания. Четырехкомпонентный газогенератор содержит корпус форсунки первого окислителя и первого горючего, форсунки второго горючего и второго окислителя. Достигается улучшение энергетических характеристик ракеты-носителя и повышение надежности системы топливоподачи. 4 н. и 6 з.п. ф-лы, 6 ил.
Изобретение относится к ракетной технике, конкретно к ракетам-носителям и жидкостным ракетным двигателям ЖРД, работающим на четырех компонентах топлива, преимущественно на криогенном окислителе, жидком кислороде и фторе и углеводородном горючем и жидком водороде в качестве второго горючего.
Известна многоступенчатая ракета-носитель по патенту РФ 2306242, которая содержит пакет из двух ступеней: центрального блока второй ступени и четырех боковых блоков первой ступени, выполненных с возможностью отстыковки. Возможна установка третьей, четвертой и последующих ступеней ракеты. В ракетных блоках всех ступеней установлены баки окислителя и первого горючего, а в нижней части установлены двухкомпонентные ракетные двигатели. Второе горючее на ракете не применяется.
Известна многоступенчатая ракета-носитель и способ ее запуска по патенту РФ 2331550, прототип многоступенчатой ракеты-носителя и способа ее запуска. Ее конструкция аналогична ракете-носителю по патенту РФ 2306242. При запуске осуществляют запуск одновременно ракетных двигателей первой и второй ракетных ступеней, а после выработки топлива блоки первой ступени отбрасываются, а двигатель второй ступени продолжает работу. Второе горючее на этой ракете-носителе также не применяется. В качестве первого горючего используется керосин, обладающий низкими энергетическими свойствами по сравнению с водородом.
Недостатками этой ракеты являются ограниченная тяговооруженность, а следовательно, плохие технические характеристики: скорость на конечном участке работы двигателей второй ступени, малая полезная нагрузка, невозможность использования ракеты для межпланетных перелетов.
Известен жидкостный ракетный двигатель по патенту РФ 2095607, предназначенный для использования в составе космических разгонных блоков, ступеней ракетоносителей и как маршевый двигатель космических аппаратов, включает в себя камеру сгорания с регенеративным трактом охлаждения и турбонасосный агрегат – ТНА. Турбонасосный агрегат содержит насосы подачи компонентов – горючего и окислителя – с турбиной на одном валу, в который введен конденсатор.
Недостатком ТНА двигателя является ухудшение кавитационных свойств насоса при перепуске конденсата.
Известны способ работы ЖРД и жидкостный ракетный двигатель по патенту РФ 2187684. Способ работы жидкостного ракетного двигателя заключается в подаче компонентов топлива в камеру сгорания двигателя, газификации одного из компонентов в тракте охлаждения камеры сгорания, подводе его на турбину турбонасосного агрегата с последующим сбросом в форсуночную головку камеры сгорания. Часть расхода одного из компонентов топлива направляют в камеру сгорания, а оставшуюся часть газифицируют и направляют на турбины турбонасосных агрегатов. Отработанный на турбинах газообразный компонент смешивают с жидким компонентом, поступающим в двигатель при давлении, превышающем давление насыщенных паров получаемой смеси.
Недостатком этой схемы является то, что тепловой энергии, снимаемой при охлаждении камеры сгорания, может оказаться недостаточно для привода турбонасосного агрегата двигателя очень большой мощности.
Известен ЖРД по патенту РФ 2190114, МПК 7 F02K 9/48, опубл. 27.09.2002 г. Этот ЖРД включает в себя камеру сгорания с трактом регенеративного охлаждения, турбонасосный агрегат ТНА с насосами окислителя и горючего, выходные магистрали которых соединены с головкой камеры сгорания, основную турбину и контур привода основной турбины. В контур привода основной турбины входят последовательно соединенные между собой насос горючего и тракт регенеративного охлаждения камеры сгорания, соединенный с входом в основную турбину. Выход из турбины ТНА соединен с входом второй ступени насоса горючего.
Этот двигатель имеет существенный недостаток. Перепуск подогретого в тракте регенеративного охлаждения камеры сгорания горючего на вход во вторую ступень насоса горючего приведет к его кавитации. Кроме того, не проработана система запуска ЖРД, система воспламенения компонентов топлива и система выключения ЖРД и его очистки от остатков горючего в тракте регенеративного охлаждения камеры сгорания.
Известен трехкомпонентный ракетный двигатель по патенту РФ 2065985. Этот двигатель содержит камеру сгорания, три турбонасосных агрегата ТНА, предназначенных для перекачки окислителя, первого горючего и второго горючего, и трехкомпонентный газогенератор. При этом двигатель может работать на одном горючем или одновременно на двух горючих. Однако двигатель имеет недостатки: сложность конструкции, большое количество клапанов и наличие трех турбонасосных агрегатов снижает надежность двигателя, т.к. отказ любого агрегата приведет к аварии. При такой схеме двигателя технически трудно реализовать многоразовый запуск, т.к. наиболее вероятные предполагаемые компоненты ракетного топлива: жидкий кислород, углеводородное топливо (керосин) и жидкий водород) не являются самовоспламеняющимися.
Известен трехкомпонентный жидкостный ракетный двигатель по патенту США 4771600, прототип ракетного двигателя (Приложение 1), который содержит одну камеру сгорания и от трех до шести турбонасосных агрегатов: для подачи окислителя, первого горючего и второго горючего. Охлаждение камеры сгорания выполняется вторым горючим (водородом), т.е. работа двигателя только на первом и только на втором горючем не предусмотрена. Это является одним из недостатков схемы. Кроме того, наличие 3 6 турбонасосных агрегатов, большого количества клапанов значительно снижает надежность двигателя. Для привода всех турбин турбонасосных агрегатов (ТНА) используют водород, подогретый в рубашке охлаждения камеры сгорания. Подогретый водород обладает большим энергетическим потенциалом, и энергии водорода вполне достаточно для привода всех ТНА, но стоимость водорода на два-три порядка выше стоимости углеводородного горючего. Применение дорогостоящего водорода оправдано для второй и последующих ступеней ракеты-носителя, т.к. при сгорании водорода в камерах сгорания ЖРД они могут создать значительно большую силу тяги и обеспечить лучшие характеристики двигателей по сравнению с работающими на углеводородном топливе. В целом одновременно сжигание первого и второго (более дорогостоящего горючего, например водорода) с момента запуска многоступенчатой ракеты-носителя до вывода полезной нагрузки на орбиту приведет к удорожанию программы запуска ракет-носителей и не оправдано с экономической точки зрения.
Задачей создания изобретения является улучшение технических характеристик ракеты-носителя, улучшение энергетических характеристик ракетных двигателей второй (и последующих) ступени (ей) ракеты-носителя, повышение надежности системы топливоподачи, в том числе турбонасосного агрегата, за счет упрощения системы топливоподачи и уменьшения времени его захолаживания.
Решение указанной задачи достигнуто в многоступенчатой ракете-носителе, содержащей соединенные по параллельной схеме ракетные блоки первой и второй ступени ракеты-носителя с баками окислителя и горючего, соединенные узлами силовой связи и оборудованные, по меньшей мере, одним двигателем первой и одним двигателем второй ступеней, отличающейся тем, что в блоке и второй ступени установлены баки второго горючего и второго окислителя, двигатели первой и второй ступеней выполнены содержащими камеру сгорания и турбонасосный агрегат, установленный параллельно оси камеры сгорания или под углом к ней, в состав турбонасосного агрегата входят турбина, четырехкомпонентный газогенератор, насос первого окислителя, насос второго окислителя, насос второго горючего, дополнительный насос второго горючего, насос первого горючего и дополнительный насос первого горючего.
Решение указанных задач достигнуто в способе запуска многоступенчатой ракеты-носителя, содержащей ракетные блоки первой и второй ступеней, включающем одновременный запуск двигателей первой и второй ступеней, работающих на первом окислителе и первом горючем, выключение двигателей первой ступени и сброс блоков первой ступени, и отличающемся тем, что перед выключением двигателей первой ступени их переводят на работу на втором горючем, после сброса ракетных блоков первой ступени каждый двигатель второй ступени также переводят на питание вторым горючим. Перед подачей второго горючего форсунки четырехкомпонентного газогенератора продувают инертным газом для удаления остатков первого горючего. Перед подачей второго горючего в газогенератор и камеру сгорания охлаждают насос второго горючего и дополнительный насос второго горючего, сбрасывая второе горючее через дренажный клапан до получения в дренажном трубопроводе жидкой фазы, что контролируют по датчику температуры, установленному перед дренажным клапаном. После выключения двигателя форсунки четырехкомпонентного газогенератора первой и второй зон продувают инертным газом для удаления остатков второго горючего.
Решение указанных задач достигнуто в четырехкомпонентном жидкостном ракетном двигателе, содержащем не менее одной камеры сгорания с реактивным соплом, имеющим систему регенеративного охлаждения, газогенератор, турбонасосный агрегат, содержащий турбину, газогенератор, насос окислителя и насосы горючего, отличающемся тем, что турбонасосный агрегат содержит два насоса горючего и два дополнительных насоса горючего, которые предназначены для последовательной во времени работы на первом и втором горючем без смены окислителя, при этом насос второго горючего и дополнительный насос второго горючего установлены непосредственно под насосом окислителя, применен четырехкомпонентный газогенератор, насос окислителя, насос второго горючего, дополнительный насос второго горючего, насос первого горючего и дополнительный насос первого горючего, причем насос второго горючего установлен непосредственно под насосом окислителя, а выходы всех насосов соединены с входом в четырехкомпонентный газогенератор, выход из него газоводом соединен с каждой камерой сгорания. Двигатель имеет блок управления, а все клапаны соединены электрической связью с блоком управления. Между дополнительным насосом второго горючего и пускоотсечным клапаном второго горючего подсоединен дренажный трубопровод, содержащий дренажный клапан. Перед дренажным клапаном установлен датчик температуры, соединенный электрической связью с блоком управления.
Решение указанных задач достигнуто в четырехкомпонентном газогенераторе, содержащем корпус, форсунки окислителя и форсунки горючего, тем, что дополнительно выполнены форсунки второго горючего и второго окислителя.
Промышленная применимость обусловлена тем, что все элементы, входящие в компоновку ТНА, известны из уровня техники и широко применяются в двигателестроении.
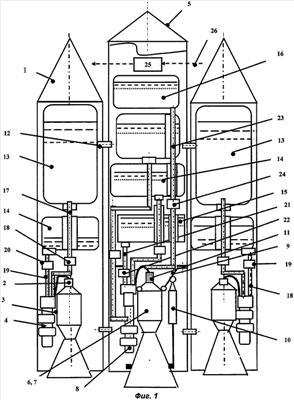
Сущность изобретения поясняется на фиг.1 6, где:
– на фиг.1 приведена схема ракеты-носителя,
– на фиг.2 приведена схема трехкомпонентного ракетного двигателя,
– на фиг.3 приведена головка камеры сгорания,
– на фиг.4 приведена схема охлаждения камеры сгорания,
– на фиг.5 приведена схема четырехкомпонентного газогенератора.
– на фиг.6 приведена схема ТНА.
Ракета-носитель (фиг.1) содержит, по меньшей мере, один ракетный блок первой ступени 1 с двигателями первой ступени 2, имеющими камеру сгорания 3 и двухкомпонентный ТНА 4, и ракетный блок второй ступени 5 с двигателями второй ступени 6, имеющими камеру сгорания 7 и четырехкомпонентный ТНА 8. Все двигатели установлены на рамах 9. На всех камерах сгорания 3 и 7 или только на камере сгорания 7 установлены приводы 10 для их качания в одной или двух плоскостях с целью управления вектором тяги. При этом четырехкомпонентный ТНА 8 закреплен на раме 9 жестко, а камера сгорания 7 соединена с трехкомпонентным ТНА 8 через сильфон 11. Ракетные блоки первой и второй ступеней 1 и 5 соединены узлами силовой связи 12.
На всех ракетных ступенях установлены баки первого окислителя 13 и баки первого горючего 14, кроме того, на второй ракетной ступени 5 установлен бак второго горючего 15 и бак второго окислителя 16. Баки первого окислителя 13 трубопроводом окислителя 17, содержащим главный клапан окислителя 18, соединен с двигателями 2 и 6. Каждый бак первого горючего 14 трубопроводом горючего 19, содержащим главный клапан первого горючего 20, соединен с двигателями первой и второй ступеней соответственно 2 и 6. Бак второго горючего 15 трубопроводом второго горючего 21, содержащим главный клапан второго горючего 22, соединен с двигателем второй ступени 6. Бак второго окислителя 16 трубопроводом окислителя 23, содержащим главный клапан второго окислителя 24, соединен с двигателем (двигателями) 6.
На ракете установлен блок управления 25, соединенный электрическими связями 26 с двигателями первой и второй ступеней соответственно 2 и 6 и с узлами силовой связи 12. Далее подробно опишем конструкцию трехкомпонентного ракетного двигателя 6 второй ступени 5.
Четырехкомпонентный ракетный двигатель 6 (фиг.2 6) содержит не менее одной камеры сгорания 7, закрепленной на раме 9 с возможностью качания и имеющей для этого приводы 10 и сильфон 11 (фиг.1). Для примера приведен двигатель с одной камерой сгорания 7 с соплом 27. Сопло 27 выполнено с регенеративным охлаждением, образованным зазором 28. Четырехкомпонентный ракетный двигатель 6 имеет один общий для всех камер сгорания 7 турбонасосный агрегат (ТНА) 8, содержащий в свою очередь выхлопной коллектор 29, турбину 30, четырехкомпонентный газогенератор 31, насос первого окислителя 32. Кроме того, четырехкомпонентный ТНА 8 содержит насос второго окислителя 33, насос первого горючего 34, дополнительный насос первого горючего 35, насос второго горючего 36 и дополнительный насос второго горючего 37. Выход из турбины 30 через выхлопной коллектор 29 и газоводы 38 с сильфоном (сильфонами) 11 соединен с головкой (головками) 39 камеры (камер) сгорания 7.
Пневмогидравлическая схема четырехкомпонентного ракетного двигателя приведена на фиг.2.
Выход из насоса первого окислителя 32 (фиг.2) трубопроводом окислителя 40, содержащим клапан окислителя 41, соединен с входом в четырехкомпонентный газогенератор 31. Выход из насоса второго окислителя 33 трубопроводом окислителя 42, содержащим клапан 43, также соединен со входом в четырехкомпонентный газогенератор 31. Выход из насоса первого горючего 34 трубопроводом 44, содержащим клапан 45, соединен с главным коллектором 46. Выход из насоса второго горючего 36 трубопроводом 47, содержащим клапан 48, трубопроводом 43 соединен с входом в главный коллектор 46.
Выход из насоса первого горючего трубопроводом 49 соединен со входом в дополнительный насос второго горючего 37. Выход из насоса второго горючего 36 трубопроводом 50 соединен со входом в дополнительный насос второго горючего 37. Выход из дополнительного насоса первого горючего 35 трубопроводом 51, содержащим регулятор расхода 52 и клапан 53, соединен с четырехкомпонентным газогенератором 31. К трубопроводу 51 перед клапаном 53 подсоединен дренажный трубопровод 54 с дренажным клапаном 55 и датчики давления 56 и температуры 57.
Выход из дополнительного насоса второго горючего 37 трубопроводом 58, содержащим регулятор расхода 59 и клапан 60, соединен с четырехкомпонентным газогенератором 31. К трубопроводу 58 перед клапаном 60 подсоединен дренажный трубопровод 61 с дренажным клапаном 62 и датчики давления 63 и температуры 64.
Конструкция головки 39 камеры сгорания 7 приведена на фиг.3. Головка 39 содержит выравнивающую решетку 65, среднюю плиту 66 и нижнюю плиту 67. Выше средней плиты 66 образована полость 68, между плитами 66 и 67 – полость 69, ниже нижней плиты 67 – полость 70 камеры сгорания 7. В головке 39 камеры сгорания 7 установлены форсунки окислителя 71, которые сообщают полости 68 и 70, и форсунки горючего 72, соединяющие полости 69 и 70. Камера сгорания 7 выполнена из двух стенок 73 и 74 с зазором 75 между ними.
Схема охлаждения камеры сгорания 1 двигателя приведена на фиг.4.
К основному коллектору 46, который установлен в районе критического сечения сопла камеры сгорания 7 или немного ниже него, подведены трубопроводы 44 и 47. В верхней части камеры сгорания 7 выполнен верхний коллектор горючего 76, а в нижней части сопла 7 – нижний коллектор горючего 77, эти коллекторы соединены трубопроводами переброса горючего 78 (применено от 2-х до 4-х трубопроводов переброса горючего). Для обеспечения качания камеры сгорания 7 при управлении вектором тяги двигателя 6 камера сгорания 7 может быть оборудована сильфоном 11, установленным над головкой 39 камеры сгорания 7.
Конструкция турбины и четырехкомпонентного газогенератора приведена на фиг.5. Турбина 30 содержит корпус 79, рабочее колесо 80 и сопловой аппарат 81, установленный под ним. Рабочее колесо 80 установлено на валу 82, вал 82 установлен на подшипниках 83, которые защищены уплотнениями 84. Внутри вала 82 выполнено осевое отверстие 85 и радиальные отверстия 86 для подвода смазывающей жидкости к подшипникам 82. Четырехкомпонентный газогенератор 31 содержит наружный корпус 87, внутренний корпус 89, в котором установлена цилиндрическая втулка 90, предназначенная для установки подшипников 83. Снизу выполнены торцовая стенка 91, на которой выполнены нижняя плита 92 и верхняя плита 93, первый коллектор 94 и второй коллектор 95. Между торцовой стенкой 91 и нижней плитой 92 образована полость 96, а между нижней плитой 92 и верхней плитой 93 образована полость 96. Четырехкомпонентный газогенератор 31 содержит четыре группы форсунок: форсунки первого горючего 97, форсунки второго горючего 98, форсунки первого окислителя 99 и форсунки второго окислителя 100. Форсунки первого горючего 97 соединяют полость 96 с внутренней полостью 101 четырехкомпонентного газогенератора 31, форсунки второго горючего 98 соединяют полость 97 с внутренней полостью 101, форсунки первого окислителя 99 соединяют полость первого коллектора 94 с внутренней полостью 101, форсунки второго окислителя 100 соединяют полость второго коллектора 95 с внутренней полостью 101. Под четырехкомпонентным газогенератором 31, т.е между ним и насосом первого окислителя 32, выполнена теплоизоляционная перегородка 102. Смазочная полость 102 сообщается отверстием 103 с полостью 104 перед рабочим колесом 80 турбины 30 (фиг.5).
На фиг.6 представлена конструкция четырехкомпонентного турбонасосного агрегата 8, который содержит установленные на валу 85, кроме рабочего колеса 80, крыльчатку 105 первого насоса окислителя 32, крыльчатку 106 второго насоса окислителя 33, крыльчатку 107 первого насоса горючего 34 крыльчатку 108 дополнительного насоса первого горючего 35, крыльчатку 109 второго насоса горючего 36, крыльчатку 110 дополнительного насоса второго горючего 37. Уплотнения 84 установлены на валу 85 парно, при этом между ними образуются промежуточные полости 11, к которым подсоединены трубопроводы подвода воздуха 112 и трубопроводы сброса утечек 113.
ТЕХНИЧЕСКАЯ ХАРАКТЕРИСТИКА РАКЕТЫ
| Количество ступеней |
от 2 до 5 |
| Количество двигателей первой ступени на |
 |
| одном блоке |
от 1 до 30 |
| Количество блоков |
от 2 до 8 |
| Вес ракеты, т |
от 1000 до 10000 |
| Диаметр ракеты, м |
от 4 до 20 |
| Длина ракеты, м |
от 50 до 200 |
ТЕХНИЧЕСКАЯ ХАРАКТЕРИСТИКА ЖРД
| Тяга двигателя (двухкамерного) земная, тс |
1000 |
| Тяга двигателя, пустотная, при работе на первом горючем, тс |
1250 |
| Тяга двигателя, пустотная, при работе на втором горючем, тс |
1450 |
| Давление в камере сгорания, кгс/см2 |
500 |
| Давление в газогенераторе, кгс/см2 |
600 |
| Давление на выходе из насоса первого окислителя, кгс/см2 |
700 |
| Давление на выходе из насоса второго окислителя, кгс/см |
700 |
| Давление на выходе из первого насоса горючего, кгс/см2 |
750 |
| Давление на выходе из второго насоса горючего, кгс/см2 |
770 |
| Давление на выходе из дополнительного насоса первого горючего, кгс/см2 |
1200 |
| Давление на выходе из дополнительного насоса второго горючего, кгс/см2 |
990 |
| Мощность ТНА, МВт |
350 |
| Частота вращения ротора ТНА, об/мин |
40000 |
Компоненты ракетного топлива
| Первый окислитель |
жидкий кислород |
| Второй окислитель |
жидкий фтор |
| Первое горючее |
керосин |
| Второе горючее |
жидкий водород |
| Масса двигателя, сухая, кг |
2100 |
Двигатель запускается в два этапа: сначала на первом горючем и первом окислителе, а потом на втором горючем и втором окислителе. В качестве второго горючего предпочтительно использовать жидкий водород, а в качестве второго окислителя – жидкий фтор.
Перед запуском ЖРД на первом горючем с блока управления 25 подается команда на клапаны 18 и 20 (фиг.1), установленные перед насосом первого окислителя 32 (фиг.2) и перед насосом первого горючего 34 для их заполнения компонентами топлива. Потом открывают дренажный клапан 55, и газообразная фаза первого горючего по дренажному трубопроводу 54 сбрасывается в дренаж, одновременно происходит захолаживание насосов 34 и 35. Контроль захолаживания ведут по датчикам 55 и 56. Потом открывают клапаны 40, 45, 53 и регулятор 52. Первый окислитель и первое горючее поступают на вход в насосы первого окислителя 32 и насос первого горючего 34 соответственно, а также дополнительного насоса первого горючего 25, и далее меньшая часть (10 15%) первого горючего подается в четырехкомпонентный газогенератор 31, где воспламеняется. Основная часть расхода первого горючего по трубопроводу 44 через клапан 45 поступает в главный коллектор 28 и далее в систему регенеративного охлаждения сопла 27, в головку 39 камеры сгорания 7 и далее в саму камеру сгорания 7. Первый окислитель из насоса первого окислителя 35 через клапан 40 поступает в четырехкомпонентный газогенератор 31. Газогенераторный газ и первое горючее подаются в камеру (ы) сгорания 7. Первое горючее охлаждает сопло 27 (сопла).
После выработки первого горючего ракетные двигатели 2 первых ракетных ступеней выключаются, и с блока управления 25 подается сигнал на узлы силовой связи 12, например пироболты, которые разъединяют связи между блоками первой ступени 1 и блоком второй ракетной ступени 5, расположенным осесимметрично в центре ракеты-носителя. Блоки первых ракетных ступеней 1 отбрасываются. Для переключения двигателя 6 ракетного блока второй ступени 5 на второе горючее с блока управления 25 подают сигнал на закрытие клапана 20, размещенного во второй ракетной ступени 5, при этом подача первого горючего в двигатель (двигатели) 6 прекращается. Открывают продувочный клапан 67 и инертным газом продувают остатки первого горючего в системе регенеративного охлаждения камеры сгорания 7. Потом открывают дренажный клапан 55 (фиг.2) и охлаждают насос второго горючего 36 и дополнительный насос второго горючего 37. Насос второго горючего 36 не приспособлен для перекачки газообразных или двухфазных сред, поэтому газообразное второе горючее сбрасывается в атмосферу по трубопроводу 61 через дренажный клапан 62 без утилизации. Потом закрывают дренажный клапан 62 и открывают клапаны 43 и 60, второй окислитель по трубопроводу 42 через клапан 43 поступает в четырехкомпонентный газогенератор 31, одновременно второе горючее поступает в четырехкомпонентный газогенератор 31 и в камеру сгорания 7 вместо первого, где также воспламеняется, и двигатель начинает работать на втором, более эффективном, горючем и окислителе, т.е. он будет иметь более высокие технические характеристики и лучшие удельные характеристики (удельную тягу, приведенную к единице расхода топлива), т.к. второе горючее более эффективное, чем первое. Использование второго горючего и второго окислителя с момента старта ракеты могло бы улучшить техническую характеристику ракеты-носителя на старте, но из-за их высокой стоимости необоснованно увеличит затраты на запуск ракеты-носителя.
При выключении двигателя прекращают подачу окислителя и второго горючего, закрыв клапаны 22, 24, 43, 48 и 60. После выключения двигателя 6 открывают продувочный клапан 67 и осуществляют продувку двигателя инертным газом, находящимся в баллоне 65. Управление вектором тяги осуществляют приводами 10 путем качания камер сгорания 7 в одной или двух плоскостях. Сильфон (ы) 11 и аналогичные сильфоны на магистралях первого и второго горючего (на фиг.1 6 не показано) позволяют отклонять камеры сгорания 7, не разворачивая ТНА 8. Это уменьшит влияние гироскопических сил на подшипники ТНА 8 при маневрах ракеты-носителя, что повысит его надежность.
Применение изобретения позволило:
1. Повысить тяговооруженность ракеты-носителя на конечном этапе вывода полезной нагрузки на орбиту.
2. Улучшить технические характеристики ракеты-носителя: скорость на конечном участке работы двигателей второй ступени.
3. Обеспечить управляемость ракеты-носителя за счет качания только камер сгорания, без качания ТНА и без применения рулевых двигателей или камер сгорания. Качание может осуществляться в одной плоскости для ракет-носителей с большим количеством однокамерных двигателей или с одним четырехкамерным двигателем или в двух плоскостях для единственного однокамерного двигателя.
4. Увеличить полезную нагрузку.
5. Использовать ракету-носитель для межпланетных перелетов.
6. Улучшить удельные энергетические характеристики ЖРД (приведенные к единице тяги или к единице веса двигателя) при его работе на заключительном этапе выполнения программы запуска ракеты-носителя.
Формула изобретения
1. Многоступенчатая ракета-носитель, содержащая соединенные по параллельной схеме ракетные блоки первой и второй ступени ракеты-носителя с баками окислителя и горючего, соединенные узлами силовой связи и оборудованные, по меньшей мере, одним двигателем первой и одним двигателем второй ступеней, отличающаяся тем, что в блоке второй ступени установлены баки второго горючего и второго окислителя, двигатели второй ступени выполнены содержащими камеру сгорания и турбонасосный агрегат, при этом в состав турбонасосного агрегата входят турбина, четырехкомпонентный газогенератор, насос первого окислителя, насос второго окислителя, насос второго горючего дополнительный насос второго горючего, насос первого горючего и дополнительный насос первого горючего.
2. Способ запуска многоступенчатой ракеты-носителя по п.1, включающий одновременный запуск двигателей первой и второй ступеней, работающих на первом окислителе и первом горючем, выключение двигателей первой ступени и сброс блоков первой ступени, отличающийся тем, что после сброса ракетных блоков первой ступени каждый двигатель второй ступени также переводят на питание вторым горючим.
3. Способ запуска многоступенчатой ракеты-носителя по п.2, отличающийся тем, что перед подачей второго горючего форсунки газогенератора продувают инертным газом для удаления остатков первого горючего.
4. Способ по п.3, отличающийся тем, что перед подачей второго горючего в газогенератор и камеру сгорания охлаждают насос второго горючего и дополнительный насос второго горючего, сбрасывая второе горючее через дренажный клапан до получения в дренажном трубопроводе жидкой фазы, что контролируют по датчику температуры, установленному перед дренажным клапаном.
5. Способ по п.3 или 4, отличающийся тем, что после выключения двигателя форсунки четырехкомпонентного газогенератора первой и второй зон продувают инертным газом для удаления остатков второго горючего.
6. Четырехкомпонентный жидкостный ракетный двигатель, содержащий не менее одной камеры сгорания с реактивным соплом, имеющим систему регенеративного охлаждения, газогенератор, турбонасосный агрегат, отличающийся тем, что в турбонасосный агрегат входят турбина, четырехкомпонентный газогенератор, насос первого окислителя, насос второго окислителя, насос второго горючего, дополнительный насос второго горючего и дополнительный насос первого горючего, при этом выходы всех насосов соединены с входом в четырехкомпонентный газогенератор, выход из него газоводом соединен с каждой камерой сгорания.
7. Четырехкомпонентный жидкостный ракетный двигатель по п.6, отличающийся тем, что двигатель имеет блок управления, а все клапаны соединены электрической связью с блоком управления.
8. Четырехкомпонентный жидкостный ракетный двигатель по п.6, отличающийся тем, что между дополнительным насосом второго горючего и пускоотсечным клапаном второго горючего подсоединен дренажный трубопровод, содержащий дренажный клапан.
9. Четырехкомпонентный жидкостный ракетный двигатель по п.8, отличающийся тем, что перед дренажным клапаном установлен датчик температуры, соединенный электрической связью с блоком управления.
10. Четырехкомпонентный газогенератор, содержащий корпус, форсунки окислителя и форсунки горючего, отличающийся тем, что дополнительно выполнены форсунки второго горючего и второго окислителя.
РИСУНКИ
|
|