|
|
(21), (22) Заявка: 2009128430/09, 22.07.2009
(24) Дата начала отсчета срока действия патента:
22.07.2009
(46) Опубликовано: 10.08.2010
(56) Список документов, цитированных в отчете о поиске:
SU 706003 A, 09.06.1995. SU 695473 A, 27.05.1995. GB 2135535 A, 30.08.1984.
Адрес для переписки:
454080, г.Челябинск, пр-кт им. В.И. Ленина, 76, ЮУрГУ, технический отдел
|
(72) Автор(ы):
Качалов Андрей Валентинович (RU), Рахматулин Раис Мухибович (RU), Дудкин Максим Михайлович (RU), Цытович Леонид Игнатьевич (RU)
(73) Патентообладатель(и):
Государственное образовательное учреждение высшего профессионального образования “Южно-Уральский государственный университет” (RU)
|
(54) СИСТЕМА ИМПУЛЬСНО-ФАЗОВОГО УПРАВЛЕНИЯ
(57) Реферат:
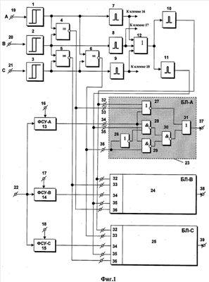
Устройство относится к области преобразовательной техники и может использоваться в системах управления тиристорными преобразователями постоянного и переменного напряжения. В состав устройства входят первый (1), второй (2) и третий (3) релейные элементы, первый (4), второй (5) и третий (6) блоки логической функции «Исключающее ИЛИ», первый (7), второй (8), третий (9), четвертый (10) и пятый (11) одновибраторы, элемент «3 ИЛИ» (12), первое (13), второе (14) и третье (15) фазосдвигающие устройства (ФСУ) с входами синхронизации (16, 17, 18) соответственно, входы (19, 20, 21) для подключения источников напряжения сети фаз А, В, С, вход (22) для подключения источника сигнала управления, блоки логики (23, 24, 25), выполненные по идентичной схеме на основе логических элементов «НЕ» (26), «3ИЛИ-НЕ» (27), «3И-НЕ» (28), первого (29) и второго (30) элементов «2И-НЕ», «2ИЛИ» (31), имеющих первый (32), второй (33), третий (34), четвертый (35) и пятый (36) входы и выходные клеммы (37, 38, 39). Выходы одновибраторов (7, 8, 9) подключаются к соответствующему входу (16, 17, 18) синхронизации ФСУ (13, 14, 15). Устройство отличается повышенной точностью и помехоустойчивостью работы за счет того, что ограничение максимального и минимального углов управления тиристорами достигается путем логического алгоритма обработки сигналов каналов синхронизации, при котором устраняется необходимость во введении в информационные каналы дополнительных элементов, неизбежно влияющих на метрологические характеристики системы импульсно-фазового управления. 2 ил.
Устройство относится к области преобразовательной техники и может использоваться в системах управления тиристорными преобразователями постоянного и переменного напряжения.
Подобному методу ограничения углов управления присущ ряд недостатков, а именно:
– аналоговым регуляторам свойственен временной и температурный дрейф параметров, что не позволяет получить заданный уровень углов для широкого температурного диапазона эксплуатации вентильного преобразователя, свойственного реальным условиям промышленной эксплуатации технологических объектов.
Таким образом, существующие методы ограничения углов управления в вентильных преобразователях характеризуются низкой точностью и помехоустойчивостью.
Устройство-прототип имеет низкую точность и помехоустойчивость при работе в условиях промышленной эксплуатации по причине влияния узла ограничения углов управления тиристорами на процесс преобразования аналогового сигнала управления.
В основу изобретения положена техническая задача, заключающаяся в повышении точности и помехоустойчивости работы системы импульсно-фазового управления тиристорным преобразователем.
Предлагаемая система импульсно-фазового управления содержит фазосдвигающие устройства фаз А, В, С, информационные входы которых подключены к источнику управляющего сигнала, входы синхронизации фазосдвигающих устройств фаз А, В, С, первый, второй и третий релейные элементы, входы которых подключены к источникам напряжений фаз А, В и С соответственно, первый, второй и третий одновибраторы, входы которых соединены с выходами первого, второго и третьего релейных элементов соответственно, выходы первого, второго и третьего одновибраторов подключены к входу синхронизации фазосдвигающих устройств фаз А, В, С соответственно, и отличается тем, что в нее введены первый, второй и третий блоки логической функции «Исключающее ИЛИ», блок функции «3ИЛИ», четвертый и пятый одновибраторы, а также три идентичных блока логики, содержащих логические элементы «НЕ», «3ИЛИ-НЕ», «3И-НЕ», «2ИЛИ» и два блока «2И-НЕ», причем входы элемента «3ИЛИ-НЕ» подключены к первой, второй и третьей входной клемме блока логики соответственно, первый и второй входы элемента «3И-НЕ» соединены с третьей и четвертой входными клеммами блока логики соответственно, вход элемента «НЕ» подключен к пятой входной клемме блока логики и соединен с первым входом первого элемента «2И-НЕ», второй вход которого подключен к третьей входной клемме блока логики, выход элемента «НЕ» соединен с третьим входом элемента «3И-НЕ», выходы первого элемента «2И-НЕ» и элемента «3И-НЕ» соединены с входами второго элемента «2И-НЕ», выходы элементов «3ИЛИ-НЕ» и второго элемента «2И-НЕ» подключены к входам элемента «2ИЛИ», выход которого подключен к выходной клемме блока логики, при этом выходы фазосдвигающих устройств фаз А, В, С подключены к третьей входной клемме первого, второго и третьего блоков логики соответственно, входы первого блока «Исключающее ИЛИ» соединены с выходом первого и второго релейного элемента, выход первого блока «Исключающее ИЛИ» соединен с второй входной клеммой первого блока логики и с пятой входной клеммой второго блока логики, входы второго блока «Исключающее ИЛИ» подключены к выходу второго и третьего релейного элемента, а его выход соединен с второй и пятой входными клеммами второго и третьего блоков логики соответственно, входы третьего блока «Исключающее ИЛИ» подключены к выходу первого и третьего релейного элемента, а его выход соединен с пятой и второй входными клеммами первого и третьего блоков логики соответственно, выходы первого, второго и третьего одновибраторов подключены к входами элемента «3ИЛИ», выход которого подключен к входам четвертого и пятого одновибраторов, выход четвертого одновибратора подключен к первой входной клемме первого, второго и третьего блоков логики, выход пятого одновибратора соединен с четвертой входной клеммой первого, второго и третьего блоков логики.
Поставленная техническая задача достигается за счет того, что ограничение максимального и минимального углов управления тиристорами достигается не за счет введения в каналы преобразования сигнала управления ограничителя амплитуды входного воздействия и источника опорного напряжения, а путем логического алгоритма обработки сигналов каналов синхронизации СИФУ, при котором устраняется необходимость во введении в информационные каналы СИФУ каких-либо дополнительных элементов, неизбежно влияющих на метрологические характеристики системы импульсно-фазового управления, за счет чего обеспечивается повышенная точность и помехоустойчивость.
Изобретение поясняется следующими чертежами:
Фиг.1 – функциональная схема предлагаемого устройства;
Фиг.2 – временные диаграммы сигналов устройства.
В состав устройства (фиг.1) входят первый 1, второй 2 и третий 3 релейные элементы, первый 4, второй 5 и третий 6 блоки логической функции «Исключающее ИЛИ», первый 7, второй 8, третий 9, четвертый 10 и пятый 11 одновибраторы, элемент «3ИЛИ» 12, первое 13, второе 14 и третье 15 фазосдвигающие устройства (ФСУ) с входами синхронизации 16, 17, 18 соответственно, входы 19, 20, 21 для подключения источников напряжения сети фаз А, В, С, вход 22 для подключения источника сигнала управления, блоки логики 23, 24, 25, выполненные по идентичной схеме на основе логических элементов «НЕ» 26, «3ИЛИ-НЕ» 27, «3И-НЕ» 28, первого 29 и второго 30 элементов «2И-НЕ», «2ИЛИ» 31, имеющих первый 32, второй 33, третий 34, четвертый 35 и пятый 36 входы и выходные клеммы 37, 38, 39. Выходы одновибраторов 7, 8, 9 подключаются к соответствующим входам 16, 17,18 синхронизации ФСУ 13, 14, 15.
Устройство работает следующим образом.
Компараторы 1, 2, 3 (фиг.1) формируют сигнал логической «1» (фиг.2, б, в, г) при прохождении фазного напряжения через точки естественной коммутации (фиг.2, а) трехфазной системы напряжений. Первый, второй и третий одновибраторы 7, 8, 9 (фиг.1) формируют по нарастающему и спадающему фронтам сигналов на выходе компараторов 1, 2, 3 короткие импульсы, которые затем складываются при помощи логического элемента «3ИЛИ» 12. В результате на выходе элемента 12 формируются импульсы (фиг.2, д), передний фронт которых совпадает с точками естественной коммутации трехфазной системы напряжений (фиг.2, а).
Логические элементы «Исключающее ИЛИ» 4, 5, 6 формируют выходной сигнал (фиг.2, е, ж, з), длительность истинного состояния которого составляет 120 эл.гр.
Четвертый одновибратор 10 по нарастающему фронту импульсов на выходе звена 12 формирует сигнал логической «1» длительностью t2 (фиг.2, л).
Пятый одновибратор 11 формирует сигнал логической «1» с задержкой относительно нарастающего фронта импульсов на выходе звена 12, равной t1 (фиг.2, к). Эта задержка соответствует требуемому ограничению угла управления min.
Логический сигнал с выхода фазосдвигающего устройства фазы А 13 (фиг.1) поступает на вход 34 блока логики фазы А 23. На основании этого сигнала, а также сигнала, поступающего на вход 35 блока логики 23 с выхода одновибратора 11, и сигнала, поступающего на вход 36 блока логики 23 с выхода третьего логического элемента «Исключающее ИЛИ» 6, осуществляется ограничение угла управления на уровне min (фиг.2 с, временной интервал t1-t2). Если угол управления больше угла min, то ограничение не происходит (фиг.2, с, временные интервалы t2-t3, t3-t4, t4-t5).
На основании сигнала, поступающего на вход 34 блока логики 23 с выхода ФСУ фазы А 13, а также сигнала, поступающего на вход 32 блока логики 23 с выхода одновибратора 10, и сигнала, поступающего на вход 33 блока логики 23 с выхода логического элемента «Исключающее ИЛИ» 4, осуществляется ограничение угла управления на уровне max (фиг.2, т, временные интервалы t3-t4, t4-t5).
Логический элемент «2ИЛИ» 31 осуществляет логическое сложение сигналов с выходов элементов «3ИЛИ» 27 и «2И-НЕ» 30 (фиг.1), и сигнал на выходе элемента 31 представляет собой логический сигнал для управления тиристорами фазы А, ограниченный минимальным значением угла управления min и максимальным значением угла управления max (фиг.2, ф).
Логическое ограничение угла управления тиристорами фаз В и С осуществляется блоками логики 24, 25 соответственно аналогичным образом.
Таким образом, за счет обработки цифровых сигналов синхронизации системы импульсно-фазового управления осуществляется ограничение углов управления тиристорами без ограничения аналогового сигнала управления, при этом устраняется необходимость во введении в информационные каналы системы импульсно-фазового управления каких-либо дополнительных элементов, неизбежно влияющих на метрологические характеристики системы импульсно-фазового управления, за счет чего обеспечиваются повышенные точность и помехоустойчивость.
Формула изобретения
Система импульсно-фазового управления, содержащая фазосдвигающие устройства фаз А, В, С, информационные входы которых подключены к источнику управляющего сигнала, входы синхронизации фазосдвигающих устройств фаз А, В, С, первый, второй и третий релейные элементы, входы которых подключены к источникам напряжений фаз А, В и С соответственно, первый, второй и третий одновибраторы, входы которых соединены с выходами первого, второго и третьего релейных элементов соответственно, выходы первого, второго и третьего одновибраторов подключены к входу синхронизации фазосдвигающих устройств фаз А, В, С соответственно, отличающаяся тем, что в нее введены первый, второй и третий блоки логической функции «Исключающее ИЛИ», блок функции «3ИЛИ», четвертый и пятый одновибраторы, а также три идентичных блока логики, содержащих логические элементы «НЕ», «3ИЛИ-НЕ», «3И-НЕ», «2ИЛИ» и два блока «2И-НЕ», причем входы элемента «3ИЛИ-НЕ» подключены к первой, второй и третьей входным клеммам блока логики соответственно, первый и второй входы элемента «3И-НЕ» соединены с третьей и четвертой входными клеммами блока логики соответственно, вход элемента «НЕ» подключен к пятой входной клемме блока логики и соединен с первым входом первого элемента «2И-НЕ», второй вход которого подключен к третьей входной клемме блока логики, выход элемента «НЕ» соединен с третьим входом элемента «3И-НЕ», выходы первого элемента «2И-НЕ» и элемента «3И-НЕ» соединены с входами второго элемента «2И-НЕ», выходы элементов «3ИЛИ-НЕ» и второго элемента «2И-НЕ» подключены к входам элемента «2ИЛИ», выход которого подключен к выходной клемме блока логики, при этом выходы фазосдвигающих устройств фаз А, В, С подключены к третьей входной клемме первого, второго и третьего блоков логики соответственно, входы первого блока «Исключающее ИЛИ» соединены с выходами первого и второго релейных элементов, выход первого блока «Исключающее ИЛИ» соединен с второй входной клеммой первого блока логики и с пятой входной клеммой второго блока логики, входы второго блока «Исключающее ИЛИ» подключены к выходам второго и третьего релейных элементов, а его выход соединен с второй и пятой входными клеммами второго и третьего блоков логики соответственно, входы третьего блока «Исключающее ИЛИ» подключены к выходам первого и третьего релейных элементов, а его выход соединен с пятой и второй входными клеммами первого и третьего блоков логики соответственно, выходы первого, второго и третьего одновибраторов подключены к входам элемента «3ИЛИ», выход которого подключен к входам четвертого и пятого одновибраторов, выход четвертого одновибратора подключен к первой входной клемме первого, второго и третьего блоков логики, выход пятого одновибратора соединен с четвертой входной клеммой первого, второго и третьего блоков логики.
РИСУНКИ
|
|