|
|
(21), (22) Заявка: 2009126920/09, 07.07.2009
(24) Дата начала отсчета срока действия патента:
07.07.2009
(46) Опубликовано: 10.08.2010
(56) Список документов, цитированных в отчете о поиске:
RU 2277286 C1, 27.05.2006. RU 2154335 C1, 10.08.2000. RU 2126585 С1, 20.02.1999. SU 28576 А, 31.12.1932. SU 23488 А, 31.10.1931. GB 1336447 А, 07.11.1973. FR 2007924 А, 06.05.1968. ЕР 0017109 А1, 15.10.1980.
Адрес для переписки:
398600, г.Липецк, ул. Московская, 30, НИС ЛГТУ
|
(72) Автор(ы):
Битюцкий Игорь Борисович (RU), Мотенко Евгений Константинович (RU)
(73) Патентообладатель(и):
ЛИПЕЦКИЙ ГОСУДАРСТВЕННЫЙ ТЕХНИЧЕСКИЙ УНИВЕРСИТЕТ (ЛГТУ) (RU)
|
(54) ГЕНЕРАТОР ДВОЙНОГО ТОКА С КОМПЕНСАЦИОННОЙ ОБМОТКОЙ
(57) Реферат:
Изобретение относится к электротехнике и может быть использовано как универсальный источник электрической энергии. Технический результат состоит в упрощении, увеличении быстродействия и надежности системы управления, а также в отсутствии внешних источников питания. В предлагаемом генераторе двойного тока для компенсации результирующей м.д.с. якоря в коммутационной зоне до заданного уровня предназначена независимая компенсирующая система, в состав которой входят: последовательно соединенные обмотки добавочных полюсов и компенсационная. Датчик Холла для измерения м.д.с. в коммутационной зоне машины расположен на геометрической нейтрали под центром наконечника добавочного полюса. На вход микроконтроллера подключен датчик Холла. Имеются блок питания контроллера, блок питания обмоток добавочных полюсов и компенсационной обмотки постоянным током. Изобретение обеспечивает непосредственное измерение м.д.с. в коммутационной зоне машины с помощью датчика Холла. В момент запуска генератора происходит его самовозбуждение. Трансформатор блока питания контроллера подключается к линейному напряжению генератора. Блок питания обмоток добавочных полюсов и компенсационной постоянным током состоит из трехфазного трансформатора, подключенного к контактным кольцам генератора, выпрямителя и широтно-импульсного преобразователя, на вход которого с микроконтроллера поступает управляющий сигнал, обеспечивающий минимизацию результирующей м.д.с. в коммутационной зоне машины. 2 ил.
Изобретение относится к электромеханике и может быть использовано как универсальный источник электрической энергии.
Известен одноякорный преобразователь, содержащий якорь с коллектором и контактными кольцами, главные и добавочные полюсы традиционного исполнения [Г.Н.Петров. Электрические машины. Часть третья. М.: Энергия. 1968. С.145]. Работая в режиме генератора двойного тока, одноякорный преобразователь, приводимый во вращение первичным двигателем, питает потребителей со стороны контактных колец трехфазным током, а со стороны коллектора – постоянным. В этом случае резко усложняются условия в коммутационной зоне и потенциальные условия на коллекторе, поскольку составляющие МДС якоря, соответствующие переменной и постоянной составляющим тока якоря, действуют согласно.
15, 2006 (прототип)]. Эта система управления имеет следующие недостатки: относительная сложность, связанная с применением трех первичных измерительных преобразователей, зависимость быстродействия от частоты напряжения на контактных кольцах, зависимость качества компенсации реакции якоря от точности реализации математической модели в контроллере, невозможность учета несимметрии нагрузки на контактных кольцах, необходимость в отдельном источнике питания компенсационной обмотки.
В предлагаемом генераторе двойного тока с компенсационной обмоткой для решения проблемы коммутации применена независимая система управления компенсацией реакции якоря, основанная на непосредственном измерении магнитной индукции в коммутационной зоне машины, с помощью первичного измерительного преобразователя МДС, основанного на эффекте Холла (датчика Холла). Предлагаемый способ управления компенсацией исключает вышеизложенные недостатки.
Техническим результатом в сравнении с прототипом является упрощение, увеличение быстродействия и надежности системы управления, а также отсутствие внешних источников питания.
В состав независимой системы управления компенсацией реакции якоря входят: последовательно соединенные обмотки добавочных полюсов и компенсационная, датчик Холла для измерения МДС в коммутационной зоне машины, расположенный на геометрической нейтрали под центром наконечника добавочного полюса, микроконтроллер, на вход которого подключен датчик Холла, блок питания контроллера, блок питания обмоток добавочных полюсов и компенсационной постоянным током. Особенностью генератора двойного тока с компенсационной обмоткой является отсутствие внешних источников питания, а также непосредственное измерение МДС в коммутационной зоне машины с помощью датчика Холла. В момент запуска генератора происходит его самовозбуждение. Трансформатор блока питания контроллера подключается к линейному напряжению генератора. Блок питания обмоток добавочных полюсов и компенсационной постоянным током состоит из трехфазного трансформатора, подключенного к контактным кольцам генератора, выпрямителя и широтно-импульсного преобразователя, на вход которого с микроконтроллера поступает управляющий сигнал, обеспечивающий минимизацию результирующей МДС в коммутационной зоне машины.
Генератор двойного тока с компенсационной обмоткой можно также использовать в режиме преобразователя рода тока. В этом режиме замкнутая накоротко компенсационная обмотка может использоваться в качестве беличьей клетки для асинхронного пуска преобразователя.
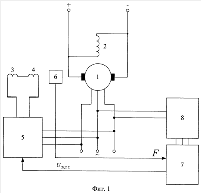
На фиг.1 представлена блок-схема заявляемого генератора двойного тока с компенсационной обмоткой. Якорь 1 через контактные кольца может соединяться с трехфазной цепью, а через коллектор – с цепью постоянного тока. В любом варианте конструктивное исполнение якоря – с единой обмоткой, обтекаемой одновременно трехфазным и постоянным токами, или с раздельными обмотками для трехфазного и постоянного токов – принципиального значения не имеет. Обмотка возбуждения 2, как и в большинстве случаев, соединена параллельно с якорем. Обмотки добавочных полюсов 3 и компенсационная 4 соединены между собой последовательно и включены на блок питания компенсирующей системы 5, построенный на основе широтно-импульсного преобразователя и получающий питание от генератора через контактные кольца. Под центром добавочного полюса расположен датчик Холла. Сигнал с датчика Холла поступает на вход контроллера 7, питающегося через блок питания контроллера 8 от генератора через контактные кольца. Под микроконтроллером подразумевается функционально-техническое единство микропроцессора, устройств памяти, управления, ввода/вывода и периферийных устройств. Сигнал управления, обеспечивающий поддержку МДС в зазоре на заданном уровне, подается с выхода микроконтроллера на вход блока питания компенсирующей системы 5, питающего постоянным током последовательно соединенные обмотки 3 и 4. Способ формирования управляющего сигнала – цифровой или аналоговый – значения не имеет.
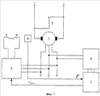
Алгоритм компенсации результирующей МДС якоря в коммутационной зоне основывается на пропорционально-интегрально-дифференциальном (ПИД) регулировании. ПИД регулирование обеспечивает минимизацию результирующей МДС в коммутационной зоне машины, а в отдельных случаях, при смене уставки ПИД регулятора, возможна регулировка перекомпенсации машины в любом режиме работы. Дифференциальное звено ПИД регулятора обеспечивает форсировку магнитного поля обмоток добавочных полюсов и компенсационной в переходных режимах. Обратной связью для алгоритма ПИД служат данные, поступающие с датчика Холла. Структурная схема алгоритма управления представлена на фиг.2.
Формула изобретения
Генератор двойного тока с компенсационной обмоткой, содержащий якорь с коллектором и контактными кольцами, главные и добавочные полюсы традиционного исполнения, а также независимую компенсирующую систему, отличающийся тем, что система управления реализована на стандартном пропорционально-интегрально-дифференциальном регуляторе с использованием датчика Холла в качестве единственного первичного преобразователя, а блок питания обмоток добавочных полюсов и компенсационной и блок питания контроллера подключены через контактные кольца к генератору.
РИСУНКИ
|
|