|
|
(21), (22) Заявка: 2009125875/09, 06.07.2009
(24) Дата начала отсчета срока действия патента:
06.07.2009
(46) Опубликовано: 10.08.2010
(56) Список документов, цитированных в отчете о поиске:
RU 2292620 C1, 27.01.2007. RU 2251193 С1, 27.04.2005. GB 2259199 A, 03.03.1993.
Адрес для переписки:
302019, г.Орел, ул. Генерала Родина, 69, ФГОУ ВПО ОрелГАУ
|
(72) Автор(ы):
Бородин Иван Фёдорович (RU), Виноградов Александр Владимирович (RU), Зелюкин Василий Иванович (RU), Багаев Павел Леонидович (RU), Черных Николай Николаевич (RU)
(73) Патентообладатель(и):
Федеральное государственное образовательное учреждение высшего профессионального образования “Орловский государственный аграрный университет” (ФГОУ ВПО ОрелГАУ) (RU)
|
(54) СПОСОБ ЗАПРЕТА АВТОМАТИЧЕСКОГО ПОВТОРНОГО ВКЛЮЧЕНИЯ НА КОРОТКОЕ ЗАМЫКАНИЕ НА ШИНАХ ДВУХТРАНСФОРМАТОРНОЙ ПОДСТАНЦИИ ИЛИ В ОТХОДЯЩЕЙ ЛИНИИ В СЛУЧАЕ ОТКАЗА ЕЕ ВЫКЛЮЧАТЕЛЯ
(57) Реферат:
Изобретение относится к автоматике электрических сетей и предназначено для предотвращения срабатывания автоматического повторного включения (АПВ) вводного выключателя на короткое замыкание на шине двухтрансформаторной подстанции или в отходящей линии в случае отказа ее выключателя. Недостатком известного способа является малая достоверность способа, небольшой срок службы выключателя АПВ, увеличенные затраты на его ремонт и обслуживание. Техническим результатом предлагаемого изобретения является повышение достоверности способа путем контроля тока короткого замыкания в отходящих линиях, контроля положения выключателей в отходящей линии, контроля тока на вводе питающего трансформатора, контроля наличия напряжения на вводе питающего трансформатора, что расширяет функциональные возможности способа, что увеличивает срок службы выключателя АПВ, сокращает затраты на его ремонт и обслуживание. Для достижения технического результата в известном способе фиксируют ток короткого замыкания на вводе питающего трансформатора и в отходящих линиях, согласно изобретению одновременно фиксируют ток короткого замыкания на вводе питающего трансформатора и в отходящих линиях, контролируют положение выключателя отходящей линии, в которой произошло короткое замыкание, контролируют напряжение на секции шин питающего трансформатора и, если ток короткого замыкания присутствует и на вводе питающего трансформатора, и в одной из отходящих линий, а после его отключения защитой выключатель этой линии остался во включенном положении, причем отсутствует напряжение на секции шин питающего трансформатора, делают вывод, что произошло короткое замыкание в отходящей линии и отказал ее выключатель, в этом случае подают сигнал запрета АПВ. Если произошло короткое замыкание на шинах питающего трансформатора, то одновременно фиксируют ток короткого замыкания на вводе питающего трансформатора и в отходящих линиях, при отсутствии тока короткого замыкания в отходящих линиях и при его наличии на вводе питающего трансформатора делают вывод, что произошло короткое замыкание на шинах питающего трансформатора и подают сигнал запрета АПВ. Таким образом, сигнал запрета АПВ подается только в случае короткого замыкания на шине двухтрансформаторной подстанции или в отходящей линии при отказе ее выключателя не зависимо от вида короткого замыкания (двух или трехфазное). Это расширяет применение и функциональные возможности способа, что увеличивает срок службы выключателя АПВ, сокращает затраты на его ремонт и обслуживание. 3 ил.
Изобретение относится к автоматике электрических сетей и предназначено для предотвращения срабатывания выключателя автоматического повторного включения (АПВ) на короткое замыкание на шинах двухтрансформаторной подстанции или в отходящей линии в случае отказа ее выключателя.
Известен способ запрета автоматического повторного включения на короткое замыкание на шинах двухтрансформаторной подстанции при отказе ее выключателя, в котором фиксируют ток короткого замыкания на вводе питающего трансформатора между вводным выключателем и выключателем (Q4), в этот же момент времени фиксируют ток короткого замыкания в отходящих линиях, контролируют напряжение на секции шин питающего трансформатора и, если ток короткого замыкания присутствует и на вводе питающего трансформатора, и в одной из отходящих линий, а после его отключения защитой отсутствует напряжение на секции шин питающего трансформатора, делают вывод, что произошло короткое замыкание в отходящей линии и отказал ее выключатель, в этом случае подают сигнал запрета АПВ [патент RU 2292620 МПК H02J 9/06, опубликован 01.2007, Бюл. 3-7].
Недостатком известного способа является малая достоверность способа, небольшой срок службы выключателя АПВ, увеличенные затраты на его ремонт и обслуживание.
Задачей предлагаемого способа является повышение его достоверности путем контроля тока короткого замыкания в отходящих линиях, контроля положения выключателей в отходящей линии, контроля тока на вводе питающего трансформатора, контроля наличия напряжения на вводе питающего трансформатора, а также увеличение срока службы выключателя АПВ, сокращения затрат на его ремонт и обслуживание.
Для решения указанной задачи в известном способе фиксируют ток короткого замыкания на вводе питающего трансформатора и в отходящих линиях, согласно изобретению, одновременно фиксируют ток короткого замыкания на вводе питающего трансформатора и в отходящих линиях, контролируют положение выключателя отходящей линии, в которой произошло короткое замыкание, контролируют напряжение на секции шин питающего трансформатора и, если ток короткого замыкания присутствует и на вводе питающего трансформатора, и в одной из отходящих линий присутствует сигнал с датчика положения выключателя, а после его отключения защитой выключатель этой линии остался во включенном положении, причем отсутствует напряжение на секции шин питающего трансформатора, делают вывод, что произошло короткое замыкание в отходящей линии и отказал ее выключатель, в этом случае подают сигнал запрета АПВ. Если произошло короткое замыкание на шинах питающего трансформатора, то одновременно фиксируют ток короткого замыкания на вводе питающего трансформатора и в отходящих линиях, при отсутствии тока короткого замыкания в отходящих линиях и при его наличии на вводе питающего трансформатора делают вывод, что произошло короткое замыкание на шинах питающего трансформатора, и подают сигнал запрета АПВ.
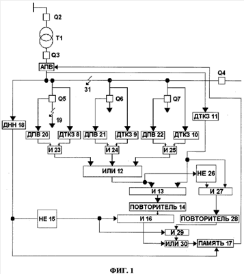
Суть предлагаемого изобретения поясняется чертежами, где:
на фиг.1 показана структурная схема устройства, реализующего способ.
на фиг.2 и фиг.3 показаны диаграммы сигналов на выходах элементов, показанных на фигуре 1 при коротком замыкании в точках 19 и 31.
Схема (см. фиг.1) содержит питающий трансформатор Т1, вводной выключатель Q2 на стороне высокого напряжения, вводной выключатель Q3 на стороне низкого напряжения, выключатель АПВ, выключатель автоматического включения резерва Q4, выключатель в отходящей линии Q5, выключатель в отходящей линии Q6, выключатель в отходящей линии Q7, датчик тока короткого замыкания ДТК3 8, датчик тока короткого замыкания ДТК3 9, датчик тока короткого замыкания ДТК3 10, датчик тока короткого замыкания ДТК3 11, датчик положения выключателя ДПВ 20, датчик положения выключателя ДПВ 21, датчик положения выключателя ДПВ 22, элемент ИЛИ 12, элемент ИЛИ 30, элемент И 13, элемент И 23, элемент И 24, элемент И 25, элемент И 27, элемент и 29, элемент ПОВТОРИТЕЛЬ 14, элемент ПОВТОРИТЕЛЬ 28, элемент НЕ 15, элемент НЕ 26, элемент И 16, элемент ПАМЯТЬ 17, датчик наличия напряжения ДНН 18, точка короткого замыкания 19, точка короткого замыкания 31.
При коротком замыкании в точке 19 (см. фиг.1) диаграммы сигналов на выходах элементов, показанных на фиг.2, имеют вид: 26 – на выходе элемента 8; 27 – на выходе элемента 9; 28 – на выходе элемента 10; 29 – на выходе элемента 11; 30 – на выходе элемента 18; 31 на выходе элемента 12; 32 – на выходе элемента 13; 33 – на выходе элемента 14; 34 – на выходе элемента 15; 35 – на выходе элемента 16; 36 – на выходе элемента 17; 37 – на выходе элемента 20; 38 – на выходе элемента 21; 39 – на выходе элемента 22; 40 – на выходе элемента 23; 41 – на выходе элемента 24; 42 – на выходе элемента 25. При коротком замыкании в точке 31 (см. фиг.3) диаграммы сигналов на выходах элементов, показанных на фиг.1, имеют вид: 26 – на выходе элемента 8; 27 – на выходе элемента 9; 28 – на выходе элемента 10; 29 – на выходе элемента 11; 30 – на выходе элемента 18; 31 на выходе элемента 12; 32 – на выходе элемента 13; 33 – на выходе элемента 14; 34 – на выходе элемента 15; 35 – на выходе элемента 16; 36 – на выходе элемента 17; 37 – на выходе элемента 20; 38 – на выходе элемента 21; 39 – на выходе элемента 22; 40 – на выходе элемента 23; 41 – на выходе элемента 24; 42 – на выходе элемента 25,43- на выходе элемента 26, 44 – на выходе элемента 27, 45 – на выходе элемента 28, 46 – на выходе элемента 29, 47 – на выходе элемента 30.
Схема работает следующим образом.
В нормальном режиме работы в отходящих линиях и на вводе трансформатора Т1 течет рабочий ток. Так как токи в линиях и на вводе не равны току короткого замыкания, то нет сигналов на выходах ДТКЗ 8, ДТКЗ 9, ДТКЗ 10, ДТКЗ 11, а также присутствуют сигналы на выводах элементов ДПВ 20, ДПВ 21, ДПВ 22. Соответственно, отсутствуют сигналы на выходах элементов И 23, И 24, И 25, ИЛИ 12 и И 13. Присутствуют все линейные напряжения на шинах, поэтому присутствует сигнал с элемента ДНН 18, нет сигнала на выходе элемента НЕ 15, НЕ 26 и, соответственно, на выходе И 16, И 27, И 29, ИЛИ 30. Сигнал с выхода элемента ДНН 18 подается на сброс элемента ПАМЯТЬ 17. Схема не запускается.
При коротком замыкании (двух или трехфазном) в отходящей линии (фиг.1, точка 19) появляется ток короткого замыкания на вводе трансформатора Т 1, который фиксируется датчиком ДТК3 11, на выходе ДТК3 11 появляется сигнал (фиг.2, диаграмма 29). Так как замыкание произошло в отходящей линии, то на выходе датчика ДТКЗ 8 также появляется сигнал (фиг.2, диаграмма 26). На выходах элементов ДТКЗ 9 и ДТКЗ 10 сигнал отсутствует (фиг.2, диаграммы 27, 28). Сигнал с элемента ДТКЗ 8 подается на один из входов элемента И 23, сигнал с выхода элемента ДПВ 20 (фиг.2, диаграмма 37) также поступает на один из входов элемента И 23. Соответственно, на выходе элемента И 23 появляется сигнал (фиг.2, диаграмма 40), который поступает на один из входов элемента ИЛИ 12, с выхода которого появляется сигнал (фиг.2, диаграммы 31) и поступает на один из входов элемента И 13, на втором входе которого присутствует сигнал с элемента ДТКЗ 11. На выходе И 13 появляется сигнал и подается на вход элемента ПОВТОРИТЕЛЬ 14 (фиг.2, диаграмма 33), который подает сигнал на один вход И 16 (фиг.2, диаграмма 35). Так как короткое замыкание произошло в отходящей линии, то сигнала с элемента НЕ 26 (фиг.2, диаграмма 43), элемента И 27 (фиг.2, диаграмма 44), элемента ПОВТОРИТЕЛЬ 28 (фиг.2, диаграмма 45), элемента И 29 (фиг.2, диаграмма 46). Если произойдет отказ выключателя Q5 в линии, то отключение тока короткого замыкания произойдет с помощью выключателя Q3. При этом исчезает напряжение на шинах и, соответственно, исчезает сигнал с элемента ДНН 18 (фиг.2, диаграмма 30). Появляется сигнал на выходе элемента НЕ 15 (фиг.2, диаграмма 34) и подается на второй вход элемента И 16. Поскольку на обоих входах элемента И 16 появляются, таким образом, сигналы, появляется сигнал и на его выходе (фиг.2, диаграмма 35). Сигнал подается на вход элемента ИЛИ 30, после чего на его выходе появляется сигнал (фиг.2, диаграмма 47). Этот сигнал подается на вход элемента ПАМЯТЬ 17. Ввиду присутствия сигнала на входе элемента ПАМЯТЬ 17 и отсутствия сигнала сброса, на выходе ПАМЯТЬ 17 появится сигнал, который будет являться сигналом запрета АПВ (фиг.2, диаграмма 36). При восстановлении нормального режима на шинах подстанции появится напряжение, что будет зафиксировано датчиком ДНН 18, сигнал с которого «сбросит» элемент ПАМЯТЬ 17, схема вернется в исходное состояние.
При коротком замыкании (двух или трехфазном) в другой отходящей линии, при отказе ее выключателя схема работает аналогично, особенность ее работы в этом случае состоит в том, что сигнал о появлении тока короткого замыкания появится с выхода одного из элементов ДТКЗ 9 или ДТКЗ 10.
Если при коротком замыкании в отходящей линии отключится ее выключатель, в данном случае Q5, то после исчезновения тока короткого замыкания напряжение на шинах подстанции не исчезнет. А также, вследствие отключения выключателя Q5 исчезает сигнал с элемента ДПВ 20. Также не будет сигналов с выходов элементов НЕ 15 и И 16, следовательно, сигнал запрета АПВ в этом случае выдан не будет.
При коротком замыкании на шине двухтрансформаторной подстанции (фиг.1, точка 31) появится ток короткого замыкания на вводе питающего трансформатора, который фиксируют датчиком ДТКЗ 11, на вводе ДТКЗ 11 появится сигнал (фиг.3, диаграмма 29).Так как короткое замыкание произошло на шине, то нет сигнала с датчиков ДТКЗ 8, ДТКЗ 9, ДТКЗ 10 (фиг.3, диаграммы 26, 27, 28), соответственно нет сигнала с элементов: И 23, И 24, И 25, ИЛИ 12, И 13, ПОВТОРИТЕЛЬ 14, И 16 (фиг.3, диаграммы 40, 41, 42, 31, 32, 33, 35). Присутствует сигнал с элементов ДПВ 20, ДПВ 21, ДПВ 22 (фиг.3, диаграммы 37, 38, 39). Появляется сигнал на элементе НЕ 26, который поступает на один из выходов элемента И 27 (фиг.3, диаграмма 43), соответственно появляется сигнал на элементе И 27 (фиг.3, диаграмма 44). На выходе элемента И 27 присутствует сигнал и подается на элемент ПОВТОРИТЕЛЬ 28 (фиг.3, диаграма 45), который подается на один из выходов элемента И 29 (фиг.3, диаграмма 46). Если произойдет отказ выключателя Q5 в линии, то отключение тока короткого замыкания произойдет с помощью выключателя Q3. При этом исчезает напряжение на шинах и, соответственно, исчезает сигнал с элемента ДНН 18 (фиг.3, диаграмма 30). Появляется сигнал на выходе элемента НЕ 15 (фиг.3, диаграмма 34) и подается на второй вход элемента И 29. Поскольку на обоих входах элемента И 29 появляются, таким образом, сигналы, появляется сигнал и на его выходе (фиг.3, диаграмма 46). Этот сигнал подается на вход элемента ИЛИ 30 (фиг.3, диаграмма 47) где он сравнивается и подается на элемент ПАМЯТЬ 17. Ввиду присутствия сигнала на входе элемента ПАМЯТЬ 17 и отсутствия сигнала сброса, на выходе ПАМЯТЬ 17 появится сигнал, который будет являться сигналом запрета АПВ (фиг.3, диаграмма 36). При восстановлении нормального режима на шинах подстанции появится напряжение, что будет зафиксировано датчиком ДНН 18, сигнал с которого «сбросит» элемент ПАМЯТЬ 17, схема вернется в исходное состояние.
Таким образом, сигнал запрета АПВ подается в случае короткого замыкания на шинах двухтрасформаторной подстанции или в отходящей линии при отказе ее выключателя независимо от вида короткого замыкания (двух- или трехфазное).
Предлагаемый способ позволяет увеличить достоверность способа, повысить срок службы выключателя АПВ, сократить затраты на его ремонт и обслуживание.
Формула изобретения
Способ запрета автоматического повторного включения (АПВ) на короткое замыкание на шинах двухтрансформаторной подстанции или в отходящей линии в случае отказа ее выключателя, заключающийся в фиксации тока короткого замыкания, отличающийся тем, что фиксируют ток короткого замыкания на вводе питающего трансформатора, в этот же момент времени контролируют ток короткого замыкания в отходящих линиях, положение выключателей отходящих линий, контролируют напряжение на секции шин питающего трансформатора и, если ток короткого замыкания присутствует и на вводе питающего трансформатора и в одной из отходящих линий и присутствует сигнал с датчика положения выключателя, а после его отключения защитой отсутствует напряжение на секции шин питающего трансформатора, то делают вывод, что произошло короткое замыкание в отходящей линии и отказал ее выключатель, и в этом случае подают сигнал запрета АПВ, а если ток короткого замыкания присутствует на вводе питающего трансформатора и отсутствует в отходящих линиях, при этом после его отключения отсутствует напряжение секции шин питающего трансформатора, то делают вывод, что короткое замыкание произошло на шинах питающего трансформатора и в этом случае так же подают сигнал запрета АПВ.
РИСУНКИ
|
|