|
|
(21), (22) Заявка: 2009116305/28, 28.04.2009
(24) Дата начала отсчета срока действия патента:
28.04.2009
(46) Опубликовано: 10.08.2010
(56) Список документов, цитированных в отчете о поиске:
RU 2095772 C1, 10.11.1997. SU 1789893 A1, 23.01.1993. SU 742733 A1, 25.06.1980. SU 777757 A1, 07.11.1980. SU 474104 A1, 14.06.1975. SU 1778569 A1, 30.11.1992. JP 2002162303 A, 07.06.2002.
Адрес для переписки:
454119, г.Челябинск, ул. Машиностроителей, 10-Б, НПП “Резонанс”, В.А. Коровину
|
(72) Автор(ы):
Коровин Владимир Андреевич (RU), Коровин Константин Владимирович (RU)
(73) Патентообладатель(и):
Общество с ограниченной ответственностью “Научно-производственное предприятие “Резонанс” (RU)
|
(54) УСТРОЙСТВО ДЛЯ ИЗМЕРЕНИЯ ДАВЛЕНИЯ
(57) Реферат:
Изобретение относится к измерительной технике и может быть использовано для измерения давления жидких и газообразных сред. Устройство для измерения давления содержит упругое устройство, выполненное в виде одной детали из металлического сплава с заданными свойствами упругости или в виде соединенных между собой металлических деталей из этого же сплава, и соединенное с ним электронное устройство, осуществляющее формирование сигналов питания тензорезисторов и усиление сигналов с тензорезисторного моста или полумоста. Измерение давления осуществляется путем выявления изменения омического сопротивления металлического упругого устройства, отдельные элементы, детали или составные части которого выполняют функции тензорезисторов. За счет совмещения упругим устройством силовых и измерительных функций исключается необходимость приклеивания или напыления тензорезисторов на упругое устройство. Изобретение обеспечивает повышение устойчивости к воздействию термоударов и кратковременных перегрузок по давлению, уменьшение «ползучести», гистерезиса и «дрейфа нуля», а также повышение линейности и срока службы устройства для измерения давления. 6 з.п. ф-лы, 4 ил.
Изобретение относится к измерительной технике и может быть использовано для измерения давления жидких и газообразных сред.
Известен тензорезисторный датчик давления, содержащий корпус, размещенный в нем упругий элемент, выполненный в виде мембраны или полого цилиндра с герметично закрытым концом, свободный торец которого снабжен подводящим штуцером, тензорезисторы, прикрепленные (приклеенные) через изолирующие прокладки к поверхности упругого элемента, и электронное устройство, содержащее тензометрический усилитель и источник питания тензорезисторов [1], [2], [3].
Недостатки этих устройств обусловлены применением в них клеевого соединения тензорезисторов с упругим элементом. Как известно, качество клеевого соединения является одним из решающих факторов, определяющих поведение наклеенных тензорезисторов в датчиках давления и их свойства. «Ползучесть», линейность, гистерезис, «дрейф нуля» и срок службы устройства для измерения давления в значительной степени определяются качеством клеевого соединения тензорезисторов с упругим элементом (Шушкевич В.А. Основы тензометрии. – Минск: Высшая школа, 1975, стр.46).
Известные устройства обладают также пониженной стойкостью к воздействию термоударов, что обусловлено различными температурными коэффициентами расширения материалов упругого элемента и изоляторов тензорезисторов. Неоднородность структуры «упругий элемент – изолятор – тензорезистор» и возможность ее расслоения приводит также к пониженной устойчивости к воздействию кратковременных перегрузок по давлению.
Техническими результатами, на достижение которых направлено заявленное изобретение, является уменьшение «ползучести», гистерезиса и «дрейфа нуля», а также повышение устойчивости к воздействию термоударов и кратковременных перегрузок по давлению, линейности и срока службы устройства.
В устройстве для измерения давления, содержащем упругое устройство, снабженное подводящим штуцером и выполненное в виде одной детали из металлического сплава с заданными свойствам упругости или в виде соединенных между собой деталей из этого сплава, и электронное устройство, выполненное с возможностью формирования сигналов питания тензорезисторов и усиления сигналов с этих тензорезисторов, указанные технические результаты достигаются за счет того, что выводы электронного устройства, предназначенные для питания тензорезисторов, и вход усилителя подключены непосредственно к упругому устройству, которое выполнено с возможностью изменения омического сопротивления, по меньшей мере, одного его элемента, составной части или детали под воздействием измеряемого давления.
Кроме того, для достижения этих технических результатов, в частности:
– упругое устройство содержит элементы, составные части или детали, которые подвергаются деформациям растяжения или сжатия под воздействием измеряемого давления и соединены в электрический мост или полумост;
– электронное устройство содержит входной трансформатор, выполненный с возможностью повышения уровня сигнала с тензорезисторов;
– электронное устройство дополнительно содержит датчик температуры и соединенный с ним микроконтроллер, выполненный с возможностью осуществления температурной компенсации выходного сигнала устройства;
– электронное устройство выполнено с возможностью формирования разнополярных одиночных или периодических импульсов питания тензорезисторов с использованием трансформатора тока;
– электронное устройство выполнено с возможностью передачи данных во внешнее устройство по протоколу LIN (Local Interconnect Network), J1850 (SAE), CAN (Controller Area Network), CarLink, VAN, A-bus, RS-232C, RS-485, «токовая петля», MIDI, MicroLAN, Wi-Fi, Zig-Bee, Bluetooth, GSM или CDMA, или любой их комбинации.
Благодаря этим отличительным признакам измерение давления осуществляется путем выявления изменения омического сопротивления самого упругого устройства, воспринимающего измеряемое давление и выполняющего одновременно силовые и измерительные функции. При этом исключается приклейка или напыление тензорезисторов на упругое устройство, что и обеспечивает достижение указанных технических результатов – уменьшение «ползучести», гистерезиса и «дрейфа нуля», а также повышение устойчивости к воздействию термоударов и кратковременных перегрузок по давлению, линейности и срока службы устройства.
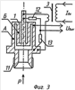
На фиг.1 приведена функциональная схема устройства для измерения давления с упругим устройством, реализующим полный тензометрический мост. На фиг.2 – вариант исполнения упругого устройства, также реализующего полный мост, а на фиг.3 – реализующего полумост. На фиг.4 показана временная диаграмма, поясняющая работу устройства.
Устройство для измерения давления содержит упругое устройство 1, воспринимающее измеряемое давление и выполненное из металлического сплава с заданными свойствами упругости (например, сплава 36НХТЮ), и электронное устройство 2.
Упругое устройство 1 выполнено в виде одной детали из сплошного металла или в виде деталей из этого же металла (сплава), соединенных между собой сваркой, запрессовкой, пайкой и т.п. без применения изоляторов. Его основу может составлять полый цилиндр с герметично закрытым концом, как это показано на фиг.1-3, либо мембрана.
Конфигурация упругого устройства выбрана таким образом, что у него имеются элементы, детали или составные части, которые подвергаются деформациям растяжения (элементы, детали или составные части А) или сжатия (элементы, детали или составные части Б) под воздействием измеряемого давления Р. Эти элементы (детали, составные части) соединены в электрический мост (фиг.1, фиг.2) или полумост (фиг.3) и изменяют свое сопротивление под воздействием напряжений растяжения/сжатия, одновременно выполняя функции как упругих элементов, воспринимающих, по меньшей мере, частично измеряемое давление Р, так и тензорезисторов. Отдельные элементы (детали, составные части) упругого устройства 1 могут не воспринимать нагрузок и использоваться в качестве компенсационных тензорезисторов.
Ввиду низкого электрического сопротивления образованного ими тензометрического моста или полумоста (порядка десятков мкОм) его питание осуществляется преимущественно в импульсном режиме с использованием трансформатора тока 3. Выходное электрическое сопротивление такого тензомоста также имеет малую величину. Поэтому съем электрического сигнала с него целесообразно осуществлять с помощью трансформатора 4, обеспечивающего повышение уровня выходного напряжения тензомоста (фиг.1).
Электронное устройство 2 может быть реализовано на основе микроконтроллера 5 со встроенным аналого-цифровым преобразователем (АЦП). При необходимости между выходом трансформатора 4 и входом микроконтроллера 5 может быть установлен дополнительный усилитель/фильтр 6.
Микроконтроллер 5 с периодом Т поочередно формирует на своих выходах сигналы управления буферными усилителями/драйверами 7 и 8, обеспечивая с помощью трансформатора тока 3 разнополярные импульсы тока питания тензомоста (упругого элемента 1) повышенной величины, например 10 А. В результате этого на выходе тензомоста и соответственно на выходе усилителя 6 формируются разнополярные импульсы напряжения (фиг.4). Микроконтроллер 5 может формировать также не одиночные разнополярные, а периодические импульсы питания тензомоста, что приводит к повышению помехоустойчивости, точности и быстродействия измерения давления при одновременном увеличении потребляемого тока.
Устройство с целью повышения точности измерения давления может содержать датчик температуры 9, подключенный к дополнительному входу микроконтроллера 5. В этом случае микроконтроллер 5 программно реализует известный алгоритм температурной компенсации напряжения смещений нуля и изменения чувствительности устройства в целом вследствие температурных изменений характеристик сплава, из которого изготовлено упругое устройство 1 (тензомост), а также трансформаторов 3 и 4 и усилителя 6.
В устройстве в зависимости от исполнения выходного устройства (трансивера/драйвера) 10 может формироваться выходной сигнал в виде напряжения (например, 0,5-4,5 В), тока (4-20 мА) или в цифровой форме. В последнем случае трансивер/драйвер 10 совместно с микроконтроллером 5 реализуют передачу данных во внешнее устройство по проводному интерфейсу LIN (Local Interconnect Network), J1850 (SAE), CAN (Controller Area Network), CarLink, VAN, A-bus, RS-232C, RS-485, «токовая петля», MIDI, MicroLAN, no беспроводному интерфейсу Wi-Fi, Zig-Bee, Bluetooth, GSM, CDMA или любой их комбинации.
Трансивер/драйвер 10, используемый для реализации любого из указанных интерфейсов, может быть выполнен на основе соответствующей интегральной микросхемы, реализующей на физическом уровне проводную или беспроводную передачу данных, контрольной суммы или бита четности и т.д., а также проводной или беспроводной прием сигналов запроса передачи данных, адреса устройства, сигналов подтверждения приема и т.п.
Примерами таких микросхем являются: МАХ5661 компании Maxim Integrated Products, предназначенная для формирования сигналов в аналоговых каналах передачи данных (0,5-4,5 В или 4-20 мА), микросхема МАХ845 для реализации интерфейса RS-485/RS-422, микросхемы CAN-интерфейса TJA1043T / TJA1042T / TJA1051T, МСР2510 и MCP2515, драйвер шины LIN типа МСР201, микросхемы драйвера МАХ3243, МАХ3250 интерфейса RS-232, трансивер USB3250 интерфейса USB 2.0, микросхема приемопередатчика СС2520 беспроводного интерфейса Zig-Bee и т.д.
В устройстве может быть реализовано одновременно несколько из указанных различных интерфейсов в любой их комбинации. Например, устройство может одновременно иметь токовый выход 4-20 мА и CAN интерфейс. В этом случае трансивер/драйвер 10 одновременно содержит, например, микросхемы МАХ5661 и TJA1043T. Аналогичным образом при предъявлении к устройству требований о наличии в нем других интерфейсов это требование выполняется путем выбора и установки соответствующих микросхем.
Соединение микросхемы (или микросхем) трансивера/драйвера 10 с микроконтроллером 5 осуществляется по шине SPI, I2C. Если используются одновременно несколько микросхем, то при обмене информации между ними и микроконтроллером 5 используются аппаратные средства задания их адреса, имеющиеся в этих микросхемах.
В случае применения беспроводного радиоинтерфейса Wi-Fi, Zig-Bee, Bluetooth, GSM или CDMA в состав устройства входит антенна, которая может иметь SMD исполнение (например, керамическая антенна) и устанавливаться на печатной плате устройства. Может также использоваться внешняя антенна, подключаемая к устройству посредством коаксиального кабеля.
Необходимый протокол обмена данными по проводному или беспроводному интерфейсу реализуется программно микроконтроллером 5. Такие протоколы для всех видов указанных проводных или беспроводных последовательных интерфейсов описаны в государственных и международных стандартах и дополнительных пояснений не требуют.
Если элементы (детали, составные части) упругого устройства 1 образуют не полный мост, а полумост (фиг.3), то недостающие элементы моста реализуются при помощи резисторов 12, 13.
Электронное устройство 2 в общем случае имеет элементы балансировки тензомоста. Реализация балансировки осуществляется известными методами и на чертежах условно не показана.
При работе описываемого устройства в исходном состоянии (в момент времени to) выходной ток трансформатора 3 отсутствует, выходное напряжение сбалансированного тензомоста равно нулю, а на выходе усилителя 6 присутствует предварительно установленное напряжение смещения Uo (фиг.4).
Микроконтроллер 5, работая по программе, с помощью буферных усилителей/драйверов 7 и 8 и трансформатора тока 3 формирует импульс тока питания тензомоста положительной полярности и в момент времени t1 с помощью встроенного АЦП осуществляет измерение уровня сигнала U1 (фиг.4). Затем аналогичным образом формируется импульс тока отрицательной полярности, и в момент времени t2 осуществляется измерение уровня сигнала U2.
Выходной сигнал устройства не зависит от напряжения смещения Uo и определяется разностью
Uвых=К(U1-U2),
где К – постоянный коэффициент.
При отсутствии измеряемого давления тензомост сбалансирован, U1=U2=Uo, a Uвых=0.
Жидкая или газообразная среда с давлением Р, подлежащим измерению, через приемный штуцер 11 поступает в герметичную полость упругого элемента 1 и воздействует на его элементы (детали, составные части) А и Б, испытывающие соответственно деформации растяжения или сжатия (фиг.1-3). В результате этого происходит изменение длины и площади поперечного сечения элементов (деталей, составных частей) А и Б упругого устройства 1. Это приводит к изменению их омического сопротивления и к разбалансировке образованного ими тензомоста пропорционально приложенному давлению.
Импульсы напряжения с выхода тензомоста усиливаются с помощью трансформатора 4 и усилителя 6 и поступают на вход АЦП микроконтроллера 5 (фиг.1). Далее микроконтроллер 5 формирует выходной сигнал устройства Uвых с использованием приведенной формулы.
Если упругий элемент 1 реализует полумост (фиг.3) или одиночный тензорезистор (с реализацией компенсирующего тензорезистора в виде ненагруженного элемента), то в качестве недостающих плеч моста используются резисторы 12, 13. Применение трансформатора напряжения в этом случае, как правило, нецелесообразно.
При необходимости микроконтроллер 5 осуществляет температурную компенсацию выходного сигнала, осуществляя вычисления по формуле
Uвых=К(t)[U1-U2+A(t)],
где К(t) и A(t) – коэффициенты, зависящие от температуры t (от выходного сигнала датчика 9) и обеспечивающие компенсацию мультипликативной и аддитивной погрешности измерения давления F.
Функциональные зависимости К(t) и A(t) определяются экспериментальным или расчетным путем и предварительно записываются в память микроконтроллера 5.
С помощью микроконтроллера 5 в случае необходимости осуществляется также сглаживание пульсаций давления либо выделение динамической составляющей измеряемого давления, а также и лианеризация передаточной характеристики устройства.
В данном описании схематично приведены лишь частные варианты реализации предложенного устройства для измерения давления. Изобретение охватывает другие возможные варианты его исполнения и их эквиваленты без отступления от сущности изобретения, изложенной в его формуле.
Источники информации
1. RU 2227277 C2, G01L 9/04, 20.04.2004.
2. RU 2095772 C1, G01L 9/04, 10.11.1997.
3. RU 2082129 С1, G01L 9/04, 20.06.1997.
Формула изобретения
1. Устройство для измерения давления, содержащее упругое устройство, выполненное в виде одной детали или соединенных между собой деталей из металлического сплава, и электронное устройство, выполненное с возможностью формирования сигналов питания, по меньшей мере, одного тензорезистора и усиления сигналов, по меньшей мере, с одного тензорезистора, отличающееся тем, что выводы электронного устройства, предназначенные для питания, по меньшей мере, одного тензорезистора и для приема сигналов, по меньшей мере, с одного тензорезистора, подключены непосредственно к упругому устройству, которое выполнено с возможностью изменения омического сопротивления, по меньшей мере, одного его элемента или составной части, или детали под воздействием измеряемого давления.
2. Устройство по п.1, отличающееся тем, что упругое устройство содержит элементы или составные части, или детали, которые подвергаются деформациям растяжения или сжатия под воздействием измеряемого давления и соединены в электрический мост или полумост.
3. Устройство по п.1 или 2, отличающееся тем, что электронное устройство выполнено с возможностью формирования разнополярных одиночных или периодических импульсов питания тензорезисторов с использованием выходного трансформатора.
4. Устройство по п.3, отличающееся тем, что выходной трансформатор выполнен в виде трансформатора тока.
5. Устройство по одному из пп.1, 2 или 4, отличающееся тем, что электронное устройство содержит входной трансформатор, который выполнен с возможностью повышения уровня сигнала с тензорезисторов.
6. Устройство по одному из пп.1, 2 или 4, отличающееся тем, что электронное устройство дополнительно содержит датчик температуры и соединенный ним микроконтроллер, выполненный с возможностью осуществления температурной компенсации выходного сигнала устройства.
7. Устройство по п.6, отличающееся тем, что электронное устройство дополнительно содержит соединенный с микроконтроллером трансивер или драйвер последовательного проводного или беспроводного интерфейса LIN (Local Interconnect Network), или J1850 (SAE), или CAN (Controller Area Network), или CarLink, или VAN, или А-bus, или RS-232C, или RS-485, или «токовая петля», или MIDI, или MicroLAN, или Wi-Fi, или Zig-Bee, или Bluetooth, или GSM, или CDMA, или любой их комбинации.
РИСУНКИ
|
|