|
|
(21), (22) Заявка: 2009115242/28, 21.04.2009
(24) Дата начала отсчета срока действия патента:
21.04.2009
(46) Опубликовано: 10.08.2010
(56) Список документов, цитированных в отчете о поиске:
RU 2095772 C1, 10.11.1997. SU 742733 A1, 25.06.1980. SU 777757 A1, 07.11.1980. SU 474104 A1, 14.06.1975. US 4107985 A1, 22.08.1978. RU 2308010 C1, 10.10.2007. RU 35885 U1, 10.02.2004.
Адрес для переписки:
454119, г.Челябинск, ул. Машиностроителей, 10Б, НПП “Резонанс”, В.А. Коровину
|
(72) Автор(ы):
Коровин Владимир Андреевич (RU), Коровин Константин Владимирович (RU)
(73) Патентообладатель(и):
Общество с ограниченной ответственностью “Научно-производственное предприятие “Резонанс” (RU)
|
(54) УСТРОЙСТВО ДЛЯ ИЗМЕРЕНИЯ СИЛЫ
(57) Реферат:
Изобретение относится к силоизмерительной технике и может быть использовано в электронных весах, динамометрах и других измерительных устройствах. Устройство для измерения силы содержит упругое силовоспринимающее устройство, выполненное из металлического сплава с заданными свойствами упругости, и соединенное с ним электронное устройство, осуществляющее формирование сигналов питания тензорезисторов и усиление сигналов с тензорезисторного моста или полумоста. Измерение силы осуществляется путем выявления изменения омического сопротивления самого силовоспринимающего устройства, отдельные элементы которого выполняют функции тензорезисторов. За счет совмещения силовоспринимающим устройством силовых и измерительных функций исключается необходимость приклеивания или напыления тензорезисторов на силовоспринимающее устройство. Изобретение обеспечивает уменьшение «ползучести», гистерезиса и «дрейфа нуля», а также повышение линейности и срока службы устройства для измерения силы. 8 з.п. ф-лы, 3 ил.
Изобретение относится к силоизмерительной технике и может быть использовано в электронных весах, динамометрах и других измерительных устройствах.
Известен тензорезисторный датчик силы, содержащий жесткие силопередающие элементы, соединенные между собой двумя упругими балочками, и размещенную между ними измерительную перемычку, на которой в четырех местах наклеены тензорезисторы [1].
Известен также тензометрический датчик силы, содержащий тензомост, образованный тензорезисторами, наклеенными на упругий элемент и подключенными к источнику питания тензомоста, выполненному в виде источника постоянного напряжения, и усилитель, входы которого подключены к выводам тензомоста [2].
Недостатки этих устройств обусловлены применением в них клеевого соединения тензорезисторов с упругим элементом. Как известно, качество клеевого соединения является одним из решающих факторов, определяющих поведение наклеенного тензорезистора и его свойства. «Ползучесть», линейность, гистерезис, «дрейф нуля» и срок службы наклеенного тензорезистора в значительной степени определяются качеством клеевого соединения (Шушкевич В.А. Основы тензометрии. – Минск: Высшая школа, 1975, стр.46).
Техническими результатами, на достижение которых направлено заявленное изобретение, является уменьшение «ползучести», гистерезиса и «дрейфа нуля», а также повышение линейности и срока службы устройства.
Эти технические результаты достигаются за счет того, что в устройстве для измерения силы, содержащем упругое металлическое силовоспринимающее устройство и электронное устройство, выполненное с возможностью формирования сигналов питания тензорезисторов и усиления сигналов с тензорезисторов, выводы электронного устройства, предназначенные для питания тензорезисторов и для приема с них сигналов, подключены непосредственно к силовоспринимающему устройству, которое выполнено с возможностью изменения омического сопротивления, по меньшей мере, его одной составной части под воздействием измеряемой силы.
При этом, в частности:
– силовоспринимающее устройство содержит элементы или составные части, которые подвергаются деформациям растяжения или сжатия под воздействием измеряемой силы и соединены в электрический мост или полумост;
– силовоспринимающее устройство содержит, по меньшей мере, один изолятор, через который осуществляется приложение измеряемой силы;
– электронное устройство содержит входной трансформатор, выполненный с возможностью повышения уровня напряжения сигнала с тензорезисторов;
– электронное устройство содержит датчик температуры и соединенный с ним микроконтроллер, выполненный с возможностью осуществления температурной компенсации выходного сигнала устройства;
– электронное устройство выполнено с возможностью:
а) формирования разнополярных одиночных или периодических импульсов питания тензомоста с использованием выходного трансформатора тока;
б) перемножения измеряемой силы с величиной плеча ее приложения и формирования выходного сигнала о величине момента измеряемой силы;
в) передачи данных во внешнее устройство по протоколу LIN (Local Interconnect Network), J1850 (SAE), CAN (Controller Area Network), CarLink, VAN, A-bus, RS-232C, RS-485, «токовая петля», MIDI, MicroLAN, Wi-Fi, Zig-Bee, Bluetooth, GSM или CDMA, или любой их комбинации.
Благодаря этим отличительным признакам в предложенном устройстве обеспечивается измерение силы путем выявления изменения омического сопротивления самого силовоспринимающего устройства, одновременно выполняющего силовые и измерительные функции. При этом исключается приклейка или напыление тензорезисторов на силовоспринимающее устройство, что и обеспечивает достижение указанных технических результатов – уменьшение «ползучести», гистерезиса и «дрейфа нуля», а также повышение линейности и срока службы устройства для измерения силы.
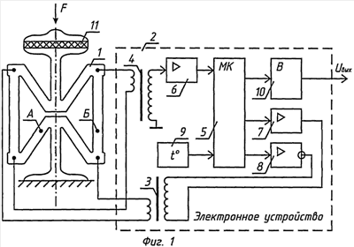
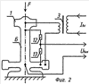
На фиг.1 приведена функциональная схема устройства с рамочным силовоспринимающим устройством. На фиг.2 – со стержневым. На фиг.3 показана временная диаграмма, поясняющая работу устройства.
Устройство для измерения силы содержит упругое силовоспринимающее устройство 1, выполненное из металлического сплава с заданными свойствами упругости (36НХТЮ и т.п.). Его конфигурация выбрана таким образом, что у него имеются элементы или составные части, которые подвергаются деформациям растяжения (элементы или составные части А) или сжатия (элементы или составные части Б) под воздействием измеряемой силы F. Эти элементы или составные части соединены в электрический мост (фиг.1) или полумост (фиг.2) и изменяют свое сопротивление под воздействием нагрузки, одновременно выполняя тем самым функции как упругих силовоспринимающих элементов, так и тензорезисторов. Отдельные элементы силовоспринимающего устройства 1, например круговой элемент стержневого силовоспринимающего устройства, показанного на фиг.2, могут не воспринимать нагрузок и использоваться в качестве компенсационных тензорезисторов.
Ввиду низкого электрического сопротивления образованного ими тензометрического моста или полумоста (порядка десятков мкОм), его питание осуществляется преимущественно в импульсном режиме с использованием трансформатора тока 3. Выходное электрического сопротивления такого тензомоста также имеет малую величину. Поэтому съем электрического сигнала с него целесообразно осуществлять с помощью импульсного трансформатора 4, обеспечивающего повышение уровня выходного напряжения тензомоста (фиг.1).
Электронное устройство 2 может быть реализовано на основе микроконтроллера 5 со встроенным аналого-цифровым преобразователем (АЦП). При необходимости, между выходом трансформатора 4 и входом микроконтроллера 5 может быть установлен дополнительный усилитель/фильтр 6.
Микроконтроллер 5 поочередно формирует на своих выходах сигналы управления буферными усилителями/драйверами 7 и 8, обеспечивая с помощью трансформатора тока 3 разнополярные импульсы тока питания тензомоста (силовоспринимающего элемента 1) повышенной величины. В результате этого на выходе тензомоста и соответственно на выходе усилителя 6 формируются импульсы напряжения с периодом Т (фиг.3). Микроконтроллер 5 может формировать также не одиночные разнополярные, а периодические импульсы питания тензомоста, что приводит к повышению точности и быстродействия измерения силы при одновременном увеличении потребляемого тока.
Устройство с целью повышения точности измерения силы может содержать датчик температуры 9, подключенный к дополнительному входу микроконтроллера 5. В этом случае микроконтроллер 5 программно реализует температурную компенсацию напряжения смещений нуля и изменений чувствительности устройства в целом вследствие температурных изменений характеристик материала, из которого изготовлен силовоспринимающий элемент 1 (тензомост), трансформаторов 3 и 4 и усилителя 6.
В устройстве в зависимости от исполнения выходного устройства (трансивера/драйвера) 10 может формироваться выходной сигнал в виде напряжения (например, 0,5-4,5 В), тока (4-20 мА) или в цифровой форме. В последнем случае трансивер/драйвер 10 совместно с микроконтроллером 5 реализуют передачу данных во внешнее устройство по проводному интерфейсу LIN (Local Interconnect Network), J1850 (SAE), CAN (Controller Area Network), CarLink, VAN, A-bus, RS-232C, RS-485, «токовая петля», MIDI, MicroLAN, no беспроводному интерфейсу Wi-Fi, Zig-Bee, Bluetooth, GSM, CDMA или любой их комбинации.
Трансивер/драйвер 10, используемый для реализации любого из указанных интерфейсов, может быть выполнен на основе соответствующей интегральной микросхемы, реализующей на физическом уровне проводную или беспроводную передачу данных, контрольной суммы или бита четности и т.д., а также проводной или беспроводной прием сигналов запроса передачи данных, адреса устройства, сигналов подтверждения приема и т.п.
Примерами таких микросхем являются: МАХ5661 компании Maxim Integrated Products, предназначенная для формирования сигналов в аналоговых каналах передачи данных (0,5-4,5 В или 4-20 мА), микросхема МАХ845 для реализации интерфейса RS-485/RS-422, микросхемы CAN-интерфейса TJA1043T / TJA1042T / TJA1051T, МСР2510 и МСР2515, драйвер шины LIN типа МСР201, микросхемы драйвера МАХ3243, МАХ3250 интерфейса RS-232, трансивер USB3250 интерфейса USB 2.0, микросхема приемопередатчика СС2520 беспроводного интерфейса Zig-Bee и т.д.
В устройстве может быть реализовано одновременно несколько из указанных различных интерфейсов в любой их комбинации. Например, устройство может одновременно иметь токовый выход 4-20 мА и CAN интерфейс.В этом случае трансивер/драйвер 10 одновременно содержит, например, микросхемы МАХ5661 и TJA1043T. Аналогичным образом, при предъявлении к устройству требований о наличии в нем других интерфейсов это требование выполняется путем выбора и установки соответствующих микросхем.
Соединение микросхемы (или микросхем) трансивера/драйвера 10 с микроконтроллером 5 осуществляется по шине SPI, I2C. Если используются одновременно несколько микросхем, то при обмене информации между ними и микроконтроллером 5 используются аппаратные средства задания их адреса, имеющиеся в этих микросхемах.
В случае применения беспроводного радиоинтерфейса Wi-Fi, Zig-Bee, Bluetooth, GSM или CDMA в состав устройства входит антенна, которая может иметь SMD исполнение (например, керамическая антенна) и устанавливаться на печатной плате устройства. Может также использоваться внешняя антенна, подключаемая к устройству посредством коаксиального кабеля.
Необходимый протокол обмена данными по проводному или беспроводному интерфейсу реализуется программно микроконтроллером 5. Такие протоколы для всех видов указанных проводных или беспроводных последовательных интерфейсов описаны в государственных и международных стандартах и дополнительных пояснений не требуют.
По металлическим элементам объекта, на котором устанавливается описываемое устройство, могут протекать электрические токи, оказывающие влияние на работу тензомоста. В этом случае измеряемая сила F прикладывается к силовоспринимающему устройству 1 через изолятор 11.
Элементы или составные части силовоспринимающего устройства 1 могут образовывать не только полный мост (фиг.1), но и полумост (фиг.2). В последнем случае недостающие элементы моста реализуются при помощи резисторов 12, 13. Электронное устройство 2 в общем случае имеет также элементы балансировки тензомоста. Реализация балансировки осуществляется известными методами и на чертежах условно не показана.
Описываемое устройство осуществляет измерение усилий как растяжения, так и сжатия, и работает следующим образом.
В исходном состоянии (в момент времени to) выходной ток трансформатора 3 отсутствует, выходное напряжение тензомоста равно нулю, а на выходе усилителя 6 присутствует предварительно установленное напряжение смещения Uo (фиг.3).
Микроконтроллер 5, работая по программе, с помощью буферных усилителей/драйверов 7 и 8 и трансформатора тока 3 формирует импульс тока питания тензомоста положительной полярности и в момент времени t1 с помощью встроенного АЦП осуществляет измерение уровня сигнала U1 (фиг.3). Затем аналогичным образом формируется импульс тока отрицательной полярности и в момент времени t2 осуществляется измерение уровня сигнала U2.
Выходной сигнал устройства не зависит от напряжения смещения Uo и определяется разностью:
Uвых=К(U1-U2),
где К – постоянный коэффициент.
При отсутствии измеряемой силы тензомост сбалансирован, U1=U2=Uo, а Uвых=0.
Сила F, подлежащая измерению, непосредственно или через изолятор (изоляторы) 11 прикладывается к элементам или составным частям А и Б упругого силовоспринимающего устройства 1, испытывающим соответственно деформации растяжения или сжатия (фиг.1, фиг.2). В результате этого происходит изменение длины и площади поперечного сечения элементов или составных частей А и Б силовоспринимающего устройства 1. Это приводит к изменению их омического сопротивления и к разбалансировке образованного ими тензомоста пропорционально приложенной нагрузке.
Импульсы напряжения с выхода тензомоста усиливаются с помощью трансформатора 4 и усилителя 6 и поступают на вход АЦП микроконтроллера 5 (фиг.3). Далее микроконтроллер 5 формирует выходной сигнал устройства Uвых с использованием приведенной формулы.
При необходимости, микроконтроллер 5 осуществляет температурную компенсацию выходного сигнала, осуществляя вычисления по формуле:
Uвых=К(t)[U1-U2+A(t)],
где К(t) и A(t) – коэффициенты, зависящие от температуры t (от выходного сигнала датчика 9) и обеспечивающие компенсацию мультипликативной и аддитивной погрешности измерения силы F.
Функциональные зависимости К(t) и A(t) определяются экспериментальным или расчетным путем и предварительно записываются в память микроконтроллера 5.
При необходимости измерения момента М, плечо приложения силы F предварительно записывается в память микроконтроллера 5 и умножается этим микроконтроллером на результат измерения силы F.
В данном описании схематично приведены лишь частные варианты реализации предложенного устройства для измерения силы. Изобретение охватывает другие возможные варианты его исполнения и их эквиваленты без отступления от сущности изобретения, изложенной в его формуле.
Источники информации
1. RU 2308010 C1, G01L 1/22, 10.10.2007.
2. RU 35885 U1, G01L 1/22, 10.02.2004.
Формула изобретения
1. Устройство для измерения силы, содержащее упругое металлическое силовоспринимающее устройство и электронное устройство, выполненное с возможностью формирования сигналов питания, по меньшей мере, одного тензорезистора и усиления сигналов, по меньшей мере, с одного тензорезистора, отличающееся тем, что выводы электронного устройства, предназначенные для питания, по меньшей мере, одного тензорезистора и для приема сигналов, по меньшей мере, с одного тензорезистора, подключены непосредственно к металлическому силовоспринимающему устройству, которое выполнено с возможностью изменения омического сопротивления, по меньшей мере, одной его составной части или элемента под воздействием измеряемой силы.
2. Устройство по п.1, отличающееся тем, что силовоспринимающее устройство содержит элементы или составные части, которые подвергаются деформациям растяжения или сжатия под воздействием измеряемой силы и соединены в электрический мост или полумост.
3. Устройство по п.1, отличающееся тем, что силовоспринимающее устройство дополнительно содержит, по меньшей мере, один электрический изолятор, через который осуществляется приложение измеряемой силы.
4. Устройство по любому из пп.1-3, отличающееся тем, что электронное устройство дополнительно выполнено с возможностью перемножения измеряемой силы с величиной плеча ее приложения и формирования выходного сигнала о величине момента измеряемой силы.
5. Устройство по любому из пп.1-3, отличающееся тем, что электронное устройство выполнено с возможностью формирования разнополярных одиночных или периодических импульсов питания тензорезисторов с использованием выходного трансформатора.
6. Устройство по п.5, отличающееся тем, что выходной трансформатор выполнен в виде трансформатора тока.
7. Устройство по одному из пп.1-3 или 6, отличающееся тем, что электронное устройство содержит входной трансформатор, который выполнен с возможностью повышения уровня напряжения сигнала с тензорезисторов.
8. Устройство по одному из пп.1-3 или 6, отличающееся тем, что электронное устройство дополнительно содержит датчик температуры и соединенный с ним микроконтроллер, выполненный с возможностью осуществления температурной компенсации выходного сигнала устройства.
9. Устройство по п.8, отличающееся тем, что электронное устройство содержит трансивер или драйвер последовательного проводного или беспроводного интерфейса, соединенный с микроконтроллером, и выполнено с возможностью передачи данных во внешнее устройство по протоколу LIN (Local Interconnect Network), или J1 850 (SAE), или CAN (Controller Area Network), или CarLink, или VAN, или A-bus, или RS-232С, или RS-485, или «токовая петля», или MIDI, или MicroLAN, или Wi-Fi, или Zig-Bee, или Bluetooth, или GSM, или CDMA, или любой их комбинации.
РИСУНКИ
|
|