|
| На основании пункта 1 статьи 1366 части четвертой Гражданского кодекса Российской Федерации патентообладатель обязуется заключить договор об отчуждении патента на условиях, соответствующих установившейся практике, с любым гражданином Российской Федерации или российским юридическим лицом, кто первым изъявил такое желание и уведомил об этом патентообладателя и федеральный орган исполнительной власти по интеллектуальной собственности. |
|
(21), (22) Заявка: 2009140898/02, 06.11.2009
(24) Дата начала отсчета срока действия патента:
06.11.2009
(46) Опубликовано: 10.08.2010
(56) Список документов, цитированных в отчете о поиске:
RU 2070703 C1, 20.12.1996. RU 56673 U1, 10.09.2006. RU 2146835 C1, 20.03.2000. US 3803974 A, 16.04.1974.
Адрес для переписки:
119992, Москва, ГСП-2, пр-д Девичьего поля, 4, ОА ВС РФ, НИО, М.М.Старостину
|
(72) Автор(ы):
Белоконь Сергей Петрович (RU), Дииб Бассам Ахмед (RU), Зайцев Сергей Дмитриевич (RU), Зиганшин Дамир Фазрахманович (RU), Краснянчук Николай Алексеевич (RU), Старостин Михаил Михайлович (RU), Ткаченко Владимир Иванович (RU), Черкасов Владислав Николаевич (RU)
(73) Патентообладатель(и):
Белоконь Сергей Петрович (RU), Дииб Бассам Ахмед (RU), Зайцев Сергей Дмитриевич (RU), Зиганшин Дамир Фазрахманович (RU), Краснянчук Николай Алексеевич (RU), Старостин Михаил Михайлович (RU), Ткаченко Владимир Иванович (RU), Черкасов Владислав Николаевич (RU)
|
(54) АВТОМАТИЗИРОВАННАЯ СИСТЕМА УПРАВЛЕНИЯ ВЫСОКОТОЧНЫМ ОРУЖИЕМ
(57) Реферат:
Изобретение относится к автоматизированным системам управления высокоточным оружием. Система содержит приемник внешних сигналов и соединенный с его выходом пульт управления командира. Первый выход пульта управления оператора соединен с оптической формирующей системой. Система содержит последовательно соединенные источник питания, блок изменения яркости, второй вход которого соединен со вторым выходом пульта управления оператора, сумматор, фильтр низкой частоты и блок подсветки визирного индекса. Второй вход блока подсветки визирного индекса соединен с третьим выходом пульта управления оператора. Система содержит блок светофильтров и блок формирования визирного индекса, последовательно соединенные генератор периодических сигналов, блок регулировки периодических сигналов и датчик частоты периодических сигналов. Его первый выход соединен со вторым входом фильтра низкой частоты. В систему введены блок взаимосвязи рабочих мест командира и оператора, привод наведения, блок экранирования, первый, второй и третий блоки управления, датчик амплитуды периодических сигналов и датчик временных интервалов. Обеспечивает расширение функциональных возможностей системы, в частности, по оценке состояния операторов, что позволяет своевременно принимать соответствующие меры как по коррекции выполняемых ими действий, так и по их замене. 1 ил.
Предлагаемая автоматизированная система управления высокоточным оружием (АСУ ВТО) относится к военной технике, а более конкретно – к АСУ ВТО, устанавливаемых на подвижных объектах: танках, БМП, судах, вертолетах и др. Подобные АСУ ВТО позволяют автоматизировать процессы учета условий стрельбы, определения углов прицеливания и бокового упреждения, а также введения поправок в положение оружия в момент выстрела.
Известны АСУВ танков первого послевоенного поколения Т-55 и Т-62 (см., например, «Руководство по материальной части и эксплуатации танка Т-55». Воениздат, М., 1965 г.). Каждая из АСУВ этих танков содержит пульт управления, автоматизированные приводы наведения ствола пушки в вертикальной и горизонтальной плоскостях с блоком их включения и стабилизатором вооружения с зависимой линией прицеливания. Эффективность этих систем достаточно высока. Она обеспечивается введением автоматизированных приводов наведения ствола пушки в двух плоскостях. Достигаемая вероятность попадания при этом не ниже 50%. Однако для этих систем характерны недостатки. Совмещение с целью зависимой линии прицеливания, связанной с вооружением, приводит к тому, что ошибки слежения за целью определяются возмущениями, действующими на вооружение, которые велики (в горизонтальной плоскости при стрельбе с ходу достигают 2 т.д.). Кроме того, при их применении в пустынной, горно-пустынной и прибрежных местностях точность стрельбы всеми типами снарядов может дополнительно (до 1 т.д. и более) ухудшаться. Это объясняется тем, что в указанных районах вследствие высокой температуры нагрева (до 60 градусов) подстилающей поверхности над ней возникают мощные восходящие воздушные потоки (см., например, Савкин Л.С., Лебедев Б.Д. Метеорология и стрельба артиллерии. М., Воениздат, 1974, с.10-14), отклоняющие снаряды в полете по высоте от линиии прицеливания.
Следует также отметить, что измерение дальности в этих АСУВ до цели производится с помощью дальномерных шкал, что обусловливает большую погрешность (более 10% от измеренной дальности) ее измерения, а следовательно, и погрешность в определении угла прицеливания. Поэтому при стрельбе из танков Т-55 и Т-62 вероятность попадания, как правило, не превышает 50%, а дальность эффективного огня составляет всего лишь 1400-1600 м. Вместе с тем операторы этих систем испытывают значительные трудности и быстро устают.
Для решения задачи поражения цели необходимо прежде всего решить задачу встречи снаряда (ракеты) с целью. В настоящее время эта задача в рассматриваемых системах решается путем придания вооружению такого положения перед выстрелом, которое обеспечило бы совмещение траектории снаряда (ракеты) с целью в момент достижения снарядом (ракетой) цели. Это обеспечивается различными прицельными устройствами, одной из основных функций которых является визирование цели. От эффективности визирования (прежде всего, точности визирования) зависит и эффективность вооружения, а вместе с тем и эффективность стрельбы в целом.
Известно, например, устройство для визирования, входящее в состав автоматизированной системы управления вооружением танка Т-62 (см., например, Руководство по материальной части и эксплуатации танка Т-62. М.: Воениздат, 1968, с.195-210). Оно содержит пульт управления оператора и оптически сопряженные блок формирования визирного индекса и оптическую формирующую систему. В этом комплексе при стрельбе в обычных условиях с места по неподвижной цели визирование осуществляется путем совмещения точки визирования на цели с визирным индексом (прицельной маркой), а изменения условий стрельбы учитываются перемещением визирного индекса (прицельной марки) на определенную угловую величину до выстрела. При этом возникает угловое рассогласование между линией визирования и вооружением (осью ствола). Это обеспечивает однообразие прицеливания (совмещения визирного индекса с целью). Но вместе с этим возникает недостаток: линия визирования отклоняется от оптической оси поля зрения визирного устройства, что сопровождается ухудшением видимости, снижением разрешающей способности оптической системы и быстрым нарастанием зрительной усталости наводчиков-операторов. Кроме того, при стрельбе в условиях, отличных от обычных (стрельба с ходу, по движущейся цели, стрельба при сильном боковом ветре и т.д.), приходится все равно вводить поправку в положение линии визирования относительно цели, что вызывает смещение визирного индекса относительно цели.
В этом случае однообразие визирования все-таки нарушается, снижается его точность, ухудшается состояние операторов, а вместе с тем резко падает и эффективность стрельбы.
Известна АСУ ВТО с устройством для визирования прицельного комплекса танка Т-72 (см., например: Вооружение танка Т-72. Под ред.В.М.Шишковского: М.: ВАБТВ, 1979, с.74-91; Котовский В.И. и др. Курс вооружения танков. М.: ВАБТВ, 1957, с. 311-358). Она содержит последовательно соединенные пульт управления оператора, оптическую формирующую систему и блок формирования визирного индекса, блок подсветки визирного индекса, первый вход которого соединен с выходом пульта управления оператора, источник питания, блок изменения яркости визирного индекса, первый вход которого соединен с выходом источника питания, а второй – с выходом пульта управления оператора.
Эта система выгодно отличается от получивших широкое распространение в серийных системах управления огнем. В ней оператор при каждом визировании совмещает визирный индекс с центром цели, чем достигается однообразие прицеливания во всех случаях стрельбы. Кроме того, для облегчения обнаружения визирного индекса в неблагоприятных условиях стрельбы (плохая видимость, пыледымовые и световые помехи и др.) он подсвечивается.
Однако эта система также имеет недостатки. При стрельбе по различным целям оператор должен удерживать линию визирования на объекте визирования (цели) в течение продолжительного времени (не менее 3 с), которое необходимо для ввода требуемых поправок. Это время может быть еще большим, если при стрельбе использовать управляемые ракеты. Например, при стрельбе управляемой ракетой на максимальную дальность оператор вынужден удерживать визирный индекс на объекте визирования (цели) более 15 с (см., например: Латухин А.Н. Противотанковое вооружение. М.: Воениздат, 1974, с.192-235). Такое прицеливание, несмотря на то, что оно точнее и проще, чем в танке Т-62, вызывает повышенную напряженность оператора, в частности, его зрительного аппарата, что очень часто приводит к потере цели (объекта визирования) или визирного индекса (даже при его подсветке) в условиях действия пыледымовых помех, световых помех, особенно на пестрых фонах различной яркости. При стрельбе в режиме «С превышением» необходимо вовремя определять момент снижения управляемой ракеты на линию прицеливания, то есть правильно определять временные интервалы. Это вызывает не только умственную напряженность, но требует еще и определенных способностей и навыков. Ситуация еще более усугубляется, если физическое состояние наводчика-оператора по каким-либо причинам не соответствует требуемому (ранение, утомление, стрессовые срывы и др.). Продолжение стрельбы в таком состоянии оператора возможно, однако ее эффективность резко падает, а причину резкого снижения эффективности определить очень сложно, так как состояния наводчика-оператора ни он сам, ни экипаж танка в процессе стрельбы не замечают.
Известна также автоматизированная система управления высокоточным оружием, (см., например, патент РФ 2070703 с приоритетом от 13.07.94), являющаяся по технической сути и существенным признакам наиболее близкой к заявляемой и принятая за ее прототип. Она содержит приемник внешних сигналов и соединенный с его выходом пульт управления командира, пульт управления оператора и соединенную с его первым выходом оптическую формирующую систему, последовательно соединенные источник питания, блок изменения яркости, второй вход которого соединен со вторым выходом пульта управления оператора, сумматор, фильтр низкой частоты, блок подсветки визирного индекса, второй вход которого соединен с третьим выходом пульта управления оператора, блок светофильтров и блок формирования визирного индекса, последовательно соединенные генератор периодических сигналов, блок регулировки периодических сигналов и датчик частоты периодических сигналов, первый выход которого соединен со вторым входом фильтра низкой частоты.
Введение в эту систему генератора и блока регулировки периодических сигналов, фильтра низкой частоты, датчика частоты периодических сигналов и других элементов и связей позволило помимо подсветки визирного индекса достичь и периодического изменения его яркости, благодаря чему его обнаружение на пестрых фонах различной яркости значительно облегчается. Этому способствует и фильтрация электрического сигнала подсветки от высокочастотных помех с помощью фильтра низких частот и от оптических помех с помощью блока светофильтров. Однако недостатки, связанные с состоянием наводчика-оператора, в устройстве для визирования по патенту РФ 2070703 не устранены.
С целью устранения этих недостатков в автоматизированную систему управления высокоточным оружием, содержащую приемник внешних сигналов и соединенный с его выходом пульт управления командира, пульт управления оператора и соединенную с его первым выходом оптическую формирующую систему, последовательно соединенные источник питания, блок изменения яркости, второй вход которого соединен со вторым выходом пульта управления оператора, сумматор, фильтр низкой частоты, блок подсветки визирного индекса, второй вход которого соединен с третьим выходом пульта управления оператора, блок светофильтров и блок формирования визирного индекса, последовательно соединенные генератор периодических сигналов, блок регулировки периодических сигналов и датчик частоты периодических сигналов, первый выход которого соединен со вторым входом фильтра низкой частоты, в нее введены блок взаимосвязи командира и оператора, привод наведения, блок экранирования, первый, второй и третий блоки управления, датчик амплитуды периодических сигналов и датчик временных интервалов, указатели амплитуды и частоты периодических сигналов, а также указатель временных интервалов, при этом вход блока экранирования соединен с выходом оптической формирующей системы, а его выход – со входом блока формирования визирного индекса, вход датчика амплитуды периодических сигналов и вход датчика временных интервалов соединены с третьим выходом блока регулировки периодических сигналов, первые входы указателей амплитуды и частоты периодических сигналов и первый вход указателя временных интервалов соединены с выходами датчиков соответственно амплитуды и частоты периодических сигналов и датчика временных интервалов, а вторые входы – с выходами соответственно первого, второго и третьего блоков управления, первый и второй входы каждого из которых соединены соответственно с рабочими местами командира и оператора, второй выход третьего блока управления соединен со вторым входом датчика временных интервалов, первый выход пульта управления командира соединен с четвертым входом пульта управления, второй – со вторым входом блока экранирования, а третий – через привод наведения соединен со вторым входом оптической формирующей системы.
Введение новых элементов и связей позволяет расширить возможности и операторов и командира определять состояние наводчиков-операторов путем, например, определения их зрительного (умственного и др.) утомления одним из известных способов (см., например. Авторское свидетельство СССР 339280, кл. А61В 5/16, 1971) и прогнозировать изменение показателей его функциональной деятельности, в частности выполнения операторских функций как в заранее заданных условиях, так и в условиях реальной боевой обстановки. Своевременное определение состояния наводчика-оператора в конечном итоге позволяет своевременно предупреждать нежелательные малоэффективные их действия, ошибки, что способствует поддержанию эффективности выполнения ими своих функций на высоком уровне.
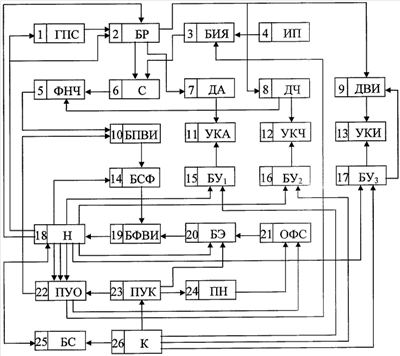
На чертеже показано взаимное расположение и связи элементов предлагаемой АСУ ВТО. Приняты следующие обозначения: 1 – генератор периодических сигналов (ГПС), 2 – блок регулировки периодических сигналов (БР), 3 – блок изменения яркости (БИЯ), 4 – источник питания (ИП), 5 – фильтр низкой частоты (ФНЧ), 6 – сумматор (С), 7 – датчик амплитуды периодических сигналов (ДА), 8 – датчик частоты периодических сигналов (ДЧ), 9 – датчик временных интервалов (ДВИ), 10 – блок подсветки визирного индекса (БПВИ), 11 и 12 – указатели амплитуды (УКА) и частоты (УКЧ) периодических сигналов, 13 – указатель временных интервалов (УКИ), 14 – блок светофильтров (БСФ), 15 – первый блок управления (БУО, 16 – второй блок управления (БУ2), 17 – третий блок управления (БУ3), 18 – наводчик-оператор (Н), 19 – блок формирования визирного индекса (БФВИ), 20 – блок экранирования (БЭ), 21 – оптическая формирующая система (ОФС), 22 – пульт управления наводчика-оператора (ПУО), 23 – пульт управления командира, 24 – привод наведения, 25 – блок взаимосвязи, 26 – командир. На чертеже не показан приемник внешних сигналов.
Блоки 1-6, 8, 14, 19, 21, 22 являются штатными элементами прототипа и используются в предлагаемом техническом решении без каких-либо конструктивных изменений. Конструктивное исполнение блоков 7, 9, 10, 11, 12, 13, и 23 – 25 широко известно в научно-технической литературе (см., например, Корнеев В.В. и др. Электроавтоматика и электрооборудование танков, ч.1. М.: ВАБТВ, 1964, с.19-104, 191-220; Энциклопедия кибернетики, т. 1. Киев, 1975, с.254-256; Основы автоматики и танковые автоматические системы. М.: ВАБТВ, 1976, с.134-136 и др.). Первый 15, второй 16 и третий 17 блоки управления выполнены на основе выключателей (тумблеров) и кнопок управления (см. там же), при нажатии которых на входы блоков 11, 12 и 13 подаются сигналы управления, по которым на информационных табло указателей 11, 12 и 13 появляется информация о текущих значениях амплитуды и частоты периодических сигналов, а также временных интервалов, полученных с выходов датчиков соответственно амплитуды 7, частоты 8 и временных интервалов 9. Для питания датчика временных интервалов 9 используется генератор периодических сигналов 1, что дает возможность калибровать периодический сигнал в широких пределах и обойтись без дополнительных источников питания. Блок экранирования 20 выполнен на основе подвижной шторки с ручным приводом, с помощью которого наводчик-оператор 18 может вручную вводить шторку в оптическую систему, экранируя блок формирования визуального индекса 19 от оптической формирующей системы 21.
Работает предлагаемое устройство для визирования следующим образом. Как и в прототипе, оператор (наводчик) 18, включив систему управления огнем (в том числе блоки: 1, 2, 3, 4, 10 и 22), наблюдает через блок формирования визирного индекса 19 и оптическую формирующую систему 21 поле боя, ведет разведку целей (объектов визирования) и выбирает определенную из них (например, объект визирования) для поражения. Затем с помощью пульта управления оператора 22 и оптической формирующей системы 21 совмещает точку визирования на объекте визирования с визирным индексом, сформированным в блоке 19. В прототипе визирный индекс нанесен на стеклянную пластинку в форме угольника, с вершиной которого и совмещается точка визирования. В ряде других визирных устройств индекс (визирный) может быть сформирован электронно-оптическим путем. В этом случае его изображение образуется на экране электронно-лучевой трубки и при помощи оптических преломляющих устройств вводится в поле зрения наводчика-оператора (см., например: Гуглин И.Н. Телевизионные игровые автоматы и тренажеры. М.: Радио и связь, 1982). В современных визирных устройствах изменение яркости индекса достигается за счет изменения напряжения подсветки, для чего в цепь питания лампы подсветки включается регулируемое сопротивление (см., например, Танк «Урал» (Т-72), ТО и ИЭ. Кн.1. М.: Воениздат, 1975, 304 с.). Таким же образом производится изменение яркости визирного индекса в блоке 3 предлагаемого устройства. В дальнейшем (в процессе всего процесса визирования при выстреле одного снаряда или наведении одной ракеты) сигнал на выходе блока 3 остается постоянным. Для получения переменной составляющей сигнала подсветки в прототипе используется блок 1 (генератор периодических сигналов). При этом его параметры (амплитуда и частота) устанавливаются с помощью блока 2, поскольку для различных операторов они (параметры) различны. Одновременно с установкой оптимальной частоты в блоке 2, благодаря связям блока 2 с блоками 8 и затем 5, такая же частота устанавливается и в блоках 8 и 5.
Изменение амплитуды сигнала подсветки визирного индекса будет происходить синфазно с изменением периодического сигнала. Наличие переменной составляющей в сигнале подсветки вызывает необходимость его фильтрации. Электрическую фильтрацию периодического сигнала подсветки производят путем включения электрического фильтра (блок 5) в электрическую цепь, передающую электрический сигнал с сумматора 6 в блок подсветки визирного индекса 10 для преобразования сигнала из электрической формы в оптическую. При этом фильтр настраивается на частоту изменения сигнала подсветки визирного индекса (благодаря связи блока 5 с блоком 8). Включение фильтра 5 обеспечивает исключение из электрического сигнала высокочастотных составляющих, способствующих размыванию изображения визирного индекса.
Перед началом визирования путем ручного переключения светофильтров на блоке 14 наводчик-оператор добивается оптимального контраста между визирным индексом и фоном с целью, а затем, совместив визирный индекс с объектом визирования, он, воздействуя на пульт управления 22 и через него – на оптическую формирующую систему 21, продолжает визирование (слежение за целью) до момента производства выстрела и оценки результатов стрельбы.
При необходимости определения состояния наводчика-оператора, например его зрительной усталости, включаются блоки 15 и 16, по сигналам с выходов которых указатели 11 и 12 подключаются к выходам датчиков 7 и 8, благодаря чему информация об амплитуде конкретного периодического сигнала и его частоте поступает соответственно на указатели 11 и 12 и при нажатии соответствующей кнопки выдается на информационное табло соответствующего указателя. Затем перемещением наводчиком 18 вручную рукоятки блока экранирования 20 его шторка вводится в оптическую систему прицельного устройства, благодаря чему блок формирования визирного индекса 19 экранируется от оптической формирующей системы 21, что способствует исключению световых помех и однообразию визуальной обстановки. После этого, используя один из известных способов определения степени зрительного утомления (см. а.с. 339280), воздействуют на органы регулировки блока 2, изменяя либо частоту, либо амплитуду периодического сигнала, определяют критическое значение измеряемого показателя. Это значение определяется по его величине, при которой мелькающий свет станет казаться ровным. В этот момент наводчик-оператор нажимает на кнопку соответствующего блока управления (15 или 16), и на информационное табло соответствующего указателя (11 или 12) выдается численное значение измеряемой величины, по которой и судят о степени изменения состояния наводчика-оператора.
Определение (самоопределение) степени умственного утомления наводчика (оператора) производится их временным тестированием (по качеству выполнения ими временных тестов). Для этого используются блоки 9, 13 и 17: датчик временных интервалов, указатель интервалов и третий блок управления. В отличие от первого 15 и второго 16 блоков управления третий блок управления 17 соединен не только со «своим» указателем 13, но еще и со вторым входом датчика временных интервалов 9. При первом нажатии на кнопку управления третьего блока управления 17 сигналы с его выходов подаются на вход указателя интервалов 13 и второй вход датчика временных интервалов 9. Благодаря этому с выхода датчика временных интервалов 9 на вход указателя интервалов 13 подается сигнал, величина которого пропорциональна длительности временного интервала между первым и вторым нажатиями на кнопку управления (на третьем блоке управления 17). Таким образом, датчик временных интервалов работает подобно работе электрического секундомера: при первом нажатии на кнопку управления блока 17 секундомер начинает работу; при втором нажатии – секундомер останавливается; при третьем нажатии – на табло указателя 13 происходит сброс информации. Оценка степени умственного утомления производится по отклонению от заданного значения численного значения временного интервала, измеренного наводчиком умственно и представленного после второго нажатия кнопки управления блока 19 на информационном табло указателя интервалов 13. Блоки 23, 24, 25 позволяют расширить возможности командира в оценке деятельности операторов и их обучении, а вместе с этим и в повышении эффективности системы.
При выключенных блоках 15, 16 и 20 предлагаемое устройство работает, как прототип (в части общих элементов), а при дополнительно выключенных блоках 1 и 2 – как штатные прицельные устройства современных боевых машин (например, танков Т-72).
Введение новых элементов и связей позволило в существенной степени устранить отмеченные недостатки и достичь положительного эффекта. Регулируя и амплитуду, и частоту изменения периодического сигнала, контролируя свои временные характеристики, командир и операторы могут не только выбирать оптимальный с учетом реальных условий режим изменения подсветки визирного индекса, но и оценивать свое состояние, в частности степени зрительного и умственного утомления, что позволяет своевременно принимать соответствующие меры либо по коррекции выполняемых функциональных действий, либо по замене наводчиков-операторов. После 4-х часов непрерывной работы наводчиков-операторов такие меры позволяют уменьшить снижение эффективности их работы на 17-20 %.
Формула изобретения
Автоматизированная система управления высокоточным оружием, содержащая приемник внешних сигналов и соединенный с его выходом пульт управления командира, пульт управления оператора и соединенную с его первым выходом оптическую формирующую систему, последовательно соединенные источник питания, блок изменения яркости, второй вход которого соединен со вторым выходом пульта управления оператора, сумматор, фильтр низкой частоты, блок подсветки визирного индекса, второй вход которого соединен с третьим выходом пульта управления оператора, блок светофильтров и блок формирования визирного индекса, последовательно соединенные генератор периодических сигналов, блок регулировки периодических сигналов и датчик частоты периодических сигналов, первый выход которого соединен со вторым входом фильтра низкой частоты, отличающаяся тем, что в нее введены блок взаимосвязи рабочих мест командира и оператора, привод наведения, блок экранирования, первый, второй и третий блоки управления, датчик амплитуды периодических сигналов и датчик временных интервалов, указатели амплитуды и частоты периодических сигналов, а также указатель временных интервалов, при этом вход блока экранирования соединен с выходом оптической формирующей системы, а его выход – со входом блока формирования визирного индекса, вход датчика амплитуды периодических сигналов и вход датчика временных интервалов соединены с третьим выходом блока регулировки периодических сигналов, первые входы указателей амплитуды и частоты периодических сигналов и первый вход указателя временных интервалов соединены с выходами датчиков соответственно амплитуды и частоты периодических сигналов и датчика временных интервалов, а вторые входы – с выходами соответственно первого, второго и третьего блоков управления, первый и второй входы каждого из которых соединены соответственно с рабочими местами командира и оператора, второй выход третьего блока управления соединен со вторым входом датчика временных интервалов, первый выход пульта управления командира соединен с четвертым входом пульта управления, второй – со вторым входом блока экранирования, а третий через привод наведения соединен со вторым входом оптической формирующей системы.
РИСУНКИ
|
|