|
|
(21), (22) Заявка: 2009117293/28, 07.05.2009
(24) Дата начала отсчета срока действия патента:
07.05.2009
(46) Опубликовано: 10.08.2010
(56) Список документов, цитированных в отчете о поиске:
КАЛУЖСКИХ А.Н. Шаровые краны: контроль герметичности в условиях действующей компрессорной станции магистрального газопровода. – М.: «ИРЦ Газпром», 2002, с.29-32, рис.9. RU 2270986 C2, 27.02.2006. SU 1827557 A1, 15.07.1993. RU 2007132520 A, 10.03.2009.
Адрес для переписки:
117218, Москва, ул. Кржижановского, 21/33, корп.1, ООО “ГАЗПРОМЭНЕРГОДИАГНОСТИКА”
|
(72) Автор(ы):
Аксютин Олег Евгеньевич (RU), Власов Сергей Викторович (RU), Горяев Юрий Анатольевич (RU), Дудов Александр Николаевич (RU), Егурцов Сергей Алексеевич (RU), Митрохин Михаил Юрьевич (RU), Пиксайкин Роман Владимирович (RU), Салюков Вячеслав Васильевич (RU), Сеченов Владимир Сергеевич (RU), Степаненко Александр Иванович (RU)
(73) Патентообладатель(и):
ОБЩЕСТВО С ОГРАНИЧЕННОЙ ОТВЕТСТВЕННОСТЬЮ “ГАЗПРОМЭНЕРГОДИАГНОСТИКА” (RU)
|
(54) СТЕНД ДЛЯ КОНТРОЛЯ УТЕЧЕК ГАЗОВ ИЛИ ЖИДКОСТЕЙ В ШАРОВЫХ КРАНАХ МАГИСТРАЛЬНОГО ТРУБОПРОВОДА
(57) Реферат:
Изобретение относится к контрольно-измерительной и испытательной технике. С помощью импульсной трубки (10) высокого давления (ИТВД) и импульсной трубки (11) низкого давления (ИТНД) трубопровод (17) высокого давления (ТВД) и трубопровод (18) низкого давления (ТНД) магистрального трубопровода соединяются с дренажной трубкой (8), подсоединенной к полости шарового крана (9). В дренажной трубке установлены три вентиля (1, 2, 5) и расходомер (14). Параллельно дренажной трубке установлены две байпасные трубки (12, 13) с вентилями. Коммутацией соответствующих вентилей транспортируемую среду сначала направляют через первое по ходу уплотнение (20) крана (9), а затем – через второе уплотнение (21) крана. При этом текучая среда всегда проходит от входа к выходу расходомера (например, вихревого или теплового), показания которого принимаются за величину утечки среды через шаровой кран. Изобретение обеспечивает возможность контроля утечек через каждое уплотнение шарового крана. 1 з.п. ф-лы, 1 ил.
Изобретение относится к контрольно-измерительной и испытательной технике и может быть использовано для контроля утечек газов или жидкостей в шаровых кранах магистрального трубопровода (МТ).
Известен стенд аналогичного назначения, который может применяться для решения поставленной задачи, принятый за прототип. /Калужских А.Н. Шаровые краны: контроль герметичности в условиях действующей компрессорной станции магистрального газопровода. Обзор. информ. Сер. Транспорт и подземное хранение газа. – М.: ООО «ИРЦ Газпром», 2002, стр.29-32, рис.9/.
Прототип содержит дренажную трубку, подсоединенную к внутренней полости крана, установленные в ней измерители статического давления и средней температуры, первый и второй вентили и нереверсивный расходомер.
Недостатком прототипа является невозможность контроля утечек газов и жидкостей через отдельное уплотнение шарового крана.
Техническим результатом, получаемым при внедрении изобретения, является устранение недостатка прототипа, то есть получение возможности контроля утечек через каждое уплотнение шарового крана.
Поставленный технический результат достигают за счет того, что известный стенд для контроля утечек газов или жидкостей в шаровых кранах магистрального трубопровода, содержащий дренажную трубку, подсоединенную к внутренней полости крана, установленные в ней измерители статического давления и средней температуры, первый и второй вентили и нереверсивный расходомер, дополнительно содержит импульсные трубки высокого и низкого давлений, соединяющие соответственно с дренажной трубкой трубопроводы высокого и низкого давлений магистрального трубопровода, две байпасные трубки, установленные параллельно дренажной трубке, и пять дополнительных вентилей, при этом третий и четвертый вентили установлены соответственно в импульсных трубках высокого и низкого давлений, пятый вентиль установлен в дренажной трубке на входе расходомера, шестой и седьмой вентили установлены соответственно в первой и второй байпасных трубках, при этом вход первой байпасной трубки подсоединен к дренажной трубке между первым и вторым вентилями, вход второй байпасной трубки подсоединен к дренажной трубке между вторым вентилем и выходом расходомера, выход первой байпасной трубки соединен с дренажной трубкой между входом расходомера и пятым вентилем, а выход второй байпасной трубки соединен с дренажной трубкой между пятым вентилем и точками соединения импульсных трубок с дренажной трубкой.
Точки соединения импульсных трубок с дренажной трубкой могут быть объединены в одну точку с помощью крестовины, четвертый вход-выход которой соединен с атмосферой через дополнительный вентиль.
В качестве нереверсивного расходомера может быть использован вихревой или тепловой расходомер.
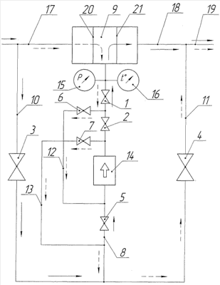
Изобретение поясняется чертежом, на котором представлена схема стенда.
Для удобства нумерация вентилей (или кранов) на чертеже представлена такой же, как в формуле изобретения.
Стенд содержит семь вентилей 1 7. Три вентиля 1, 2, 5 установлены в дренажной трубке 8, подсоединенной к внутренней полости крана 9. Вентили 3, 4 установлены в импульсных трубках 10, 11 высокого и низкого давлений (ИТВД 10 и ИТНД 11).
Стенд также содержит байпасные трубки 12, 13, установленные параллельно дренажной трубке 8, и нереверсивный расходомер 14, установленный в дренажной трубке 8 между вентилями 2, 5.
Вход байпасной трубки 12 установлен между вентилями 1, 2. Вход байпасной трубки 13 установлен между вентилем 2 и выходом расходомера 14. Выход байпасной трубки 12 установлен между входом расходомера 14 и вентилем 5.
Вентили 6, 7 установлены соответственно в байпасных трубках 12, 13.
Вентиль 5 установлен между выходами байпасных трубок 12, 13.
Импульсные трубки 10, 11 могут быть соединены в одной точке с помощью крестовины (на чертеже не показана). Причем четвертый вход-выход крестовины через дополнительный дренажный вентиль (не показан) может соединяться с атмосферой.
В состав стенда также входят измерители 15, 16 статического давления и средней температуры транспортируемой среды (жидкости или газа) в полости крана 9.
Такие же измерители могут быть подсоединены к трубопроводу 17 высокого давления (ТВД 17) и трубопроводу 18 низкого давления (ТНД 18) МТ 19 (не показаны).
Под позициями 20, 21 обозначены первое и второе уплотнения шарового крана по ходу транспортируемой среды.
Как вытекает из формулы изобретения и описания, нереверсивный расходомер 14 в отличие от прототипа направлен в сторону полости 9 шарового крана (в направлении широкой стрелки).
Стенд работает следующим образом.
Для определения утечки через уплотнение 21 открывают вентили 3, 5, 2, 1, а вентили 4, 6, 7 остаются закрытыми. При этом среда течет через вентиль 3 (по направлению сплошной стрелки) по ИТВД 10, по дренажной трубке 8 через вентиль 5, расходомер 14, вентили 2, 1, проходит уплотнение 21 и попадает в ТНД 18 МТ 19.
Измерение расхода через уплотнение 21 проводится тогда, когда давление в полости крана 9 становится примерно равным давлению в ТВД 17.
Значения давлений и температуры измеряются соответствующими измерителями давлений и температур.
Для определения утечки среды через уплотнение 20 открывают вентили 4, 1, 6, 7, а вентили 3, 2, 5 остаются закрытыми. При этом среда проходит по ТВД 17 через уплотнение 20, через вентили 1, 6, через расходомер 14, через вентиль 7, по дренажной трубке 8, по ИТНД 11 через вентиль 4 в МТ 19. Ход текучей среды в этом случае показан на чертеже штриховой стрелкой.
Показания расходомера 14 через время, когда давление в полости крана 9 и ТНД 18 уравняются, будут соответствовать величине утечки среды через уплотнение 20 крана 9.
Если в качестве транспортируемой среды выступает газ, то через дренажный вентиль в крестовине (не показано) в определенное время стенд обезгаживают для его отладки.
Таким образом, в отличие от прототипа с помощью нереверсивного расходомера, например вихревого или теплового, на стенде контролируются утечки среды через каждое из уплотнений крана в отдельности.
Этим достигается поставленный технический результат.
Формула изобретения
1. Стенд для контроля утечек газов или жидкостей в шаровых кранах магистрального трубопровода, содержащий дренажную трубку, подсоединенную к внутренней полости крана, установленные в ней измерители статического давления и средней температуры, первый и второй вентили и расходомер, отличающийся тем, что дополнительно содержит импульсные трубки высокого и низкого давлений, соединяющие с дренажной трубкой соответственно, трубопроводы высокого и низкого давлений магистрального трубопровода, две байпасные трубки, установленные параллельно дренажной трубке, и пять дополнительных вентилей, при этом третий и четвертый вентили установлены соответственно в импульсных трубках высокого и низкого давлений, пятый вентиль установлен в дренажной трубке на входе расходомера, шестой и седьмой вентили установлены соответственно в первой и второй байпасных трубках, при этом вход первой байпасной трубки подсоединен к дренажной трубке между первым и вторым вентилями, вход второй байпасной трубки подсоединен к дренажной трубке между вторым вентилем и выходом расходомера, выход первой байпасной трубки соединен с дренажной трубкой между входом расходомера и пятым вентилем, а выход второй байпасной трубки соединен с дренажной трубкой между пятым вентилем и точками соединения импульсных трубок с дренажной трубкой.
2. Стенд по п.1, отличающийся тем, что в качестве расходомера использован вихревой или тепловой расходомер.
РИСУНКИ
|
|