|
|
(21), (22) Заявка: 2008137338/06, 17.09.2008
(24) Дата начала отсчета срока действия патента:
17.09.2008
(43) Дата публикации заявки: 27.03.2010
(46) Опубликовано: 10.08.2010
(56) Список документов, цитированных в отчете о поиске:
RU 2324828 C1, 20.05.2008. DE 2720171 A1, 16.11.1978. RU 2093695 C1, 20.10.1997. RU 2160840 C1, 20.12.2000. RU 2117788 C1, 20.08.1998. FR 2585769 A1, 06.02.1987. JP 53-117104 A, 13.10.1978.
Адрес для переписки:
344018, г.Ростов-на-Дону, ул. Черепахина, 249, кв.52, Г.П. Гребенюк
|
(72) Автор(ы):
Месхи Бесарион Чохоевич (RU), Андросов Анатолий Александрович (RU), Гребенюк Геннадий Петрович (RU)
(73) Патентообладатель(и):
Месхи Бесарион Чохоевич (RU), Андросов Анатолий Александрович (RU), Гребенюк Геннадий Петрович (RU)
|
(54) КАМЕРНЫЙ ДВИГАТЕЛЬ МАГ
(57) Реферат:
Изобретение относится к машиностроению, а именно к двигателям, в которых в качестве носителя энергии используются жидкость, газы. Техническим результатом является повышение КПД. Сущность изобретения заключается в том, что двигатель содержит взаимосвязанные камеру взрыва, гидроаккумулятор, бак для рабочего тела, дозатор, пневмоаккумулятор, золотник, распределительный вал с кулачками, взаимодействующими с клапанами управления процессами преобразования в камере взрыва, фильтр очистки отработавших газов, пневмоаккумулятор высокого давления, пневмонасос с всасывающим и предохранительным клапанами, бак для дистиллированной воды, плавающую платформу, смонтированную в резервуаре камеры взрыва и датчик уровня рабочего тела. Конструкция двигателя обеспечивает предварительную до 80% очистку отработавших газов, полное сгорание топливной смеси. 2 з.п. ф-лы, 2 ил.
Изобретение относится к машиностроению, а именно к двигателестроению, в частности к двигателям, в которых в качестве носителя энергии используются жидкости, газы. Двигатель может найти применение, например, в автотракторной промышленности и других областях техники.
Известен автомобильный двигатель внутреннего сгорания (ДВС), содержащий распределительный вал с кулачками управления, клапаны, камеру сгорания топлива и систему зажигания (С.Н. Богданов и др. Автомобильные двигатели. М.: Машиностроение, 1987, стр.70-71, 298).
Недостатком известного двигателя являются низкие удельные энергические и экономические показатели из-за сложной кинематической схемы, большого количества вращающихся элементов, высокая удельная металлоемкость. Низкая эффективность ДВС заложена в самой кинематике, так как из четырех тактов полезным является только один – рабочий ход, а остальные – только отбирают полезную работу.
Так как ДВС жестко связан с ведущими колесами транспорта, то неизбежно наличие холостых оборотов двигателя при его прогреве, при остановке на перекрестках, в «пробках» и т.д. Это приводит к значительному расходу топлива, особенно при движении в городских условиях и ухудшении экологии окружающей среды из-за дополнительных выбросов отработавших газов во время остановки.
ДВС высокооборотистые, мощные, они выбрасывают большие объемы выхлопных газов с высокой частотой выброса, содержащих вредные вещества, такие как СО, СН, NO2, бензол, этилбензол, толуол и др. Имеющиеся системы газоочистки не обеспечивают очистку выхлопа до уровня предельно допустимой концентрации (ПДК).
Экономия топлива в настоящее время частично решается гибридными силовыми установками за счет запасания кинетической энергии автомобиля при торможении и возврате ее при последующем разгоне. Для этого установка снабжена аккумуляторами низкого и высокого давления, гидромотором и масляным баком. При торможении к валу, выходящему из коробки передач, подключается гидронасос, перекачивающий масло из аккумулятора низкого давления в аккумулятор высокого давления. При работе насоса масло сжимает газ (азот) в аккумуляторе до давления 350 атмосфер, используя эффект торможения, а при разгоне насос превращается в гидромотор и подкручивает карданный вал в помощь ДВС (Журнал «За рулем» 5, 2006, стр.222). Экономия топлива достигает 25-35 процентов и настолько же уменьшаются вредные выбросы.
Вместе с тем гибридной силовой установке присущи недостатки ДВС. Наличие двух двигателей: дизель и гидродвигатель, что усложняет трансмиссию привода автомобиля, т.к. сохраняется коробка скоростей, кардан, задний мост ведущих колес.
Многие недостатки указанных выше двигателей устранены в принятом за прототип камерном двигателе Гребенюка (пат. РФ 2324828, кл. F02В 71/04, 2006).
Известный двигатель снабжен камерой взрыва, гидропневмоаккумулятором, баком для рабочего тела, дозатором, пневмоаккумулятором низкого давления, золотником и кулачками, установленными на распределительном валу. Гидропневмоаккумулятор связан с камерой взрыва и трубопроводом с потребителем энергии, дозатор связан с камерой взрыва и загрузочной камерой. Пневмоаккумулятор разделен подпружиненным поршнем на две полости. Золотник трубопроводом связан с камерой взрыва, а выходящими каналами с баком, дозатором и нижней полостью пневмоаккумулятора, верхняя полость которого связана с атмосферой и устройством подачи топливно-воздушной смеси. Кулачки установлены на распределительном валу, один из которых взаимодействует с клапаном, связывающим камеры дозирования и взрыва, а другой с золотником распределителя. Бак снабжен патрубком, соединяющим его с системой потребителя энергии для возврата рабочего тела в бак. Гидропневмоаккумулятор снабжен датчиком контроля накопления энергии и расхода рабочего тела. Привод распределительного вала имеет регулируемую частоту вращения и выполнен в виде мотор-редуктора. В качестве рабочего тела используется маслянистая жидкость, например минеральное масло, или газ, например воздух.
Однако двигатель Гребенюка не лишен таких недостатков, как отсутствие возможности регулировать объем камеры взрыва в процессе работы двигателя и соответственно регулировать степень сжатия, что отрицательно сказывается на КПД двигателя. Кроме того, при взрыве топлива в камере взрыва от воздействия взрывной волны происходит вспенивание рабочего тела, в качестве которого могут использоваться масляные жидкости, которое обволакивает свечу зажигания, что может прервать процесс включения, создания искры. Отсутствие системы охлаждения камеры взрыва ведет к ее перегреву, что может привести к аварийной ситуации.
Необходимо отметить, что в двигателе недостаточно используется «бросовое тепло», т.е. остаточное тепло от работы камеры взрыва.
В основу настоящего изобретения поставлена задача устранения отмеченных недостатков путем конструктивного решения вопроса регулирования объема резервуара камеры взрыва в процессе работы двигателя; добиться регулировки степени сжатия до оптимально возможного, что позволит повысить КПД двигателя, устранить вспенивание рабочего тела, исключающее обволакивания свечи зажигания, повысить охлаждение камеры взрыва, максимально использовать остаточное тепло.
Поставленная задача решается камерным двигателем МАГ, который содержит известные взаимосвязанные камеру взрыва, гидропневмоаккумулятор, бак для рабочего тела, дозатор, пневмоаккумулятор низкого давления, золотник, распределительный вал с кулачками, взаимодействующими с клапанами управления процессами преобразования в камере взрыва. Путем усовершенствований, выразившихся введением новых элементов, как то, пневмоаккумулятора высокого давления, пневмонасоса с всасывающим и предохранительным клапанами, бака с водой, в частности дистиллированной, смонтированными в камере взрыва плавающей платформой и датчиком уровня рабочего тела. Новыми связями элементов – пневмонасос монтируется в верхней части камеры взрыва так, чтобы его подпружиненный поршень торцом взаимодействовал с зоной взрыва, а через предохранительный клапан он связан с пневмоаккумулятором высокого давления, который трубопроводом связан с камерой взрыва, бак для воды одним трубопроводом через управляемый клапан связан с пневмоаккумулятором высокого давления, а другим трубопроводом через кран-переключатель связан с камерой взрыва. Другим отличием является монтаж фильтра очистки отработавших газов в резервуаре бака для рабочего тела, а распределительный вал управляется приводом с регулируемой частотой вращения.
В заявленном двигателе последовательно после рабочих циклов взрыва в камеру взрыва, имеющую высокую температуру, подается порционно дистиллированная вода, которая под воздействием высокой температуры в резервуаре камеры превращается в пар с высоким давлением (объем пара увеличивается примерно в 1600 раз), который производит дополнительную работу, но уже без использования топлива. Вместе с тем дистиллированная вода охлаждает резервуар камеры взрыва при достижении критических температур. Это повышает КПД двигателя. Практически авторами решена задача объединения в одном агрегате двигателей внутреннего взрыва с паровым двигателем и дизельным двигателем внутреннего сгорания.
Увеличение степени сжатия перед взрывом в резервуаре камеры достигается подачей сжатого воздуха пневмоаккумулятором высокого давления, что позволяет рассматривать работу заявленного двигателя и как работу дизельного, в котором вспышка топливной смеси осуществляется не от свечи зажигания, а от степени сжатия топливной смеси.
Из анализа решения поставленной задачи вытекает, что создан комбинированный камерный двигатель.
Фиг.1,2 поясняют предлагаемое изобретение.
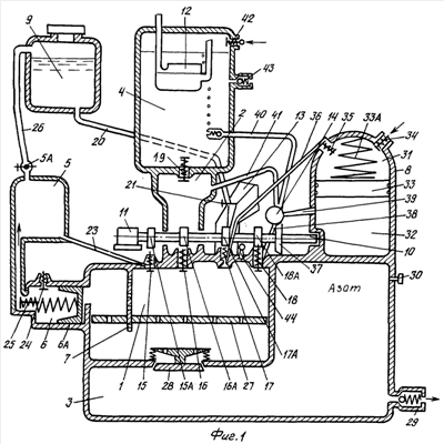
Камерный двигатель МАГ содержит камеру 1 взрыва, дозатор 2, обеспечивающий подачу потребного объема рабочего тела (топлива) в камеру 1 взрыва, гидропневмоаккумулятор 3 для накопления энергии, создаваемой в камере 1, бак 4 с рабочим телом, в качестве которого может быть использована масляная жидкость, пневмоаккумулятор 5 высокого давления, управляемый клапан 5А, пневмонасос 6 через поршень 6А связан с камерой 1, датчик 7 уровня рабочей жидкости размещенный в камере 1, пневмоаккумулятор 8 низкого давления, бак 9 для дистиллированной воды, распределительный вал 10, связанный с приводом 11, обеспечивающий регулируемую частоту его вращения, фильтр 12 очистки отработавших газов, размещенный в баке 4, устройство 13 загрузки топлива, золотник 14. В камере 1 взрыва установлены обратные клапаны: – 15 высокого давления, – 16 дозатора, – 17 топливный, – 18 продувки. На валу 10 установлены кулачки 15А, 16А, 17А и 18А. Дозатор 2 связан через клапан 16 с камерой 1, а через клапан 19 с баком 4, бак 9 связан трубопроводом 20 через кран-переключатель 21 с камерой 1 взрыва. Пневмоаккумулятор 5 через трубопровод 23 и обратный клапан 15 связан с камерой 1. Пневмонасос 6 с всасывающим клапаном 24 размещен в верхней части камеры 1 в зоне взрыва рабочего тела так, чтобы его подпружиненный поршень 6А торцом взаимодействовал с камерой взрыва 1, а через предохранительный клапан 25 с пневмоаккумулятором 5, который через клапан 5А и трубопровод 26 соединен с баком 9. В резервуаре камеры 1 установлена плавающая платформа 27 с отверстиями, позволяющая ей держаться на плаву в масляной жидкости, которой заполнены нижняя часть камеры 1 и гидропневмоаккумулятора 3, а его верхняя часть заполнена нейтральным газом, например азотом. Камера 1 и гидропневмоаккумулятор 3 связаны обратным клапаном 28, а через обратный клапан 29 камерный двигатель связан с потребителем энергии, в качестве которого может быть, например, гидродвигатель ведущих колес автомобиля (на чертеже не показан), в верхней части аккумулятора 3 установлен датчик контроля 30 накопления энергии и расхода рабочего тела. Пневмоаккумулятор 8 низкого давления представляет замкнутую камеру, разделенную на две полости 31 и 32 поршнем 33, который поднимается пружиной 33А. Полость 31 посредством клапана 34 сообщается с атмосферой, а через клапан 35, трубопровод 36 – с устройством 13 загрузки топлива. На распределительном валу 10 установлены кулачки управления, взаимодействующие: 15А – с клапаном 15, 16А – с клапаном 16, 17А – с клапаном 17, 18А – с клапаном 18, кулачок 37, взаимодействующий с золотником 14, который посредством трубопроводов 38 связан с клапаном 18 продувки, 39 – с полостью 32 пневмоаккумулятора 8, 40 – с баком 4, 41 – с дозатором 2. В бак 4 через клапан 42 осуществляется слив рабочего тела от потребителя – гидродвигателя и других вспомогательных систем, через клапан 43 бак 4 связан с амортизаторами автомобиля (на чертеже не показаны).
Камера 1 снабжена свечей зажигания 44. Каждый кулачок 15А, 16А, 17А и 18А имеет выступы (фиг.2), которыми он взаимодействует с клапанами 15, 16, 17 и 18, а кулачок 37 имеет четыре выступа 45, 46, 47 и 48, которыми он воздействует на поршень золотника 14. Кулачки установлены на валу 10 так, что выступ каждого кулачка имеет свое угловое положение в соответствии с выполняемой им функцией по цикловой диаграмме работы двигателя и управления процессами, происходящими в нем.
Плавающая платформа 27 разделяет камеру взрыва 1 на две зоны и делает ее с регулируемым объемом зоны взрыва, который контролируется датчиком 7 уровня рабочего тела. Камера 1, как и гидропневмоаккумулятор 3 предварительно заполняются на величину определенного объема рабочим телом, количество которого контролируется датчиком 7, а в гидроаккумуляторе 3 свободное верхнее пространство заполняется нейтральным газом, например азотом.
Пневмоаккумулятор 5 – это предохранительная емкость, с помощью которой устраняются чрезмерные перегрузки, возникающие в камере взрыва 1 и одновременно является источником надува чистого воздуха в камеру взрыва для создания требуемой степени сжатия в камере взрыва.
Предлагаемый камерный двигатель МАГ может работать в нескольких режимах.
Первый – это режим внутреннего взрыва топлива или топливно-воздушной смеси с принудительным зажиганием от свечи зажигания, по типу двигателя внутреннего сгорания.
Двигатель работает следующим образом. При включении привода 11 (см. фиг.1) распредвала 10 кулачок 16А открывает клапан 16 и определенная порция рабочей жидкости под избыточным давлением поступает из дозатора 2 в камеру взрыва 1, после чего клапан 16 закрывается и открывается клапан 17, производя загрузку из топливного устройства 13 топливом и одновременно с ним создается избыточное давление чистого воздуха из верхней части 31 пневмоаккумулятора 8, который подается в камеру взрыва 1 для создания степени сжатия, обеспечивая высокую эффективность взрыва топлива, затем клапан 17 закрывается и открывается клапан высокого давления воздуха 15, обеспечивающий наибольшую необходимую степень сжатия в камере взрыва 1, затем подается искра от свечи зажигания 44 в камеру взрыва 1, в результате чего происходит управляемый взрыв топлива в замкнутом пространстве. При этом поршень 6А, перемещаясь, сжимает пружину под действием резкого увеличения давления в камере взрыва 1 и выталкивает часть чистого воздуха в резервуар пневмоаккумулятора высокого давления 5, производя подзарядку пневмоаккумулятора 5 и смягчая удар на платформу от силы взрыва топлива.
В результате этого клапан 28 открывается, и избыточное давление рабочей жидкости подается в гидропневмоаккумулятор 3. После выравнивания давления в камере взрыва 1 и в гидропневмоаккумуляторе 3 клапан 28 закрывается под воздействием пружины, а поршень 6А под воздействием сжатой пружины возвращается в правое крайнее положение и через всасывающий клапан 24 заполняется чистым воздухом левая полость насоса 6 и начинается продувка камеры взрыва 1, т.е. открывается клапан 18 от соответствующего кулачка 18А распредвала 10 и избыток сжатого отработавшего газа через золотник 14 (первое его положение см. на фиг.2) поступает в нижнюю 32 часть пневмоаккумулятора 8 до выравнивания давления в обеих зонах. При дальнейшем повороте золотника 14 (второе положение) подается избыточное давление отработавшего газа в дозатор 2 по трубопроводу 41, подготавливая порцию рабочей жидкости для последующей подачи в камеру взрыва 1. Когда золотник 14 находится в третьем положении и клапан 18 открыт, происходит соединение камеры взрыва 1 через трубопровод 40 с баком 4 рабочей жидкости, где происходит выброс остатков отработавших газов из камеры взрыва, давление в которой становится атмосферным. Далее, при повороте золотника 14 в четвертое положение, клапан 18 – закрыт, по трубопроводу 40 поступает в бак 4 с рабочей жидкостью избыток отработавших газов нижней части 32 пневмоаккумулятора 8. Газ к этому времени уже потерял часть избыточного тепла и, проходя через рабочую жидкость, предварительно очищается от вредных примесей, отдавая часть тепла, затем этот газ проходит в очистные фильтры 12 для окончательной очистки. Поршень пневмоаккумулятора 8 низкого давления под собственным весом и усилием пружины опускается вниз, открывается клапан 34 пневмоаккумулятора и чистый воздух поступает в верхнюю часть 31 пневмоаккумулятора, загружая его.
При повышении температуры в камере 1 сгорания до предельной величины включается с помощью крана-переключателя 19 подача под высоким давлением через форсунки дистиллированной воды, которая мгновенно превращается в пар, увеличиваясь в объеме в 1600 раз, обладая колоссальной энергией (см. журнал «Популярная механика» 6 (68), июнь 2008, стр.85-87).
Попадая на раскаленную поверхность камеры взрыва, вода превращается в пар и совершает дополнительно рабочий такт, один или несколько, вытесняя в резервуар гидроаккумулятора 3 рабочую жидкость из камеры взрыва 1. В этот период времени происходит полезная работа пара, отводится избыток тепла из камеры взрыва 1, после чего происходит продувка камеры 1.
Второй – это режим внутреннего взрыва топливно-воздушной смеси с сверхвысокой степенью сжатия (аналогично дизельному ДВС) за счет дополнительного увеличения степени сжатия примерно около 20 атм с помощью пневмоаккумулятора высокого давления и соответственно уменьшения объема рабочего объема камеры взрыва, управляемого с помощью бортового компьютера транспортного средства.
Третий – это режим аналогично паровому двигателю с выхлопом остатков пара и чистого воздуха в атмосферу.
Для работы в режиме парового двигателя камерного двигателя МАГ используют управление от бортового компьютера, которым контролируется остаточная температура в камере взрыва и при достижении номинального ее значения происходит следующее: краном-переключателем 21 перекрывают канал устройства 13 подачи топлива и открывают канал трубопровода 20 подачи дистиллированной воды, открывается кран-переключатель 5А и избыточное давление воздуха по трубопроводу 26 поступает в бак 9, после чего дистиллированная вода под большим давлением через форсунку (на чертеже не показана) поступает в камеру 1, которая мгновенно превращается в пар, увеличиваясь в объеме в 1600 раз, осуществляется «рабочий ход» по принципу парового двигателя и под давлением пара открывается клапан 28, и определенная часть рабочего тела под избыточным давлением вытесняется в гидропневмоаккумулятор 3. Если после этого процесса температура в камере 1 остается еще высокая, срабатывает аналогично второй, третий цикл работы двигателя в режиме парового. Как только температура в камере 1 достигает нормы, происходит усиленная ее продувка с помощью аккумулятора 8 низкого давления, а затем с помощью аккумулятора 5 высокого давления двигатель продолжает работать в первом и втором режимах. Весь процесс работы управляется с помощью бортового компьютера.
Вследствие происходящих процессов работы экономится топливо, повышается КПД камерного двигателя, снижается температура в камере 1; в ходе этого цикла отсутствуют выбросы в атмосферу продуктов сгорания, т.к. выбрасываются остатки воды и пара.
Для изменения рабочего объема камерного двигателя МАГ, например, через компьютер подается команда двигателю привода 11 – уменьшить или увеличить частоту (скорость) вращения распредвала 10 в тот момент, когда выступ кулачка 16А откроет клапан 16 загрузочного устройства рабочего тела, тем самым изменится продолжительность открытия клапана 16, а следовательно, изменится (увеличится или уменьшится) количество (объем) порции поданного рабочего тела в камеру 1 взрыва.
Если будет подано большее количество (объем) рабочего тела, то соответственно уменьшится остаточный объем рабочей камеры взрыва и наоборот.
При этом (при уменьшении рабочего объема камеры взрыва) с помощью подачи сжатого воздуха из пневмоаккумулятора высокого давления 5 (количество этого воздуха также может управлять скоростью вращения распредвала) достигается необходимая степень сжатия топливно-воздушной смеси для ее самовоспламенения в камере 1 взрыва, т.е. переход на работу в режиме дизеля, что имеет определенные преимущества в части высокого крутящего момента ведущего колеса при низких оборотах гидромотора ведущих колес.
Таким же образом, изменяя скорость вращения распредвала в строго определенный момент, можно изменять количество подаваемого топлива и регулировать качество продувки камеры взрыва перед загрузкой ее топливом.
Все это повышает экономичность и КПД предлагаемого двигателя, управляемого бортовым компьютером (на схеме не показан).
Таким образом, частота вращения распредвала изменяется как и в двигателе Гребенюка, однако в двигателе «МАГ» дополнительное изменение (увеличение или уменьшение) частоты вращения для конкретного кулачка, открывающего клапан в любой момент по команде, заложенной в программе бортового компьютера.
При наполнении гидропневмоаккумулятора 3 избыточным давлением рабочей жидкости до определенного значения по команде датчика контроля накопления энергии 30 двигатель привода 11 отключается от питания и останавливается, подготовив двигатель к новому циклу. Двигатель привода 11 имеет как постоянную, так и переменную частоту вращения, управляемую компьютером.
Для осуществления ускоренной загрузки рабочей жидкости в камеру взрыва 1 в дозаторе 2 имеется клапан 19, позволяющий в закрытом состоянии создать избыточное давление рабочей жидкости в дозаторе 2 с помощью отработавших газов, подаваемых по трубопроводу 41 через золотник 14 под управлением кулачка 18А распредвала 10, и когда откроется клапан 16, порция рабочей жидкости устремляется в камеру взрыва 1, сокращая по времени подготовительный такт. Уровень рабочей жидкости в камере взрыва контролируется датчиком 7, управляемым бортовым компьютером. После закрытия клапана 16 излишнее давление в дозаторе 2 проходит через золотник 14 по трубопроводу 40 в бак 4, после чего открывается клапан 19 под воздействием веса рабочей жидкости в баке 4 и заполняет ею дозатор 2. Загрузочное устройство 13 топлива работает любым известным способом, например с помощью энергии отработавших газов и зависит от применяемого вида топлива.
Предварительно очищенные отработавшие газы из бака 4 поступают в очистительные фильтры 12, имеющие сменные очистные элементы, подобранные для очистки оставшихся вредных примесей для достижения уровня ПДК, а избыточная температура газов передается рабочему телу, что также повышает КПД двигателя.
Рабочая жидкость с избыточным давлением из накопителя-гидропневмоаккумулятора 3 через клапан 29 перемещается по трубопроводу высокого давления, гидравлический редуктор и поступает в гидродвигатель, обеспечивающий вращательное движение ведущему колесу транспорта, режим работы которого регулируется краном-переключателем, с помощью него осуществляется переменная частота вращения и рекуперация энергии торможения транспорта (на чертеже не показаны).
При торможении двигателем с помощью переключения крана-переключателя гидродвигатель превращается в гидронасос, создавая избыточное давление рабочей жидкости, возвращает ее (на чертеже не показано) в гидропневмоаккумулятор, обеспечивая рекуперацию энергии торможения.
Следует учитывать и тот факт, что давление в камере сгорания ДВС составляет около 100 бар, а давление в камере взрыва предлагаемого двигателя внутреннего взрыва может достигать 10000 бар (при использовании взрывчатых веществ, например бризантного типа). Не трудно сравнить эффективную мощность ДВС и заявленного. Из этого следует, что количество топлива в камерном двигателе МАГ внутреннего взрыва резко снижается, а выбросы отработавших газов также снижаются до пределов ПДК.
Формула изобретения
1. Камерный двигатель, содержащий взаимосвязанные камеру взрыва, гидропневмоаккумулятор для накопления энергии, создаваемой в камере взрыва, бак для рабочего тела, дозатор, пневмоаккумулятор низкого давления, золотник, распределительный вал с кулачками, взаимодействующими с клапанами управления процессами преобразования в камере взрыва, и фильтр очистки отработавших газов, отличающийся тем, что он снабжен пневмоаккумулятором высокого давления, связанным с камерой взрыва через обратный клапан, пневмонасосом с всасывающим и предохранительным клапанами, баком для воды, в частности дистиллированной, для подачи ее в камеру взрыва, смонтированными в камере взрыва плавающей платформой и датчиком уровня рабочего тела, причем плавающая платформа воспринимает силу взрыва и разделяет камеру взрыва на две зоны, камера и гидропневмоаккумулятор связаны обратным клапаном, гидропневмоаккумулятор связан с потребителем энергии, при этом пневмонасос монтируется в верхней части камеры взрыва так, чтобы его подпружиненный поршень торцом взаимодействовал с зоной взрыва, а через предохранительный клапан он связан с пневмоаккумулятором высокого давления, который трубопроводом связан с камерой взрыва, бак для воды одним трубопроводом через управляемый клапан связан с пневмоаккумулятором высокого давления, а другим трубопроводом через кран-переключатель связан с камерой взрыва.
2. Камерный двигатель по п.1, отличающийся тем, что фильтр очистки отработавших газов смонтирован в резервуаре бака для рабочего тела.
3. Камерный двигатель по п.1, отличающийся тем, что распределительный вал управляется приводом с регулируемой частотой вращения.
РИСУНКИ
|
|