|
|
(21), (22) Заявка: 2009117189/09, 05.05.2009
(24) Дата начала отсчета срока действия патента:
05.05.2009
(46) Опубликовано: 27.07.2010
(56) Список документов, цитированных в отчете о поиске:
A.BESEDINA, A.GEVORKYAN, V.ZHOLNEROV. Two-frequency Pumping in Rb Atomic Beam Frequency Standard with Laser Pumping/Detection for Space Application. EFTF 07. European Frequency and Time Forum, 2007, pp.623-628, Fig.6. RU 2220499 C2, 27.12.2003. RU 75808 U1, 20.08.2008. US 6985043 B2, 10.01.2006. US 5528028 A, 18.06.1996. US 4943955 A, 24.07.1990.
Адрес для переписки:
191124, Санкт-Петербург, пл. Растрелли, 2, ОАО “РИРВ”, первому заместителю генерального директора Б.В. Шебшаевичу
|
(72) Автор(ы):
Харчев Олег Прокопьевич (RU), Жолнеров Вадим Степанович (RU)
(73) Патентообладатель(и):
Открытое акционерное общество “Российской институт радионавигации и времени” (RU)
|
(54) АТОМНО-ЛУЧЕВОЙ СТАНДАРТ ЧАСТОТЫ
(57) Реферат:
Изобретение относится к технике стабилизации частоты и может быть использовано в атомно-лучевых стандартах частоты. Техническим результатом является создание атомно-лучевого стандарта частоты, работающего по двухчастотной схеме, реализуемой с помощью одного лазерного модуля, и в котором осуществляется автоматическая установка начальных значений частот подстраиваемого кварцевого генератора и лазерного модуля в соответствии с частотами используемых атомных переходов. Стандарт частоты содержит атомно-лучевую трубку с источником атомного пучка, СВЧ-резонатором, фотодетектором оптической накачки и выходным фотодетектирующим устройством. Атомно-лучевая трубка имеет окно оптического детектирования и окно оптической накачки, оптически связанные с выходом лазерного модуля, причем вторая связь осуществлена через модулятор. Выход выходного фотодетектирующего устройства соединен через первое фотоприемное устройство и первый блок автоматической подстройки частоты с первым управляющим входом подстраиваемого кварцевого генератора, выход которого через блок формирования сигнала радиочастотного возбуждения соединен с радиочастотным входом СВЧ резонатора. Выход фотодетектора оптической накачки соединен через второе фотоприемное устройство и второй блок автоматической подстройки частоты с первым управляющим входом управляемого стабилизатора тока, выход которого соединен с управляющим входом лазерного модуля. Опорные входы первого блока автоматической подстройки частоты и блока формирования сигнала радиочастотного возбуждения соединены с выходом первого низкочастотного генератора, причем второе из этих соединений осуществлено через первый электронный ключ. Опорные входы второго блока автоматической подстройки частоты и управляемого стабилизатора тока соединены с выходом второго низкочастотного генератора, причем второе из этих соединений осуществлено через второй электронный ключ. Управляющий вход модулятора соединен через третий электронный ключ с выходом синтезатора частоты, вход которого соединен с выходом подстраиваемого кварцевого генератора. Второй выход первого фотоприемного устройства соединен со вторым управляющим входом подстраиваемого кварцевого генератора через первое устройство автоматического поиска частоты, второй выход которого соединен с управляющим входом первого электронного ключа. Второй выход второго фотоприемного устройства соединен со вторым управляющим входом управляемого стабилизатора тока через второе устройство автоматического поиска частоты, второй выход которого соединен с управляющими входами первого устройства автоматического поиска частоты и второго, и третьего электронных ключей. 2 ил.
Заявляемое изобретение относится к технике стабилизации частоты и может быть использовано в квантовых стандартах частоты пассивного типа с квантовым дискриминатором на основе атомно-лучевой трубки с лазерной накачкой и лазерным детектированием пучка рабочих атомов.
Обобщенная структурная схема атомно-лучевого стандарта частоты содержит последовательно соединенные в замкнутое кольцо автоматической подстройки частоты подстраиваемый кварцевый генератор, блок формирования сигнала радиочастотного возбуждения, квантовый дискриминатор в виде атомно-лучевой трубки и блок автоматической подстройки частоты, формирующий управляющее напряжение для подстраиваемого кварцевого генератора, а также блок формирования опорных сигналов, связанный своими выходами с соответствующими входами блока автоматической подстройки частоты и блока формирования сигнала радиочастотного возбуждения, а входом – с выходом подстраиваемого кварцевого генератора, см., например, патент РФ [2] – RU 2220499 С2, H03L 7/16, H01S 3/10, 27.12.2003. Блок формирования сигнала радиочастотного возбуждения формирует на основе выходного сигнала подстраиваемого кварцевого генератора (гармонического сигнала с частотой f1) и соответствующего выходного сигнала блока формирования опорных сигналов модулированный по фазе (частоте) СВЧ-сигнал радиочастотного возбуждения, номинальное значение несущей частоты f2 которого соответствует вершине контура спектральной линии атомно-лучевой трубки (контур линии Рамзея или Раби), определяемой резонансной частотой f0 контура спектральной линии взаимодействия рабочего вещества атомного пучка с сигналом радиочастотного возбуждения. Частота f0 стабильна и поэтому используется в качестве эталона для подстройки частоты подстраиваемого кварцевого генератора. На выходе атомно-лучевой трубки формируется сигнал, несущий информацию об отклонении текущего значения частоты f2 от частоты f0. Блок автоматической подстройки частоты на основе выходного сигнала атомно-лучевой трубки и соответствующего выходного сигнала блока формирования опорных сигналов формирует, например, путем синхронного детектирования сигнал ошибки, а затем путем интегрирования сигнала ошибки формирует управляющее напряжение для подстраиваемого кварцевого генератора. Под действием управляющего напряжения частота f1 выходного сигнала подстраиваемого кварцевого генератора и связанная с ней несущая частота f2 сигнала радиочастотного возбуждения изменяются в сторону уменьшения сигнала ошибки, осуществляя тем самым стабилизацию частоты выходного сигнала подстраиваемого кварцевого генератора относительно частоты f0.
Известен атомно-лучевой стандарт частоты, представленный в патенте США [3] – US 4943955, H03L 7/26, 24.07.1990, содержащий последовательно соединенные в замкнутое кольцо автоматической подстройки частоты подстраиваемый кварцевый генератор, блок формирования сигнала радиочастотного возбуждения, атомно-лучевую трубку с отклоняющей магнитной системой и устройство автоматической подстройки частоты, формирующее управляющее напряжение для подстраиваемого кварцевого генератора.
Блок формирования сигнала радиочастотного возбуждения содержит преобразователь частоты и связанный с ним программируемый синтезатор частоты. Сигнальный вход преобразователя частоты, образующий сигнальный вход блока формирования сигнала радиочастотного возбуждения, соединен с выходом подстраиваемого кварцевого генератора. Сигнальный выход преобразователя частоты, образующий сигнальный выход блока формирования сигнала радиочастотного возбуждения, соединен с радиочастотным входом атомно-лучевой трубки. Высокочастотный выход программируемого синтезатора частоты (выход фазомодулированного высокочастотного сигнала) соединен с опорным входом преобразователя частоты. Низкочастотный выход программируемого синтезатора частоты (выход низкочастотного сигнала с частотой, соответствующей частоте модуляции) образует опорный выход блока формирования сигнала радиочастотного возбуждения, соединенный с опорным входом устройства автоматической подстройки частоты.
В качестве атомно-лучевой трубки используется цезиевая трубка традиционной конструкции с отклоняющей магнитной системой, примеры выполнения которой представлены в патентах США: [4] – US 4425653, H01S 3/091, 10.01.1984; [5] – US 4354108, H01S 1/00, 12.10.1982: [6] – US 3967115, H01S 1/00, 29.06.1976; [7] – US 3397310, U.S.Cl.250-41.3. 13.08.1968; [8] – US 3323008, U.S.Cl.315-111. 30.05.1967. Такая атомно-лучевая трубка содержит размещенные на одной оси источник атомного пучка, первый отклоняющий магнит. СВЧ-резонатор, второй отклоняющий магнит и фотоэлектронный умножитель, при этом радиочастотный вход СВЧ-резонатора образует радиочастотный вход атомно-лучевой трубки, а выход фотоэлектронного умножителя – выход атомно-лучевой трубки.
Устройство автоматической подстройки частоты содержит входной блок, выполняющий функции усиления и аналого-цифрового преобразования сигнала, центральный блок, выполняющий функцию цифрового синхронного детектирования, и выходной блок, выполняющий функции цифроаналогового преобразования сигнала и интегрирования преобразованного сигнала. Сигнальный вход входного блока является сигнальным входом устройства автоматической подстройки частоты, соединенным с выходом атомно-лучевой трубки. Выход выходного блока является выходом устройства автоматической подстройки частоты, соединенным с управляющим входом подстраиваемого кварцевого генератора.
Работа атомно-лучевого стандарта частоты, представленного в [3], происходит следующим образом. Блок формирования сигнала радиочастотного возбуждения формирует из выходного сигнала подстраиваемого кварцевого генератора (гармонического сигнала с частотой f1) модулированный по фазе с частотой низкочастотной модуляции Fм1 СВЧ-сигнал радиочастотного возбуждения, номинальное значение несущей частоты f2 которого соответствует резонансной частоте f0 контура спектральной линии атомно-лучевой трубки, определяемой взаимодействием рабочего вещества атомного пучка с сигналом радиочастотного возбуждения, а значение частоты низкочастотной модуляции Fм1 соответствует полуширине этого контура.
Сигнал радиочастотного возбуждения поступает на радиочастотный вход атомно-лучевой трубки, т.е. на радиочастотный вход СВЧ-резонатора. Процессы, происходящие при этом в атомно-лучевой трубке, описываются на основе двухуровневой энергетической модели атомов рабочего вещества с частотой радиочастотного атомного перехода, равной f0. Суть этих процессов заключается в следующем. Начальное энергетическое распределение атомов пучка на выходе источника атомного пучка подчиняется распределению Больцмана и в первом приближении равновероятно. Далее в области размещения первого отклоняющего магнита происходит энергетическая сортировка атомов за счет различий в дипольных магнитных моментах. В результате такой сортировки в СВЧ-резонатор влетают атомы, находящиеся в первом (нижнем) энергетическом состоянии. Взаимодействие этих атомов с сигналом радиочастотного возбуждения атомно-лучевой трубки является резонансным и описывается контуром спектральной линии Рамзея с центральной частотой радиочастотного атомного перехода, равной f0. В результате этого взаимодействия атомы пучка на выходе СВЧ-резонатора оказываются преимущественно во втором (верхнем) энергетическом состоянии, т.е. происходит инвертирование населенности в энергетической структуре атомов. Количество атомов пучка, перешедших во второе энергетическое состояние, характеризует эффективность данного взаимодействия и, в конечном итоге, определяет величину сигнала, получаемого на выходе атомно-лучевой трубки (т.е. величину, пропорциональную количеству атомов пучка, поступающих на вход фотоэлектронного умножителя). Для максимизации выходного сигнала атомно-лучевой трубки атомы пучка с помощью второго отклоняющего магнита фокусируются на вход фотоэлектронного умножителя, выход которого является выходом атомно-лучевой трубки.
Получаемый таким образом выходной сигнал атомно-лучевой трубки содержит постоянную составляющую и гармоники с частотами, кратными частоте модуляции Fм1. Эти гармоники несут в своих амплитудах и фазах информацию об отклонении текущего значения частоты f2 от частоты f0. Первая из этих гармоник используется в качестве полезной составляющей выходного сигнала атомно-лучевой трубки для получения информации об отклонении текущего значения частоты f2 от частоты f0, т.е. для получения сигнала ошибки.
Сигнал ошибки получают в устройстве автоматической подстройки частоты в результате синхронного детектирования выходного сигнала атомно-лучевой трубки относительно опорного сигнала с частотой Fм1, поступающего на опорный вход устройства автоматической подстройки частоты с опорного выхода блока формирования сигнала радиочастотного возбуждения. Полученный сигнал ошибки далее интегрируется с получением управляющего напряжения для подстраиваемого кварцевого генератора, которое является выходным сигналом устройства автоматической подстройки частоты.
Под действием управляющего напряжения, поступающего на управляющий вход подстраиваемого кварцевого генератора с выхода устройства автоматической подстройки частоты, частота f1 выходного сигнала подстраиваемого кварцевого генератора и связанная с ней несущая частота f2 сигнала радиочастотного возбуждения изменяются в сторону уменьшения сигнала ошибки, осуществляя тем самым стабилизацию частоты выходного сигнала подстраиваемого кварцевого генератора относительно частоты f0.
Достоинством рассмотренного атомно-лучевого стандарта частоты является простота реализации, а недостатком – существенная нестабильность частоты выходного сигнала, обусловленная низким отношением сигнала к шуму на выходе атомно-лучевой трубки, что связано с низкой эффективностью сортировки атомов и фокусировки атомного пучка с помощью отклоняющих магнитов.
Решение задачи улучшения отношения сигнала к шуму на выходе атомно-лучевой трубки и соответственно повышения стабильности частоты атомно-лучевого стандарта частоты обеспечивается в более сложных по реализации схемах атомно-лучевых стандартов частоты, использующих лазерную оптическую накачку и лазерное оптическое детектирование атомного пучка вместо магнитной сортировки и фокусировки.
Среди атомно-лучевых стандартов частоты, использующих лазерную оптическую накачку и лазерное оптическое детектирование атомного пучка, известны решения, в которых лазерная оптическая накачка и лазерное оптическое детектирование осуществляются на двух разных частотах, см., например, статью [9] – С.Sallot, М. Baldy, D. Gin, R. Petit. 3·10-12· -1/2th European Frequency and Time Forum. 2003, pp.100-104, а также патент США [10] – US 4684900, H03L 7/26, 04.08.1987.
Суть двухчастотной схемы лазерной оптической накачки и лазерного оптического детектирования атомного пучка состоит в следующем. Лазерная оптическая накачка производится одномодовым лазерным излучением с первой частотой 1 на участке траектории до влета атомов пучка в СВЧ-резонатор, при этом частоте 1 соответствует резонансная частота используемого поглощающего оптического атомного перехода между энергетическими уровнями атомов. Лазерное оптическое детектирование производится одномодовым лазерным излучением со второй частотой 2 на участке траектории после вылета атомов пучка из СВЧ-резонатора, при этом частоте 2 соответствует резонансная частота используемого циркулярного оптического атомного перехода между энергетическими уровнями атомов. Например, как указано в [9], в пучке атомов Cs133 в качестве поглощающего оптического атомного перехода, соответствующего частоте 1, может использоваться переход между подуровнями 6S1/2 F=4 и 6Р3/2 F=4, а в качестве циркулярного оптического атомного перехода, соответствующего частоте 2, может использоваться переход между подуровнями 6S1/2 F=4 и 6Р3/2 F=5, в этом случае разность частот 1– 2=251,4 МГц. Могут использоваться и другие оптические атомные переходы, при этом следует отметить, что общее количество пригодных для использования оптических атомных переходов ограничено и определяется однозначным числом. Так, в цезии Cs133 количество оптических атомных переходов, пригодных для использования в рассматриваемых целях, ограничено количеством подуровней в состоянии 6Р3/2 и равно пяти, а в рубидии Rb87 – ограничено количеством подуровней в состоянии 5Р3/2 и равно четырем.
Детектирование резонанса взаимодействия рабочего вещества атомного пучка с сигналом радиочастотного возбуждения СВЧ-резонатора осуществляется фотодетектором по флуоресцентному излучению атомов пучка, облученного указанным выше лазерным излучением детектирования. Сигнал радиочастотного возбуждения представляет собой модулированный по фазе (частоте) СВЧ-сигнал, несущая частота f2 которого соответствует резонансной частоте f0 используемого радиочастотного атомного перехода, возбуждаемого сигналом радиочастотного возбуждения. Низкочастотная составляющая сигнала, снимаемого с выхода фотодетектора, соответствующая частоте модуляции сигнала радиочастотного возбуждения, несет в себе информацию об отклонении текущего значения несущей частоты f2 от резонансной частоты f0. Этот сигнал далее используется стандартным образом для подстройки частоты выходного сигнала подстраиваемого кварцевого генератора.
Применение лазерной оптической накачки и лазерного оптического детектирования приводит к увеличению отношения сигнала к шуму на выходе атомно-лучевой трубки, что позволяет в конечном итоге достичь уменьшения нестабильности частоты выходного сигнала атомно-лучевого стандарта частоты. При этом для достижения указанного результата требуется обеспечение стабильности частот лазерной оптической накачки и лазерного оптического детектирования.
В качестве прототипа принят рубидиевый атомно-лучевой стандарт частоты, описанный в работе [11] – A.Besedina, A.Gevorkyan, V.Zholnerov. Two-frequency Pumping in 87
Атомно-лучевой стандарт частоты, принятый в качестве прототипа, содержит последовательно соединенные в замкнутое кольцо автоматической подстройки частоты подстраиваемый кварцевый генератор, выход которого является выходом атомно-лучевого стандарта частоты, блок формирования сигнала радиочастотного возбуждения, атомно-лучевую трубку, первое фотоприемное устройство и первый блок автоматической подстройки частоты, формирующий управляющее напряжение для подстраиваемого кварцевого генератора, а также первый низкочастотный генератор, формирующий опорный сигнал с частотой Fм1 (частотой модуляции сигнала радиочастотного возбуждения), выход которого соединен с опорным входом блока формирования сигнала радиочастотного возбуждения и опорным входом первого блока автоматической подстройки частоты.
Атомно-лучевая трубка содержит расположенные на одной оси источник атомного пучка (Rb87) и СВЧ-резонатор, радиочастотный вход которого образует радиочастотный вход атомно-лучевой трубки, соединенный с выходом блока формирования сигнала радиочастотного возбуждения. Атомно-лучевая трубка имеет окно оптической накачки, расположенное в области прохода атомного пучка от источника атомного пучка до СВЧ-резонатора, служащее для ввода в атомно-лучевую трубку сигнала оптической накачки, формируемого лазерным модулем накачки, и окно оптического детектирования, расположенное в области выхода атомного пучка из СВЧ-резонатора, служащее для ввода в атомно-лучевую трубку сигнала оптического детектирования, формируемого лазерным модулем детектирования. В области выхода атомного пучка из СВЧ-резонатора находится выходное фотодетектирующее устройство, выход которого образует первый выход атомно-лучевой трубки, к которому подключен вход первого фотоприемного устройства, а в области прохода атомного пучка от источника пучка до СВЧ-резонатора находится фотодетектор оптической накачки, выход которого образует второй выход атомно-лучевой трубки.
Второй выход атомно-лучевой трубки соединен через второе фотоприемное устройство с сигнальным входом второго блока автоматической подстройки частоты. Выход второго блока автоматической подстройки частоты соединен с первым управляющим входом первого управляемого стабилизатора тока, выход которого соединен с управляющим входом лазерного модуля накачки. Опорный вход второго блока автоматической подстройки частоты и опорный вход первого управляемого стабилизатора тока соединены с выходом второго низкочастотного генератора, формирующего опорный сигнал с частотой Fм2 (частотой модуляции излучения лазерного модуля накачки).
Первый выход атомно-лучевой трубки помимо указанного выше соединения с входом первого фотоприемного устройства соединен также с входом третьего фотоприемного устройства, выход которого через третий блок автоматической подстройки частоты соединен с первым управляющим входом второго управляемого стабилизатора тока, выход которого соединен с управляющим входом лазерного модуля детектирования. Опорный вход третьего блока автоматической подстройки частоты и опорный вход второго управляемого стабилизатора тока соединены с выходом третьего низкочастотного генератора, формирующего опорный сигнал с частотой Fм3 (частотой модуляции излучения лазерного модуля детектирования).
Лазерный модуль накачки и лазерный модуль детектирования выполнены на основе полупроводниковых лазерных диодов с близкими длинами волн лазерного излучения, расположенными в области =780, нм, соответствующими D2 линии поглощения в рубидии Rb87.
Блоки автоматической подстройки частоты выполнены по традиционной схеме, обычно используемой в квантовых стандартах частоты для частотной автоподстройки. В состав этой схемы входят входной усилитель, синхронный детектор и выходной интегратор, при этом опорный вход синхронного детектора образует опорный вход блока автоматической подстройки частоты, а вход усилителя и выход интегратора образуют соответственно сигнальный вход и выход блока автоматической подстройки частоты.
Блок формирования сигнала радиочастотного возбуждения представляет собой повышающий модулирующий преобразователь частоты, формирующий из выходного сигнала подстраиваемого кварцевого генератора (гармонического сигнала с частотой f1) и выходного сигнала первого низкочастотного генератора (с частотой Fм1 порядка нескольких десятков герц) модулированный по фазе с частотой низкочастотной модуляции Fм1 СВЧ-сигнал радиочастотного возбуждения, номинальное значение несущей частоты f2 которого соответствует резонансной частоте f0 контура спектральной линии атомно-лучевой трубки, определяемой взаимодействием рабочего вещества атомного пучка с сигналом радиочастотного возбуждения и характеризуемой контуром линии Рамзея, при этом значение частоты низкочастотной модуляции Fм1 соответствует полуширине этого контура.
Сигнал радиочастотного возбуждения, снимаемый с выхода блока формирования сигнала радиочастотного возбуждения, поступает на радиочастотный вход атомно-лучевой трубки (на радиочастотный вход СВЧ-резонатора), через который проходит пучок атомов от источника атомного пучка, подвергнутый лазерной оптической накачке.
Лазерная оптическая накачка атомного пучка производится сигналом оптической накачки – частотно-модулированным излучением лазерного модуля накачки, вводимым в атомно-лучевую трубку через окно оптической накачки на участке прохода атомного пучка от источника атомного пучка до СВЧ-резонатора. Несущая частота излучения лазерного модуля накачки соответствует резонансной частоте 1 используемого поглощающего оптического атомного перехода, а частота модуляции Fм2 (порядка десяти килогерц) меньше полуширины спектральной линии этого перехода. Схематически оптический атомный переход между энергетическими уровнями, соответствующий резонансной частоте 1, представлен на энергетической диаграмме атомов пучка рабочего вещества атомно-лучевой трубки переходом между энергетическими уровнями «2» и «3» (фиг.1). В реальном рубидиевом атомно-лучевом стандарте частоты этот оптический атомный переход может соответствовать, например, переходу между подуровнями 5S1/2 F=2 и 5Р3/2 F=2.
В результате произведенной лазерной оптической накачки атомы влетают в СВЧ-резонатор, находясь преимущественно в энергетическом состоянии первого (нижнего) уровня, обозначенного на фиг.1 как уровень «1». В СВЧ-резонаторе атомы пучка взаимодействуют с сигналом радиочастотного возбуждения – модулированным по фазе с частотой Fм1 СВЧ-сигналом с несущей частотой f2, соответствующей резонансной частоте f0 используемого радиочастотного атомного перехода (т.е. резонансной частоте f0 контура спектральной линии атомно-лучевой трубки, определяемой взаимодействием рабочего вещества атомного пучка с сигналом радиочастотного возбуждения). В рассматриваемом случае рубидиевого атомно-лучевого стандарта частоты значение f0=6834,682 МГц. В результате взаимодействия рабочего вещества атомного пучка с сигналом радиочастотного возбуждения атомы пучка вылетают из СВЧ-резонатора, находясь преимущественно в энергетическом состоянии второго уровня (уровень «2», фиг.1).
Выходящий из СВЧ-резонатора атомный пучок подвергается лазерному оптическому детектированию. Лазерное оптическое детектирование производится сигналом оптического детектирования – частотно-модулированным излучением лазерного модуля детектирования, вводимым в атомно-лучевую трубку через окно оптического детектирования на участке выхода атомного пучка из СВЧ-резонатора. Несущая частота излучения лазерного модуля детектирования соответствует резонансной частоте 2 используемого циркулярного оптического атомного перехода между энергетическими уровнями «2» и «3’» (фиг.1), а частота Fм3 модуляции (порядка десяти килогерц) меньше полуширины спектральной линии этого перехода. В реальном рубидиевом атомно-лучевом стандарте частоты этот оптический атомный переход может соответствовать, например, переходу между подуровнями 5S1/2 F=2 и 5Р3/2 F=3 на частоте 2, которая отличается от частоты 1 на величину  = 2– 1=267 МГц.
Результат лазерного оптического детектирования контролируется по переизлученному атомами пучка флуоресцентному свету, фиксируемому выходным фотодетектирующим устройством. Спектральные составляющие сигнала выходного фотодетектирующего устройства, соответствующие частоте Fм1 модуляции сигнала радиочастотного возбуждения и частоте Fм3 модуляции излучения лазерного модуля детектирования, несут информацию об отклонении несущей частоты f2 сигнала радиочастотного возбуждения от резонансной частоты f0 и отклонении несущей частоты излучения лазерного модуля детектирования от резонансной частоты 2. Указанные спектральные составляющие выделяются из выходного сигнала выходного фотодетектирующего устройства соответственно первым и третьим фотоприемными устройствами.
Спектральная составляющая выходного сигнала выходного фотодетектирующего устройства, соответствующая частоте Fм1 модуляции сигнала радиочастотного возбуждения, выделяемая первым фотоприемным устройством, поступает на сигнальный вход первого блока автоматической подстройки частоты, который формирует управляющее напряжение для подстройки частоты f1 подстраиваемого кварцевого генератора (и соответственно связанной с ней несущей частоты f2 сигнала радиочастотного возбуждения), устанавливая ее в соответствии с резонансной частотой f0.
Спектральная составляющая выходного сигнала выходного фотодетектирующего устройства, соответствующая частоте Fм3 модуляции излучения лазерного модуля детектирования, выделяемая третьим фотоприемным устройством, поступает на сигнальный вход третьего блока автоматической подстройки частоты, который формирует управляющее напряжение для подстройки второго управляемого стабилизатора тока, постоянная составляющая выходного тока которого определяет значение несущей частоты излучения лазерного модуля детектирования, устанавливая ее в соответствии с резонансной частотой 2.
Аналогичным образом осуществляется автоматическая подстройка частоты излучения лазерного модуля накачки. При этом контроль лазерной оптической накачки производится по переизлученному атомами флуоресцентному свету, фиксируемому фотодетектотором оптической накачки, спектральная составляющая выходного сигнала которого, соответствующая частоте Fм2 модуляции излучения лазерного модуля накачки, несет в себе информацию об отклонении несущей частоты излучения лазерного модуля накачки от резонансной частоты 1. Выходной сигнал фотодетектора оптической накачки поступает через второе фотоприемное устройство на сигнальный вход второго блока автоматической подстройки частоты, который формирует управляющее напряжение для подстройки первого управляемого стабилизатора тока, постоянная составляющая выходного тока которого определяет значение несущей частоты излучения лазерного модуля накачки, устанавливая ее в соответствии с резонансной частотой 1.
Все три блока автоматической подстройки частоты работают по одному принципу, осуществляя вначале синхронное детектирование сигнала, поступающего с выхода соответствующего фотоприемного устройства, относительно опорного сигнала, формируемого соответствующим низкочастотным генератором, а затем – интегрирование полученного в результате синхронного детектирования сигнала ошибки с получением необходимого управляющего напряжения.
Таким образом, в атомно-лучевом стандарте частоты, принятом в качестве прототипа, одновременно работают три кольца автоматической подстройки частоты: основное кольцо – кольцо автоматической подстройки частоты подстраиваемого кварцевого генератора, а также два дополнительных кольца – кольцо автоматической подстройки частоты излучения лазерного модуля накачки и кольцо автоматической подстройки частоты излучения лазерного модуля детектирования. Совместная работа этих трех колец автоматической подстройки частоты обеспечивает возможность достижения требуемых характеристик стабильности выходного сигнала атомно-лучевого стандарта частоты в установившемся режиме работы.
Достижение требуемых характеристик стабильности обусловлено, в числе других факторов, узкополосностью колец автоматической подстройки частоты, определяемых шириной спектральных линий используемых атомных переходов. Вследствие этого возникает проблема принудительной начальной («грубой») установки частоты выходного сигнала подстраиваемого кварцевого генератора, определяющей частоту сигнала радиочастотного возбуждения, в соответствии с резонансной частой f0, а также частот излучения лазерных модулей в соответствии с резонансными частотами 1 и 2, что необходимо для обеспечения возможности их последующего «захвата» и «слежения» в соответствующих кольцах автоматической подстройки частоты.
Очевидное решение этой проблемы, реализуемое на практике, заключается в «ручной» начальной настройке подстраиваемого кварцевого генератора и лазерных модулей с помощью внешних контрольно-измерительных приборов и управляемых вручную вспомогательных источников напряжения, подсоединенных к вторым управляющим входам подстраиваемого кварцевого генератора и управляемых стабилизаторов тока. Такая начальная «ручная» настройка подстраиваемого кварцевого генератора и лазерных модулей производится независимо для каждого объекта настройки и в произвольном порядке.
Отсутствие средств автоматической начальной настройки подстраиваемого кварцевого генератора и лазерных модулей, приводящее к необходимости применения «ручной» начальной настройки, сужает область возможного практического применения прототипа, ограничивая ее классом оборудования, обслуживаемого техническим персоналом. Это является недостатком, препятствующим использованию прототипа на необслуживаемых объектах, работающих полностью в автоматическом режиме. Кроме этого наличие двух лазерных модулей, с помощью которых обеспечивается реализация двухчастотной схемы лазерной оптической накачки и лазерного оптического детектирования атомного пучка в атомно-лучевой трубке, усложняет атомно-лучевой стандарт частоты, увеличивает энергопотребление, уменьшает надежность.
Техническим результатом, на достижение которого направлено заявляемое изобретение, является создание атомно-лучевого стандарта частоты, работающего по двухчастотной схеме, реализуемой с помощью одного лазерного модуля, и в котором осуществляется автоматическая установка начальных значений частот подстраиваемого кварцевого генератора и лазерного модуля в соответствии с частотами используемых атомных переходов. Такой атомно-лучевой стандарт частоты обладает расширенными, по сравнению с прототипом, возможностями практического применения, в том числе в составе необслуживаемого бортового оборудования.
Сущность заявляемого изобретения заключается в следующем. Атомно-лучевой стандарт частоты содержит последовательно соединенные в замкнутое кольцо автоматической подстройки частоты подстраиваемый кварцевый генератор, выход которого является выходом атомно-лучевого стандарта частоты, блок формирования сигнала радиочастотного возбуждения, атомно-лучевую трубку, первое фотоприемное устройство и первый блок автоматической подстройки частоты, выход которого соединен с первым управляющим входом подстраиваемого кварцевого генератора, а также первый низкочастотный генератор, выход которого соединен с опорным входом первого блока автоматической подстройки частоты и опорным входом блока формирования сигнала радиочастотного возбуждения. Атомно-лучевая трубка содержит расположенные на одной оси источник атомного пучка и СВЧ-резонатор, радиочастотный вход которого образует радиочастотный вход атомно-лучевой трубки, соединенный с выходом блока формирования сигнала радиочастотного возбуждения, окно оптической накачки, расположенное в области прохода атомного пучка от источника атомного пучка до СВЧ-резонатора, предназначенное для ввода в атомно-лучевую трубку сигнала оптической накачки, и окно оптического детектирования, расположенное в области выхода атомного пучка из СВЧ-резонатора, предназначенное для ввода в атомно-лучевую трубку сигнала оптического детектирования. Кроме этого в области выхода атомного пучка из СВЧ-резонатора находится выходное фотодетектирующее устройство, выход которого образует первый выход атомно-лучевой трубки, соединенный с входом первого фотоприемного устройства, а в области прохода атомного пучка от источника атомного пучка до СВЧ-резонатора находится фотодетектор оптической накачки, выход которого образует второй выход атомно-лучевой трубки. Второй выход атомно-лучевой трубки связан через последовательно соединенные второе фотоприемное устройство и второй блок автоматической подстройки частоты с первым управляющим входом управляемого стабилизатора тока, выход которого соединен с управляющим входом лазерного модуля, выход которого оптически связан с окном оптической накачки, при этом опорный вход второго блока автоматической подстройки частоты и опорный вход управляемого стабилизатора тока соединены с выходом второго низкочастотного генератора. В отличие от прототипа, соединение выхода первого низкочастотного генератора с опорным входом блока формирования сигнала радиочастотного возбуждения осуществлено через первый электронный ключ, соединение выхода второго низкочастотного генератора с опорным входом управляемого стабилизатора тока осуществлено через второй электронный ключ, а оптическая связь выхода лазерного модуля с окном оптической накачки осуществлена через модулятор, электрический управляющий вход которого соединен через третий электронный ключ с выходом синтезатора частоты, вход которого соединен с выходом подстраиваемого кварцевого генератора. Выход лазерного модуля оптически связан также с окном оптического детектирования, второй выход первого фотоприемного устройства соединен с сигнальным входом первого устройства автоматического поиска частоты, первый и второй выходы которого соединены соответственно с вторым управляющим входом подстраиваемого кварцевого генератора и управляющим входом первого электронного ключа, а второй выход второго фотоприемного устройства соединен с сигнальным входом второго устройства автоматического поиска частоты, первый выход которого соединен со вторым управляющим входом управляемого стабилизатора тока, а второй выход – с управляющим входом первого устройства автоматического поиска частоты и с управляющими входами второго и третьего электронных ключей.
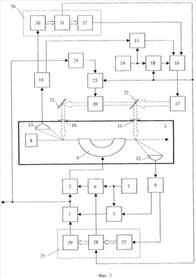
Сущность изобретения и возможность его осуществления поясняются иллюстративными материалами, представленными на фиг.1 и 2, где:
на фиг.1 схематически представлены используемые переходы между энергетическими уровнями атомов рабочего вещества атомно-лучевой трубки;
на фиг.2 представлена структурная схема заявляемого атомно-лучевого стандарта частоты.
Заявляемый атомно-лучевой стандарт частоты содержит, см. фиг.2, последовательно соединенные в замкнутое кольцо автоматической подстройки частоты подстраиваемый кварцевый генератор 1, выход которого является выходом атомно-лучевого стандарта частоты, блок формирования сигнала радиочастотного возбуждения 2, атомно-лучевую трубку 3, первое фотоприемное устройство 4 и первый блок автоматической подстройки частоты 5, выход которого соединен с первым управляющим входом подстраиваемого кварцевого генератора 1. Опорный вход блока формирования сигнала радиочастотного возбуждения 2 соединен через первый электронный ключ 6 с выходом первого низкочастотного генератора 7, формирующего опорный сигнал с частотой Fм1 (частотой модуляции сигнала радиочастотного возбуждения – порядка нескольких десятков герц). Выход первого низкочастотного генератора 7 соединен также с опорным входом первого блока автоматической подстройки частоты 5.
Атомно-лучевая трубка 3 содержит расположенные на одной оси источник атомного пучка 8 и СВЧ-резонатор 9, радиочастотный вход которого образует радиочастотный вход атомно-лучевой трубки 3, соединенный с выходом блока формирования сигнала радиочастотного возбуждения 2. Атомно-лучевая трубка 3 имеет окно оптической накачки 10, расположенное в области прохода атомного пучка от источника атомного пучка 8 до СВЧ-резонатора 9, предназначенное для ввода в атомно-лучевую трубку 3 сигнала оптической накачки, и окно оптического детектирования 11, расположенное в области выхода атомного пучка из СВЧ-резонатора 9, предназначенное для ввода в атомно-лучевую трубку 3 сигнала оптического детектирования. Кроме этого в области выхода атомного пучка из СВЧ-резонатора 9 находится выходное фотодетектирующее устройство 12, выход которого образует первый выход атомно-лучевой трубки 3, соединенный с входом первого фотоприемного устройства 4, а в области прохода атомного пучка от источника атомного пучка 8 до СВЧ-резонатора 9 находится фотодетектор оптической накачки 13, выход которого образует второй выход атомно-лучевой трубки 3.
Второй выход атомно-лучевой трубки 3 связан через последовательно соединенные второе фотоприемное устройство 14 и второй блок автоматической подстройки частоты 15 с первым управляющим входом управляемого стабилизатора тока 16, выход которого соединен с управляющим входом лазерного модуля 17. Опорный вход управляемого стабилизатора тока 16 соединен через второй электронный ключ 18 с выходом второго низкочастотного генератора 19, формирующего опорный сигнал с частотой Fм2 (частотой низкочастотной модуляции лазерного излучения – порядка десяти килогерц). Выход второго низкочастотного генератора 19 соединен также с опорным входом второго блока автоматической подстройки частоты 15.
Выход лазерного модуля 17 оптически связан с окном оптического детектирования 11, а также через модулятор 20 – с окном оптической накачки 10. При этом в рассматриваемом примере оптический выход модулятора 20 оптически связан с окном оптической накачки 10 с помощью отражающего зеркала 21, а оптический вход модулятора 20 оптически связан с выходом лазерного модуля 17 с помощью полупрозрачного зеркала 22, ответвляющего часть излучения лазерного модуля 17 в окно оптического детектирования 11. Возможно и другое выполнение указанных оптических связей, в частности с использованием волоконных световодов (на фиг.2 не показано). Электрический управляющий вход модулятора 20 соединен через третий электронный ключ 23 с выходом синтезатора частоты 24, вход которого соединен с выходом подстраиваемого кварцевого генератора 1.
Второй выход первого фотоприемного устройства 4 соединен с сигнальным входом первого устройства автоматического поиска частоты 25, первый выход которого соединен со вторым управляющим входом подстраиваемого кварцевого генератора 1, а второй выход – с управляющим входом первого электронного ключа 6.
Второй выход второго фотоприемного устройства 14 соединен с сигнальным входом второго устройства автоматического поиска частоты 26, первый выход которого соединен со вторым управляющим входом управляемого стабилизатора тока 16, а второй выход – с управляющим входом первого устройства автоматического поиска частоты 25 и с управляющими входами второго 18 и третьего 23 электронных ключей.
Первое устройство автоматического поиска частоты 25 в рассматриваемом примере содержит последовательно соединенные первый аналого-цифровой преобразователь 27, первый микроконтроллер 28 и первый цифроаналоговый преобразователь 29. Сигнальный вход аналого-цифрового преобразователя 27 и управляющий вход микроконтроллера 28 являются соответственно сигнальным и управляющим входами первого устройства автоматического поиска частоты 25, а выход цифроаналогового преобразователя 29 и управляющий выход микроконтроллера 28 являются соответственно первым и вторым выходами первого устройства автоматического поиска частоты 25.
Второе устройство автоматического поиска частоты 26 в рассматриваемом примере содержит последовательно соединенные второй аналого-цифровой преобразователь 30, второй микроконтроллер 31 и второй цифроаналоговый преобразователь 32. Сигнальный вход аналого-цифрового преобразователя 30, выход цифроаналогового преобразователя 32 и управляющий выход микроконтроллера 31 являются соответственно сигнальным входом и первым, и вторым выходами второго устройства автоматического поиска частоты 26.
В качестве микроконтроллеров 28 и 31 в практических схемах могут использоваться, например, однокристальные микроконтроллеры с внутренней памятью PIC17C4x, PIC17C75x, M3820 и другие, аналогичные им. В качестве управляющего выхода в таких микроконтроллерах может быть использован один из выводов разрядов порта ввода-вывода данных, а в качестве управляющего входа – один из выводов другого порта ввода-вывода данных или один из входов прерывания.
Подстраиваемый кварцевый генератор 1 и управляемый стабилизатор тока 16 выполнены как в прототипе, при этом их вторые управляющие входы, используемые в прототипе для подключения управляемых вручную вспомогательных источников напряжения, в заявляемом атомно-лучевом стандарте частоты служат для подключения устройств автоматического поиска частоты 25 и 26 соответственно.
Фотоприемные устройства 4 и 14 представляют собой двухканальные усилители-преобразователи тока в напряжение с фильтрующими элементами, осуществляющими частотное разделение каналов. При этом в фотоприемном устройстве 4 по первому каналу на первый выход проходит переменная составляющая входного сигнала на частоте Fм1, а по второму каналу на второй выход проходит постоянная составляющая входного сигнала. В фотоприемном устройстве 14 по первому каналу на первый выход проходит переменная составляющая входного сигнала на частоте Fм2, а по второму каналу на второй выход проходит постоянная составляющая входного сигнала.
Блоки автоматической подстройки частоты 5 и 15 содержат, как в прототипе, входной усилитель, синхронный детектор и интегратор на выходе, при этом вход входного усилителя, опорный вход синхронного детектора и выход интегратора образуют соответственно сигнальный вход, опорный вход и выход блока автоматической подстройки частоты. Каждый из блоков автоматической подстройки частоты 5, 15 осуществляет синхронное детектирование полезного сигнала, поступающего с первого выхода соответствующего фотоприемного устройства 4, 14, относительно опорного сигнала, поступающего с выхода соответствующего низкочастотного генератора 7, 19, и последующее интегрирование полученного в результате синхронного детектирования сигнала ошибки с получением необходимого управляющего напряжения. В практических реализациях интегратор может быть выполнен в виде интегратора, обнуляемого при отсутствии полезного сигнала на входе блока автоматической подстройки частоты, например в виде интегратора с обнулением, представленного в патенте РФ [16] – RU 2015556 C1, G06G 7/186, 30.06.1994, управляющий вход которого (вход обнуления) подключен через пороговый элемент к выходу входного усилителя блока автоматической подстройки частоты (на фиг.2 не показано).
Блок формирования сигнала радиочастотного возбуждения 2 выполнен как в прототипе в виде повышающего модулирующего преобразователя частоты, осуществляющего формирование на основе выходного сигнала подстраиваемого кварцевого генератора 1 (гармонического сигнала с частотой f1) и выходного сигнала первого низкочастотного генератора 7 (с частотой Fм1) модулированного по фазе с частотой низкочастотной модуляции Fм1 СВЧ-сигнала радиочастотного возбуждения, номинальное значение несущей частоты f2 которого соответствует резонансной частоте f0 радиочастотного атомного перехода, т.е. резонансной частоте f0 контура спектральной линии атомно-лучевой трубки 3, определяемой взаимодействием рабочего вещества атомного пучка с сигналом радиочастотного возбуждения (в рассматриваемом случае контур линии Рамзея), при этом значение частоты низкочастотной модуляции Fм1 соответствует полуширине этого контура.
Атомно-лучевая трубка 3 может быть выполнена как в прототипе в виде рубидиевой атомно-лучевой трубки с теми же используемыми частотами 1 и 2 оптических атомных переходов и той же частотой f0 радиочастотного атомного перехода, что и в прототипе.
Работа заявляемого атомно-лучевого стандарта частоты в части, соответствующей установившемуся режиму работы, т.е. по завершению начальной настройки подстраиваемого кварцевого генератора 1 и лазерного модуля 17, рассматриваемой позже, происходит следующим образом.
Подстраиваемый кварцевый генератор 1 формирует гармонический сигнал с частотой f1, являющийся выходным сигналом атомно-лучевого стандарта частоты. Текущее значение частоты f1 определяется суммой управляющих напряжений, поступающих на первый и второй управляющие входы подстраиваемого кварцевого генератора 1. При этом управляющее напряжение на первом управляющем входе подстраиваемого кварцевого генератора 1 определяется текущим выходным напряжением блока автоматической подстройки частоты 5, а управляющее напряжение на втором управляющем входе подстраиваемого кварцевого генератора 1 определяется выходным напряжением устройства автоматического поиска частоты 25, зафиксированным на постоянном уровне по результатам осуществленной начальной («грубой») настройки частоты подстраиваемого кварцевого генератора 1.
Выходной сигнал подстраиваемого кварцевого генератора 1 поступает на сигнальный вход блока формирования сигнала радиочастотного возбуждения 2, на опорный вход которого через замкнутый электронный ключ 6 с выхода низкочастотного генератора 7 поступает опорный сигнал с частотой Fм1 (порядка нескольких десятков герц). На основании этих входных сигналов в блоке формирования сигнала радиочастотного возбуждения 2 формируется модулированный по фазе с частотой низкочастотной модуляции Fм1 СВЧ-сигнал радиочастотного возбуждения, номинальное значение несущей частоты f2 которого, однозначно связанное с текущим значением частоты f1, соответствует резонансной частоте f0 радиочастотного атомного перехода, т.е. резонансной частоте контура спектральной линии атомно-лучевой трубки 3, определяемой взаимодействием рабочего вещества атомного пучка с сигналом радиочастотного возбуждения и соответствующей переходу между энергетическими уровнями «1» и «2» (фиг.1), а значение частоты низкочастотной модуляции Fм1 соответствует полуширине спектральной линии этого перехода.
Сигнал радиочастотного возбуждения, снимаемый с выхода блока формирования сигнала радиочастотного возбуждения 2, поступает на радиочастотный вход атомно-лучевой трубки 3, т.е. на радиочастотный вход СВЧ-резонатора 9. Также в атомно-лучевую трубку 3 через окно оптической накачки 10 и окно оптического детектирования 11 поступают сигналы оптической накачки и оптического детектирования.
Сигнал оптического детектирования представляет собой часть излучения лазерного модуля 17, ответвляемого в окно оптического детектирования 11 с помощью полупрозрачного зеркала 22. Излучение лазерного модуля 17 представляет собой модулированный по частоте оптический сигнал, несущая частота которого соответствует резонансной частоте 2 используемого при детектировании циркулярного оптического атомного перехода между энергетическими уровнями «2» и «3’» (фиг.1), а частота Fм2 модуляции (порядка десяти килогерц) меньше полуширины спектральной линии этого перехода, а также используемого при оптической накачке поглощающего оптического атомного перехода, характеризуемого частотой 1. Параметры излучения лазерного модуля 17 определяются параметрами модулированного по амплитуде тока, поступающего на его управляющий вход с выхода управляемого стабилизатора тока 16. Величина постоянной составляющей этого тока, определяющая значение несущей частоты излучения лазерного модуля 17, определяется суммой управляющих напряжений, поступающих на первый и второй управляющие входы управляемого стабилизатора тока 16, а частота модуляции этого тока определяется частотой Fм2 выходного сигнала низкочастотного генератора 19, поступающего на опорный вход управляемого стабилизатора тока 16 через замкнутый электронный ключ 18. При этом управляющее напряжение на первом управляющем входе управляемого стабилизатора тока 16 определяется текущим выходным напряжением блока автоматической подстройки частоты 15, а управляющее напряжение на втором управляющем входе определяется выходным напряжением устройства автоматического поиска частоты 26, зафиксированным на постоянном уровне по результатам осуществленной начальной («грубой») настройки частоты излучения лазерного модуля 17.
Сигнал оптической накачки формируется в результате дополнительной высокочастотной модуляции с частотой  = 2– 1 части излучения лазерного модуля 17, поступающей через полупрозрачное зеркало 22 на оптический вход модулятора 20. Сигналом, задающим частоту модуляции  , является сигнал, поступающий на электрический управляющий вход модулятора 20 через замкнутый электронный ключ 23 с выхода синтезатора частоты 24, где он формируется на основе выходного сигнала подстраиваемого кварцевого генератора 1. В результате дополнительной высокочастотной модуляции в спектре излучения, снимаемого с оптического выхода модулятора 20, появляются дополнительные спектральные составляющие, определяемые разностью частот 2– . Фактически имеет место преобразование спектра входного лазерного излучения с появлением составляющих, сдвинутых на частоту  относительно составляющих исходного спектра, где значение  , как указывалось выше, для рубидиевого атомно-лучевого стандарта частоты составляет 267 МГц. Данный метод преобразования спектра лазерного излучения является известным, в частности, он положен в основу способа преобразования спектра лазерного излучения, описанного в патенте РФ [17] – RU 2071159 C1, H01S 3/10, 27.12.1996.
Выходной сигнал модулятора 20 с помощью отражающего зеркала 21 подается в окно оптической накачки 10. Полезными спектральными составляющими этого сигнала являются составляющие, определяемые несущей частотой 1, где 1= 2– , и боковой частотой Fм2. Эти составляющие попадают в полосу спектральной линии используемого поглощающего оптического атомного перехода между энергетическими уровнями «2» и «3» (фиг.1), под действием этих составляющих происходит оптическая накачка атомов атомного пучка на участке его прохода от источника атомного пучка 8 до СВЧ-резонатора 9, что приводит к обогащению энергетического уровня «1» и обеднению энергетического уровня «2» (фиг.1).
Воздействие других спектральных составляющих, присутствующих в выходном сигнале модулятора 20, несущественно. Так, спектральные составляющие, частоты которых не совпадают с резонансными частотами оптических атомных переходов, вообще не влияют на энергетическое состояние атомов атомного пучка. Результат же воздействия спектральной составляющей с частотой 2 (частотой циркулярного оптического атомного перехода) на часть атомов, оставшихся в энергетическом состоянии «2», имеет кратковременный характер (порядка 10-8 с, определяемый длительностью жизни атомов в возбужденном состоянии «3’») и заканчивается еще до входа атомного пучка в СВЧ-резонатор 9.
Таким образом, в результате осуществленной лазерной оптической накачки атомы атомного пучка влетают в СВЧ-резонатор 9, находясь преимущественно в энергетическом состоянии первого уровня «1» (фиг.1). В СВЧ-резонаторе 9 атомы пучка взаимодействуют с сигналом радиочастотного возбуждения – модулированным по фазе с частотой Fм1 СВЧ-сигналом с несущей частотой f2, соответствующей резонансной частоте f0 радиочастотного атомного перехода, возбуждаемого при взаимодействии рабочего вещества атомного пучка с сигналом радиочастотного возбуждения. В результате взаимодействия атомного пучка с сигналом радиочастотного возбуждения атомы пучка вылетают из СВЧ-резонатора 9, находясь преимущественно в энергетическом состоянии второго уровня «2» (фиг.1), что обеспечивает возможность осуществления последующего лазерного оптического детектирования на частоте, соответствующей резонансной частоте 2 циркулярного оптического атомного перехода между энергетическими уровнями «2» и «3’» (фиг.1).
Результат лазерного оптического детектирования контролируется по переизлученному атомами пучка флуоресцентному свету, фиксируемому выходным фотодетектирующим устройством 12. Спектральная составляющая сигнала выходного фотодетектирующего устройства 12, соответствующая частоте Fм1 модуляции сигнала радиочастотного возбуждения, несет информацию об отклонении несущей частоты f2 сигнала радиочастотного возбуждения от резонансной частоты f0. Эта составляющая выделяется в фотоприемном устройстве 4 и в качестве сигнала обратной связи поступает с его первого выхода на сигнальный вход блока автоматической подстройки частоты 5, где подвергается синхронному детектированию (относительно частоты Fм1) с выделением сигнала ошибки, который далее интегрируется с получением управляющего напряжения, под действием которого частота f1 выходного сигнала подстраиваемого кварцевого генератора 1 устанавливается в соответствии с резонансной частотой f0 (с учетом преобразования частоты, осуществляемого в блоке формирования сигнала радиочастотного возбуждения 2). Таким образом, в результате работы данного кольца автоматической подстройки частоты текущее значение частоты выходного сигнала подстраиваемого кварцевого генератора 1 стабилизируется относительно резонансной частоты f0.
Аналогичным образом контролируется результат лазерной оптической накачки, при этом используется переизлученный атомами пучка флуоресцентный свет, фиксируемый фотодетектором оптической накачки 13. Спектральная составляющая выходного сигнала фотодетектора оптической накачки 13, соответствующая частоте Fм2 низкочастотной модуляции излучения лазерного модуля 17, несет информацию об отклонении частоты сигнала оптической накачки, определяемой разностью несущей частоты излучения лазерного модуля 17 ( 2) и частоты выходного сигнала синтезатора частоты 24 ( ), от резонансной частоты 1 поглощающего оптического атомного перехода. Эта составляющая выделяется в фотоприемном устройстве 14 и в качестве сигнала обратной связи поступает с его первого выхода на сигнальный вход блока автоматической подстройки частоты 15, где подвергается синхронному детектированию (относительно частоты Fм2) с выделением сигнала ошибки, который далее интегрируется с получением управляющего напряжения, под действием которого постоянная составляющая выходного тока управляемого стабилизатора тока 16 устанавливается на уровне, определяющем значение частоты сигнала оптической накачки в соответствии с резонансной частотой 1, при этом несущая частота излучения лазерного модуля 17 соответствует резонансной частоте 2 циркулярного оптического атомного перехода, используемого при детектировании. Таким образом, в результате работы данного кольца автоматической подстройки частоты значение несущей частоты излучения лазерного модуля 17 стабилизируется относительно резонансной частоты 1 (с учетом преобразования спектра, осуществляемого в модуляторе 20).
Совместная работа обоих колец автоматической подстройки частоты – кольца автоматической подстройки частоты подстраиваемого кварцевого генератора 1 и кольца автоматической подстройки частоты излучения лазерного модуля 17 – обеспечивает достижение требуемых характеристик стабильности выходного сигнала заявляемого атомно-лучевого стандарта частоты в установившемся режиме работы. При этом за счет использования одного лазерного модуля (а не двух, как в прототипе) упрощается схема атомно-лучевого стандарта частоты, уменьшается энергопотребление, увеличивается надежность.
Как и в прототипе, в заявляемом атомно-лучевом стандарте частоты требуется принудительная начальная («грубая») установка частоты выходного сигнала подстраиваемого кварцевого генератора 1 и частоты излучения лазерного модуля 17 в соответствии с частотами используемых атомных переходов для обеспечения возможность их последующего «захвата» и «слежения» в соответствующих кольцах автоматической подстройки частоты. Эта начальная установка частоты выходного сигнала подстраиваемого кварцевого генератора 1 и частоты излучения лазерного модуля 17 осуществляется автоматически после включения питания и происходит следующим образом.
В соответствии с программами микроконтроллеров 28 и 31, запускаемыми при включении питания, устройства автоматического поиска частоты 25 и 26 формируют на своих вторых выходах (управляющих выходах микроконтроллеров 28, 31) управляющие сигналы, под действием которых размыкаются электронные ключи 6, 18 и 23. На первых выходах устройств автоматического поиска частоты 25 и 26 (выходах цифроаналоговых преобразователей 29, 32) при этом формируются сигналы, под действием которых частота выходного сигнала подстраиваемого кварцевого генератора 1 и частота излучения лазерного модуля 17 устанавливаются в крайнюю точку диапазона перестройки.
Установка частоты выходного сигнала подстраиваемого кварцевого генератора 1 в крайнюю точку диапазона перестройки осуществляется под действием сигнала, поступающего на его второй управляющий вход с выхода цифроаналогового преобразователя 29. При этом на первый управляющий вход подстраиваемого кварцевого генератора 1 сигнал не поступает, поскольку в условиях разомкнутого ключа 6 работа кольца автоматической подстройки частоты подстраиваемого кварцевого генератора 1 заблокирована: нет сигнала на опорном входе блока формирования сигнала радиочастотного возбуждения 2, соответственно нет модуляции сигнала радиочастотного возбуждения, нет полезного сигнала на первом выходе фотоприемного устройства 4 и соответственно нет сигнала на выходе блока автоматической подстройки частоты 5, соединенном с первым управляющим входом подстраиваемого кварцевого генератора 1. В этих условиях частота выходного сигнала подстраиваемого кварцевого генератора 1 определяется только напряжением, присутствующим на его втором управляющем входе.
Установка частоты излучения лазерного модуля 17 в крайнюю точку диапазона перестройки осуществляется под действием выходного сигнала управляемого стабилизатора тока 16, сформированного под действием сигнала, поступающего на его второй управляющий вход с выхода цифроаналогового преобразователя 32. При этом на первый вход управляемого стабилизатора тока 16 управляющий сигнал не поступает, поскольку в условиях разомкнутого электронного ключа 18 работа кольца автоматической подстройки частоты лазерного модуля 17 заблокирована: нет сигнала на опорном входе управляемого стабилизатора тока 16, соответственно нет модуляции излучения лазерного модуля 17, нет полезного сигнала на первом выходе фотоприемного устройства 14 и соответственно нет сигнала на выходе блока автоматической подстройки частоты 15, соединенном с первым управляющим входом управляемого стабилизатора тока 16. В этих условиях выходной сигнал управляемого стабилизатора тока 16, задающий частоту излучения лазерного модуля 17, определяется только напряжением, присутствующим на его втором управляющем входе.
Сформированное таким образом немодулированное излучение лазерного модуля 17 поступает на оптический вход модулятора 20, который в условиях разомкнутого электронного ключа 23 пропускает это излучение без модуляции на свой оптический выход, с которого излучение далее попадает в окно оптической накачки 10.
Затем устройство автоматического поиска частоты 26 начинает осуществлять программную перестройку частоты излучения лазерного модуля 17, целью которой является «грубый» поиск частоты, отвечающей резонансной частоте 2 используемого при детектировании циркулярного оптического атомного перехода. Нахождение этой частоты осуществляется путем выявления определенного (в порядке следования) пика выходного сигнала фотодетектора оптической накачки 13, поступающего через фотоприемное устройство 14 (с его второго выхода) на сигнальный вход устройства автоматического поиска частоты 26. При этом используется тот факт, что каждый выявленный пик соответствует определенному оптическому атомному переходу между энергетическими уровнями атомов рабочего вещества атомного пучка, количество которых и расположение на частотной оси для каждого рабочего вещества известно. В рассматриваемом случае использования в качестве рабочего вещества атомного пучка рубидия Rb87 количество оптических атомных переходов равно четырем, что определяется четырьмя подуровнями в состоянии 5Р3/2 2, является третьим (в порядке увеличения частоты) оптическим атомным переходом.
Поиск частоты 2 (поиск определенного пика сигнала, снимаемого с второго выхода фотоприемного устройства 14) происходит по программе, заложенной в микропроцессоре 31. В соответствии с этой программой на выходе цифроаналогового преобразователя 32 формируется ступенчатое (изменяющееся по тактам) напряжение, под действием которого посредством управляемого стабилизатора тока 16 соответствующим образом изменяется частота излучения лазерного модуля 17. Излучение лазерного модуля 17 контролируется по переизлученному атомами пучка флуоресцентному свету, фиксируемому фотодетектором оптической накачки 13. Выходной сигнал фотодетектора оптической накачки 13 проходит на второй выход фотоприемного устройства 14 и далее поступает на сигнальный вход устройства автоматического поиска частоты 26 (сигнальный вход аналого-цифрового преобразователя 30). Преобразованный в цифровой вид сигнал далее поступает в микроконтроллер 31, где осуществляется запоминание величины текущего сигнала и ее сравнение с величиной сигнала, поступившего на предыдущем такте, что позволяет выявлять частоты, соответствующие пиковым значениям выходного сигнала фотодетектора оптической накачки 13, и тем самым найти искомую частоту 2, соответствующую нужному пику.
По завершению поиска частоты 2 микроконтроллер 31 фиксирует состояние цифроаналогового преобразователя 32, отвечающее найденной частоте 2, т.е. фиксирует выходной сигнал, поступающий с первого выхода устройства автоматического поиска частоты 26 на второй управляющий вход управляемого стабилизатора тока 16. Тем самым фиксируется установленное начальное («грубое») значение частоты лазерного модуля 17, отвечающее резонансной частоте 2.
Кроме этого по завершению поиска частоты 2 на втором выходе устройства автоматического поиска частоты 26 (на управляющем выходе микроконтроллера 31) появляется управляющий сигнал, поступающий на управляющие входы электронных ключей 18, 23 и на управляющий вход устройства автоматического поиска частоты 25 (управляющий вход микроконтроллера 28).
Под действием этого управляющего сигнала электронные ключи 18 и 23 замыкаются, включая в работу кольцо автоматической подстройки частоты излучения лазерного модуля 17. При этом, как рассмотрено выше, осуществляется низкочастотная (в управляемом стабилизаторе тока 16) и высокочастотная (в модуляторе 20) модуляция излучения лазерного модуля 17, в окно оптической накачки 10 поступает сигнал оптической накачки, попадающий в полосу спектральной линии используемого поглощающего оптического атомного перехода, а в окно оптического детектирования 11 поступает сигнал оптического детектирования, попадающий в полосу спектральной линии используемого циркулярного оптического атомного перехода.
Под действием указанного управляющего сигнала устройство автоматического поиска частоты 25 начинает осуществлять программную перестройку частоты выходного сигнала подстраиваемого кварцевого генератора 1, целью которой является «грубый» поиск частоты, отвечающей (с учетом преобразования, осуществляемого в блоке формирования сигнала радиочастотного возбуждения 2) частоте f0 радиочастотного атомного перехода. При этом ищется пик сигнала на выходе выходного фотодетектирующего устройства 12, соответствующий пику контура линии Рамзея ([18, Fig.6]), получаемого в результате происходящего в СВЧ-резонаторе 9 взаимодействия атомов пучка, подвергнутого лазерной оптической накачке, с немодулированным сигналом радиочастотного возбуждения, поступающим на радиочастотный вход атомно-лучевой трубки 3 с выхода блока формирования сигнала радиочастотного возбуждения 2.
Перестройка частоты выходного сигнала подстраиваемого кварцевого генератора 1 осуществляется по программе, заложенной в микропроцессоре 28. В соответствии с этой программой на выходе цифроаналогового преобразователя 29 формируется ступенчатое (изменяющееся по тактам) напряжение, под действием которого соответствующим образом изменяется частота f1 выходного сигнала подстраиваемого кварцевого генератора 1 и связанная с ней частота f2 сигнала радиочастотного возбуждения. Поиск пика контура линии Рамзея осуществляется по переизлученному атомами пучка флуоресцентному свету, фиксируемому выходным фотодетектирующим устройством 12. Сигнал, снимаемый с выхода выходного фотодетектирующего устройства 12, проходит на второй выход фотоприемного устройства 4 и далее поступает на сигнальный вход устройства автоматического поиска частоты 25 (сигнальный вход аналого-цифрового преобразователя 27). Преобразованный в цифровой вид сигнал далее поступает в микроконтроллер 28, где осуществляется запоминание величины текущего сигнала и ее сравнение с величиной сигнала, поступившего на предыдущем такте, что позволяет выявить частоту выходного сигнала подстраиваемого кварцевого генератора 1, соответствующую пику контура линии Рамзея.
По завершению поиска частоты выходного сигнала подстраиваемого кварцевого генератора 1, соответствующей пику контура линии Рамзея, микроконтроллер 28 фиксирует состояние цифроаналогового преобразователя 29, отвечающее найденной частоте, т.е. фиксирует выходной сигнал, поступающий с первого выхода устройства автоматического поиска частоты 25 на второй управляющий вход подстраиваемого кварцевого генератора 1. Тем самым фиксируется установленное начальное («грубое») значение частоты выходного сигнала подстраиваемого кварцевого генератора 1, отвечающее (с учетом преобразования, осуществляемого в блоке формирования сигнала радиочастотного возбуждения 2) резонансной частоте f0 радиочастотного атомного перехода.
Одновременно с этим на втором выходе устройства автоматического поиска частоты 25 (на управляющем выходе микроконтроллера 28) появляется управляющий сигнал, под действием которого электронный ключ 6 замыкается, включая в работу кольцо автоматической подстройки частоты подстраиваемого кварцевого генератора 1. С этого момента начинается рассмотренная выше текущая работа атомно-лучевого стандарта частоты – когда одновременно в режиме «слежения» работают оба кольца автоматической подстройки частоты – кольцо автоматической подстройки частоты подстраиваемого кварцевого генератора 1 и кольцо автоматической подстройки частоты излучения лазерного модуля 17, обеспечивая стабилизацию частоты подстраиваемого кварцевого генератора 1 и частоты излучения лазерного модуля 17 относительно резонансных частот используемых атомных переходов.
Рассмотренное показывает, что заявляемое изобретение осуществимо и обеспечивает достижение технического результата, заключающегося в создании атомно-лучевого стандарта частоты, работающего по двухчастотной схеме, реализуемой с помощью одного лазерного модуля, и в котором осуществляется автоматическая установка начальных значений частот подстраиваемого кварцевого генератора и лазерного модуля в соответствии с резонансными частотами используемых атомных переходов.
Источники информации
2. RU 2220499 C2, H03L 7/16, H01S 3/10, опубл. 27.12.2003.
3. US 4943955, H03L 7/26, опубл. 24.07.1990.
4. US 4425653, H01S 3/091, опубл. 10.01.1984.
5. US 4354108, H01S 1/00, опубл. 12.10.1982.
6. US 3967115, H01S 1/00, опубл. 29.06.1976.
7. US 3397310, U.S.Cl.250-41.3, опубл. 13.08.1968.
8. US 3323008, U.S.Cl.315-111, опубл. 30.05.1967.
9. C.Sallot, M.Balcly, D.Gin, R.Petit. 3·10-12· -1/2th European Frequency and Time Forum. 2003, pp.100-104.
10. US 4684900, H03L 7/26, опубл. 04.08.1987.
11. A.Besedina, A.Gevorkyan, V.Zholnerov. Two-frequency Pumping in 87
13. RU 2029977 C1, G02F 1/03, опубл. 27.02.1995.
14. RU 2225631 C2, G02F 1/00, G02F 1/29, опубл. 10.03.2004.
15. RU 2248601 C1, G02F 1/03, опубл. 20.03.2005.
16. RU 2015556 C1, G06G 7/186, опубл. 30.06.1994.
17. RU 2071159 C1, H01S 3/10, опубл. 27.12.1996
Формула изобретения
Атомно-лучевой стандарт частоты, содержащий последовательно соединенные в замкнутое кольцо автоматической подстройки частоты подстраиваемый кварцевый генератор, выход которого является выходом атомно-лучевого стандарта частоты, блок формирования сигнала радиочастотного возбуждения, атомно-лучевую трубку, первое фотоприемное устройство и первый блок автоматической подстройки частоты, выход которого соединен с первым управляющим входом подстраиваемого кварцевого генератора, а также первый низкочастотный генератор, выход которого соединен с опорным входом первого блока автоматической подстройки частоты и опорным входом блока формирования сигнала радиочастотного возбуждения, при этом атомно-лучевая трубка содержит расположенные на одной оси источник атомного пучка и СВЧ-резонатор, радиочастотный вход которого образует радиочастотный вход атомно-лучевой трубки, соединенный с выходом блока формирования сигнала радиочастотного возбуждения, окно оптической накачки, расположенное в области прохода атомного пучка от источника атомного пучка до СВЧ-резонатора, предназначенное для ввода в атомно-лучевую трубку сигнала оптической накачки, и окно оптического детектирования, расположенное в области выхода атомного пучка из СВЧ-резонатора, предназначенное для ввода в атомно-лучевую трубку сигнала оптического детектирования, при этом в области выхода атомного пучка из СВЧ-резонатора находится выходное фотодетектирующее устройство, выход которого образует первый выход атомно-лучевой трубки, соединенный с входом первого фотоприемного устройства, а в области прохода атомного пучка от источника атомного пучка до СВЧ-резонатора находится фотодетектор оптической накачки, выход которого образует второй выход атомно-лучевой трубки, связанный через последовательно соединенные второе фотоприемное устройство и второй блок автоматической подстройки частоты с первым управляющим входом управляемого стабилизатора тока, выход которого соединен с управляющим входом лазерного модуля, выход которого оптически связан с окном оптической накачки, при этом опорный вход второго блока автоматической подстройки частоты и опорный вход управляемого стабилизатора тока соединены с выходом второго низкочастотного генератора, отличающийся тем, что соединение выхода первого низкочастотного генератора с опорным входом блока формирования сигнала радиочастотного возбуждения осуществлено через первый электронный ключ, соединение выхода второго низкочастотного генератора с опорным входом управляемого стабилизатора тока осуществлено через второй электронный ключ, а оптическая связь выхода лазерного модуля с окном оптической накачки осуществлена через модулятор, электрический управляющий вход которого соединен через третий электронный ключ с выходом синтезатора частоты, вход которого соединен с выходом подстраиваемого кварцевого генератора, при этом выход лазерного модуля оптически связан также с окном оптического детектирования, второй выход первого фотоприемного устройства соединен с сигнальным входом первого устройства автоматического поиска частоты, первый и второй выходы которого соединены соответственно с вторым управляющим входом подстраиваемого кварцевого генератора и управляющим входом первого электронного ключа, а второй выход второго фотоприемного устройства соединен с сигнальным входом второго устройства автоматического поиска частоты, первый выход которого соединен с вторым управляющим входом управляемого стабилизатора тока, а второй выход – с управляющим входом первого устройства автоматического поиска частоты и с управляющими входами второго и третьего электронных ключей.
РИСУНКИ
|
|