|
|
(21), (22) Заявка: 2009120189/09, 27.05.2009
(24) Дата начала отсчета срока действия патента:
27.05.2009
(46) Опубликовано: 27.07.2010
(56) Список документов, цитированных в отчете о поиске:
SU 1288863 A1, 07.02.1987. RU 1826334 C, 10.06.1997. GB 2430277 A, 21.03.2007.
Адрес для переписки:
630092, г.Новосибирск, пр. К. Маркса, 20, НГТУ
|
(72) Автор(ы):
Евдокимов Сергей Александрович (RU)
(73) Патентообладатель(и):
Государственное образовательное учреждение высшего профессионального образования Новосибирский государственный технический университет (RU)
|
(54) ПРЕОБРАЗОВАТЕЛЬ ОДНОФАЗНОГО ПЕРЕМЕННОГО НАПРЯЖЕНИЯ В ПОСТОЯННОЕ
(57) Реферат:
Преобразователь однофазного переменного напряжения в постоянное может найти применение для преобразования переменного напряжения в регулируемое постоянное и может быть использован в регулируемых электроприводах постоянного тока. Предложенный преобразователь содержит двенадцать управляемых вентилей и однофазный трансформатор с первичной обмоткой и двумя двухсекционными вторичными обмотками, имеющими отводы от начал, от точек соединения секций и от концов, причем числа витков секций вторичных обмоток равны или отличаются, из шести управляемых вентилей сформировано шестивентильное кольцо, вентили которого соединены одноименными электродами, остальные управляемые вентили соединены в две трехвентильные обратные друг другу звезды, общие точки соединения электродов вентилей которых образуют два разнополярных выхода устройства, к которым подключена нагрузка, при этом одноименные отводы двухсекционных обмоток подключены к диаметрально расположенным точкам соединения электродов вентилей кольца, причем отводы каждой из двухсекционных обмоток подключены к электродам вентилей кольца, имеющим одно наименование, и свободным электродам вентилей одной из трехвентильных звезд, имеющим другое наименование, а отвод от точек соединения секций в каждой из обмоток связан двумя вентилями кольца с разноименными ему отводами другой обмотки. Предложенный преобразователь однофазного переменного напряжения в постоянное обеспечивает технический результат – имеет более высокий КПД и коэффициент мощности. 2 ил., 1 табл.
Предлагаемое изобретение относится к полупроводниковым преобразователям электрической энергии, предназначенным для преобразования переменного напряжения в регулируемое постоянное, и может быть использовано в регулируемых электроприводах постоянного тока.
Известен преобразователь однофазного переменного напряжения в постоянное (Плакс А.В. Системы управления электрическим подвижным составом. Учебник для вузов ж.-д. транспорта. – М.: Маршрут, 2005, С.140), содержащий однофазный трансформатор с вторичной фазной обмоткой, имеющей две отпайки, делящие обмотку на три секции с соотношением чисел витков секций 1:1:2, и четырехфазный вентильный мост с управляемыми вентилями, входы переменного тока которого подключены к отводам от начала и конца вторичной обмотки и отводам от отпаек, а выходы постоянного тока подключены к нагрузке. Преобразователь обеспечивает четырехзонное плавное регулирование напряжения.
Недостатком преобразователя является относительно невысокий коэффициент мощности из-за ограниченного числа зон регулирования, не позволяющего получить форму сетевого тока, достаточно близкую к идеальной.
Кроме того, известен преобразователь однофазного переменного напряжения в постоянное (Засорин С.Н., Мицкевич В.А., Кучма К.Г. Электронная и преобразовательная техника. – М.: Транспорт, 1981, С.162), являющийся прототипом, содержащий три последовательно согласно соединенных однофазных вентильных моста, в каждом из которых два последовательно включенных плеча оснащены управляемыми вентилями, два других плеча – неуправляемыми вентилями, а к разнополярным выходам крайних мостов подключена нагрузка, и однофазный трансформатор с первичной обмоткой и тремя гальванически не связанными вторичными обмотками, каждая из которых соединена с одним из мостов, причем начала (концы) обмоток подключены к соответствующим точкам соединения управляемых вентилей, а концы (начала) подключены к соответствующим точкам соединения неуправляемых вентилей, а числа витков вторичных обмоток равны или находятся в определенном соотношении между собой. При равенстве чисел витков вторичных обмоток число зон регулирования равно трем. Используя разные соотношения напряжений вторичных обмоток, можно получить число зон регулирования выпрямленного напряжения большее, чем число мостов. Так, при трех вторичных обмотках и соотношении между числами их витков 1:2:3 или 1:2:4 число зон регулирования может быть равным, соответственно, шести или семи.
Недостатком преобразователя является низкий КПД, что обусловлено большим числом вентилей, последовательно включенных в цепи тока нагрузки, а также относительно небольшое значение коэффициента мощности, зависящее от числа зон регулирования.
Задачей предлагаемого изобретения является создание преобразователя однофазного переменного напряжения в постоянное с более высокими КПД и коэффициентом мощности.
Поставленная задача достигается тем, что преобразователь однофазного переменного напряжения в постоянное, содержащий шесть управляемых вентилей и однофазный трансформатор с первичной обмоткой и тремя гальванически не связанными вторичными обмотками, имеющими одинаковые или разные числа витков, дополнительно снабжен шестью управляемыми вентилями, две вторичных обмотки соединены последовательно согласно, образуя двухсекционную обмотку с отводами от начала, от точки соединения секций и от конца данной обмотки, в третьей обмотке выполнена отпайка, разделяющая обмотку на две секции, и от данной двухсекционной обмотки выполнены отводы от начала, от отпайки, образующей точку соединения секций, и от конца, причем из шести управляемых вентилей сформировано шестивентильное кольцо, вентили которого соединены одноименными электродами, остальные управляемые вентили соединены в две трехвентильные обратные друг другу звезды, общие точки соединения электродов вентилей которых образуют два разнополярных выхода устройства, к которым подключена нагрузка, при этом одноименные отводы двухсекционных обмоток подключены к диаметрально расположенным точкам соединения электродов вентилей кольца, причем отводы каждой из двухсекционных обмоток подключены к электродам вентилей кольца, имеющим одно наименование, и свободным электродам вентилей одной из трехвентильных звезд, имеющим другое наименование, а отвод от точек соединения секций в каждой из обмоток связан двумя вентилями кольца с разноименными ему отводами другой обмотки.
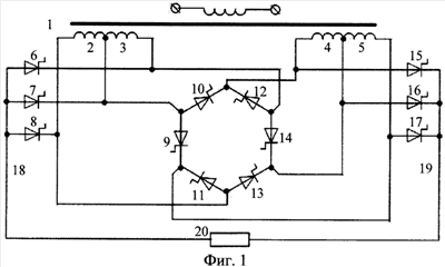
На Фиг.1 приведена схема предлагаемого преобразователя; на Фиг.2 приведены схемы реализации преобразователя при соотношениях чисел витков секций вторичных обмоток в порядке их последовательного расположения, равных 4:2:1:1, а также временные диаграммы выпрямленного напряжения для восьми поддиапазонов регулирования, поясняющие принцип работы преобразователя.
Преобразователь однофазного переменного напряжения в постоянное Фиг.1 содержит однофазный трансформатор 1, имеющий первичную обмотку и две вторичные секционированные обмотки, одна с секциями 2 и 3, вторая с секциями 4 и 5, вентильную часть, состоящую из вентилей 6-17, вентили 9-14 в которой образуют шестивентильное кольцо, а вентили 6-8 и вентили 15-17 образуют обратные друг другу трехвентильные звезды, общие точки соединения вентилей в которых образуют соответственно выходные выводы устройства – анодный 18 и катодный 19, к которым подключена нагрузка 20. Катоды вентилей 6, 7, 8 подключены, соответственно, к точкам соединения вентилей 12 и 14, 9 и 10, 11 и 13, а также, соответственно, к началу (концу) секции 3, точке соединения секций 2 и 3 и к концу (началу) секции 2 одной вторичной двухсекционной обмотки. Аноды вентилей 15, 16, 17 подключены, соответственно, к точкам соединения вентилей 10 и 12, 13 и 14, 9 и 11, а также, соответственно, к концу (началу) секции 4, точке соединения секций 4 и 5 и к началу (концу) секции 5 другой вторичной двухсекционной обмотки.
Устройство (Фиг.1) работает следующим образом. При равенстве чисел витков всех секций вторичных обмоток (1:1:1:1) число зон регулирования (поддиапазонов регулирования) равно только четырем. Поэтому принцип работы устройства в общем случае лучше объяснить при использовании разных соотношений напряжений (чисел витков) секций вторичных обмоток. Например, можно получить число зон плавного регулирования выпрямленного напряжения, равное восьми. Приняв соотношения между числами витков секций 4:2:1:1, рассмотрим работу преобразователя (Фиг.1) при данной его реализации по отдельным схемам, приведенным на Фиг.2.
Весь диапазон регулирования выпрямленного напряжения разделен на 8 поддиапазонов (зон), представленных схемами и временными диаграммами выпрямленного напряжения на Фиг.2 (а-з). Для примера рассмотрим третий поддиапазон (зона III), иллюстрируемый на Фиг.2,в. В третьем поддиапазоне при положительной полуволне питающего напряжения, полярность которого отмечена знаками + и – на секциях вторичных обмоток, сначала включаются вентили 7, 14 и 16 с углами =0°; при этом на нагрузке 20 формируется напряжение секции 3. Затем с углом 1>0° включается вентиль 17 и на нагрузке 20 формируется суммарное напряжение секций 3 и 5. Ток при этом протекает сначала по контуру: вывод 19 – нагрузка 20 – вывод 18 – вентиль 7 – секция 3 – вентиль 14 – вентиль 16 – вывод 19, а после включения с углом 1>0° вентиля 17 ток из вентиля 16 в силу естественной коммутации переходит в цепь из вентиля 17 и секции 5 вторичной обмотки трансформатора. Мгновенное значение выпрямленного напряжения на нагрузке 20 возрастает от 2/8 полного напряжения всех секций вторичных обмоток трансформатора до значения 3/8, как это показано на Фиг.2,в при 1=90°.
При отрицательной полуволне питающего напряжения, полярность которого отмечена знаками (+) и (-) на секциях обмоток трансформатора, сначала с углами =0° включаются вентили 6, 9 и 17, а затем с варьируемым углом 1>0° вентиль 16. Форма выпрямленного напряжения в этой полуволне будет такая же двухступенчатая, как и в предыдущей полуволне, показанной на Фиг.2,в для случая, когда 1=90°. С уменьшением угла 1 среднее значение выпрямленного напряжения плавно возрастает.
Аналогично, с помощью схем на Фиг.2, прослеживается работа преобразователя во всех остальных поддиапазонах (зонах) плавного регулирования. В соединительных линиях вентильной части и линиях от отводов обмоток, показанных на схемах Фиг.2, точечное изображение линии обозначает протекание тока в ней в положительную полуволну сетевого напряжения, пунктирное изображение – в отрицательную полуволну, а штрихпунктирное изображение соответствует использованию линии в обоих полупериодах. На приведенных схемах проставлена нумерация тех секций вторичных обмоток и вентилей, которые задействованы в данной зоне регулирования. Кривые выпрямленного напряжения получены на компьютерной модели. Вентильное кольцо выполняет распределительную функцию и дает возможность использовать другие варианты распределения импульсов управления. Вариант подачи импульсов управления на управляемые вентили, соответствующий изображениям на Фиг.2, приведен в таблице.
Из анализа работы предлагаемого преобразователя видно, что наиболее неблагоприятный момент при регулировании, когда форма выпрямленного напряжения соответствует форме напряжения классического (однозонного) двухпульсного управляемого выпрямителя, присутствует только в первом поддиапазоне (зона I), причем при небольших напряжениях.
| Таблица |
| Номер зоны |
Положительный полупериод |
Отрицательный полупериод |
=0° |
1 |
=0° |
1 |
| I |
7,10 |
16 |
8,13 |
15 |
| II |
7,10,16 |
17 |
6,9,17 |
16 |
| III |
7,14,16 |
17 |
6,9,17 |
16 |
| IV |
7,12,16 |
17 |
6,9,16 |
15 |
| V |
8,10,15 |
16 |
7,13,16 |
15 |
| VI |
8,10,16 |
17 |
7,11,16 |
15 |
| VII |
8,14,16 |
17 |
6,13,16 |
15 |
| VIII |
8,12,16 |
17 |
6,11,16 |
15 |
В ряде применений это позволяет отказаться от использования данного поддиапазона, существенно снижающего коэффициент мощности при использовании преобразователя для питания резкопеременных нагрузок. За счет большого числа поддиапазонов форма выпрямленного напряжения улучшается, а соответственно улучшается форма потребляемого тока и повышается коэффициент мощности. В прототипе при реализации шести или семи возможных поддиапазонов в ряде из них плавное регулирование отсутствует. В предлагаемом преобразователе плавное регулирование достигается во всех восьми поддиапазонах, причем только при согласном включении обмоток.
В прототипе в цепи тока нагрузки включены 6 вентилей, в предлагаемом устройстве только 3 вентиля, что снижает мощность потерь в вентильной части в два раза и приводит к повышению КПД.
Таким образом, предлагаемое изобретение: преобразователь однофазного переменного напряжения в постоянное, имеет более высокий КПД и коэффициент мощности.
Формула изобретения
Преобразователь однофазного переменного напряжения в постоянное, содержащий шесть управляемых вентилей и однофазный трансформатор с первичной обмоткой и тремя гальванически не связанными вторичными обмотками, имеющими одинаковые или разные числа витков, отличающийся тем, что он дополнительно снабжен шестью управляемыми вентилями, две вторичных обмотки соединены последовательно согласно, образуя двухсекционную обмотку с отводами от начала, от точки соединения секций и от конца данной обмотки, в третьей обмотке выполнена отпайка, разделяющая обмотку на две секции, и от данной двухсекционной обмотки выполнены отводы от начала, от отпайки, образующей точку соединения секций, и от конца, причем из шести управляемых вентилей сформировано шестивентильное кольцо, вентили которого соединены одноименными электродами, остальные управляемые вентили соединены в две трехвентильные обратные друг другу звезды, общие точки соединения электродов вентилей которых образуют два разнополярных выхода устройства, к которым подключена нагрузка, при этом одноименные отводы двухсекционных обмоток подключены к диаметрально расположенным точкам соединения электродов вентилей кольца, причем отводы каждой из двухсекционных обмоток подключены к электродам вентилей кольца, имеющим одно наименование, и свободным электродам вентилей одной из трехвентильных звезд, имеющим другое наименование, а отвод от точек соединения секций в каждой из обмоток связан двумя вентилями кольца с разноименными ему отводами другой обмотки.
РИСУНКИ
|
|