|
|
(21), (22) Заявка: 2008103795/09, 29.06.2006
(24) Дата начала отсчета срока действия патента:
29.06.2006
(30) Конвенционный приоритет:
01.07.2005 FI 20055377
(43) Дата публикации заявки: 10.08.2009
(46) Опубликовано: 27.07.2010
(56) Список документов, цитированных в отчете о поиске:
US 4860156 А, 22.08.1989. SU 279789 А, 30.03.1985. US 4703385 А, 27.10.1987.
(85) Дата перевода заявки PCT на национальную фазу:
01.02.2008
(86) Заявка PCT:
FI 2006/050296 20060629
(87) Публикация PCT:
WO 2007/003706 20070111
Адрес для переписки:
103735, Москва, ул.Ильинка, 5/2, ООО “Союзпатент”, пат.пов. Ю.Б.Перегудовой, рег. 1103
|
(72) Автор(ы):
ХАЛЛСТРЁМ Яри (FI), КЯНСЯЛА Тармо (FI), ХОЛМ Хейкки (FI)
(73) Патентообладатель(и):
НОКИАН КАПАСИТОРС ОЙ (FI)
|
(54) СПОСОБ И УСТРОЙСТВО ЗАПУСКА ПОСЛЕДОВАТЕЛЬНОГО ИСКРОВОГО РАЗРЯДНИКА
(57) Реферат:
Последовательный искровой разрядник запускается за счет того, что параллельно с частичными искровыми разрядниками (1, 2) последовательного искрового разрядника соединяется первое средство распределения напряжения, причем, по меньшей мере, в одном частичном искровом разряднике (1, 2) помещается дополнительный электрод (10), напряжение которого устанавливается на заданном уровне посредством второго средства распределения напряжения, емкость которого ниже, чем емкость первого средства распределения напряжения, так что напряжение, приложенное к первому средству распределения напряжения, значительно не изменяется. Уровень напряжения дополнительного электрода изменяется за счет смещения распределения напряжения второго средства распределения напряжения. Технический результат – осуществление зажигания частичных разрядников напряжением, которое значительно ниже, чем напряжение автоматического зажигания, 2 н. и 10 з.п. ф-лы, 4 ил.
Область техники, к которой относится изобретения
Изобретение относится к способу запуска последовательного искрового разрядника, в котором соединены последовательно, по меньшей мере, два частичных искровых разрядника, а напряжение питания распределяется по частичным разрядникам с помощью первого распределителя напряжения.
Также изобретение относится к устройству запуска последовательного искрового разрядника, причем последовательный исковой разрядник содержит, по меньшей мере, два соединенных последовательно разрядника, а устройство содержит первый распределитель напряжения для распределения напряжения питания по частичным искровым разрядникам.
Уровень техники
При соединении с высоковольтными линиями применяются, например, соединенные последовательно батареи конденсаторов для компенсации индуктивности линии. Параллельно с батареей конденсаторов в целях ее защиты обычно подключается металлооксидный варистор и/или искровой разрядник. Вольтамперная характеристика металлооксидного варистора является в высокой степени нелинейной, и по мере возрастания тока батареи металлооксидный варистор ограничивает напряжение конденсатора. Обычно предельное напряжение Ulim составляет 2,3 рu=2,3 UN, т.е. в 2,3 раза больше номинального напряжения конденсатора (в конкретном случае может быть выбрано какое-либо другое напряжение). Это напряжение прикладывается к конденсатору при максимальном токе короткого замыкания линии. При коротком замыкании на линии металлооксидный варистор защищает конденсатор путем ограничения его напряжения до величины 2,3 рu. Таким образом, часть тока на линии проходит через металлооксидный варистор, который нагревается. Параллельно конденсатору и металлоксидному варистору включается так называемый разрядник с форсированным запуском, который зажигается, если варистор чрезмерно нагревается. Если короткое замыкание возникает в той самой линии, где расположена последовательность конденсаторов, то всегда происходит форсированный запуск разрядника. Обычное минимальное напряжение, при котором успешно происходит форсированный запуск разрядника, составляет около 2 рu при использовании традиционной технологии.
При коротком замыкании на линии прерыватели короткого замыкания линии отключают ток. Если ток короткого замыкания линии низкий, напряжение варистора не поднимается до величины 2 pu или более. В этом случае форсированный запуск разрядника не будет эффективным. В случае, когда батарея конденсаторов не блокирована разрядником до размыкания прерывателей на линии, восстанавливающееся (после короткого замыкания) напряжение ВН на прерывателях линии растет. Следовательно, для осуществления форсированного запуска разрядника необходимо обеспечить низкий ток линии и напряжение конденсатора ниже 2 pu. Эмпирически устанавливается это значение, равным 1,7-1,8 pu.
В документе SE 8205236 раскрыто устройство форсированного запуска разрядника. В устройстве применяется специальный импульсный трансформатор, который вырабатывает импульс высокого напряжения, запускающий разрядник. С помощью импульса высокого напряжения запускается один из вспомогательных разрядников, включенных параллельно с основным разрядником, в результате чего эти вспомогательные разрядники будут запускаться в итоге при запуске основных разрядников. Однако для форсированного запуска необходимо синхронизировать запускающий импульс с напряжением разрядника. Для синхронизации и генерации энергии, необходимой для формирования импульса высокого напряжения и его подачи на импульсный трансформатор, требуются соответствующие средства. Эти средства усложняют конструкцию прибора форсированного запуска, увеличивают его стоимость и подверженность к выходу из строя и, следовательно, в общем понижают его надежность
Документ FI 80812 раскрывает устройство форсированного запуска разрядника напряжением ниже, чем напряжение автоматического зажигания. Искровой разрядник разделен, по меньшей мере, на два частичных, последовательно соединенных разрядника. Параллельно каждому частичному разряднику подключаются конденсаторы для обеспечения взаимного распределения напряжения частичных разрядников. Последовательно с конденсаторами монтируется элемент, управляющий выбором режима с низким импедансом или высоким импедансом. При переключении на режим с высоким импедансом указанный элемент изменяет взаимное распределение напряжения искровых разрядников таким образом, что включается разрядник в параллели с ним. Элементом, выбирающим режим высокого импеданса или низкого импеданса, является, например, трансформатор. Эффективность работы такого элемента оставляет во многом желать лучшего. Более того, устройство не обладает достаточным быстродействием.
Кроме того, известно устройство запуска последовательного искрового разрядника, изображенное на Фиг.1. В техническом решении, изображенном на Фиг.1, основной разрядник состоит из двух частичных последовательно соединенных разрядников, т.е. из первого частичного разрядника 1 и второго частичного разрядника 2. Параллельно первому частичному разряднику 1 подключены конденсаторы Са и Сb. Параллельно второму частичному разряднику 2 подключается конденсатор Сс. Эти конденсаторы Са, Сb и Сс работают так, что в нормальном состоянии они распределяют напряжение таким образом, что к обоим разрядникам 1 и 2 прикладывается одинаковое напряжение. Параллельно конденсатору Сс подсоединяется первый вспомогательный разрядник 3. Последовательно с первым вспомогательным разрядником 3 соединяется первый токоограничительный резистор R1. Параллельно с конденсатором Сb соединяется второй вспомогательный разрядник 4, а последовательно с ним соединяется второй токоограничительный резистор R2. Вспомогательные разрядники 3 и 4 являются газонаполненными разрядниками, т.е. тригатронами. Они герметично закрыты и поэтому их напряжение автоматического зажигания – величина в принципе постоянная. Однако присутствует незначительный разброс значений их напряжения зажигания и поэтому с точки зрения надежности величина их напряжения автоматического зажигания устанавливается приблизительно на 10% выше, чем максимальное приложенное к ним напряжение, которое составляет 2,3 pu/4=0,575. В приведенном примере, таким образом, устанавливается величина 1,1×2,3/4=0,633 pu. Порядок запуска последовательно соединенных разрядников следующий. Запускающий импульс подается на первый вспомогательный разрядник. Это вызывает зажигание в первом разряднике, и в результате конденсатор Са разряжается через токоограничительный резистор R1. После этого напряжение распределяется таким образом, что одна треть напряжения, приложенного к целому устройству, прикладывается к конденсатору Сb и, следовательно, ко второму вспомогательному разряднику 4.
Величина напряжения автоматического зажигания второго вспомогательного разрядника устанавливается как 1,1×2,3/4=0,633 pu. Это напряжение снимается с указанного второго вспомогательного разрядника, если напряжение, приложенное к полному разряднику, составляет 3×0,633 pu=1,9 pu. С точки зрения устойчивости вспомогательного разрядника требуемое напряжение на полном разряднике составляет 2 pu.
Последовательно с токоограничительным резистором R1 подключается трансформатор 5, который подает импульс запуска на второй вспомогательный разрядник 4. Импульс запуска ускоряет зажигание, но необязательно уменьшает напряжение зажигания, так как импульс запуска имеет очень малую длительность. Когда зажигается второй вспомогательный разрядник 4, конденсатор Сb разряжается через резистор R2. Это приводит к тому, что полное напряжение прикладывается ко второму частичному разряднику, который также зажжется. После этого первый частичный разрядник также будет зажигаться.
Напряжение автоматического зажигания вспомогательных разрядников 3 и 4 не может быть установлено чрезмерно низким, таким, что они не включатся сами без форсированного запуска. Как выше описано, полностью разрядник будет зажигаться при напряжении 2,0 pu, если предельное напряжение варистора составляет 2,3 pu. Однако во всех случаях величина 2,0 pu не является достаточно низкой. Также устройство является довольно сложным и соответственно дорогостоящим.
Раскрытие изобретения
Цель настоящего изобретения – создание способа и устройства нового типа для запуска последовательного искрового разрядника.
Способ в соответствии с изобретением характеризуется тем, что между основными электродами, по меньшей мере, одного частичного разрядника помещается дополнительный электрод; устанавливается напряжение дополнительного электрода на заданный уровень с помощью второго распределителя напряжения; выбирается емкость второго распределителя напряжения ниже, чем емкость первого распределителя напряжения; и запускается последовательный искровой разрядник путем смещения распределения напряжения второго распределителя напряжения. В соответствии с этим в искровом промежутке между основным электродом отдельного разрядника и дополнительным электродом возникнет разряд и, соответственно, напряжение, обусловленное первым распределителем напряжения, будет приложено к искровому промежутку, который находится между дополнительным электродом и вторым основным электродом частичного разрядника и в котором также возникнет разряд, что далее приведет к такому факту, что напряжение питания приложено только ко второму частичному разряднику и, следовательно, на нем также происходит искровое перекрытие.
Устройство в соответствии с изобретением характеризуется тем, что содержит дополнительный электрод, помещенный, по меньшей мере, в одном частичном разряднике между его основными электродами, второй распределитель напряжения для установки напряжения дополнительного электрода на заданный уровень, при этом емкость второго распределителя напряжения меньше, чем емкость первого распределителя напряжения, а также средства для смещения распределения напряжения второго распределителя напряжения.
Основная идея изобретения заключается в том, что устройство содержит, по меньшей мере, два частичных разрядника, соединенных последовательно. Параллельно с частичными разрядниками соединяется первый распределитель напряжения. По меньшей мере, в одном частичном разряднике помещается дополнительный электрод, напряжение которого устанавливается на заданный уровень с помощью второго распределителя напряжения. Уровень напряжения дополнительного электрода изменяется за счет смещения распределения напряжения второго распределителя напряжения. Таким образом, в искровом промежутке между электродом частичного разрядника и дополнительным электродом возникает разряд. Емкость второго распределителя напряжения несомненно меньше, чем емкость первого распределителя напряжения и, следовательно, напряжение, приложенное к первому распределителю напряжения, не будет существенно изменяться. В результате напряжение, обусловленное первым распределителем напряжения, прикладывается только к искровому промежутку, который находится между вторым дополнительным электродом и электродом частичного разрядника и который также будет зажигаться. Это приводит к тому, что напряжение питания полностью прикладывается ко второму частичному разряднику, следовательно, в нем также происходит искровое перекрытие. Раскрытое техническое решение позволяет осуществить зажигание частичных разрядников напряжением, которое значительно ниже, чем напряжение автоматического зажигания. Следовательно, с помощью разрядника возможно предохранять другие компоненты очень эффективно и надежно. Основная идея одного варианта реализации изобретения заключается в том, что распределение напряжения распределителя напряжения смещается за счет закорачивания промежутка между выводами одного распределителя напряжения во втором распределителе напряжения, например, с помощью газового разрядника, т.е. тригатрона. Основная идея второго варианта реализации изобретения заключается в том, что распределение напряжения остальных смещается подачей импульса тока посредством импульсного трансформатора. Это приводит к изменению напряжения дополнительного электрода и далее к искровому перекрытию.
Краткое описание чертежей
В дальнейшем изобретение будет описано более подробно со ссылкой на приложенные чертежи, на которых:
Фиг.1 представляет прототип устройства запуска разрядника;
Фиг.2 представляет схему запуска последовательного разрядника в соответствии с одним вариантом реализации изобретения;
Фиг.3 представляет схему запуска последовательного разрядника в соответствии со вторым вариантом реализации изобретения;
Фиг.4 представляет схему запуска последовательного разрядника в соответствии с третьим вариантом реализации изобретения.
Ради большей ясности изобретение представлено на фигурах в упрощенном виде. Одинаковые ссылочные цифровые обозначения относятся к одним и тем же компонентам на фигурах.
Осуществление изобретения
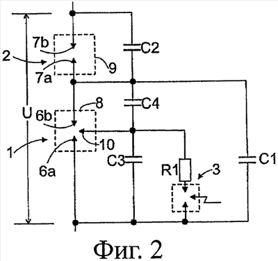
На Фиг.2 показана схема, на которой основной искровой разрядник разделен на два частичных разрядника, соединенных последовательно, т.е. на первый частичный разрядник 1 и второй частичный разрядник 2. Параллельно с первым частичным разрядником соединяется конденсатор С1. Параллельно со вторым частичным разрядником соединяется конденсатор С2. В этом примере эти, так называемые, первые конденсаторы С1 и С2 монтируются таким образом, что они одинаковым образом распределяют напряжение на каждом из частичных разрядников 1 и 2.
В первом частичном разряднике 1 находятся основные электроды 6а и 6b, общеизвестные по существу. Соответственно, во втором частичном разряднике 2 находятся основные электроды 7а и 7b. Кроме того, первый частичный разрядник 1 помещен в корпус 8. Второй частичный разрядник 2 также помещен в корпус 9 известным по сути способом.
В первом частичном разряднике 1 кроме основных электродов 6а и 6b находится дополнительный электрод 10. Расстояние между основным электродом 6а и дополнительным электродом 10 меньше, чем расстояние между основными электродами 6а и 6b. Предпочтительно, чтобы дополнительный электрод 10 был расположен таким образом, что его расстояние от основных электродов 6а и 6b было равно половине или меньше расстояния между основными электродами 6а и 6b. Устройство также содержит вторые конденсаторы С3 и С4, с помощью которых напряжение дополнительного электрода 10 устанавливается на заданный уровень в нормальном положении. Конфигурация, образованная основными электродами 6а и 6b и дополнительным электродом 10, может быть симметричной, и, соответственно, емкости вторых конденсаторов С3 и С4 равны. Вторые конденсаторы С3 и С4 поддерживают напряжение дополнительного электрода 10 посередине между напряжениями основных электродов 6а и 6b таким образом, что напряженность электрического поля между основным электродом 6а и дополнительным электродом 10 равна напряженности электрического поля между основным электродом 6b и дополнительным электродом 10. Если конфигурация несимметрична, т.е. указанные промежутки не равны, величины емкостей С3 и С4 рассчитываются таким образом, чтобы напряженность электрического поля была одинаковой в обоих промежутках.
Обычно расстояния между первым частичным разрядником 1 и вторым частичным разрядником устанавливаются так, что напряженности электрического поля равны. Первые емкости С3 и С4 обычно равны по величине, следовательно, в нормальном состоянии напряжение распределяется поровну между частичными разрядниками 1 и 2. Даже в том случае, если частичные разрядники 1 и 2 сформированы по-разному, емкости конденсаторов С1 и С2 рассчитываются так, что напряженности электрического поля в каждом частичном разряднике 1 и 2 равны.
Искровые разрядники выполнены так, чтобы выдерживать нормальное рабочее напряжение. Обычно разрядники так разработаны, что автоматическое зажигание частичных разрядников 1 и 2 происходит, например, при напряжении 75% от напряжения питания Ulim, до которого металлооксидный варистор ограничивает напряжение. Обычно это напряжение составляет Ulim=2,3×UN, где UN – номинальное напряжение.
Последовательный искровой разрядник, показанный на Фиг.2, позволяет осуществить форсированный запуск напряжением ниже, чем вышеупомянутое напряжение автоматического зажигания, так что распределение напряжения, обеспечиваемое вторыми емкостями С3 и С4, т.е. уровень напряжения дополнительного электрода 10, смещено в достаточной степени. В случае, представленном на Фиг.2, распределение напряжения смещается с помощью вспомогательного разрядника 3. Вспомогательным разрядником 3 служит газовый разрядник, т.е. тригатрон. Посредством вспомогательного разрядника 3 искровой промежуток между основным электродом 6а и дополнительным электродом 10 и конденсатор С3 в параллели с ним получаются короткозамкнутыми. Например, для запуска вспомогательного разрядника 3 общеизвестным способом можно использовать катушку зажигания или полупроводниковый ключ. Токоограничительный резистор R1, который соединен последовательно со вспомогательным разрядником 3, ограничивает ток, протекающий через вспомогательный разрядник 3.
Когда вспомогательный разрядник запущен, конденсатор С3 будет разряжаться. Далее уровень напряжения дополнительного электрода 10 падает, и часть напряжения питания U, определяемого емкостью С1, прикладывается к дополнительному электроду 10 и основному электроду 6b. В случае симметричной конфигурации указанное напряжение составляет половину напряжения питания U. Следовательно, между основным электродом 6b и дополнительным электродом 10 происходит искровое перекрытие. Конденсатор С4, параллельный указанному разряднику, затем разряжается. Емкости конденсаторов С3 и С4 значительно ниже, чем емкость конденсатора С1. Поэтому напряжение, приложенное к конденсатору С1, существенно не уменьшается. Указанное напряжение теперь прикладывается к промежутку между дополнительным электродом 10 и основным электродом 6а, следовательно, в указанном искровом промежутке также происходит искровое перекрытие. Это, в свою очередь, приведет к тому, что напряжение источника U будет приложено почти полностью ко второму разряднику 2, следовательно, в нем также возникнет искровое перекрытие.
Таким образом, работа устройства требует, чтобы емкость соединенных последовательно конденсаторов С3 и С4 была ниже емкости конденсатора С1. Предпочтительно, чтобы емкость конденсатора С1 была более, чем в два раза выше емкости последовательно соединенных конденсаторов С3 и С4. В соответствии с предпочтительным вариантом реализации изобретения емкость конденсатора С1 должна быть более, чем в пять раз выше емкости последовательно соединенных конденсаторов С3 и С4. Особенно предпочтительно, чтобы емкость конденсатора С1 была более, чем в десять раз выше емкости соединенных последовательно конденсаторов С3 и С4.
Следует отметить, что в числовом выражении номинальное значение UN напряжения питания U может составлять, например, порядка 40 кВ. Емкость конденсаторов С1 и С2 может иметь величину 1,5 нФ, а емкость конденсаторов С3 и С4 может тогда быть ниже 1 нФ, например. Расстояние между основными электродами 6а и 6b и расстояние между основными электродами 7а и 7b может быть порядка от 15 до 20 мм.
Распределение напряжения конденсаторов С3 и С4 может также смещаться без вспомогательного разрядника 3. Один из таких вариантов представлен на Фиг.3. Схема на Фиг.3 в основном совпадает со схемой, изображенной на Фиг.2, но вместо вспомогательного разрядника 3 применяется импульсный трансформатор 11, например, трансформатор тесла, для смещения распределения напряжения. Импульсный трансформатор 11 соединен последовательно с конденсатором С3. Импульс запуска подается на первичную обмотку импульсного трансформатора 11. Для формирования импульса запуска для первичной обмотки трансформатора можно применять, например, катушку зажигания или полупроводниковый ключ известным по существу способом. Когда импульс запуска подается на импульсный трансформатор, то он вырабатывает высоковольтный импульс, напряжение которого распределяется по конденсаторам С3 и С4. Поскольку параллельно с этими конденсаторами С3 и С4 находится конденсатор С1 со значительно большей емкостью, то напряжение между электродами 6а и 6b не будет при этом существенно изменяться. Смещение распределения напряжения, вызванное импульсным трансформатором 11, приводит к возникновению разряда либо в межэлектродном промежутке 6а – 10, либо 6b – 10 в зависимости от полярности мгновенных значений импульса и переменного напряжения. Конденсатор С3 или С4 в параллели с межэлектродным промежутком, который перекрывается искрой, будет разряжаться. Таким образом, поскольку емкость последовательно соединенных конденсаторов С3 и С4 ниже, чем емкость конденсатора С1, напряжение, приложенное к конденсатору С1, в основном не уменьшается. Указанное напряжение, таким образом, прикладывается к искровому промежутку между дополнительным электродом 10 и основным электродом 6а или 6b, в котором также возникнет искровое перекрытие. Далее, как описывалось при рассмотрении Фиг.2, затем искровое перекрытие произойдет между основными электродами 7а и 7b частичного разрядника 2.
Уровень напряжения дополнительного электрода 10 также можно изменить за счет подсоединения импульсного трансформатора 11 между средней точкой конденсаторов и дополнительным электродом 10, как показано на Фиг.4. Преимуществом такого соединения является малое изменение напряжения конденсаторов С3 и С4. Первичная обмотка импульсного трансформатора 11 может быть относительно земли или может быть соединена со средней точкой конденсаторов, как на Фиг.4. Во втором случае энергия, требуемая для приведения в действие первичной обмотки, может генерироваться с помощью вспомогательных конденсаторов С5 и С6, диода D1 и ключа К1 согласно Фиг.4.
Напряжение автоматического зажигания разрядника зависит от внешних условий, таких как температура и влажность воздуха. Поэтому на практике напряжение автоматического зажигания не может устанавливаться таким низким, как по теории. Напряжение автоматического зажигания разрядника должно быть выше, чем напряжение, ограниченное металлооксидным варистором. Обычно это напряжение, т.е. Ulim составляет 2,3×номинальное напряжение UN. Также можно использовать обозначение 2,3 pu (“per unit” – на единицу). Теоретически напряжение автоматического зажигания одного частичного разрядника 1 или 2 должно быть больше, чем 0,5×2,3 pu. Однако, чтобы предотвратить возникновение автоматического зажигания при чрезвычайно низком напряжении, обнаружено, что автоматическое зажигание частичных разрядников 1 и 2, возникающее при значении 0,75×Ulim, должно обеспечить хороший коэффициент надежности/безопасности. В представленном техническом решении величина нижнего предела для форсированного запуска, т.е. успешного форсированного запуска, определяется напряжениями автоматического зажигания частичных разрядников 1 и 2. Также следует учитывать температуру и давление воздуха. Если напряжения автоматического зажигания частичных разрядников установлены на значении 0,75×Ulim, то форсированный запуск последовательного разрядника будет выполнен при напряжении 1,73 pu, если Ulim составляет 2,3 pu.
В некоторых случаях элементы, описанные в настоящем документе, могут применяться сами по себе, независимо от других элементов. С другой стороны, элементы, описанные в настоящем документе, могут быть объединены с целью получения различных комбинаций.
Чертежи и относящееся к ним описание предназначены только для иллюстрации идеи изобретения. Частности изобретения могут варьироваться в пределах объема формулы изобретения. Значит, последовательный разрядник может содержать два частичных разрядника, соединенных последовательно, как показано в прилагаемых фигурах, или большое количество разрядников, соединенных последовательно. Вместо конденсаторов в качестве распределителя напряжения могут быть, например, резисторы или другие соответствующие устройства для распределения напряжения. Все же предпочтительно в качестве распределителей напряжения использовать конденсаторы, поскольку их конструкция относительно проста и, кроме того, при переключении можно использовать их свойство накапливать энергию. Естественно, один конденсатор можно заменить несколькими конденсаторами, соединенными параллельно или последовательно соответствующим образом.
Формула изобретения
1. Способ запуска последовательного искрового разрядника, в котором соединены последовательно, по меньшей мере, два частичных искровых разрядника (1, 2) и напряжение питания (U) распределено по частичным искровым разрядникам (1, 2) посредством первых конденсаторов (C1, С2), характеризующийся тем, что между основными электродами (6а, 6b), по меньшей мере, одного частичного разрядника (1) помещают дополнительный электрод (10); устанавливают напряжение дополнительного электрода (10) на заданный уровень с помощью вторых конденсаторов (С3, С4); выбирают емкость вторых конденсаторов (С3, С4) ниже, чем емкость первых конденсаторов (C1, С2); и запускают последовательный искровой разрядник путем смещения распределения напряжения вторых конденсаторов (С3, С4), в соответствии с чем будет зажигаться искровой промежуток между основным электродом (6а, 6b) частичного разрядника (1) и дополнительным электродом (10), и напряжение, обусловленное первыми конденсаторами (C1, С2), прикладывается к искровому промежутку, который находится между дополнительным электродом (10) и вторым основным электродом (6а, 6b) частичного разрядника (1) и который также зажжется, что далее приводит к тому, что напряжение (U) питания прикладывается только ко второму частичному разряднику (2) и, следовательно, на нем также возникает искровое перекрытие.
2. Способ по п.1, характеризующийся тем, что смещение распределения напряжения осуществляется путем короткого замыкания искрового промежутка между дополнительным электродом (10) и основным электродом (6а 6b).
3. Способ по п.2, характеризующийся тем, что короткое замыкание осуществляется посредством тригатрона (3).
4. Способ по п.1, характеризующийся тем, что смещение распределения напряжения осуществляется посредством импульсного трансформатора (11).
5. Способ по любому из пп.1-4, характеризующийся тем, что емкость первых конденсаторов (C1, С2) более чем в два раза выше, чем емкость соединенных последовательно вторых конденсаторов (С3, С4).
6. Способ по любому из пп.1-4, характеризующийся тем, что емкость первых конденсаторов (C1, С2) более чем в пять раз выше, чем емкость соединенных последовательно вторых конденсаторов (С3, С4).
7. Устройство для запуска последовательного искрового разрядника, причем искровой разрядник содержит, по меньшей мере, два последовательно соединенных частичных разрядника (1, 2), а устройство содержит первые конденсаторы (C1, С2) для распределения напряжения (U) питания по частичным разрядникам (1, 2), характеризующееся тем, что содержит дополнительный электрод (10), установленный, по меньшей мере, в одном частичном разряднике (1) между его основными электродами (6а, 6b), вторые конденсаторы (С3, С4) для установки напряжения дополнительного электрода (10) на заданный уровень и средство для смещения распределения напряжения вторых конденсаторов (С3, С4), причем емкость вторых конденсаторов (С3, С4) ниже, чем емкость первых конденсаторов (C1, С2).
8. Устройство по п.7, характеризующееся тем, что содержит средство для осуществления короткого замыкания искрового промежутка между дополнительным электродом (10) и основным электродом (6а, 6b).
9. Устройство по п.8, характеризующееся тем, что средством для осуществления короткого замыкания искрового промежутка между дополнительным электродом (10) и основным электродом (6а, 6b) является тригатрон (3).
10. Устройство по п.7, характеризующееся тем, что содержит импульсный трансформатор (11) для подачи импульса тока с целью осуществления смещения распределения напряжения второго средства распределения напряжения.
11. Устройство по любому из пп.7-10, характеризующееся тем, что емкость первых конденсаторов (C1, С2) более чем в два раза выше, чем емкость соединенных последовательно вторых конденсаторов (С3, С4).
12. Устройство по любому из пп.7-10, характеризующееся тем, что емкость первых конденсаторов (C1, С2) более чем в пять раз выше, чем емкость соединенных последовательно вторых конденсаторов (С3, С4).
РИСУНКИ
|
|