|
|
(21), (22) Заявка: 2009131169/28, 18.08.2009
(24) Дата начала отсчета срока действия патента:
18.08.2009
(46) Опубликовано: 27.07.2010
(56) Список документов, цитированных в отчете о поиске:
ITER Final Design Report (2001), Design Description Document DDD4.1, “Pulsed Power Supplies”, p.32, 33. RU 2151438 C1, 20.06.2000. SU 854198 A1, 15.04.1982. WO 9613964 A1, 09.05.1996.
Адрес для переписки:
123182, Москва, пл. Академика Курчатова, 1, РНЦ “Курчатовский институт” зам. директора-руководителю исполнительной дирекции В.Ю. Иньковой
|
(72) Автор(ы):
Барсуков Александр Григорьевич (RU), Карасев Денис Андреевич (RU), Панасенков Александр Александрович (RU), Тилинин Геннадий Никифорович (RU), Ухов Валерий Петрович (RU)
(73) Патентообладатель(и):
Федеральное государственное учреждение Российский научный центр “Курчатовский институт” (RU)
|
(54) УСТРОЙСТВО ДЛЯ ЭЛЕКТРОПИТАНИЯ НАКАЛА КАТОДОВ ГАЗОРАЗРЯДНОЙ КАМЕРЫ СТАЦИОНАРНОГО ИОННОГО ИСТОЧНИКА И СПОСОБ ЕГО РАБОТЫ
(57) Реферат:
Изобретение относится к инжекционной технике, применяемой для создания мощных ионных пучков. Устройство состоит из газоразрядной камеры с анодом и тремя группами катодов, источника трехфазного сетевого напряжения, соединенного с блоком питания накала, состоящего из устройства управления напряжением накала и понижающего трансформатора накала, блока питания разряда с тремя коммутирующими диодами, три группы катодов соединены треугольником и подключены к выходным обмоткам трансформатора накала, отрицательный выход блока питания разряда соединен со средними точками выходных обмоток трансформатора накала через три коммутирующих диода, а положительный – с анодом газоразрядной камеры, блок питания накала дополнительно содержит регулируемый выпрямитель и инвертор, три выхода которого соединены с первичными обмотками трех понижающих трансформаторов накала, а управляющие входы регулируемого выпрямителя и инвертора соединены с выходами устройства управления напряжением накала, силовые входы регулируемого выпрямителя соединены с источником трехфазного сетевого напряжения. Способ работы устройства заключается в том, что в блоке питания накала преобразуют трехфазное сетевое напряжение в постоянное с изменяемой от минимума до максимума величиной напряжения с помощью регулируемого выпрямителя с устройством управления напряжением накала, а текущие значения постоянного напряжения преобразуют в инверторе с устройством управления напряжением накала в три сдвинутых по фазе на 120° переменных напряжения формы меандра, которые подают на первичные обмотки трех понижающих трансформаторов накала. Технический результат – снижение вероятности высоковольтных пробоев в ионно-оптической системе ионного источника, улучшение фокусировки генерируемого ионного пучка при сохранении высокого ресурса работы катодов. 2 н.п. ф-лы, 3 ил.
Изобретение относится к инжекционной технике, применяемой для создания мощных ионных пучков, и предназначено для уменьшения пульсаций концентрации плазмы в газоразрядной камере ионного источника и, как следствие, для снижения вероятности высоковольтных пробоев в ионно-оптической системе ионного источника и улучшения фокусировки генерируемого ионного пучка.
В сильноточных источниках ионов, применяемых в инжекторах нейтральных атомов для нагрева плазмы в термоядерных установках (токамаки, стеллараторы и различные ловушки), чаще всего в качестве генератора ионов применяется газоразрядная камера, имеющая периферийное магнитное поле и служащая анодом разряда, при этом в качестве катода используются группы прямонакальных вольфрамовых катодов, имеющих форму шпилек (NEUTRAL BEAM HEATING SYSTEM, Plasma Devices and Operations, 1992, vol.1 pp.277-288).
До недавних пор, пока длительность работы ионного источника исчислялась секундами, прогрев вольфрамовых катодов до температуры эмиссии ( 3000 К) осуществлялся постоянным током. Ресурс таких катодов составляет около часа суммарной работы. После длительной работы катоды необходимо менять. Причина в том, что ток накала катодов и разрядный ток в одной половине каждой катодной шпильки складываются, а в другой – вычитаются. Это приводит к неэффективному использованию эмиссионной площади катодов, а главное – к их преждевременному выходу из строя. Следует указать, что суммарная величина тока накала всех катодов и величина тока разряда составляют, как правило, тысячи ампер.
Переход к стационарно работающим ионным источникам требует увеличения ресурса катодов до многих десятков и сотен часов. Поэтому вместо накала катодов постоянным током оказалось целесообразно применить трехфазный переменный ток, разбив вольфрамовые катоды на три параллельные группы, соединенные, в свою очередь, треугольником. При этом минусовой подвод разрядного тока подключается к объединенным с помощью трех коммутирующих диодов средним точкам вторичных обмоток трехфазного понижающего трансформатора накала. Диоды необходимы для пропускания разрядного тока только в одну сторону. Анодом газового разряда, как правило, служит корпус газоразрядной камеры. Применение переменного тока обеспечивает одинаковый уровень нагрева обеих половинок катодных шпилек и значительно увеличивает их ресурс.
Известны устройство для электропитания накала катодов газоразрядной камеры стационарного ионного источника и способ его работы (ITER Final Design Report (2001), Design Description Document DDD4.1, “Pulsed Power Supplies”, p.32-33). Устройство состоит из газоразрядной камеры с анодом и тремя группами катодов, источника трехфазного сетевого напряжения, блока питания накала с устройством управления напряжением накала и трехфазным понижающим трансформатором накала, блока питания разряда, три группы катодов соединены треугольником и подключены к трем вторичным обмоткам понижающего трансформатора накала, отрицательный выход блока питания разряда соединен со средними точками вторичных обмоток трансформатора накала через три коммутирующих диода, а положительный – с анодом газоразрядной камеры.
Способ работы этого устройства заключается в следующем. От источника трехфазного сетевого напряжения стандартное синусоидальное питающее напряжение подают на блок питания накала, где его с помощью устройства управления напряжением накала и трехфазного понижающего трансформатора накала понижают до уровня примерно 8-10 В; с блока питания накала пониженное напряжение подается на группы катодов, соединенные треугольником. Как указывалось выше, разряд в газоразрядной камере создается с помощью блока питания разряда, минусовой выход блока питания разряда подключается к объединенным с помощью трех коммутирующих диодов средним точкам вторичных обмоток трехфазного понижающего трансформатора накала. Диоды необходимы для пропускания разрядного тока только в одну сторону. Положительный выход блока питания разряда подключен к аноду газоразрядной камеры. Анодом, как правило, служит корпус газоразрядной камеры. При этом величина тока, питающего каждую из групп катодов, составляет примерно 1000 А. Недостатками этого решения являются повышенный уровень пульсаций концентрации плазмы в газоразрядной камере и, как следствие, повышение вероятности высоковольтных пробоев в ионно-оптической системе ионного источника и ухудшение фокусировки генерируемого ионного пучка, последнее имеет существенное значение для ввода пучков нейтральных атомов, получаемых из ионных пучков, в патрубки термоядерной установки.
Техническим результатом заявляемого изобретения является оптимизация параметров электропитания – напряжения и тока, подаваемых на катоды газоразрядной камеры стационарного ионного источника, что приводит к уменьшению пульсаций концентрации плазмы в газоразрядной камере и, как следствие, снижению вероятности высоковольтных пробоев в ионно-оптической системе ионного источника, улучшению фокусировки генерируемого ионного пучка при сохранении высокого ресурса работы катодов.
Для этого предложено устройство для электропитания накала катодов газоразрядной камеры стационарного ионного источника, состоящее из газоразрядной камеры с анодом и тремя группами катодов, источника трехфазного сетевого напряжения, соединенного с блоком питания накала, состоящего из устройства управления напряжением накала и понижающего трансформатора накала, блока питания разряда с тремя коммутирующими диодами, три группы катодов соединены треугольником и подключены к выходным обмоткам трансформатора накала, отрицательный выход блока питания разряда соединен со средними точками выходных обмоток трансформатора накала через три коммутирующих диода, а положительный – с анодом газоразрядной камеры, при этом блок питания накала дополнительно содержит регулируемый выпрямитель и инвертор, три выхода которого соединены с первичными обмотками трех понижающих трансформаторов накала, а управляющие входы регулируемого выпрямителя и инвертора соединены с выходами устройства управления напряжением накала, силовые входы регулируемого выпрямителя соединены с источником трехфазного сетевого напряжения.
Также предложен способ работы устройства для электропитания накала катодов газоразрядной камеры стационарного ионного источника, заключающийся в преобразовании трехфазного переменного напряжения, поступающего от источника трехфазного сетевого напряжения в блоке питания накала, и подаче напряжения на три группы катодов, создании разряда в газоразрядной камере с помощью блока питания разряда, при этом в блоке питания накала преобразуют трехфазное сетевое напряжение в постоянное с изменяемой от минимума до максимума величиной напряжения с помощью регулируемого выпрямителя с устройством управления напряжением накала, а текущие значения постоянного напряжения преобразуют в инверторе с устройством управления напряжением накала в три сдвинутых по фазе на 120° переменных напряжения формы меандра, которые подают на первичные обмотки трех понижающих трансформаторов накала.
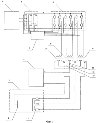
На фиг.1 дана принципиальная схема устройства, где
1 – газоразрядная камера (ГРК),
2 – анод ГРК,
3 – катод ГРК,
4 – блок питания разряда,
5 – устройство управления напряжением накала,
6 – источник трехфазного сетевого напряжения,
7 – регулируемый выпрямитель,
8 – инвертор,
9 – трансформатор накала,
10 – диод.
На фиг.2 показано трехфазное напряжение накала стандартной формы.
На фиг.3 показано трехфазное напряжение накала специальной формы – формы меандра, которое подается на группы катодов ГРК.
В любом способе работы устройства для электропитания накала катодов газоразрядной камеры стационарного ионного источника, чтобы не разрушить шпилечные катоды в момент старта, необходимо плавное повышение напряжения накала от малого значения до рабочего уровня (в течение не менее 5-10 с). Поэтому для питания накала катодов требуются регулируемые источники постоянного или переменного напряжения.
Выполненные в РНЦ эксперименты по стандартному трехфазному питанию накала катодов (фиг.2) неожиданно показали, что пульсации концентрации плазмы в такой газоразрядной камере существенно превышают уровень 5%, допустимый с точки зрения приемлемой фокусировки ионного пучка, вытягиваемого из газоразрядной камеры, и увеличивающий вероятность высоковольтных пробоев в ионно-оптической системе ионного источника. Работа такой газоразрядной камеры сопровождается пульсациями разрядного напряжения величиной около 20% при постоянном токе разряда. Пульсации разрядного напряжения коррелируют с переходом токов накала через малые значения в каждой из трех групп катодов. Корреляция токов накала в отдельных группах катодов с пульсациями концентрации плазмы в газоразрядной камере носит сложный характер, но частоты пульсаций (300 и 50 Гц) указывают на прямую связь с токами накала групп катодов. В качестве способа уменьшения пульсаций концентрации плазмы в газоразрядной камере предложено питать группы катодов переменным напряжением специальной формы: формы меандра (фиг.3). В этом случае сохраняются преимущества обоих указанных выше способов накала катодов – накал постоянным током имитируется относительно длительными плоскими вершинами меандра, периодически меняется направление тока накала в ножках шпилечных катодов, а время перехода токов накала через малые значения минимизировано по сравнению с синусоидальным питающим напряжением.
Известно, что токи накала катодов в сильноточных источниках ионов составляют тысячи ампер при напряжении примерно 8-10 вольт. Создать регулируемый источник тока выбранной формы – формы меандра с такими параметрами непосредственно является сложной задачей. Кроме того, для подключения к катодной сборке, питаемой трехфазным напряжением, минусового вывода разрядного напряжения необходимо образовать общую точку трех групп катодных шпилек. По этим двум существенным причинам предлагается разделить функции регулируемого источника трехфазного тока формы меандра, применив самостоятельные блоки, выполняющие различные требуемые задачи: регулирование напряжения накала, получение трехфазного тока накала формы меандра, доведение токов накала отдельных фаз до уровня порядка кА (при обеспечении необходимого способа подключения источника разрядного напряжения к катоду).
Для этого предложено соединить источник трехфазного сетевого напряжения 6 с регулируемым выпрямителем 7, который обеспечивает преобразование сетевого напряжения (величина, как правило, 220-380 В) в регулируемое от уровня менее 10% до 100% выпрямленного постоянного напряжения. Выходы устройства управления напряжением накала 5 соединены с регулируемым выпрямителем 7 и инвертором 8.
Второй блок – инвертор 8 превращает текущее значение постоянного напряжения в три сдвинутых по фазе на 120° переменных напряжения формы меандра. Уровень напряжений и фазных токов инвертора 8 лежит в легко достигаемом диапазоне сотен вольт и сотен ампер. Время переключения знака напряжения в каждой из трех фаз выбирается минимальным (которое возможно достичь с помощью существующих силовых коммутационных устройств, например, на IGBT) с целью снижения уровня пульсаций концентрации плазмы в газоразрядной камере 1 ионного источника.
Третий блок состоит из трех отдельных понижающих трансформаторов 9, питающих группы катодных шпилек. На вторичных обмотках трансформаторов напряжение составляет около 10 В, а токи достигают уровня единиц кА, обеспечивая необходимые параметры питания накала групп катодов 3. Вторичные обмотки понижающих трансформаторов имеют отводы от середин, которые соединяются между собой в одну общую точку через диоды 10. К этой общей точке подключается минусовой вывод блока питания разряда 4. Разрядный ток при этом будет протекать через вторичные обмотки понижающих трансформаторов попеременно через одну или другую половину этих обмоток, а следовательно, через одну или другую ножку соответствующей группы шпилечных катодов 3. Положительный вывод блока питания разряда 4 соединен с анодом 2 газоразрядной камеры 1.
Таким образом, данное изобретение позволит за счет оптимизации параметров электропитания – напряжения и тока, подаваемых на катоды газоразрядной камеры стационарного ионного источника, уменьшить пульсации концентрации плазмы в газоразрядной камере и, как следствие, снизить вероятность высоковольтных пробоев в ионно-оптической системе ионного источника, улучшить фокусировку генерируемого ионного пучка при сохранении высокого ресурса работы катодов.
Формула изобретения
1. Устройство для электропитания накала катодов газоразрядной камеры стационарного ионного источника, состоящее из газоразрядной камеры с анодом и тремя группами катодов, источника трехфазного сетевого напряжения, соединенного с блоком питания накала, состоящего из устройства управления напряжением накала и понижающего трансформатора накала, блока питания разряда с тремя коммутирующими диодами, три группы катодов соединены треугольником и подключены к выходным обмоткам трансформатора накала, отрицательный выход блока питания разряда соединен со средними точками выходных обмоток трансформатора накала через три коммутирующих диода, а положительный – с анодом газоразрядной камеры, отличающееся тем, что блок питания накала дополнительно содержит регулируемый выпрямитель и инвертор, три выхода которого соединены с первичными обмотками трех понижающих трансформаторов накала, а управляющие входы регулируемого выпрямителя и инвертора соединены с выходами устройства управления напряжением накала, силовые входы регулируемого выпрямителя соединены с источником трехфазного сетевого напряжения.
2. Способ работы устройства для электропитания накала катодов газоразрядной камеры стационарного ионного источника, заключающийся в преобразовании трехфазного переменного напряжения, поступающего от источника трехфазного сетевого напряжения в блоке питания накала и подаче напряжения на три группы катодов, создании разряда в газоразрядной камере с помощью блока питания разряда, отличающийся тем, что в блоке питания накала преобразуют трехфазное сетевое напряжение в постоянное с изменяемой от минимума до максимума величиной напряжения с помощью регулируемого выпрямителя с устройством управления напряжением накала, а текущие значения постоянного напряжения преобразуют в инверторе с устройством управления напряжением накала в три сдвинутых по фазе на 120° переменных напряжения формы меандра, которые подают на первичные обмотки трех понижающих трансформаторов накала.
РИСУНКИ
|
|