|
| На основании пункта 1 статьи 1366 части четвертой Гражданского кодекса Российской Федерации патентообладатель обязуется заключить договор об отчуждении патента на условиях, соответствующих установившейся практике, с любым гражданином Российской Федерации или российским юридическим лицом, кто первым изъявил такое желание и уведомил об этом патентообладателя и федеральный орган исполнительной власти по интеллектуальной собственности. |
|
(21), (22) Заявка: 2009123781/28, 22.06.2009
(24) Дата начала отсчета срока действия патента:
22.06.2009
(46) Опубликовано: 27.07.2010
(56) Список документов, цитированных в отчете о поиске:
RU 2348908 С1, 10.03.2009. RU 2116207 С1, 27.07.1998. ЕА 005196 В1, 30.12.2004. DE 102004019624 В3, 22.12.2005. DE 4439064 В4, 15.01.2004.
Адрес для переписки:
355044, г.Ставрополь, ул. Васильева, 19, кв.67, В.В. Ефанову
|
(72) Автор(ы):
Ефанов Василий Васильевич (RU), Мужичек Сергей Михайлович (RU)
(73) Патентообладатель(и):
Ефанов Василий Васильевич (RU), Мужичек Сергей Михайлович (RU)
|
(54) СПОСОБ ИНФОРМАЦИОННОГО ОБЕСПЕЧЕНИЯ ПРОЦЕССА ЗАГРУЗКИ ТРАНСПОРТНОГО СРЕДСТВА И ТРАНСПОРТНОЕ ВЕСОВОЕ УСТРОЙСТВО ДЛЯ ЕГО ОСУЩЕСТВЛЕНИЯ
(57) Реферат:
Изобретение относится к весоизмерительной технике и направлено на повышение информативности процесса загрузки транспортного средства. Этот технический результат обеспечивается за счет того, что задают четыре опорных значения массы груза в блоке анализа процесса загрузки транспортного средства, определяют динамику загрузки транспортного средства относительно первого и второго, второго и третьего опорных значений на основе сравнения текущих и заданных значений массы груза, определяют динамику изменений скорости загрузки груза на основе сравнения значений скоростей загрузки на заданных участках, осуществляют сигнализацию о временном интервале до полной загрузки груза относительно третьего заданного значения с учетом динамики изменения скорости загрузки груза, выдают информацию о полной загрузке транспортного средства в момент равенства текущего и четвертого опорного значений массы груза. 2 н.п. ф-лы, 2 ил.
Изобретение относится к весоизмерительной технике, в частности к способам и устройствам для взвешивания, комбинированным с транспортным средством, и может быть использовано в различных видах транспортных средств.
Наиболее близким к изобретению является способ определения полной массы транспортного средства, заключающийся в размещении тензометрических датчиков и датчиков давления в шинах транспортного средства, определении кодов значения массы транспортного средства в соответствии со значениями комбинаций сигналов датчиков путем нагружения транспортного средства эталонными грузами различной массы с разными расположениями центра тяжести транспортного средства и считывания сигналов с датчиков при каждом варианте нагружения, осуществлении записи в блок памяти комбинаций сигналов датчиков в соответствующие им закодированные значения массы, осуществлении выбора кода, представляющего закодированное значение массы, из памяти блока памяти в соответствии с текущими значениями комбинаций сигналов, поступающих от датчиков, преобразовании закодированного значения массы транспортного средства в аналоговое значение, отображении информации о полном весе транспортного средства на приборе отображения информации, установленном на приборной панели транспортного средства, определении средней массы груза в виде выражения
,
где mполн – полная масса транспортного средства, n – количество контрольных точек на поверхности транспортного средства, определении массы груза в каждой контрольной точке поверхности транспортного средства, определении величины разницы массы груза относительно среднего значения в каждой контрольной точке поверхности транспортного средства, определении неравномерности размещения массы груза в каждой контрольной точке поверхности транспортного средства в случае превышения величины разницы массы груза относительно заданного значения, осуществлении сигнализации о неравномерности размещения массы груза в каждой контрольной точке поверхности транспортного средства /1/.
Наиболее близким к изобретению является транспортное весовое устройство, содержащее тензометрические датчики, датчики давления, генератор, многоканальный усилитель, преобразователь аналог-код, блок памяти, преобразователь код-аналог и прибор отображения информации, причем тензометрические датчики установлены в шинах транспортного средства, чувствительные элементы датчиков давления соединены с внутренними полостями шин, тензометрические датчики и датчики давления соединены с выходом генератора и входом многоканального усилителя, а многоканальный усилитель, преобразователь код-аналог, блок памяти, преобразователь код-аналог и прибор отображения информации соединены между собой последовательно, блок определения неравномерности размещения массы груза в транспортном средстве и индикаторы неравномерности размещения груза в транспортном средстве, причем группа выходов преобразователя аналог-код соединена с группой входов блока определения неравномерности размещения груза в транспортном средстве, группа выходов которого соединена с входами n-индикаторов сигнализации неравномерности размещения груза в транспортном средстве, при этом блок определения неравномерности размещения груза в транспортном средстве состоит из блока памяти и n-дешифраторов, причем группа входов блока определения неравномерности размещения груза в транспортном средстве является группой входов блока памяти, группа выходов которого соединена с группой входов n-дешифраторов, выходы которых являются группой выходов блока определения неравномерности размещения груза в транспортном средстве /1/.
Недостатком данных способа и устройства является отсутствия информационного обеспечения процесса загрузки транспортного средства.
Технической задачей изобретения является повышение информативности за счет информационного обеспечения процесса загрузки транспортного средства.
Решение технической задачи достигается тем, что в способе определения полной массы транспортного средства, заключающемся в размещении тензометрических датчиков и датчиков давления в шинах транспортного средства, определении кодов значения массы транспортного средства в соответствии со значениями комбинаций сигналов датчиков путем нагружения транспортного средства эталонными грузами различной массы с разными расположениями центра тяжести транспортного средства и считывания сигналов с датчиков при каждом варианте нагружения, осуществлении записи в блок памяти комбинаций сигналов датчиков в соответствующие им закодированные значения массы, осуществлении выбора кода, представляющего закодированное значение массы из памяти блока памяти в соответствии с текущими значениями комбинаций сигналов, поступающих от датчиков, преобразовании закодированного значения массы транспортного средства в аналоговое значение, отображении информации о полном весе транспортного средства на приборе отображения информации, установленном на приборной панели транспортного средства, определении средней массы груза в виде выражения:
,
где mполн – полная масса транспортного средства, n – количество контрольных точек на поверхности транспортного средства, определении массы груза в каждой контрольной точке поверхности транспортного средства, определении величины несоответствия массы груза относительно среднего значения в каждой контрольной точке поверхности транспортного средства, определении неравномерности размещения массы груза в каждой контрольной точке поверхности транспортного средства в случае превышения величины разницы массы груза относительно заданного значения, осуществлении сигнализации о неравномерности размещения массы груза в каждой контрольной точке поверхности транспортного средства в случае превышения величины разницы массы груза относительно заданного значения, дополнительно задают четыре опорных значений массы груза в блоке анализа процесса загрузки транспортного средства, определяют динамику загрузки транспортного средства относительно первого и второго, второго и третьего опорных значений на основе сравнении текущих и заданных значений массы груза, определяют динамику изменений скорости загрузки груза на основе сравнение значений скоростей загрузки на заданных участках, осуществляют сигнализацию о временном интервале до полной загрузки груза относительно третьего заданного значения с учетом динамики изменения скорости загрузки груза, выдают информацию о полной загрузке транспортного средства в момент равенства текущей и четвертого опорного значения массы груза.
Заявляемый способ реализуется в транспортном весовом устройстве определения массы транспортного средства, содержащем тензометрические датчики, датчики давления, генератор, многоканальный усилитель, преобразователь аналог-код, блок памяти, преобразователь код-аналог и прибор отображения информации, причем тензометрические датчики установлены в шинах транспортного средства, чувствительные элементы датчиков давления соединены с внутренними полостями шин, тензометрические датчики и датчики давления соединены с выходом генератора и входом многоканального усилителя, а многоканальный усилитель, преобразователь код-аналог, блок памяти, преобразователь код-аналог и прибор отображения информации соединены между собой последовательно, блок определения неравномерности размещения груза в транспортном средстве и индикаторы неравномерности размещения груза в транспортном средстве, причем группа выходов преобразователя аналог-код соединена с группой входов блока определения неравномерности размещения груза в транспортном средстве, группа выходов которого соединена с входами n-индикаторов сигнализации неравномерности размещения груза в транспортном средстве, при этом блок определения неравномерности размещения груза в транспортном средстве состоит из блока памяти и n-дешифраторов, причем группа входов блока определения неравномерности размещения груза в транспортном средстве является группой входов блока памяти, группа выходов которого соединена с группой входов n-дешифраторов, выходы которых являются группой выходов блока определения неравномерности размещения груза в транспортном средстве, дополнительно введены блок анализа процесса загрузки транспортного средства, индикатор прогнозируемого времени до полной загрузки груза и индикатор полной загрузки транспортного средства, при этом выход преобразователя код-аналог соединен с входом блока анализа процесса загрузки транспортного средства, первый и второй выходы которого соединены со входом индикатора прогнозируемого времени до полной загрузки груза и индикатором полной загрузки транспортного средства, блок анализа процесса загрузки транспортного средства состоит из первого, второго, третьего и четвертого пороговых устройств, задатчика импульсов, дифференцирующей цепи, первого и второго элементов ИЛИ, генератора импульсов, первого и второго сдвиговых регистров, первого и второго элементов НЕ, первого и второго элементов И, первого и второго счетчиков, вычитающего устройства, интегратора, сумматора, при этом входом блока анализа процесса загрузки транспортного средства являются вход дифференцирующей цепи и первые входы первого, второго, третьего и четвертого пороговых устройств, вторые входы которого соединены с выходами задатчика сигналов, выход дифференцирующей цепи соединен с первыми входами первого и второго сдвигового регистра и вторыми входами первого и второго счетчиков, выходы первого и второго пороговых устройств соединены соответственно с первым, вторым входом первого элемента ИЛИ и одновременно с первым входом второго элемента ИЛИ, второй вход которого соединен с выходом третьего порогового устройства, выходы первого и второго элементов ИЛИ соединены соответственно со вторыми входами первого и второго сдвиговых регистров, третьи входы которых соединены с выходом генератора импульсов, первые выходы первого и второго сдвиговых регистров соединены через первый и второй элементы НЕ с первым входами первого и второго элемента И, вторые и третьи входы которых соединены со вторыми входами первого и второго сдвиговых регистров и выходом генератора импульсов, выходы первого и второго элементов И соединены с первыми входами первого и второго счетчиков, выходы которых соединены с первым и вторым входами вычитающего устройства, выход вычитающего устройства через интегратор соединен с первым входом суммирующего устройства, второй вход которого соединен с выходом второго счетчика, выход второго суммирующего устройства и выход четвертого порогового устройства являются соответственно первым и вторым выходами блока анализа процесса загрузки транспортного средства.
Новыми признаками, обладающими существенными отличиями по способу, являются:
1. Задают четыре опорных значений массы груза в блоке анализа процесса загрузки транспортного средства.
2. Определяют динамику загрузки транспортного средства относительно первого и второго, второго и третьего опорных значений на основе сравнения текущих и заданных значений массы груза.
3. Определяют динамику изменений скорости загрузки груза на основе сравнения значений скоростей загрузки на заданных участках,
4. Осуществляют сигнализацию о временном интервале до полной загрузки груза относительно третьего заданного значения с учетом динамики изменения скоростей загрузки груза.
5. Выдают информацию о полной загрузке транспортного средства в момент равенства текущей и четвертого опорного значения массы груза.
Новыми элементами, обладающими существенными отличиями по устройству, являются: блок анализа процесса загрузки транспортного средства, индикатор прогнозируемого времени до полной загрузки груза и индикатор полной загрузки транспортного средства и связи между известными и новыми элементами.
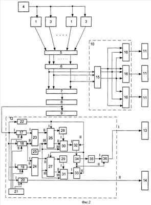
На фиг.1 показана схема установки тензометрического датчика в шине транспортного средства; на фиг.2 – структурная схема транспортного весового устройства.
Транспортное весовое устройство содержит тензометрические датчики 1, установленные в шинах 2 транспортного средства, датчики 3 давления, чувствительные элементы которых соединены с внутренними полостями шин 2, генератор 4, многоканальный усилитель 5, преобразователь 6 аналог-код, блок 7 памяти, преобразователь 8 код-аналог и прибор 9 отображения информации, установленный на приборной панели транспортного средства, блок 10 определения и индикаторы 11 сигнализации неравномерности расположения груза в транспортном средстве, блок 12 анализа процесса загрузки транспортного средства, индикатор 13 прогнозируемого времени до полной загрузки груза и индикатор 14 полной загрузки транспортного средства, при этом тензометрические датчики 1 и датчики 3 давления соединены с выходом генератора 4 и входом многоканального усилителя 5, а многоканальный усилитель 5, преобразователь 6 код-аналог, блок 7 памяти, преобразователь 8 код-аналог и прибор 9 отображения информации соединены между собой последовательно, группа выходов преобразователя 6 аналог-код соединена с группой входов блока 10 определения неравномерности размещения груза в транспортном средстве, группа выходов которого соединена с входами n-индикаторов 11 сигнализации о неравномерности размещения груза в транспортном средстве, при этом выход преобразователя 8 код-аналог соединен с входом блока 12 анализа процесса загрузки транспортного средства, первый и второй выходы которого соединены со входом индикатора 13 прогнозируемого времени до полной загрузки груза и индикатора 14 полной загрузки транспортного средства.
Блок 10 определения неравномерности размещения груза в транспортном средстве состоит из блока 15 памяти и n-дешифраторов 16, при этом группа входов блока 10 определения неравномерности размещения груза в транспортном средстве является группой входов блока 15 памяти, группа выходов которого соединена с группой входов n-дешифраторов 16, выходы которых являются группой выходов блока 10 определения неравномерности размещения груза в транспортном средстве.
Блок 12 анализа процесса загрузки транспортного средства состоит из первого 17, второго 18, третьего 19 и четвертого 20 пороговых устройств, задатчика 21 импульсов, дифференцирующей цепи 22, первого 23 и второго 24 элементов ИЛИ, генератора 25 импульсов, первого 26 и второго 27 сдвиговых регистров, первого 28 и второго 29 элементов НЕ, первого 30 и второго 31 элементов И, первого 32 и второго 33 счетчиков, вычитающего устройства 34, интегратора 35, сумматора 36, при этом входом блока 12 анализа процесса загрузки транспортного средства являются вход дифференцирующей цепи 22 и первые входы первого 17, второго 18, третьего 19 и четвертого 20 пороговых устройств, вторые входы которого соединены с выходами задатчика 21 сигналов, выход дифференцирующей цепи 22 соединен с первыми входами первого 26 и второго 27 сдвигового регистра и вторыми входами первого 32 и второго 33 счетчиков, выходы первого 17 и второго 18 пороговых устройств соединены соответственно с первым, вторым входом первого 23 и одновременно с первым входом второго 24 элементов ИЛИ, второй вход которого соединен с выходом третьего 19 порогового устройства, выходы первого 23 и второго 24 элементов ИЛИ соединены соответственно со вторыми входами первого 26 и второго 27 сдвиговых регистров, третьи входы которых соединены с выходом генератора 25 импульсов, первые выходы первого 26 и второго 27 сдвиговых регистров соединены через первый 28 и второй 29 элементы НЕ с первым входами первого 30 и второго 31 элементов И, вторые и третьи входы которых соединены со вторыми входами первого 26 и второго 27 сдвиговых регистров и выходом генератора 25 импульсов, выходы первого 30 и второго 31 элементов И соединены с первыми входами первого 32 и второго 33 счетчиков, выходы которых соединены с первым и вторым входами вычитающего устройства 34, выход которого через интегратор 35 соединен с первым входом суммирующего устройства 36, второй вход которого соединен с выходом второго 33 счетчика, выход второго 36 суммирующего устройства и выход четвертого 20 порогового устройства являются соответственно первым и вторым выходами блока 12 анализа процесса загрузки транспортного средства.
Транспортное весовое устройство работает следующим образом.
Под действием веса транспортного средства шины 2 колес деформируются. Деформация шин 2 колес зависит как от массы транспортного средства, так и от давления воздуха в шинах 2. Сигналы с тензометрических датчиков 1 и датчиков 3 давления поступают в многоканальный усилитель 5. С выхода многоканального усилителя 5 сигналы поступают в преобразователь 6 аналог-код и далее в блок 7 памяти. Таким образом, в блок 7 памяти из каждой шины 2 поступают два сигнала: один из тензометрического датчика 1, а другой из датчика 3 давления. Количество пар сигналов, поступающих в блок 7 памяти, равно количеству шин транспортного средства. Блок 7 памяти представляет собой электронную микропроцессорную систему. В ее память внесены значения массы транспортного средства, которые должны соответствовать сочетанию сигналов, поступающих из датчиков 1, 3. По сигналам датчиков блок 7 памяти выбирает из памяти код, который соответствует данному сочетанию сигналов. Этот код представляет собой закодированное значение массы транспортного средства, соответствующее данному сочетанию сигналов. Из блока 7 памяти это закодированное значение массы поступает в преобразователь 8 код-аналог, а из него – на прибор 9 отображения информации, установленный на приборной панели транспортного средства.
При необходимости водитель считывает эту информацию с прибора. Сочетания сигналов датчиков и соответствующие им закодированные значения масс записываются в память блока 7 памяти на заводе-изготовителе путем нагружения транспортного средства эталонными грузами различной массы с разными расположениями центра тяжести транспортного средства и считывания сигналов с датчиков 1, 3 при каждом варианте нагружения.
Определения равномерности размещения груза в транспортном средстве происходит следующим образом.
Сигналы с n-выходов преобразователя 6 аналог-код поступают на n-входы блока 10 определения неравномерности размещения груза в транспортном средстве и соответственно на n-входы блока 15 памяти.
Комбинация сочетания сигналов датчиков и соответствующие им закодированные значения масс записываются в память блока 15 памяти на заводе-изготовителе путем нагружения транспортного средства эталонными грузами различной массы с разными расположениями центра тяжести транспортного средства и считывания сигналов с датчиков 1, 3 при каждом варианте нагружения.
Блок 15 памяти осуществляет выполнения следующего алгоритма:
– определение средней массы груза в виде выражения

где mполн – полная масса транспортного средства, n – количество контрольных точек на поверхности транспортного средства;
– определение массы груза в каждой контрольной точке поверхности транспортного средства;
– определение разницы массы груза относительно среднего значения в каждой контрольной точке поверхности транспортного средства;
– определение неравномерности размещения массы груза в каждой контрольной точке поверхности транспортного средства в случае превышения величины разницы массы груза относительно заданного значения.
В случае неравномерности нагружения транспортного средства с n-выходов блока 14 памяти поступает комбинация сигналов на n-входы n-дешифраторов 15. На выходе одного или нескольких дешифраторов формируется сигнал или сигналы, поступающие на входы одного или нескольких n-индикаторов 11 сигнализации о неравномерности размещения груза в транспортном средстве.
Блок 12 анализа процесса загрузки транспортного средства обеспечивает:
– формирование четырех опорных значений масс груза;
– определение динамики загрузки транспортного средства относительно первого и второго, второго и третьего опорных значений на основе сравнении текущих и заданных значений массы груза;
– определение динамики изменений скорости загрузки груза на заданных участках;
– осуществление сигнализации о временном интервале до полной загрузки груза относительно третьего заданного значения с учетом динамики изменения скоростей загрузки груза;
– выдачу информации о полной загрузке транспортного средства в момент равенства текущей и четвертого опорного значения массы груза.
Информационное обеспечение процесса загрузки транспортного средства осуществляется следующим образом.
Сигнал с выхода преобразователя 8 код-аналог поступает на вход блока 12 анализа процесса загрузки транспортного средства и соответственно на вход дифференцирующей цепи 22 и первые входы первого 17, второго 18, третьего 19 и четвертого 20 пороговых устройств, на вторые входы которых поступают сигналы с выхода задатчика 20 сигналов.
С выхода дифференцирующей цепи сигнал поступает на первые входы (входы обнуления) сдвигового регистра 24 и на вторые входы счетчика 28.
По мере загрузки транспортного средства сигналы с выходов первого 17 и второго 18 пороговых устройств через первый элемент ИЛИ 23 поступает на первый вход первого 26 сдвигового регистра, на третий вход которого поступает сигнал с выхода генератора 25 импульсов.
В дальнейшем в процессе загрузки транспортного средства сигналы с выходов второго 18 и третьего 19 порогового устройства через второй элемент ИЛИ 24 поступает на первый вход второго 27 сдвигового регистра, на третий вход которого поступает сигнал с выхода генератора 25 импульсов.
С первых выходов первого 26 и второго 27 сдвиговых регистров через первый 28 и второй 29 элементы НЕ сигналы поступают на первые входы первого 30 и второго 31 элементов И, на вторые и третьи входы которых поступают сигналы со вторых входов первого 26 и второго 27 сдвиговых регистров и с выхода генератора 25 импульсов.
С выходов первого 30 и второго 31 элементов И сигналы, соответствующие динамике загрузки транспортного средства, поступают на первые входы первого 32 и второго 33 счетчиков, с выходов которых поступают на первый и второй входы вычитающего устройства 34, с выхода которого через интегратор 35 поступают на первый вход суммирующего устройства 36, на второй вход которого поступает сигнал с выхода второго 33 счетчика.
С выхода второго 36 суммирующего устройства сигнал, соответствующий прогнозируемому времени загрузки транспортного средства, поступает на вход индикатора 13 прогнозируемого времени до полной загрузки груза.
С выхода четвертого 20 порогового устройства сигнал соответствующей полной загрузки поступает на вход индикатора 14 полной загрузки транспортного средства.
Таким образом, наряду с получением информации о полной массе, неравномерности размещения груза в транспортном средстве обеспечивается информационное обеспечение процесса загрузки транспортного средства.
Источник информации
1. Патент РФ на изобретение 2348908, кл. G01G 19/12. 10.03.2009 г. (прототип).
Формула изобретения
1. Способ информационного обеспечения процесса загрузки транспортного средства, заключающийся в размещении тензометрических датчиков и датчиков давления в шинах транспортного средства, определении кодов значения массы транспортного средства в соответствии со значениями комбинаций сигналов датчиков путем нагружения транспортного средства эталонными грузами различной массы с разными расположениями центра тяжести транспортного средства и считывания сигналов с датчиков при каждом варианте нагружения, осуществлении записи в блок памяти комбинаций сигналов датчиков в соответствующие им закодированные значения массы, осуществлении выбора кода, представляющего закодированное значение массы из памяти блока памяти в соответствии с текущими значениями комбинаций сигналов, поступающих от датчиков, преобразовании закодированного значения массы транспортного средства в аналоговое значение, отображении информации о полном весе транспортного средства на приборе отображения информации, установленном на приборной панели транспортного средства, определении средней массы груза в виде выражения:
, где mполн – полная масса транспортного средства, n – количество контрольных точек на поверхности транспортного средства, определении массы груза в каждой контрольной точке поверхности транспортного средства, определении величины несоответствия массы груза относительно среднего значения в каждой контрольной точке поверхности транспортного средства, определении неравномерности размещения массы груза в каждой контрольной точке поверхности транспортного средства в случае превышения величины разницы массы груза относительно заданного значения, осуществлении сигнализации о неравномерности размещения массы груза в каждой контрольной точке поверхности транспортного средства в случае превышения величины разницы массы груза относительно заданного значения, отличающийся тем, что задают четыре опорных значений массы груза в блоке анализа процесса загрузки транспортного средства, определяют динамику загрузки транспортного средства относительно первого и второго, второго и третьего опорных значений на основе сравнении текущих и заданных значений массы груза, определяют динамику изменений скорости загрузки груза на основе сравнения значений скоростей загрузки на заданных участках, осуществляют сигнализацию о временном интервале до полной загрузки груза относительно третьего заданного значения с учетом динамики изменения скорости загрузки груза, выдают информацию о полной загрузке транспортного средства в момент равенства текущей и четвертого опорного значения массы груза.
2. Транспортное весовое устройство определения массы транспортного средства, содержащее тензометрические датчики, датчики давления, генератор, многоканальный усилитель, преобразователь аналог-код, блок памяти, преобразователь код-аналог и прибор отображения информации, причем тензометрические датчики установлены в шинах транспортного средства, чувствительные элементы датчиков давления соединены с внутренними полостями шин, тензометрические датчики и датчики давления соединены с выходом генератора и входом многоканального усилителя, а многоканальный усилитель, преобразователь код-аналог, блок памяти, преобразователь код-аналог и прибор отображения информации соединены между собой последовательно, блок определения неравномерности размещения груза в транспортном средстве и индикаторы неравномерности размещения груза в транспортном средстве, причем группа выходов преобразователя аналог-код соединена с группой входов блока определения неравномерности размещения груза в транспортном средстве, группа выходов которого соединена с входами n-индикаторов сигнализации неравномерности размещения груза в транспортном средстве, при этом блок определения неравномерности размещения груза в транспортном средстве состоит из блока памяти и n-дешифраторов, причем группа входов блока определения неравномерности размещения груза в транспортном средстве является группой входов блока памяти, группа выходов которого соединена с группой входов n-дешифраторов, выходы которых являются группой выходов блока определения неравномерности размещения груза в транспортном средстве, отличающееся тем, что в него введены блок анализа процесса загрузки транспортного средства, индикатор прогнозируемого времени до полной загрузки груза и индикатор полной загрузки транспортного средства, при этом выход преобразователя код – аналог соединен со входом блока анализа массы загрузки транспортного средства, первый и второй выходы которого соединены со входом индикатора прогнозируемого времени до полной загрузки груза и индикатором полной загрузки транспортного средства, блок анализа процесса загрузки транспортного средства состоит из первого, второго, третьего и четвертого пороговых устройств, задатчика импульсов, дифференцирующей цепи, первого и второго элементов ИЛИ, генератора импульсов, первого и второго сдвиговых регистров, первого и второго элементов НЕ, первого и второго элементов И, первого и второго счетчиков, вычитающего устройства, интегратора, сумматора, при этом входом блока анализа процесса загрузки транспортного средства являются вход дифференцирующей цепи и первые входы первого, второго, третьего и четвертого пороговых устройств, вторые входы которого соединены с выходами задатчика сигналов, выход дифференцирующей цепи соединен с первыми входами первого и второго сдвиговых регистров и вторыми входами первого и второго счетчиков, выходы первого и второго пороговых устройств соединены соответственно с первым, вторым входами первого элемента ИЛИ и одновременно с первым входом второго элемента ИЛИ, второй вход которого соединен с выходом третьего порогового устройства, выходы первого и второго элементов ИЛИ соединены соответственно со вторыми входами первого и второго сдвиговых регистров, третьи входы которых соединены с выходом генератора импульсов, первые выходы первого и второго сдвиговых регистров соединены через первый и второй элементы НЕ с первыми входами первого и второго элементов И, вторые и третьи входы которых соединены со вторыми входами первого и второго сдвиговых регистров и выходом генератора импульсов, выходы первого и второго элементов И соединены с первыми входами первого и второго счетчиков, выходы которых соединены с первым и вторым входами вычитающего устройства, выход вычитающего устройства через интегратор соединен с первым входом суммирующего устройства, второй вход которого соединен с выходом второго счетчика, выход второго суммирующего устройства и выход четвертого порогового устройства являются соответственно первым и вторым выходами блока анализа процесса загрузки транспортного средства.
РИСУНКИ
|
|