|
|
(21), (22) Заявка: 2008117691/09, 04.05.2008
(24) Дата начала отсчета срока действия патента:
04.05.2008
(43) Дата публикации заявки: 10.11.2009
(46) Опубликовано: 20.07.2010
(56) Список документов, цитированных в отчете о поиске:
SU 711576 А1, 25.01.1980. RU 2110836 С1, 10.05.1998. RU 2105347 С1, 20.02.1998. SU 1656539 А1, 15.06.1991. US 5140594 А, 18.08.1992. JP 3050916 А, 05.03.1991.
Адрес для переписки:
124460, Москва, Зеленоград, Южная промзона, пр-д 4806, 4, стр.2, ФГУП НИИ “Субмикрон”
|
(72) Автор(ы):
Еремеев Петр Михайлович (RU), Гришин Вячеслав Юрьевич (RU), Садовникова Антонина Иннокентьевна (RU), Фомин Юрий Петрович (RU)
(73) Патентообладатель(и):
Федеральное государственное унитарное предприятие Научно-исследовательский институт “Субмикрон” (RU)
|
(54) МАЖОРИТАРНОЕ УСТРОЙСТВО
(57) Реферат:
Изобретение относится к области вычислительной техники и может использоваться для повышения надежности вычислительных и управляющих систем. Техническим результатом является расширение функциональных возможностей за счет мажорирования двунаправленных сигналов и введения диагностики с управлением при помощи входных сигналов на срабатывание при рассогласовании входного и выходного сигнала в течение различного количества периодов тактовой частоты системы и по различному фронту управляющих сигналов. Устройство содержит элемент сравнения, мажоритарный элемент, дешифратор, три мультиплексора, два двунаправленных буфера, два триггера, счетчик, элемент ИЛИ. 2 ил., 1 табл.
Изобретение относится к области вычислительной техники и может использоваться для повышения надежности вычислительных и управляющих систем.
Известно мажоритарное устройство, содержащее первый элемент И, выход которого соединен с первым входом элемента ИЛИ, первый вход – с выходом мажоритарного элемента, второй вход через элемент НЕ – с выходом элемента “равнозначность” и с первым входом второго элемента И, выход которого соединен со вторым входом элемента ИЛИ [1].
Недостаток устройства – сложность реализации.
Наиболее близким по технической сущности к изобретению является мажоритарное устройство, содержащее первый элемент И, выход которого соединен с первым входом элемента ИЛИ, первый вход – с выходом мажоритарного элемента, второй вход через элемент НЕ – с выходом элемента “равнозначность” и с первым входом второго элемента И, выход которого подключен к второму входу элемента ИЛИ, второй вход второго элемента И соединен с одним из входов элемента “равнозначность” [2].
Недостатком этого устройства является невозможность мажорирования двунаправленных сигналов и отсутствие диагностики с возможностью настройки.
Задачей изобретения является возможность мажорирования двунаправленных сигналов и введение диагностики с управлением при помощи входных сигналов на срабатывание при рассогласовании входного и выходного сигнала в течение различного количества периодов тактовой частоты системы и по различному фронту управляющих сигналов.
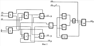
Сущность заявляемого изобретения, возможность его осуществления и промышленного использования поясняются чертежами, представленными на фиг. 1-2, где:
– на фиг.1 представлена функциональная схема мажоритарного устройства;
– на фиг.2 представлена временная диаграмма формирования сигнала ошибки ER.
Указанные преимущества заявляемого мажоритарного устройства перед прототипом достигаются за счет того, что в мажоритарное устройство, содержащее элемент сравнения 1, мажоритарный элемент 2, первый 3 и второй 4 входы которого являются входами устройства, дополнительно введены дешифратор 5, первый 6 мультиплексор, второй 7 мультиплексор, первый 8 двунаправленный буфер, второй 9 двунаправленный буфер, первый 10 триггер, второй 11 триггер, счетчик 12, элемент ИЛИ 13 и третий 14 мультиплексор, выход которого является первым 15 выходом мажоритарного устройства, второй 16 выход которого соединен с выходом второго 7 мультиплексора, с третьим входом мажоритарного элемента 2 и первым входом первого 6 мультиплексора, выход которого соединен с первыми входами первого 8 двунаправленного буфера и второго 9 двунаправленного буфера, двунаправленные входы-выходы которых являются соответственно первым 17 двунаправленным входом-выходом и вторым 18 двунаправленным входом-выходом мажоритарного устройства, третий 19 и четвертый 20 входы которого соединены с первым и вторым входами дешифратора, первый выход которого соединен со вторым входом первого 8 двунаправленного буфера, выход которого соединен с первыми входами элемента сравнения 1 и второго 7 мультиплексора, второй и инверсный входы которого соединены со вторым выходом дешифратора 5 и вторым входом второго 9 двунаправленного буфера, выход которого соединен с третьим входом второго 7 мультиплексора и вторым входом элемента сравнения 1, выход которого соединен со сбросовыми входами первого 10 и второго 11 триггера и счетчика 12, выход которого соединен с первым входом третьего 14 мультиплексора, второй вход которого соединен с выходом элемента ИЛИ 13, первый и второй входы которого соединены с выходами первого 10 и второго 11 триггеров, тактовые входы которых являются первым и вторым сигналами группы входов 21 мажоритарного устройства, третий сигнал соединен с тактовым входом счетчика 12, причем пятый вход 22 мажоритарного устройства соединен с инверсным и вторым входами первого 6 мультиплексора, третий вход которого соединен с выходом мажоритарного элемента 2, шестой вход 23 мажоритарного устройства соединен с инверсным и третьим входом третьего 14 мультиплексора.
Мажоритарное устройство работает следующим образом.
Выбор направления передачи информации по двунаправленным входам-выходам “17” и “18” осуществляется сигналами “19” и “20”. Состояние передачи информации приведено в таблице.
| Таблица |
| Управляющие сигналы |
Состояния входных-выходных сигналов |
| “19” |
“20” |
“17” |
“18” |
| 0 |
0 |
Откл. |
Откл. |
| 0 |
1 |
Вх. |
Вых. |
| 1 |
0 |
Вых. |
Вх. |
| 1 |
1 |
Запр. |
запр. |
При условии равенства нулю управляющих сигналов “19” и “20”, двунаправленные входы-выходы “17” и “18” отключены, сигналу “16”=сигнал “18”.
При условии, что сигнал “19”=”1″, а сигнал “20”=”0″, на выходе дешифратора 5 формируется первый сигнал, разрешающий двунаправленному буферу 8 работать на выход, в этом случае двунаправленный буфер 9 работает на вход. Сигнал двунаправленного входа-выхода “17” является результатом мажорирования сигналов на входах 3, 4 и сигнала А, через мультиплексор 7 поступающего на вход мажоритарного элемента 2, если сигнал, разрешающий мажорирование, “22”=”1″.
Если мажорирование включено, т.е. сигнал “22”=”1″, то состояние выводов “17” и “16” определяется формулами (1) и (2):


Если мажорирование отключено, т.е. сигнал “22”=”0″, то состояние выводов “17”=А, “16”=А.
При условии, что сигнал “19”=”0″, а сигнал “20”=”1″, на выходе дешифратора 5 формируется второй сигнал, разрешающий двунаправленному буферу 9 работать на выход, в этом случае двунаправленный буфер 8 работает на вход. Сигнал двунаправленного входа-выхода 18 является результатом мажорирования сигналов на входах 3, 4 и сигнала В, через мультиплексор 7 поступающего на вход мажоритарного элемента 2, если сигнал, разрешающий мажорирование, “22”=”1″.
Если мажорирование включено, т.е. сигнал “22”=”1″, то состояние выводов “18” и “16” определяется формулами (3) и (4):


Если мажорирование отключено, т.е. сигнал “22”=”0″, то состояние выводов “18”=В, “16”=В.
Состояние сигналов “19”=”1″, “20”=”1″ является запрещенным состоянием.
Схема формирования ошибки, состоящая из элемента сравнения 1, триггеров 10 и 11, счетчика 12, элемента ИЛИ 13 и мультиплексора 14, формирует признак рассогласования входной и выходной информации путем сравнения сигналов А и В на выводах “17” и “18” в определенные моменты времени.
При сигнале управления диагностикой “23”=”0″ сигнал ошибки “15” формируется по заднему фронту первого сигнала группы входов 21 при несовпадении сигналов А и В на триггере 10, элементе ИЛИ 13 и мультиплексоре 14 или по переднему фронту второго сигнала группы входов 21 при несовпадении сигналов А и В на триггере 11, элементе ИЛИ 13 и мультиплексоре 14.
При сигнале управления диагностикой “23”=”1″ сигнал ошибки формируется по переднему фронту третьего входного сигнала группы входов 21 на второй такт при несовпадении сигналов на А и В. Сигнал ошибки “15” сбрасывается из “1” в “0”, когда сигналы на входах А и В совпадают. Временная диаграмма формирования сигнала ошибки “15” представлена на фиг.2.
Источники информации
1. Авторское свидетельство СССР 318029, кл. G06F 11/00, 1970.
2. Авторское свидетельство СССР 711576, кл. G06F 11/00, Н03К 19/42 (прототип).
Формула изобретения
Мажоритарное устройство, содержащее элемент сравнения, мажоритарный элемент, первый и второй входы которого являются входами устройства, отличающееся тем, что, с целью мажорирования двунаправленных сигналов, в мажоритарное устройство дополнительно введены дешифратор, первый мультиплексор, второй мультиплексор, первый двунаправленный буфер, второй двунаправленный буфер, первый триггер, второй триггер, счетчик, элемент ИЛИ и третий мультиплексор, выход которого является первым выходом мажоритарного устройства, второй выход которого соединен с выходом второго мультиплексора, с третьим входом мажоритарного элемента и первым входом первого мультиплексора, выход которого соединен с первыми входами первого двунаправленного буфера и второго двунаправленного буфера, двунаправленные входы-выходы которых являются соответственно первым двунаправленным входом-выходом и вторым двунаправленным входом-выходом мажоритарного устройства, третий и четвертый входы которого соединены с первым и вторым входами дешифратора, первый выход которого соединен со вторым входом первого двунаправленного буфера, выход которого соединен с первыми входами элемента сравнения и второго мультиплексора, второй и инверсный входы которого соединены со вторым выходом дешифратора и вторым входом второго двунаправленного буфера, выход которого соединен с третьим входом второго мультиплексора и вторым входом элемента сравнения, выход которого соединен со сбросовыми входами первого и второго триггеров и счетчика, выход которого соединен с первым входом третьего мультиплексора, второй вход которого соединен с выходом элемента ИЛИ, первый и второй входы которого соединены с выходами первого и второго триггеров, тактовые входы которых являются первым и вторым сигналами группы входов мажоритарного устройства, третий сигнал соединен с тактовым входом счетчика, причем пятый вход мажоритарного устройства соединен с инверсным и вторым входами первого мультиплексора, третий вход которого соединен с выходом мажоритарного элемента, шестой вход мажоритарного устройства соединен с инверсным и третьим входами третьего мультиплексора.
РИСУНКИ
|
|