|
|
(21), (22) Заявка: 2009111835/09, 30.03.2009
(24) Дата начала отсчета срока действия патента:
30.03.2009
(46) Опубликовано: 20.07.2010
(56) Список документов, цитированных в отчете о поиске:
RU 2337473 С1, 27.10.2008. RU 2223596 С2, 10.02.2004. RU 2340086 С1, 27.11.2008. SU 1725382 А1, 07.04.1992. GB 2081044 А, 10.02.1982.
Адрес для переписки:
662972, Красноярский край, ЗАТО Железногорск, г. Железногорск, ул. Ленина, 52, ОАО “ИСС”, Р.П. Туркеничу
|
(72) Автор(ы):
Михеев Павел Васильевич (RU), Квакина Анжелика Анатольевна (RU)
(73) Патентообладатель(и):
Открытое акционерное общество “Информационные спутниковые системы” им. академика М.Ф. Решетнева (RU)
|
(54) СИЛОВОЙ КЛЮЧ НА МДП-ТРАНЗИСТОРЕ
(57) Реферат:
Изобретение относится к импульсной технике и может быть применено в различных бесконтактных коммутационых устройствах. Целью настоящего изобретения является повышение надежности. Для этого в заявленное устройство, содержащее трансформатор с вторичной обмоткой, конец которой соединен непосредственно с истоком МДП-транзистора введен двуханодный стабилитрон, который включен между началом вторичной обмотки трансформатора и затвором МДП-транзистора. 1 ил.
Изобретение относится к импульсной технике и может быть применено в различных коммутационных устройствах.
Известен силовой ключ, содержащий разделительный трансформатор, два взаимодополняющих биполярных транзистора, конденсаторы, резисторы и диоды (высокочастотные конверторы на мощных МДП-транзисторах / Б.В.Кабелев – ЭТвА, 1984, вып.15, с.27, рис.5).
Однако этот ключ не позволяет коммутировать длительные импульсы.
Наиболее близким к предлагаемому по технической сущности является силовой ключ на МДП-транзисторе, содержащий трансформатор, резистор, диоды и два транзистора, эмиттеры и базы двух взаимодополняющих транзисторов соединены непосредственно, эмиттеры транзисторов подключены к началу вторичной обмотки трансформатора, конец которой подключен к истоку МДП-транзистора и через резистор к базам транзисторов, коллекторы которых через диоды в отпирающем направлении подключены к затвору МДП-транзистора (патент РФ, 2337473), который выбран в качестве прототипа.
Недостатком прототипа является недостаточно высокая надежность.
Целью изобретения является повышение надежности.
Поставленная цель достигается тем, что в силовой ключ на МДП-транзисторе, содержащий трансформатор с вторичной обмоткой, конец которой непосредственно соединен с истоком МДП-транзистора, введен двуханодный стабилитрон, который включен между началом вторичной обмотки и затвором МДП-транзистора.
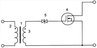
На чертеже представлена принципиальная электрическая схема силового ключа на МДП-транзисторе.
Силовой ключ на МДП-транзисторе содержит трансформатор 1 с вторичной обмоткой 3, конец которой непосредственно соединен с истоком МДП-транзистора 4; двуханодный стабилитрон 5, который включен между началом вторичной обмотки 3 и затвором МДП-транзистора 4.
Устройство работает следующим образом.
При подаче на вход устройства на первичную обмотку 2 трансформатора 1 коротких положительных или отрицательных импульсов с большой скважностью на вторичной обмотке 3 также появляются короткие положительные или отрицательные импульсы с большой скважностью, которые через двуханодный стабилитрон 5 поступают на затвор МДП-транзистора 4, противоположный потенциал с конца вторичной обмотки 3 поступает непосредственно на исток МДП-транзистора 4, происходит заряд емкости затвор-исток МДП-транзистора 4 до напряжения амплитуды импульсов минус падение напряжения на двуханодном стабилитроне 5.
В паузе между короткими импульсами двуханодный стабилитрон 5 будет закрыт и емкость затвор-исток МДП-транзистора 4 остается заряженной положительным или отрицательным напряжением, и МДП-транзистор 4 будет открыт или закрыт в зависимости от полярности импульсов подаваемых на вход устройства.
В предлагаемом устройстве элементов меньше, чем в прототипе, следовательно его надежность выше за счет использования меньшего количества элементов.
Опытный образец устройства был собран на двух встречно-последовательно включенных стабилитронах 2С175Ц, трансформаторе ТИЛ2В, МДП – транзисторе IRFP250.
При управлении импульсами амплитудой 15 В, Т=8 мкс, =0,4 мкс Q=20 ключ коммутировал 10 А с длительностью фронтов 35 нс при надежном открывании и закрывании МДП-транзистора напряжением затвор-исток ±7 В.
Из известных заявителю патентно-информационных материалов не обнаружены признаки, сходные с совокупностью признаков заявляемого устройства.
Формула изобретения
Силовой ключ на МДП-транзисторе, содержащий трансформатор с вторичной обмоткой, конец которой соединен непосредственно с истоком МДП-транзистора, отличающийся тем, что введен двуханодный стабилитрон, который включен между началом вторичной обмотки трансформатора и затвором МДП-транзистора.
РИСУНКИ
|
|