|
|
(21), (22) Заявка: 2009118062/09, 12.05.2009
(24) Дата начала отсчета срока действия патента:
12.05.2009
(46) Опубликовано: 20.07.2010
(56) Список документов, цитированных в отчете о поиске:
RU 2154997 C1, 20.11.2000. RU 2061292 C1, 27.05.1996. GB 2171567 A, 28.08.1986.
Адрес для переписки:
432071, г.Ульяновск, а/я 2280, Е.М. Силкину
|
(72) Автор(ы):
Клоков Алексей Александрович (RU), Силкин Евгений Михайлович (RU), Шестоперов Георгий Николаевич (RU), Юнович Владимир Николаевич (RU)
(73) Патентообладатель(и):
Открытое акционерное общество “Электровыпрямитель” (RU)
|
(54) СПОСОБ УПРАВЛЕНИЯ АВТОНОМНЫМ ИНВЕРТОРОМ НАПРЯЖЕНИЯ С КВАЗИРЕЗОНАНСНОЙ КОММУТАЦИЕЙ
(57) Реферат:
Изобретение относится к электротехнике, может быть использовано в системах управления с вентильными преобразователями частоты для электротехнологии. Изобретение обеспечивает технический результат – расширение области применения автономного инвертора напряжения с квазирезонансной коммутацией. Разработан способ управления автономным инвертором напряжения с квазирезонансной коммутацией, по которому формируют и поочередно подают импульсы управления на вентили, формирующие прямую и обратную полуволны тока в нагрузке, измеряют мгновенное значение тока в диагонали переменного тока инвертора, определяют момент равенства тока в диагонали переменного тока инвертора нулевому значению, подают импульс управления и включают очередные вентили не ранее момента равенства тока в диагонали переменного тока инвертора нулевому значению, вырабатывают прямоугольные импульсы с периодом 0,5 Т, где Т – период выходного переменного тока, срез которых задает моменты выключения вентилей. При этом задают уровень напряжения и интервал времени, подают импульс управления и включают очередные вентили по истечении заданного интервала времени, который отсчитывают от момента равенства тока в диагонали переменного тока инвертора нулевому значению. Интервал времени задают из условия достижения напряжением на очередных вентилях, в течение заданного интервала времени, заданного уровня напряжения. 3 ил.
Изобретение относится к электротехнике, может быть использовано в системах управления с вентильными преобразователями частоты для электротехнологии и других электротехнических системах повышенной частоты. Изобретение обеспечивает расширение области применения автономного инвертора напряжения с квазирезонансной коммутацией.
Известен способ управления автономным инвертором напряжения с квазирезонансной коммутацией, по которому формируют и поочередно подают импульсы управления на вентили, формирующие прямую и обратную полуволны тока в нагрузке, вырабатывают прямоугольные импульсы с периодом 0,5 Т, где Т – период выходного переменного тока, срез которых задает моменты выключения вентилей, длительность импульсов управления устанавливают в диапазоне 0,15 0,3 Т, задают уровень напряжения, контролируют напряжение на формирующих конденсаторах, подают импульс управления и включают очередные вентили в момент равенства напряжения на формирующих конденсаторах уровню 0 0,2 от максимального значения напряжения (П.2061292 РФ, МКИ Н02М 5/44. Способ управления преобразователем частоты / Е.М.Силкин – Заявл. 22.09.92, опубл. 27.05.96, БИ 15).
Недостатком способа управления является узкая область применения автономного инвертора напряжения с квазирезонансной коммутацией. При использовании на высоких частотах в инверторе напряжения мощных высоковольтных полевых транзисторов высока вероятность снижения надежности работы. Автономный инвертор напряжения с квазирезонансной коммутацией может выйти из строя из-за вторичного пробоя паразитного биполярного транзистора в структуре высоковольтного полевого транзистора, активированного накопленным зарядом неравновесных носителей в интегрированном встречно-параллельном диоде, вывод которого затруднен при низких уровнях напряжений в интервалах прямой проводимости структуры полевого транзистора. Наличие паразитного биполярного транзистора и внутреннего встречно-параллельного диода в структуре мощных высоковольтных полевых транзисторов следует из технологии их изготовления и не может быть исключено.
Известен способ управления автономным инвертором напряжения с квазирезонансной коммутацией, по которому формируют и поочередно подают импульсы управления на вентили, формирующие прямую и обратную полуволны тока в нагрузке, измеряют мгновенное значение тока в диагонали переменного тока инвертора, определяют момент равенства тока в диагонали переменного тока инвертора нулевому значению, подают импульс управления и включают очередные вентили не ранее момента равенства тока в диагонали переменного тока инвертора нулевому значению, вырабатывают прямоугольные импульсы с периодом 0,5 Т, где Т – период выходного переменного тока, срез которых задает моменты выключения вентилей, для регулирования выходного переменного тока регулируют момент подачи импульсов управления и включения вентилей в диапазоне, от момента равенства тока в диагонали переменного тока инвертора нулевому значению, до половины периода выходного переменного тока (П.2159497 РФ, МКИ Н02М 5/44. Способ управления преобразователем частоты / Е.М.Силкин – Заявл. 13.04.99, опубл. 20.11.00, БИ 8).
Недостатком способа управления является узкая область применения автономного инвертора напряжения с квазирезонансной коммутацией. При использовании на высоких частотах в инверторе напряжения мощных высоковольтных полевых транзисторов высока вероятность снижения надежности работы. Автономный инвертор напряжения с квазирезонансной коммутацией может выйти из строя из-за вторичного пробоя паразитного биполярного транзистора в структуре высоковольтного полевого транзистора, активированного накопленным зарядом неравновесных носителей в интегрированном встречно-параллельном диоде, вывод которого затруднен при низких уровнях напряжений в интервалах прямой проводимости структуры полевого транзистора.
Известен способ управления автономным инвертором напряжения с квазирезонансной коммутацией, по которому формируют и поочередно подают импульсы управления на вентили, формирующие прямую и обратную полуволны тока в нагрузке, измеряют мгновенное значение тока в диагонали переменного тока инвертора, определяют момент равенства тока в диагонали переменного тока инвертора нулевому значению, подают импульс управления и включают очередные вентили не ранее момента равенства тока в диагонали переменного тока инвертора нулевому значению, задают уровень тока, сравнивают мгновенное значение тока в диагонали переменного тока инвертора с заданным уровнем тока, вентили выключают в момент равенства мгновенного значения тока в диагонали переменного тока инвертора заданному уровню тока, для регулирования тока в нагрузке регулируют заданный уровень тока (П.2289190 РФ, МКИ Н02М 5/44. Способ управления инвертором напряжения / Е.М.Силкин – Заявл. 12.05.03, опубл. 10.12.06, БИ 34).
Данный способ является наиболее близким по технической сущности к изобретению и рассматривается в качестве прототипа.
Недостатком прототипа является узкая область применения автономного инвертора напряжения с квазирезонансной коммутацией. При использовании на высоких частотах в инверторе напряжения мощных высоковольтных полевых транзисторов высока вероятность снижения надежности работы. Автономный инвертор напряжения с квазирезонансной коммутацией может выйти из строя из-за вторичного пробоя паразитного биполярного транзистора в структуре высоковольтного полевого транзистора, активированного накопленным зарядом неравновесных носителей в интегрированном встречно-параллельном диоде, вывод которого затруднен при низких уровнях напряжений в интервалах прямой проводимости структуры полевого транзистора.
Изобретение направлено на решение задачи расширения области применения автономного инвертора напряжения с квазирезонансной коммутацией, в том числе, на повышенных частотах, что является целью изобретения.
Указанная цель достигается тем, что в способе управления автономным инвертором напряжения с квазирезонансной коммутацией, по которому формируют и поочередно подают импульсы управления на вентили, формирующие прямую и обратную полуволны тока в нагрузке, измеряют мгновенное значение тока в диагонали переменного тока инвертора, определяют момент равенства тока в диагонали переменного тока инвертора нулевому значению, подают импульс управления и включают очередные вентили не ранее момента равенства тока в диагонали переменного тока инвертора нулевому значению, вырабатывают прямоугольные импульсы с периодом 0,5 Т, где Т – период выходного переменного тока, срез которых задает моменты выключения вентилей, задают уровень напряжения и интервал времени, подают импульс управления и включают очередные вентили по истечении заданного интервала времени, интервал времени отсчитывают от момента равенства тока в диагонали переменного тока инвертора нулевому значению, интервал времени задают из условия достижения напряжением на очередных вентилях, в течение заданного интервала времени, заданного уровня напряжения.
Существенным отличием, характеризующим изобретение, является расширения области применения автономного инвертора напряжения с квазирезонансной коммутацией. В инверторе напряжения могут быть эффективно использованы современные мощные высоковольтные полевые транзисторы и гарантирована безаварийная работа на повышенной частоте. Существенно расширяется диапазон рабочих частот. Заявляемый способ управления автономного инвертора напряжения с квазирезонансной коммутацией обеспечивает надежное восстановление внутреннего встречно-параллельного диода в структуре полевого транзистора после его интервала проводимости, вывод накопленного на периферии канала заряда неравновесных носителей и существенно снижает вероятность вторичного пробоя паразитного биполярного транзистора и выход инвертора напряжения из строя. Повышается стойкость приборов к скорости нарастания напряжения на них и стойкость к лавинному пробою.
Расширение области применения автономного инвертора напряжения с квазирезонансной коммутацией является полученным техническим результатом, обусловленным новыми действиями в способе управления и порядком их осуществления, то есть отличительными признаками настоящего изобретения. Таким образом, отличительные признаки заявляемого способа управления автономным инвертором напряжения с квазирезонансной коммутацией являются существенными.
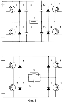
На фиг.1 приведены варианты электрических схем (модификаций) автономного инвертора напряжения с квазирезонансной коммутацией, на фиг.2 – упрощенные временные диаграммы сигналов в силовой схеме автономного инвертора напряжения с квазирезонансной коммутацией, управляемого по заявляемому способу, на фиг.3 – функциональная схема варианта системы управления автономным инвертором напряжения с квазирезонансной коммутацией, поясняющая заявленный принцип управления.
На схемах фиг.1 автономные инверторы напряжения содержат, подключенный к входным выводам (+, -) выводами постоянного тока однофазный мост, выполненный на управляемых вентилях 1-4 со встречно-параллельными диодами 5-8, нагрузку 9, подключенную к выводам переменного тока однофазного моста, формирующие конденсаторы 10-13, шунтирующие управляемые вентили или нагрузку. Возможны варианты схем четвертьмостового, полумостового однофазного или мостового трехфазного инвертора напряжения, а также комбинированные схемы с формирующими конденсаторами, шунтирующими управляемые вентили и цепи нагрузки одновременно.
Схема системы управления фиг.3 содержит последовательную цепь, включающую датчик тока (ДТ) 14, нуль-орган (НО) 15, одновибратор (ОВ) 16, RS-триггер (ТГ) 17 с входом обнуления, двухвходовую логическую схему (ИЛИ) 18, двухвходовую логическую схему (И) 19 и выходной каскад (ВК) 20, нагруженный на управляющие электроды соответствующих вентилей первой диагонали однофазного моста инвертора напряжения, вторую последовательную цепь, включающую двухвходовую логическую схему (ИЛИ) 21, вход которой соединен с выходом RS-триггера первой последовательной цепи, двухвходовую логическую схему (И) 22 и выходной каскад (ВК) 23, нагруженный на управляющие электроды соответствующих вентилей второй диагонали однофазного моста инвертора напряжения, третью и четвертую последовательные цепи, содержащие датчик напряжения (ДН) 24, компаратор (К) 25 и RS-триггер (ТГ) 26 с входом обнуления, выход которого соединен со вторым входом двухвходовой логической схемы (ИЛИ) второй последовательной цепи, и, соответственно, датчик напряжения (ДН) 27, компаратор (К) 28 и RS-триггер (ТГ) 29 с входом обнуления, выход которого соединен со вторым входом двухвходовой логической схемы (ИЛИ) последовательной цепи, входы обнуления RS-триггеров (ТГ) последовательных цепей соединены с выходом нуль-органа (НО) последовательной цепи, вторые входы компараторов (К) третьей и четвертой последовательных цепей соединены с выходом источника задания (ИЗ) 30 уровня напряжения, пятую последовательную цепь, включающую задающий генератор (ЗГ) 31 и триггер (ТГ) 32 со счетным входом, выходы которого соединены со вторыми входами двухвходовых логических схем (И) последовательных цепей.
Входы датчиков напряжения (ДН) соединены с соответствующими управляемыми вентилями, а выходы выходных каскадов (ВК), как уже отмечено, подключены к управляющим электродам управляемых вентилей однофазного моста. Датчик тока (ДТ) измеряет ток в диагонали переменного тока однофазного моста инвертора.
Способ управления автономным инвертором напряжения с квазирезонансной коммутацией реализуется следующими действиями. Формируют и поочередно подают импульсы управления на вентили, формирующие прямую и обратную полуволны тока в нагрузке, измеряют мгновенное значение тока в диагонали переменного тока инвертора, определяют момент равенства тока в диагонали переменного тока инвертора нулевому значению, подают импульс управления и включают очередные вентили не ранее момента равенства тока в диагонали переменного тока инвертора нулевому значению, вырабатывают прямоугольные импульсы с периодом 0,5 Т, где Т – период выходного переменного тока, срез которых задает моменты выключения вентилей. При этом задают уровень напряжения и интервал времени, подают импульс управления и включают очередные вентили по истечении заданного интервала времени, который отсчитывают от момента равенства тока в диагонали переменного тока инвертора нулевому значению. Интервал времени задают из условия достижения напряжением на очередных вентилях, в течение заданного интервала времени, заданного уровня напряжения.
Автономный инвертор напряжения с квазирезонансной коммутацией в установившемся режиме при управлении по заявляемому способу работает следующим образом. Полный цикл работы (период) Т состоит из двух полупериодов, электромагнитные процессы в которых протекают аналогично. Отличия заключаются в том, что ток проводят разные группы управляемых вентилей (1-4) и встречно-параллельных диодов (5-8). Напряжение и ток через нагрузку 9 в разных полупериодах имеют различный знак. Каждый полупериод включает интервал паузы или свободного колебательного перезаряда соответствующих формирующих конденсаторов (10-12), интервал проводимости встречно-параллельных диодов (5-8), второй интервал паузы (заданный интервал) и интервал проводимости управляемых вентилей (1-4). В интервале паузы и на заданном интервале управляемые вентили (1-4) и встречно-параллельные диоды (5-8) тока не проводят. Интервал паузы начинается с момента выключения соответствующей пары управляемых вентилей 1, 4 или 2, 3. Управляемые вентили (1-4) и встречно-параллельные диоды (5-8) на каждом полупериоде включаются и проводят ток попарно. В первой схеме фиг.1 интервал паузы начинается, например, с момента выключения пары управляемых вентилей 2, 3. В момент выключения управляемых вентилей 2, 3 формирующие конденсаторы 11, 12 разряжены. То есть, выключение управляемых вентилей 2, 3 осуществляется при фактически нулевом напряжении на них. Формирующие конденсаторы 10, 13 заряжены до напряжения питания инвертора. За счет электромагнитной энергии, накопленной в полях формирующих конденсаторов 10, 13 и нагрузки 9, формирующие конденсаторы 11, 12 заряжаются по колебательному закону до напряжения источника питания инвертора, а формирующие конденсаторы 10, 11 разряжаются до нуля. В этот момент времени напряжение на нагрузке 9 положительное (+ на левом по схеме выводе нагрузки 9), а ток через нагрузку 9 протекает справа налево. При снижении напряжения на формирующих конденсаторах 10, 13 до нуля включаются встречно-параллельные диоды 5, 8. Таким образом, на интервале паузы напряжения на формирующих конденсаторах (11, 12), соединенных параллельно выключившимся управляемым вентилям (2, 3), нарастают, а напряжения на формирующих конденсаторах (10, 13), соединенных параллельно очередным включающимся в данном полупериоде управляемым вентилям (2, 3), снижаются по колебательному закону. Диаграммы напряжений u1 на управляемых вентилях 1, 4 и формирующих конденсаторах 10, 13, и u2 на управляемых вентилях 2, 3 и формирующих конденсаторах 11, 12 приведены на фиг.2. Интервалы паузы на фиг.2 обозначены как: [0, t1], [t4, t5], [t8, t9].
Ток через встречно-параллельные диоды (5-8) имеет квазитреугольную форму. Диоды (5-8) включаются на максимальный ток (фиг.2, ток i6). Однако коммутационные потери малы, так как напряжение на диодах (5-8) при включении равно нулю. Диоды (5-8) выключаются при нулевом токе и напряжении. Некоторое время диоды (5-8) проводят ток в обратном направлении за счет накопленных зарядов неравновесных носителей в их структуре. В течение заданного интервала к диодам (5-8) прикладывается отрицательное напряжение U (заданный уровень), что обеспечивает эффективный вывод накопленных зарядов.
Далее, по истечении заданного интервала , включаются управляемые вентили 1, 4. Ток через управляемые вентили 1, 4 и нагрузку 9 нарастает по экспоненциальному закону (аналогично фиг.2, ток i2). Управляемые вентили 1, 4 выключаются в конце полупериода.
На диаграммах фиг.2 управляемые вентили 2, 3 выключаются в момент времени t4, a управляемые вентили 1, 4 – в момент времени t8. Заданный интервал на фиг.2 соответствует интервалам [t2, t3], [t6, t7].
На фиг.3 прямоугольные импульсы с периодом 0,5 Т вырабатывает триггер со счетным входом ТГ 32 по сигналу с выхода задающего генератора ЗГ 31. Срез прямоугольных импульсов задает моменты выключения (релейно-импульсная модуляция) вентилей 1, 4 и 2, 3 (выходные каскады ВК 20 и ВК 23).
При минимальной нагрузке в течение заданного интервала (одновибратор OB 16) напряжение на очередных вентилях (1-4) возрастает до заданного уровня U (источник задания ИЗ 30). При увеличении нагрузки инвертора напряжение на управляемых вентилях (1-4) возрастает до уровня U в течение меньшего (чем ) интервала. Поэтому управляемые вентили (1-4) включаются несколько раньше, что обеспечивается работой логических схем ИЛИ 18, ИЛИ 21. Мгновенные значения напряжений на управляемых вентилях (1-4) измеряются датчиками напряжения ДН 24, ДН 27. Сравнение измеренных напряжений с заданным уровнем напряжения U осуществляется в компараторах К 25, К 28. Момент равенства тока в диагонали переменного тока инвертора нулевому уровню фиксируется датчиком тока ДТ 14 и нуль-органом НО 15. RS-триггеры ТГ 17, ТГ 28, ТГ 29 служат для поддержания логических уровней при срабатывании одновибратора OB 16 (срез сигнала) и компараторов К 25, К 28. Обнуление RS-триггеров ТГ 17, ТГ 28, ТГ 29 осуществляется по сигналу нуль-органа НО 15.
По сравнению с прототипом использование изобретения обеспечивает надежное восстановление внутреннего встречно-параллельного диода в структуре, вывод накопленного на периферии канала заряда неравновесных носителей и существенно снижает вероятность вторичного пробоя управляемого вентиля. Таким образом, расширяются области применения автономного инвертора напряжения с квазирезонансной коммутацией. В нем могут быть эффективно использованы современные мощные высоковольтные полевые транзисторы и гарантирована безаварийная работа на повышенной частоте. Существенно расширяется диапазон возможных рабочих частот. Повышается стойкость силовых приборов к скорости нарастания напряжения на них и стойкость к лавинному пробою.
Формула изобретения
Способ управления автономным инвертором напряжения с квазирезонансной коммутацией, по которому формируют и поочередно подают импульсы управления на вентили, формирующие прямую и обратную полуволны тока в нагрузке, измеряют мгновенное значение тока в диагонали переменного тока инвертора, определяют момент равенства тока в диагонали переменного тока инвертора нулевому значению, подают импульс управления и включают очередные вентили не ранее момента равенства тока в диагонали переменного тока инвертора нулевому значению, вырабатывают прямоугольные импульсы с периодом 0,5 Т, где Т – период выходного переменного тока, срез которых задает моменты выключения вентилей, отличающийся тем, что задают уровень напряжения и интервал времени, подают импульс управления и включают очередные вентили по истечении заданного интервала времени, интервал времени отсчитывают от момента равенства тока в диагонали переменного тока инвертора нулевому значению, интервал времени задают из условия достижения напряжением на очередных вентилях в течение заданного интервала времени заданного уровня напряжения.
РИСУНКИ
|
|