|
|
(21), (22) Заявка: 2009109503/09, 16.03.2009
(24) Дата начала отсчета срока действия патента:
16.03.2009
(46) Опубликовано: 20.07.2010
(56) Список документов, цитированных в отчете о поиске:
RU 2006119 С1, 15.01.1994. SU 951518, 18.08.1982. CN 2726823 Y, 18.08.1982. US 2003188432 А1, 09.10.2003. JP 2003116211 А, 18.04.2003.
Адрес для переписки:
450076, Республика Башкортостан, г.Уфа, ул. Коммунистическая, 19/1, кв.21, В.Б. Великанову
|
(72) Автор(ы):
Великанов Валерий Борисович (RU), Великанов Станислав Валерьевич (RU)
(73) Патентообладатель(и):
Великанов Валерий Борисович (RU)
|
(54) СПОСОБ ОТДЕЛЕНИЯ ИЗОЛИРУЮЩЕЙ ОБОЛОЧКИ С ПРОВОДОВ И ЖИЛ СИЛОВЫХ КАБЕЛЕЙ
(57) Реферат:
Изобретение относится к металлургической промышленности и может быть использовано для переработки отходов силовых кабелей (проводов) с электрической изоляцией из поливинилхлорида (ПВХ)-пластиката, других термопластичных полимеров, а также резины и бумаги. Технический результат: повышение производительности и качества обработки путем более полного отделения изолирующей оболочки от провода, а также снижение затрат при отделении изолирующей оболочки от провода на ремонт оборудования за счет отсутствия режущих кромок. Сущность изобретения: устанавливают между вальцами зазор, величина которого меньше диаметра жилы силового кабеля, создают давление между вальцами и вращают вальцы в противоположных направлениях. 1 ил., 1 табл.
Изобретение относится к металлургической промышленности и может быть использовано для переработки отходов силовых кабелей (проводов) с электрической изоляцией из поливинилхлорида (ПВХ)-пластиката, других термопластичных полимеров, а также резины и бумаги.
Известен способ разделки электрических кабелей (патент РФ 2057388, H02G 1/12, 1996.03.27), согласно которому деформируют кабель путем его сжатия снаружи с двух противоположных относительно оси кабеля сторон, отслаивают оболочку кабеля от его токоведущей жилы по двум противоположным сторонам кабеля, не подвергшимся сжатию, вводят остроконечные плугообразные клинья с канавками внутрь щелей, образовавшихся в результате отслоения оболочки, увеличивают щели путем углубления в них указанных клиньев и создают тем самым над канавками клиньев зоны поперечного натяжения оболочки кабеля, а также обеспечивают опору натянутой оболочки на края упомянутых канавок, прорезают режущим инструментом оболочку кабеля над канавками в зонах ее поперечного натяжения вдоль кабеля по двум его противоположным сторонам и отделяют оба образовавшихся лентообразных лепестка оболочки от токоведущей жилы путем их отвода в разные стороны от оси кабеля.
Недостатком данного способа является сложность реализации, невысокое качество обработки, а также значительные затраты на ремонт оборудования при отделении изолирующей оболочки от провода из-за режущих кромок.
Известен также способ снятия покрова и оболочки с кабеля (патент РФ 2221690, B26D 1/14, H02G 1/12, 2003.07.27), включающий подачу кабеля, внедрение в него средств разделки и перемещение их вдоль кабеля, по которому внедрение и перемещение средств разделки производят вдавливанием клиновых дисковых ножей и продольным обкатыванием ими кабеля параллельно его поверхности на глубину, соответствующую толщине слоев покрова и оболочки с учетом упругой податливости материалов кабеля.
Недостатком аналога является сложность реализации, а также значительные затраты на ремонт оборудования при отделении изолирующей оболочки от провода из-за режущих кромок.
Известен также способ отделения полимерной изоляции от металлической жилы электрического провода (патент РФ 2224341, H02G 1/12, H01B 15/00, 2004.02.20), заключающийся в том, что электрический провод помещают в растворитель или его пары, в качестве растворителя используют низшие н-алканы, или их смеси, или другие низкокипящие растворители, нагревают растворитель до температуры, при которой полимерная изоляция растворяется, причем нагревание растворителя с помещенным в него или его пары электрическим проводом проводят при повышенном давлении, выдерживают при этой температуре в течение времени, необходимого для отделения полимерной изоляции от металлической жилы, после чего металлическую жилу вынимают из раствора полимера, раствор охлаждают, выделенный в виде осадка полимер отфильтровывают и сушат в вакууме или при атмосферном давлении.
Недостатком аналога является сложность осуществления и невысокая производительность способа.
Наиболее близким по технической сущности и достигаемому результату к заявляемому является способ отделения провода от изолирующей оболочки (патент РФ 2006119, H02G 1/12, 1994.01.15), согласно которому провод в изолирующей оболочке пропускают между вальцами, сдавливают его, при сдавливании провода один из вальцов нагревают до температуры, обеспечивающей полное продавливание изолирующей оболочки, после чего отделяют провод от изолирующей оболочки.
Недостатком прототипа является наличие нагревательных элементов, что увеличивает массогабаритные показатели устройства и усложняет процесс отделения провода от изолирующей оболочки. Кроме того, возникает необходимость установления температурных датчиков для точного контроля температуры нагрева одного из валков, т.к. при температуре выше 145°С наблюдается налипание пластиката на горячий валок, а при температуре ниже 135°С степень обнажения токопроводящих жил снижается, что не позволяет эффективно проводить операцию разделения.
Задачей изобретения является повышение производительности и качества обработки путем более полного отделения изолирующей оболочки от провода, а также снижение затрат при отделении изолирующей оболочки от провода на ремонт оборудования за счет отсутствия режущих кромок.
Поставленная задача достигается тем, что в способе отделения изолирующей оболочки с проводов и жил силовых кабелей, по которому провод или жилу силового кабеля с изолирующей оболочкой протягивают между вальцами под давлением, в отличие от прототипа устанавливают между вальцами зазор, величина которого меньше диаметра провода или жилы силового кабеля, создают давление между вальцами и вращают вальцы в противоположном направлении.
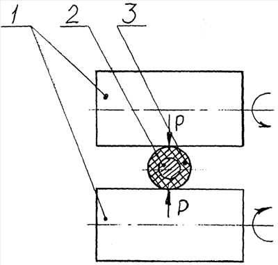
Сущность изобретения поясняется чертежом, на котором изображено устройство для реализации способа.
Устройство содержит вальцы 1, между которыми помещен провод или жила силового кабеля 2 с изолирующей оболочкой 3.
Сущность способа заключается в том, что провод или жилу силового кабеля 2 протягивают между вальцами 1, прижатыми с определенным усилием друг к другу. Величину зазора между вальцами устанавливают меньше величины диаметра провода или жилы силового кабеля. Изолирующую оболочку провода или жилы силового кабеля 3, изготовленную из поливинилхлорида (ПВХ), полиамида высокого давления (ПВД), резины или бумаги, помещают в зону высокого давления P (200-500 кг/см2), созданного вальцами 1, изготовленными из более твердого материала, например стали. При этом осуществляют продавливание провода или кабельной жилы, изготовленной из материала менее твердого, чем вальцы, например из меди или алюминия, вследствие чего происходит отделение изолирующей оболочки с провода или жилы силового кабеля.
Примеры конкретной реализации способа
Пример 1. По предложенному способу отделяли изолирующую оболочку из промасленной бумаги от алюминиевой жилы силового кабеля сечением 3×240 мм2. При удельном давлении 460 кг/см2 скорость отделения изолирующей оболочки от кабельной жилы составила 24 м/мин.
Пример 2. По предложенному способу отделяли изолирующую оболочку из резины от медной жилы силового кабеля сечением 3×28 мм2. При удельном давлении 250 кг/см2 скорость отделения изолирующей оболочки от кабельной жилы составила 24 м/мин.
Пример 3. По предложенному способу отделяли изолирующую оболочку из поливинилхлорида-пластиката (ПВХ-пластиката) от медной жилы силового кабеля 3×16 мм2. При удельном давлении 200 кг/см2 скорость отделения изолирующей оболочки от кабельной жилы составила 24 м/мин.
 |
Параметры способа |
Пример 1 |
Пример 2 |
Пример 3 |
Прототип |
| 1 |
Материал силового кабеля |
алюминиевая жила |
медная жила |
медная жила |
медная жила |
| 2 |
Материал изолирующей оболочки |
промасленная бумага |
резина |
ПВХ-пластикат |
ПВХ-пластикат |
| 3 |
Сечение силового кабеля, мм2 |
3×240 |
3×28 |
3×16 |
7×0,125 |
| 4 |
Удельное давление, кг/см2 |
460 |
250 |
200 |
10 |
| 5 |
Скорость отделения, м/мин |
24 |
24 |
24 |
3 |
Как видно из таблицы (пример 3 и прототип), при отделении изолирующей оболочки из одного и того же материала (ПВХ-пластикат) при одном и том же материале провода или силового кабеля (медная жила) применение заявляемого способа позволяет повысить скорость отделения, а соответственно, и производительность обработки в 8 раз.
Заявляемый способ по сравнению с аналогами прост в эксплуатации, технологичен, не требует дополнительного оборудования (режущих устройств или нагревательных элементов).
Итак, заявляемое изобретение позволяет повысить производительность и качество обработки путем более полного отделения изолирующей оболочки от провода, а также снизить затраты при отделении изолирующей оболочки от провода на ремонт оборудования за счет отсутствия режущих кромок.
Формула изобретения
Способ отделения изолирующей оболочки с жил силовых кабелей, по которому жилу силового кабеля с изолирующей оболочкой протягивают между вальцами под давлением, отличающийся тем, что устанавливают между вальцами зазор, величина которого меньше диаметра жилы силового кабеля, создают давление между вальцами и вращают вальцы в противоположных направлениях.
РИСУНКИ
|
|