|
|
(21), (22) Заявка: 2008130749/09, 24.07.2008
(24) Дата начала отсчета срока действия патента:
24.07.2008
(43) Дата публикации заявки: 27.01.2010
(46) Опубликовано: 20.07.2010
(56) Список документов, цитированных в отчете о поиске:
RU 2324139 С1, 10.05.2008. RU 2271057 С2, 27.02.2008. RU 54262 U1, 10.06.2006. US 5062586 А, 05.11.1991. FR 2627268 А1, 18.08.1989. ВОСКРЕСЕНСКИЙ Д.И. и др. Устройства СВЧ и антенны. – М.: Радиотехника, 2008, с.328-329.
Адрес для переписки:
115280, Москва, ул. Южнопортовая, 3а, ОАО “КБ “Аметист”, СНТИП
|
(72) Автор(ы):
Карев Лев Рафаилович (RU), Морозов Герман Алексеевич (RU), Самулевич Всеволод Всеволодович (RU), Сергеев Анатолий Николаевич (RU), Хасин Яков Соломонович (RU)
(73) Патентообладатель(и):
Российская Федерация, от имени которой выступает Министерство обороны Российской Федерации (RU), Открытое акционерное общество “Конструкторское бюро “Аметист” (RU)
|
(54) АНТЕННЫЙ ПОСТ РАДИОЛОКАЦИОННОЙ СТАНЦИИ
(57) Реферат:
Изобретение относится к радиотехнике и может использоваться в радиолокации для обнаружения целей, их захвата и сопровождения, например в радиолокационных системах управления оружием. Технический результат состоит в обеспечении повышения быстродействия системы управления оружием, например, по потоку ракет в угловом секторе атаки, в том числе низколетящих, повышении количества одновременно сопровождаемых целей и точности выработки их координат. Для этого работа первой антенны в режимах обнаружения целей и подсвета сектора их атаки позволяет использовать в качестве второй антенны сопровождения приемную антенную решетку с цифровым формированием необходимого количества независимых лучей. Использование антенной решетки с цифровым диаграммообразованием позволяет: одновременно сопровождать несколько целей и одновременно готовить данные по этим целям для управляемого оружия; формировать оптимальные по форме диаграммы направленности второй антенны в режимах захвата и сопровождения, что сокращает время захвата целей и повышает точность выработки координат сопровождаемых целей; формировать двухнулевые разностные диаграммы направленности в режиме сопровождения низколетящих целей (использовать метод Уайта), что повышает надежность их сопровождения. 4 з.п. ф-лы, 1 ил.
Изобретение относится к радиотехнике и может использоваться в радиолокации для обнаружения целей, их захвата и сопровождения, например в радиолокационных системах управления оружием.
Известен антенный пост радиолокационной станции, содержащий первую антенну с приводами, обеспечивающую обнаружение целей, и вторую антенну с приводами, обеспечивающую захват и сопровождение целей, расположенными одна под другой (“Jane s Naval Weapon Systems”, April 2003, стр.110).
В данном антенном посту для захвата и сопровождения целей используется приемопередающая зеркальная однолучевая антенна. Радиолокационная станция с такой антенной является принципиально одноцелевой, поэтому не позволяет радиолокационной системе оперативно управлять оружием по потоку высокоскоростных целей.
Технический результат состоит в обеспечении повышения быстродействия радиолокационной системы управления оружием, например, по потоку ракет в угловом секторе их атаки, в том числе низколетящих, за счет повышения количества одновременно сопровождаемых целей и точности выработки их координат.
Для этого в антенном посту радиолокационной станции (РЛС), содержащем первую антенну с приводами наведения, обеспечивающую обнаружение целей, и вторую антенну с приводами наведения, обеспечивающую захват и сопровождение обнаруженных целей, первая антенна выполнена приемопередающей в режиме обнаружения цели и передающей в режиме сопровождения, осуществляет облучение целей, предназначенных для сопровождения в выбранном для этого угловом секторе, а вторая антенна выполнена как приемная адаптивная антенная решетка с цифровым диаграммообразованием, формирующая одновременно несколько независимо сканирующих лучей в угловом секторе облучения целей первой антенной, и содержит матрицу из n×m антенных элементов, где n – число строк, m – число столбцов матрицы с соответствующими приемными устройствами, квадратурные выходы каждого приемного устройства соединены с соответствующими аналого-цифровыми преобразователями, выходы которых соединены с входами процессора, имеющего программное обеспечение, позволяющее в цифровом виде одновременно формировать множество независимых приемных суммарно-разностных и других диаграмм направленности.
Программное обеспечение процессора позволяет формировать приемные диаграммы направленности различной формы, оптимальные для захвата целей и их сопровождения, например:
1) при захвате цели в апертуре второй антенны формируется амплитудное распределение, обеспечивающее пониженный уровень боковых лепестков диаграммы направленности;
2) при сопровождении цели в апертуре второй антенны формируется равномерное амплитудное распределение, обеспечивающее наиболее узкую диаграмму направленности с наибольшей для данной антенны крутизной пеленгационной характеристики;
3) для сопровождения низколетящих целей с использованием метода Уайта в апертуре второй антенны формируется амплитудно-фазовое распределение, реализующее двухнулевую разностную диаграмму направленности.
Количество одновременно формируемых лучей может равняться количеству обнаруженных целей и в зависимости от боевой ситуации по одним целям могут формироваться лучи, оптимальные для их захвата, по другим целям – оптимальные для их сопровождения.
Реализация более широких возможностей приемной антенной решетки с цифровым диаграммообразованием в части решения задач захвата и одновременного сопровождения нескольких целей, по отношению к одноцелевой антенне сопровождения наиболее близкого аналога в предлагаемой конструкции антенного поста стала возможной благодаря совместному использованию первой и второй антенн.
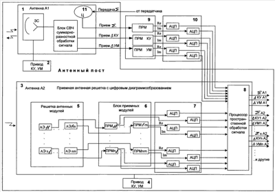
На чертеже дана схема антенного поста.
Устройство содержит первую приемопередающую антенну 1 с приводами наведения 2, обеспечивающую обнаружение целей, и вторую антенну 3 с приводами наведения 4, обеспечивающую захват и сопровождение обнаруженных целей, первая антенна 1 выполнена приемопередающей в режиме обнаружения цели и передающей в режиме сопровождения, осуществляющая облучение целей, предназначенных для сопровождения в выбранном для этого угловом секторе, вторая антенна 2 выполнена как приемная адаптивная антенная решетка с цифровым диаграммообразованием, формирующая одновременно несколько независимо сканирующих лучей в угловом секторе облучения целей первой антенной 1, и содержит матрицу из n×m антенных элементов 5, где n – число строк, m – число столбцов с соответствующими приемными устройствами 6, квадратурные выходы каждого приемного устройства соединены с соответствующими аналого-цифровыми преобразователями 7, выходы которых соединены с входами процессора 8, имеющего программное обеспечение, позволяющее в цифровом виде одновременно формировать множество независимых приемных суммарно-разностных и других диаграмм направленности, блок приемников 9, блок аналого-цифрового преобразования (АЦП) 10 и циркулятор 11.
В качестве антенны 1 может использоваться традиционная зеркальная однолучевая антенна.
Работа первой антенны в режимах обнаружения целей и последующего подсвета сектора их атаки позволяет использовать в качестве второй антенны приемную антенную решетку с цифровым формированием необходимого количества независимых лучей для захвата и сопровождения обнаруженных целей.
Объединение в антенном посту антенны, обеспечивающей обнаружение целей, и антенны, обеспечивающей их сопровождение на базе приемной антенной решетки с цифровым диаграммообразованием, позволяет сделать радиолокационную станцию автономной и увеличить ее быстродействие.
Увеличение быстродействия РЛС с антенным постом предлагаемой конструкции достигается:
– за счет снижения времени захвата цели, обеспечиваемого электронным сканированием второй антенны в секторе атаки потока ракет лучом с оптимальной для этой задачи формой диаграммы направленности и отсутствием механического наведения луча, имеющего место в наиболее близком аналоге;
– за счет исключения времени на переход с одной цели на другую, так как все доступные РЛС цели сопровождаются одновременно;
– за счет снижения времени перевода захваченной цели на автосопровождение, так как информация об обнаруженных и сопровождаемых целях обрабатывается общим процессором.
Сопровождение каждой цели собственным лучом повышает точность выработки координат сопровождаемой цели:
– за счет оптимизации формы диаграммы направленности второй антенны к задаче сопровождения;
– за счет исключения времени на переход с одной цели на другую, что позволяет увеличить время пеленгации цели и, в свою очередь, увеличить время когерентного и некогерентного накопления сигналов в устройствах временной обработки РЛС, повышающее отношение сигнал/шум.
Возможность формирования двухнулевых разностных диаграмм направленности в режиме сопровождения низколетящих целей позволяет использовать метод Уайта для повышения надежности и точности сопровождения этого класса целей.
Формула изобретения
1. Антенный пост радиолокационной станции (РЛС), содержащий первую антенну с приводами наведения, обеспечивающую обнаружение целей, и вторую антенну с приводами наведения, обеспечивающую захват и сопровождение обнаруженных целей, отличающийся тем, что первая антенна выполнена приемопередающей в режиме обнаружения цели и передающей в режиме сопровождения, осуществляющей облучение целей, предназначенных для сопровождения в выбранном для этого угловом секторе, а вторая антенна выполнена как приемная адаптивная антенная решетка с цифровым диаграммообразованием, формирующая одновременно несколько независимо сканирующих лучей в угловом секторе облучения целей первой антенной, и содержит матрицу из n×m антенных элементов, где n – число строк, m – число столбцов матрицы, с соответствующими приемными устройствами, квадратурные выходы каждого приемного устройства соединены с соответствующими аналого-цифровыми преобразователями, выходы которых соединены с входами процессора, имеющего программное обеспечение, позволяющее в цифровом виде одновременно формировать множество приемных суммарно-разностных и других диаграмм направленности.
2. Антенный пост по п.1, отличающийся тем, что программное обеспечение процессора позволяет формировать приемные диаграммы направленности различной формы, оптимальные для захвата целей и их сопровождения.
3. Антенный пост по п.2, отличающийся тем, что при захвате цели в апертуре второй антенны формируется амплитудное распределение, обеспечивающее пониженный уровень боковых лепестков диаграммы направленности.
4. Антенный пост по п.2, отличающийся тем, что при сопровождении цели в апертуре второй антенны формируется равномерное амплитудное распределение, обеспечивающее наиболее узкую диаграмму направленности с наибольшей для данной антенны крутизной пеленгационной характеристики.
5. Антенный пост по п.2, отличающийся тем, что для сопровождения низколетящих целей с использованием метода Уайта в апертуре второй антенны формируется амплитудно-фазовое распределение, реализующее двухнулевую разностную диаграмму направленности.
РИСУНКИ
|
|