|
(21), (22) Заявка: 2008150601/14, 22.12.2008
(24) Дата начала отсчета срока действия патента:
22.12.2008
(46) Опубликовано: 27.06.2010
(56) Список документов, цитированных в отчете о поиске:
RU 2246251 C1, 20.02.2005. RU 20071718 C1, 20.01.1997. WO 2006093712 A2, 08092006. ГОЛУБ Я.В. Определение индивидуального психофизиологического профиля – актуальная задача медицины экстремальных ситуаций. – Организм и окружающая среда, 2000, 1, с.118-120. Heart Rate Variability, Standarts of measurement, physiological interpretation and clinical use. Europ. Heart Journal, 1996, 17, p.354-381.
Адрес для переписки:
125493, Москва, ул. Авангардная, 12, кв.42, С.Н. Колючкину
|
(72) Автор(ы):
Гриценко Геннадий Николаевич (RU), Колючкин Сергей Николаевич (RU), Седин Виктор Иванович (RU), Смирнов Борис Павлович (RU)
(73) Патентообладатель(и):
Гриценко Геннадий Николаевич (RU), Колючкин Сергей Николаевич (RU), Седин Виктор Иванович (RU), Смирнов Борис Павлович (RU)
|
(54) СПОСОБ ОПРЕДЕЛЕНИЯ ПРОФЕССИОНАЛЬНОЙ НАДЕЖНОСТИ СПЕЦИАЛИСТА ЭКСТРЕМАЛЬНОГО ПРОФИЛЯ ДЕЯТЕЛЬНОСТИ И УСТРОЙСТВО ДЛЯ ЕГО ОСУЩЕСТВЛЕНИЯ
(57) Реферат:
Изобретение относится к медицине и медицинской технике, а именно к средствам для отбора персонала и определению профессиональной надежности специалистов. При осуществлении способа проводят регистрацию и анализ психофизиологических данных исследуемого специалиста. При этом регистрацию психофизиологических данных и оценку реакции его сердечно-сосудистой системы осуществляют на основе анализа серии кардиоинтервалов, полученных из параметров фотоплетизмограммы исследуемого. Накопленную информацию о вариабельности сердечного ритма сохраняют в виде цифровых файлов, которые передают на персональный компьютер, в который вводят экспертные оценки результативности деятельности. Профессиональную надежность специалиста определяют путем вычисления ее величины методом канонических корреляционных связей между результативностью деятельности и величиной затрат организма – ценой деятельности. При осуществлении способа используют устройство для сбора, обработки и накопления информации о функциональном ответе сердечно-сосудистой системы человека на трудовую нагрузку. Устройство содержит блок датчика фотоплетизмограммы в виде инфракрасной оптической пары светодиода и фотодиода, выход которого подключен к входу шумоподавляющего фильтра измерительного блока датчика фотоплетизмограммы, который включает также последовательно соединенные с ним усилитель сигналов и аналого-цифровой преобразователь, подключенный к входу цифрового фильтра блока обработки сигналов с блока датчика фотоплетизмограммы, включающего также последовательно соединенные с ним дешифратор, компаратор, вариометр кардиоинтервала и анализатор состояния сердечно-сосудистой системы. Устройство снабжено также блоком управления, который содержит процессор, подключенный двунаправленной многоразрядной шиной к блоку оперативной памяти, связанному через многоразрядный разъем с выходом анализатора состояния сердечно-сосудистой системы. Цифроаналоговый преобразователь подключен ко второму многоразрядному выходу процессора, а выход через исполнительный элемент подключен ко входу светодиода блока фотоплетизмограммы. Многоразрядный выход блока визуализации подключен к второму многоразрядному входу процессора, при этом первый многоразрядный выход процессора соединен с многоразрядным разъемом для подключения персонального компьютера. Автономный блок питания подключен соответственно к входу процессора, входу блока оперативной памяти, цифроаналогового преобразователя, исполнительного элемента, блока визуализации, а также к светодиоду блока датчика фотоплетизмограммы и элементам, включенным в измерительный блок датчика фотоплетизмограммы и блок обработки сигналов с блока датчика фотоплетизмограммы. Использование изобретений позволяет повысить точность выявления специалистов, непригодных для работы в экстремальных условиях. 2 н. и 5 з.п. ф-лы, 2 ил.
Патентуемое изобретение относится к способам отбора персонала и определению профессиональной надежности специалистов экстремального профиля деятельности и найдет эффективное применение в медицине, психологии и гигиене труда, психофизиологии, социологии, профессиологии, акмеологии и т.п. К профессиям экстремального профиля деятельности, в частности, относятся:
– обслуживание и эксплуатация систем ядерной энергетики, производства по переработке углеводородов, предприятия химической промышленности;
– локализация чрезвычайных ситуаций, связанных с природными катаклизмами и нарушениями нормальной жизнедеятельности людей;
– боевая служба систем управления и эксплуатации современных вооружений, содержащих, прежде всего, ядерные и химические компоненты, во всех видах вооруженных сил;
– обслуживание высокотехнологичных транспортных средств в области освоения космического пространства, авиации, в море;
– отдельные виды спорта и туризма.
Известны традиционные способы оценки профессиональной пригодности кадров при подборе персонала, описанные в книге авторов Базарова Т.Ю., Еремина Е.Л. «Управление персоналом». М.: ЮНИТИ, 2001 г.
В частности, в книге описан способ оценки профпригодности (стр.227-231), который включает в себя последовательное проведение предварительной отборочной беседы, заполнение бланка заявления, проведение беседы по найму (интервью), тестирование, проверку рекомендаций и послужного списка, медицинский осмотр (при наличии особых требований к здоровью кандидата в зависимости от особенностей работы) и принятие решения о приеме или отказе в приеме на работу.
Недостаток известного способа заключается в том, что он предназначен для отбора на работу, не связанную с опасным производством или с чрезвычайными обстоятельствами и не требующую особой ответственности.
Известен также способ оценки профпригодности кадров при подборе персонала, описанный в вышеназванной книге (стр.328, 329), который методологически базируется на одновременном использовании трех теоретических подходов к изучению проявлений человека, а именно: психометрии, которая подразделяет поведение человека на ряд более или менее независимых категорий и предоставляет способы измерения, позволяющие сравнивать людей между собой; социально-психологические и антропологические принципы описания поведения, позволяющие фиксировать конкретные факты, выделять типичные способы поведения в конкретных условиях, обучать неспециалистов в области поведенческой психологии категоризованному, структурированному наблюдению за организационным поведением людей; клиническое наблюдение, дающее возможность сравнивать индивидуальные проявления в данный момент с тем, что клиницисты считают оптимальным для данной личности. Он включает моделирование ключевых моментов деятельности, разработку системы критериев оценки в соответствии со спецификой деятельности, испытание различными взаимодополняющими техниками и упражнениями с проведением оценки не только специалистами, но также специально подготовленными наблюдателями, причем проводится перекрестная (оценка каждого участника несколькими наблюдателями и каждым наблюдателем нескольких участников) оценка реального поведения с выявлением и описанием качественных характеристик, особенностей индивидуального стиля деятельности оцениваемых.
Недостатком известного способа оценки является тот факт, что оцениваются, в первую очередь, «технические возможности» человека к выполнению данной работы и не учитываются его нейропсихологические особенности.
Кроме того, в данной книге приведен (стр.336-337) способ оценки профпригодности персонала при подборе кадров, который включает в себя моделирование наиболее типичных деловых ситуаций посредством специальных упражнений, получение информации о профессиональных целях и ценностях, организаторских способностях, коммуникативных и личностных качествах от самого оцениваемого с помощью интервью, психологическое тестирование с целью получения информации о качествах, влияющих на поведение человека в организации, и его профессиональной эффективности, проведение организационно-управленческих игр и составление заключения.
Недостаток известного способа заключается в том, что он также ориентирован преимущественно только на определение деловых качеств, между тем как в последнее время участились случаи нервных срывов при выполнении людьми своих обязанностей в чрезвычайных или сложных обстоятельствах.
Известен способ определения профессиональной пригодности персонала при отборе кадров (патент РФ 2089101 «Способ определения профессиональной пригодности и психологической подготовки работников органов внутренних дел», МПК: А61В 5/16).
Известный способ включает оценку параметров сердечно-сосудистой и дыхательной систем, внимания и быстроты реакции до и после психофизических нагрузок, в процессе предъявления которых осуществляют внезапное воздействие психогенными и помеховыми факторами, дополнительно определяют электрокожное сопротивление, правильность выбора решения, память, способность к логическому мышлению, время, затраченное на выполнение отдельных этапов и всего задания, полученные показатели оценивают в баллах и по сумме определяют профессиональную пригодность и психологическую подготовку. При этом в процессе подготовки воздействуют визуальным, звуковым, тактильным и запаховым раздражителями, а также дополнительно черно-желтым визуальным раздражителем.
Недостатком известного способа является тот факт, что с его помощью оценивается, в основном, способность здорового человека к физическим нагрузкам и принятию решения в сложной ситуации, но не принимаются во внимание возможные «неполадки» в состоянии его центральной нервной системы, могущие привести к тяжелым последствиям.
Известен также способ оценки профессиональной пригодности персонала для различных видов деятельности (патент РФ 2245097, МПК: А61В 5/16), наиболее близкий по технической сущности к патентуемому изобретению и выбранный в качестве прототипа.
Известный способ по патенту РФ 2245097 включает проведение физиологического обследования с регистрацией электроэнцефалограмм, психологическое тестирование для определения профессионально важных качеств персонала и принятие решения о профессиональной пригодности по результатам обследования и тестирования. Особенностью известного способа является то, что физиологическое обследование с регистрацией электроэнцефалограмм дополняют методом когнитивных вызванных потенциалов и выполняют как нейропсихологическое для выявления грубых и скрытых органических поражений головного мозга, обуславливающих патологию центральной нервной системы. Кроме того, дополнительно проводят психофизиологические обследования персонала, которые включают:
– оценку зрительного анализатора, оценку зрительно-моторной реакции и по ней оценку выбора, оценку различения, оценку помехоустойчивости,
– а также оценку показателя мышечной выносливости, оценку координации движений, оценку реакции на движущийся объект и интегральную оценку свойств внимания и способности восприятия значимой информации, оценку скоростных возможностей двигательного анализатора и оценку характера реакции сердечно-сосудистой системы на заданную психоэмоциональную нагрузку.
Обследование выполняют последовательно как первичный контроль при устройстве на работу, как периодический контроль и сопровождение процесса обучения и противоаварийных тренировок.
Психологическое тестирование выполняют многоаспектным, для чего используют набор методик и тестов, обладающих надежностью, а также прогностической и содержательной валидностью и включающих интеллектуальные и проективные тесты, а также стандартизированные самоотчеты, при принятии решения о профпригодности по итогам обследования и тестирования выделяют «группу риска» из оперативного персонала.
Существенными недостатками известного способа-прототипа являются:
– большой объем психофизиологических обследований специалистов с использованием специального медицинского оборудования, в частности способ предусматривает проведение физиологического обследования с регистрацией электроэнцефалограмм, применение метода когнитивных вызванных потенциалов для выявления грубых и скрытых органических поражений головного мозга, оценку зрительного анализатора, оценку зрительно-моторной реакции и по ней оценку выбора, оценку различения, оценку помехоустойчивости, а также оценку показателя мышечной выносливости, оценку координации движений, оценку реакции на движущийся объект и интегральную оценку свойств внимания и способности восприятия значимой информации, оценку скоростных возможностей двигательного анализатора и т.п.
Подобный максимализм психофизиологических исследований естественно требует помещения обследуемого специалиста в специальное медицинское учреждение, что негативно отражается на объективности окончательной оценки профессиональной пригодности специалиста и вносит значительные погрешности в итоговые выводы обследования, поскольку все многочисленные этапы обследования проводят в специфической обстановке, которая далека от реальной обстановки профессиональной деятельности специалиста, и его реакции на те или иные тесты и задания не адекватны практическим реалиям деятельности специалиста;
– для реализации известного способа требуется сложное, дорогостоящее и многофункциональное медицинское оборудование, что существенно ограничивает область реального использования запатентованного способа.
Что касается аппаратной реализации патентуемого изобретения в части выбора наиболее близкого по технической сущности устройства (прототипа) для реализации патентуемого способа определения профессиональной пригодности, то известно устройство для определения психофизиологического состояния человека (патент РФ 2214166, А61В 5/16).
Устройство, описанное в патенте РФ 2214166, содержит последовательно соединенные между собой блок датчиков электрокожного сопротивления (ЭКС) и фотоплетизмограммы (ФПГ), двухканальный измерительный блок, двухканальный блок обработки сигналов, анализатор психофизиологического состояния (ПФС) человека, блок выбора комбинации тест-стимулов, воздействующих на человека-оператора. Измерительный блок содержит в каждом канале шумоподавляющий фильтр, усилитель и аналого-цифровой преобразователь. Блок обработки сигналов выполнен по числу каналов на цифровых фильтрах, дифференциаторах и компараторах, а также блоках определения психоэмоционального состояния человека, накопления и определения параметров R-R интервалов и анализаторе состояния сердечно-сосудистой системы. Устройство обеспечивает повышение оперативности и достоверности результатов диагностики, а также увеличение информативности определения психофизиологического состояния человека и обеспечение надежности профессиональной деятельности и сохранения здоровья различных категорий населения за счет расширения функциональных возможностей.
Существенным недостатком известного устройства являются его увеличенные габаритные размеры, а также необходимость постоянного подключения к персональному компьютеру, что обуславливает возможность его использования только в стационарных условиях. Использование известного устройства отвлекает и сковывает специалиста, что приводит к значительным погрешностям измерения и неадекватным выводам относительно его профессиональной пригодности.
Настоящее изобретение решает задачу:
– повышения точности оценки реального уровня профессиональной готовности специалиста экстремального профиля деятельности и исключения (сокращения) субъективных показателей и характеристик при оценке уровня профессиональной надежности специалиста;
– получения объективных расчетных показателей уровня профессиональной надежности специалиста;
– повышения точности выявления специалистов, непригодных для работы в экстремальных ситуациях;
– повышения достоверности и объективности показателей результативности труда специалиста и величины его психофизиологических затрат в процессе труда;
– сокращения объема психофизиологических обследований специалиста и упрощения технических средств для реализации способа оценки профессиональной пригодности специалиста;
– упрощения схемотехнической реализации устройства для осуществления патентуемого способа, достижения компактности, автономности его работы, высокой надежности и информативности съема информации о психофизиологическом состоянии исследуемого специалиста.
Решение поставленной задачи достигается следующим образом.
Согласно патентуемому изобретению, оценку профессиональной надежности специалиста экстремального профиля деятельности (СЭПД), осуществляют на основе анализа серии кардиоинтервалов, полученных в результате исследования параметров его фотоплетизмограммы (ФПГ). На наружной поверхности верхней трети плеча левой или правой руки специалиста закрепляют блок датчика ФПГ, при этом процессор блока управления предварительно программируют на формирование определенной серии кардиоинтервалов. Затем осуществляют регистрацию, измерение и обработку сигналов блока датчика ФПГ. Накопленную информацию о состоянии сердечно-сосудистой системы (ССС) сохраняют до конца рабочей смены в виде цифровых файлов, содержащих рассчитанные параметры вариабельности сердечного ритма (ВСР).
Для расчета надежности СЭПД изобретение предусматривает передачу накопленной информации в виде параметров, характеризующих функциональный ответ ССС человека на трудовую нагрузку, на персональный компьютер. В процессе расчета:
– оценивают достигнутый результат деятельности;
– оценивают психофизиологическое состояние специалиста путем оценки вариабельности сердечного ритма;
– проводят проверочные мероприятия по определению надежности работы СЭПД путем предъявления ему специальных по профилю работы интеллектуальных, психомоторных и т.п.компьютерных тестовых заданий с одновременной регистрацией ВСР;
– вводят экспертные оценки результативности трудовой деятельности;
– проводят оценку вариабельности сердечного ритма и величины надежности в различные периоды работы специалиста.
Для реализации патентуемого способа разработано компактное и удобное в проведении исследований устройство.
Устройство содержит блок датчика фотоплетизмограммы (ФПГ) в виде инфракрасной оптической пары на основе светодиода и фотодиода, измерительный блок сигналов датчика ФПГ и блок обработки сигналов с блока датчика ФПГ. Согласно патентуемому изобретению устройство снабжено блоком управления, который содержит процессор, блок оперативной памяти, цифроаналоговый преобразователь, исполнительный элемент, например, на основе реле и автономный блок питания, обеспечивающий функционирование устройства в автономном режиме, и два многоразрядных разъема для подключения патентуемого устройства к персональному компьютеру и блоку обработки сигнала датчика ФПГ.
Изобретением предусмотрено, что блок управления содержит клавиатуру и блок визуализации в виде жидкокристаллического дисплея для обеспечения возможности программирования процессора, контроля работы блока датчика ФПГ и внесения при необходимости программных поправок в работу устройства без использования стационарного персонального компьютера.
Технический результат патентуемого комплексного технического решения заключается в том, что разработанное изобретение позволяет:
– обеспечить высокую точность определения профессиональной надежности специалистов экстремального профиля деятельности за счет принципиально нового и технологичного способа мониторинга показателей психофизиологического состояния и психофизиологических затрат СЭПД и результатов его трудовой деятельности, преобразования этих показателей в конкретные расчетные данные, которые позволяют получить объективные параметры и характеристики профессиональной надежности специалиста с учетом сферы его практической деятельности;
– существенно снизить объем различных психофизиологических обследований и сложность используемой медицинской аппаратуры, что позволяет проводить обследования практически на рабочем месте специалиста и получать максимально адекватные и точные результаты его профессиональной надежности;
– реализовать на практике оптимальные физиологичные методы исследования параметров психофизиологического состояния (в частности, ритма сердца) и психофизиологических затрат СЭПД, которые позволяют получать точные и объективные показатели состояния организма специалиста не только в начале работы, в процессе работы, после ее завершения, но и в периоды ее наибольшей напряженности, что в итоге позволяет объективно исследовать и оценивать «запас прочности» конкретного специалиста в конкретных условиях его профессиональной деятельности;
– обеспечить получение в процессе мониторинга точной комплексной информации психофизиологических затрат и состояния специалиста, а также объективно оценить результативность профессионального труда. Это позволяет кардинально сократить «субъективную составляющую» в итоговой оценке профессиональной надежности специалиста, существенно повысить объективную независимость конечных результатов и выводов относительно уровня профессиональной надежности специалиста от ошибок, обусловленных «человеческим фактором», и специфики места проведения обследования;
– разработать устройство, компактное по схемотехнике, автономности работы и обеспечению высокой информативности получаемой медико-технической информации для проведения исследования специалистов экстремального профиля деятельности.
Сущность изобретения поясняется описанием патентуемого способа определения надежности СЭПД с использованием разработанного устройства и графическими материалами, на которых представлены:
фиг.1 – блок-схема устройства для реализации патентуемого способа;
фиг.2 – укрупненная блок-схема алгоритма работы блока управления.
Патентуемый способ реализуют с помощью аппаратно-программного комплекса, представляющего собой компактный носимый блок – регистратор психофизиологического состояния (основанный на регистрации серий кардиоинтервалов) и программного обеспечения, которое позволяет осуществить:
– оценку вариабельности сердечного ритма по методу Баевского P.M. в соответствии со стандартом Рабочей группы Европейского Кардиологического Общества и Северо-Американского общества стимуляции и электрофизиологиии;
– расчет профессиональной надежности СЭПД по способу выявления канонических корреляционных связей между результативностью работы и величинами затрат организма, полученных из оценки ВСР в процессе работы;
– проведение проверочных мероприятий по определению надежности работы СЭПД путем предъявления ему специальных (по профилю работы – интеллектуальных, психомоторных и др.) компьютерных тестовых заданий с одновременной регистрацией ВСР и принятия решения о прогнозе его надежности;
– ввод экспертных оценок результативности трудовой деятельности;
– вывод оценки вариабельности сердечного ритма и величины надежности в различные периоды работы специалиста для принятия оперативного решения.
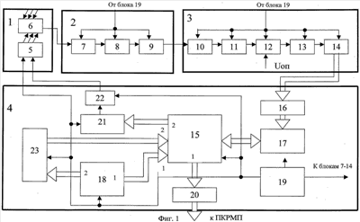
Устройство для определения профессиональной надежности СЭПД содержит (фиг.1) соединенные между собой и установленные в карманах специальной манжеты (не показана), крепящейся лентой велькро («липучка») на наружной поверхности верхней трети плеча левой или правой (для праворуких и леворуких людей, соответственно) руки, блок датчика фотоплетизмограммы 1, измерительный блок 2 сигналов с блока датчика ФПГ, блок обработки сигналов с блока датчика ФПГ 3 и блок управления 4.
Блок датчика фотоплетизмограмы (ФПГ) 1 выполнен в виде оптоэлектронной пары инфракрасного диапазона и содержит светодиод 5 (СД) инфракрасного диапазона излучения и фотодиод 6 (ФД).
Блок датчика ФПГ 1 воспринимает отраженный световой поток, пропорциональный кровенаполнению периферических сосудов человека и преобразует его в пульсирующий электрический ток, пропорциональный пульсации сердца. Электрический сигнал от фотодиода 6 представляет собой вторичную электрокардиограмму сердца. Подключение процессора 15 блока управления 4 (через реле 22 и цифроаналоговый преобразователь 21) к блоку датчика ФПГ 1 позволяет осуществлять регулировку блока датчика ФПГ 1 для обеспечения учета индивидуальных особенностей кожного покрова исследуемого специалиста, исключения из обработки кардиоимпульсов низкой амплитуды, а также других помеховых сигналов, возникающих за счет перемещения чувствительного элемента блока датчика ФПГ 1 при физической активности работника.
Измерительный блок 2 сигналов с блока датчика ФПГ включает последовательно соединенные шумоподавляющий фильтр 7, вход которого подключен к выходу фотодиода 6, усилитель сигналов 8 и аналого-цифровой преобразователь (АЦП) 9.
Аналого-цифровой преобразователь 9 необходим для преобразования электрических сигналов фотодиода 6 в цифровые. АЦП 9 должен иметь не менее 8 разрядов и быстродействие порядка 1 мс. В патентуемом устройстве может быть использован, например, стандартный по схемотехнике АЦП Analog Devices AD7810YN (каталог Чип Дип).
Блок обработки сигналов с блока датчика ФПГ 3 содержит последовательно соединенные цифровой фильтр 10, вход которого подключен к выходу АЦП 9, дифференциатор 11, компаратор 12, вариометр кардиоинтервала 13 и анализатор состояния сердечно-сосудистой системы 14.
Компаратор 12 обеспечивает сравнение амплитуды сигнала ФПГ с опорным значением Uonop. Выход компаратора 12 канала ФПГ соединен с вариометром кардиоинтервала 13, накапливающим массив их значений и определяющим их вариабельность (степень изменчивости). Выход вариометра 13 соединен с анализатором состояния сердечно-сосудистой системы (ССС) 14, определяющим уровень напряжения регуляторных механизмов ССС.
С помощью анализатора состояния сердечно-сосудистой системы 14 осуществляют оценку уровня напряжения регуляторных механизмов ССС человека на основе расчета параметров вариабельности сердечного ритма, в том числе:
– определение статистических характеристик динамического ряда кар-диоинтервалов: математическое ожидание /М/, дисперсия /Д/, среднее квадратическое отклонение /СКО/, коэффициент вариации /V/;
– оценка вариационной пульсометрии в виде гистограммы с обозначением Мо (моды), АМо (амплитуды моды), ВАР (вариационного размаха);
– расчет корреляционной ритмографии по методу графического представления динамического ряда кардиоинтервалов в виде скаттерограммы;
– вычисление и построение автокорреляционной функции динамического ряда кардиоинтервалов;
– оценка результатов спектрального анализа, с помощью которого оценивается взаимодействие отдельных уровней управления ритмом сердца.
Анализатор состояния сердечно-сосудистой системы 14 для решения вышеприведенных задач может быть выполнен на процессоре Intel Pentium II 450 MHz, который может быть реализован, например, на микросхеме SL2WB или SL2U7.
Блок управления 4 осуществляет программное управление работой устройства и содержит:
– процессор 15, обеспечивающий процесс управления съемом и анализом ФПГ;
– блок оперативной памяти 17, многоразрядный вход которого, через многоразрядный разъем 16 соединен с многоразрядным выходом анализатора состояния сердечно-сосудистой системы 14, подключен двунаправленной многоразрядной шиной к процессору 15;
– клавиатуру 18, первый многоразрядный выход которой подключен к первому многоразрядному входу процессора 15;
– автономный блок питания 19, обеспечивающий работоспособность энергопотребляющих элементов устройства и подключенный соответственно к входу процессора 15, блоку оперативной памяти 17, клавиатуре 18, а также к схемотехническим элементам 5, 7-14 устройства;
– многоразрядный разъем 20 для подключения патентуемого устройства к персональному компьютеру (ПК);
– цифроаналоговый преобразователь (ЦАП) 21, многоразрядный вход которого подключен к второму многоразрядному выходу процессора 15, а выход через исполнительный элемент, например реле 22, к входу светодиода 5, тем самым обеспечивается возможность программного управления СД 5 (включение и выключение, регулировка яркости свечения). ЦАП 21 обеспечивает преобразование цифровых сигналов в аналоговые и может быть реализован, например, в виде микросхемы Analog Devices AD7224KN (каталог Чип Дип);
– блок визуализации 23 в виде жидкокристаллического дисплея, многоразрядный выход которого подключен к второму многоразрядному входу процессора 15, многоразрядный вход подключен к второму многоразрядному входу клавиатуры 18.
Блок визуализации 23 в виде жидкокристаллического дисплея и клавиатура 18 предназначены для обеспечения возможности программирования процессора 15, контроля работы блока датчика ФПГ 1 и внесения, при необходимости, программных поправок в работу устройства без использования стационарного персонального компьютера.
Клавиатура 18 и блок визуализации 23 могут быть реализованы в одном блоке тачскрина КПК, например, марки HP iPAQ hx4700.
Блок управления 4 в зависимости от функциональных задач может иметь различную конечную схемотехническую реализацию.
В простейшей схемотехнической реализации блок управления 4 содержит процессор 15, многоразрядный разъем 16, блок оперативной памяти 17 и автономный блок питания 19. В качестве процессора 15 может быть использован, например, микроконтроллер ATMEGA8535, микропроцессор или другие устройства, аналогичные по функциям программируемой логической интегральной схеме (ПЛИС). В данной схемотехнической редакции блока управления 4 программирование процессора 15 осуществляется непосредственно с клавиатуры персонального компьютера, подключенного через многоразрядный разъем 20.
Возможна схемотехническая реализация блока управления 4 с персональной клавиатурой 18, которая обеспечивает возможность непосредственного программирования процессора 15 как перед началом исследования состояния СЭПД, так и в процессе проведения исследований и внесения каких-либо изменений в характер работы блока датчика ФПГ 1.
Блок оперативной памяти 17 обеспечивает хранение сравнительно больших объемов информации. В качестве оперативной памяти 17 используют, например, микросхему AM29F010.
Многоразрядный разъем 16, 20 (порт USB) предназначен для подключения различных внешних устройств и может быть реализован, например, на базе разъема ВН 1.27-40 (каталог ЧипДип). Возможна и другая схемотехническая реализация многоразрядного разъема. В частности, многоразрядный разъем 20 служит для подключения, например, персонального компьютера рабочего места психофизиолога (КПРМП). Для этих целей может быть использован, например, разъем RJ 45.
Автономный блок питания 19 обеспечивает электрическое питание блоков и элементов устройства и может быть реализован, например, в виде источника питания марки Mean Well АП 6121.
Блок 21, выполняющий функцию цифроаналогового преобразования сигналов управления работой СД 5 от процессора 15, может быть реализован на схеме ATMEGA8 (каталог фирмы «AMTEL»).
Блок управления 4 (в частности) может быть реализован на базе карманного персонального компьютера (КПК), например, марки HP JPAQ hx4700 (оперативная система – Microsoft Windows Mobile 2003 SE, процессор Intel PXA270, 624 МГц, RAM 64 мб, ROM 128 мб).
Клавиатура 18 и блок визуализации 23 (ЖК дисплей) могут быть реализованы как конструктивные устройства КПК.
Необходимо отметить, что специалисты, работающие в области медицинской радиоэлектронной аппаратуры, располагают соответствующими знаниями о наличии многообразных комплектующих элементов для конечной реализации патентуемого устройства помимо тех элементов, что приведены в качестве возможных вариантов реализации.
Конкретная техническая реализация и идентификация всех возможных исходных компонентов и комплектующих элементов для производства патентуемого устройства не представляет труда для специалистов, поскольку вытекает из уровня техники на основе практических данных и включает в себя известные стандартные комплектующие элементы и компоненты, зафиксированные в различных научно-технических изданиях и справочниках, в силу чего более подробное раскрытие этих исходных компонентов и комплектующих элементов нецелесообразно.
Изготовление всего устройства не требует применения специальных технологий и может быть реализовано по стандартной схеме изготовления радиоэлектронной аппаратуры. Вся элементная база выпускается серийно и доступна для свободного приобретения.
Определение надежности СЭПД с использованием разработанного устройства проводят следующим образом.
Перед закреплением патентуемого устройства на наружной поверхности верхней трети плеча левой или правой руки осуществляют программирование процессора 15 блока управления 4. В результате процессор 15 формирует, согласно заложенной программе, 15 сеансов съема выборок из 100 кардиоинтервалов (всего 1500 кардиоинтервалов) на протяжении четырех часов рабочего времени. Укрупненная блок-схема алгоритма работы процессора 15 приведена на фиг.2. При этом заявителем для осуществления патентуемого способа и расчета профессиональной надежности СЭПД разработано соответствующее полное и подробное программное обеспечение.
Процессор 15 разработанного устройства позволяет при начальной настройке реализовать следующие варианты работы устройства:
а) при известном графике трудовых операций и прогнозируемом времени наступления критических или сложных действий:
– запись начальных, фоновых параметров ССС перед началом работы в спокойной обстановке (одна выборка из 100 кардиоинтервалов);
– периодическая запись ФПГ перед наступлением критического этапа работы (с интервалом от 15 до 5 минут);
– регулярная запись ФПГ в течение критического этапа с интервалом в пять минут (время записи одной выборки из 100 кардиоинтервалов составляет 90 секунд);
– запись ФПГ после завершения сложных действий, периодичность определяется объемом устройства (15 выборок – использованные ранее),
б) при непрогнозируемом ритме работы запись ФПГ планируется равномерно на четыре часа, то есть 15 выборок через 15 минут работы.
После программирования процессора 15 блока управления 4 разработанное устройство закрепляют на обследуемом специалисте.
Оптоэлектронная пара инфракрасного диапазона, состоящая из светодиода 5 (СД) подсветки кровеносных сосудов и фотодиода 6 (ФД) воспринимают отраженный световой поток, пропорциональный кровенаполнению периферических сосудов человека, и преобразуют его в пульсирующий электрический ток, пропорциональный пульсации сердца. Электрический сигнал от ФД 6, представляющий собой вторичную электрокардиограмму сердца, поступает на вход измерительного блока сигналов ФПГ 2. Шумоподавляющий фильтр 7 для выделения полезного сигнала кардиоимпульсов, превышающих определенный пороговый уровень, устанавливается при калибровке и настройке прибора для исключения из обработки кардиоимпульсов низкой амплитуды, а также других помеховых сигналов, возникающих при физической активности СЭПД. После прохождения шумоподавляющего фильтра 7 сигналы усиливают усилителем 8 до величины, обеспечивающей нормальную работу аналого-цифрового преобразователя (АЦП) 9. Аналогоцифровой преобразователь 9 измерительного блока 2 преобразует сигнал кардиоимпульсов в цифровую форму.
С выхода измерительного блока 2 цифровые коды кардиоритмов поступают на вход блока обработки сигналов с блока датчика ФПГ 3 в цифровой фильтр 10. После цифровой фильтрации в блоке 10 (понижение частоты дискретизации и избирательная фильтрация) преобразованный сигнал через дифференциатор 11 блока обработки сигналов 3, в котором выделяются передние фронты кардиоимпульсов, характеризующие временные параметры измеряемых сигналов, поступает через компаратор 12 на вход вариометра 13, который определяет степень изменчивости кардиоинтервалов и накапливает статистические параметры массива выборки интервалов. Полученные данные подаются на анализатор состояния ССС испытуемого 14, в котором определяется психофизиологическое состояние человека в процессе выполнения им необходимых трудовых действий.
Полученная информация о состоянии ССС специалиста с многоразрядного выхода блока обработки сигналов ФПГ 3 поступает через многоразрядный разъем 16 на многоразрядный вход блока оперативной памяти 17 блока управления 4.
Накопленная информация о состоянии ССС сохраняется в блоке оперативной памяти 17 до конца рабочей смены в виде цифровых файлов, содержащих рассчитанные параметры вариабельности сердечного ритма (ВСР). Максимально может быть создано 15 файлов по 25 параметров каждый, то есть (15×25=375). В патентуемом устройстве за величину рабочей смены принято четыре часа рабочего времени (смена, вахта).
Собранная, обработанная и накопленная таким образом комбинированная информация в виде параметров, характеризующих функциональный ответ ССС человека на трудовую нагрузку, после завершения работы с многоразрядного выхода блока управления 4 через многоразрядный разъем 20 передается на персональный компьютер рабочего места психофизиолога (ПКРМП) для расчета надежности СЭПД.
Расчет надежности СЭПД на основе полученной информации осуществляют в персональном компьютере рабочего места психофизиолога следующим образом.
Оценивают достигнутый результат деятельности: в общем случае, удовлетворительный и неудовлетворительный. Степень градации и количественные критерии могут быть различными в зависимости от характера деятельности, но они нормируются в пределах значений от 0 до 1 по результатам экспертного опроса, проведенного ранее при изучении требований надежности к специалисту на конкретном месте работы (в ходе профессиографического исследования).
Оценивают психофизиологическое состояние специалиста (в виде набора параметров ВСР, максимально – 375) на момент решения конкретной (оцениваемой) работы.
Каждая выборка обрабатывается по методу Баевского P.M. (статистический анализ динамического ряда кардиоинтервалов, вариационная пульсометрия, корреляционная ритмография, автокорреляционный и спектральный анализы).
Техническая задача, которая реализуется патентуемым устройством, состоит в отслеживании изменений в психофизиологическом состоянии сотрудника в экстремальных условиях труда и реагировании на быстрые, оперативные изменения в работе ССС, вызываемые, как правило, стрессовыми воздействиями на центральную нервную систему.
Исходя из того, что СЭПД прошел предварительное медицинское обследование, мероприятия профессионального психологического отбора, получил специальную профессиональную подготовку и признан годным к решению задач специальности, для оценки его надежности нами использованы именно те показатели ВСР, которые в наибольшей степени характеризуют напряжение регуляторных систем.
В патентуемом устройстве в качестве таких параметров избраны следующие 10 показателей ВСР по каждой выборке, то есть всего 15×10=150 значений.
1. Среднее значение кардиоинтервалов – величина, обратная частоте пульса (математическое ожидание М), которое характеризует текущий уровень функционирования ССС и зависит как от условий, действующих на организм в данный момент, так и от индивидуальных особенностей организма.
2. Мода кардиоинтервалов Мо – это наиболее часто встречающееся значение кардиоинтервала, которое характеризует наиболее вероятный уровень функционирования ССС.
3. Амплитуда моды АМо – это число кардиоинтрвалов, соответствующих моде, в процентном отношении к объему выборки, отражает стабилизирующий эффект централизации управления ритмом сердца и обусловлен, в основном, степенью активации автономного контура регуляции.
4. Среднее квадратическое отклонение СКО – это чрезвычайно чувствительный показатель состояния механизмов регуляции сердца. Изменения СКО могут быть связаны как с автономным, так и с центральным контурами регуляции. Как правило, рост СКО указывает на усиление автономной регуляции, резкое снижение СКО связано со значительным напряжением регуляторных систем, когда в процесс управления включаются высшие уровни, что ведет к почти полному подавлению активности автономного центра.
5. Коэффициент вариации V – это один из основных показателей вариабельности сердечного ритма, он указывает на суммарный эффект влияния на синусовый узел симпатического или парасимпатического отделов вегетативной нервной системы. В данном случае он использован как нормированный показатель величины дисперсии, что позволяет его применять для сравнения людей с различными значениями частоты пульса.
6. Вариационный размах ВАР – это разность максимального и минимального кардиоинтервалов, он отражает степень изменчивости значений кардиоинтервалов и связан с активностью парасимпатического отдела вегетативной нервной системы. Высокая вариативность указывает на относительно слабую централизацию управления сердечным ритмом, на преобладание автономного контура регуляции, однако в определенных условиях труда ВАР зависит в большой степени от состояния подкорковых нервных центров.
7. Коэффициент асимметрии As – позволяет судить о степени стационарности исследуемого динамического ряда кардиоинтервалов, о наличии и выраженности переходных процессов, в том числе и трендов.
8. Эксцесс Ex – показывает скорость изменения нестационарных случайных компонентов динамического ряда кардиоинтервалов и характеризует, в основном, локальные нестационарности, чем наличие трендов.
9. Индекс напряжения ИН – это производный показатель, рассчитываемый по соотношению ИН=АМо/2×Мо×ВАР, он характеризует активность механизмов регуляции кардиоритма, состояние центрального контура. Показатель очень чувствителен к усилению тонуса симпатической нервной системы, небольшие нагрузки (физические или психические) вызывают увеличение ИН в 1,5-2 раза, при значительных нагрузках он растет в 5-10 раз.
10. Вегетативный показатель ритма ВП – это производный параметр, рассчитываемый по соотношению ВП=1/Мо×ВАР, он характеризует сбалансированность системы регуляции между симпатическим и парасимпатическим отделами. Чем выше активность автономного контура регуляции (чем меньше величина ВП), тем более преобладает парасимпатический отдел вегетативной нервной системы.
Таким образом, формируется два множества показателей, комплексно характеризующих деятельность специалиста.
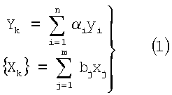
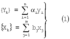
Введем {Yi}, i=1, 2, n, – совокупность показателей, характеризующих результативность деятельности, и {Xj}, j=1, 2, m, – совокупность параметров сердечного ритма, регистрируемых в ходе деятельности. Обозначим «наихудшее» и «наилучшее» состояние организма и достигнутые результаты как {Xj-}, {Xj+} и {Yi-}, {Yi+}, соответственно. Методом канонического корреляционного анализа вычисляются коэффициенты канонической корреляции « k», оценивающие силу связи между {Yi} и {Xj}.
Каждому значимому « k» соответствует пара канонических переменных:

Значимость « k» оценивается по критерию Бартлетта.
При подстановке в (1) значения показателей результативности и психофизиологического состояния «наилучших» и «наихудших» величин получаем соответствующие альтернативы для каждой пары: {Yk+,Xk+) и (Yk-,Xk-).
В n-мерном пространстве результативности и m-мерном пространстве психофизиологических показателей указанные пары канонических переменных играют роль центроидов. Применив метод Махаланобиса, оцениваем, насколько каждый случай оценки результата работы и состояния организма отклоняется от центров статистической совокупности (для данного индивида).
Таким образом, обозначив через: – расстояние текущей результативности до «наилучшего» состояния, Mtk- – расстояние текущего состояния до «наихудшего» показателя результативности, получаем интегральные оценки результативности и психофизиологической цены в момент времени «t»:

е – количество значимых (по Бартлетту) коэффициентов канонической корреляции « k».
Интегральные оценки Rt и Ct меняются в диапазоне – 0-1.
Крайние случаи:
1. Совпадение текущего (в момент t) состояния организма с «наилучшим» альтернативным состоянием соответствует максимальной результативности Rt=1 и минимальной цене Ct=0.
2. Совпадение текущего состояния с «наихудшим» альтернативным
(Mtk--Mtk=0) соответствует нулевой результативности Rt=0 и предельным возможностям организма Ct=1.
Текущая, фактически мгновенная надежность специалиста в контролируемый момент времени вычисляется по формуле:
Ht=K1RtK2(1-Ct).
Коэффициенты К1 и К2 в конкретной работе определяются экспертным путем исходя из требований, предъявляемых к данному виду деятельности. В общем случае (в том числе и при тестовых испытаниях) они определяются методом пошагового дискриминантного анализа результативности и цены по f – критерию Фишера.
Таким образом, за рабочую смену (4 часа) представляется возможность не менее 15 раз проконтролировать состояние специалиста, определить уровень его надежного функционирования, наблюдать динамику изменения работоспособности, не создавая при этом помех и неудобств в выполнении функциональных обязанностей.
По полученным результатам, которые сами по себе весьма информативны и используются в диагностике психофизиологического состояния работника, вычисляется интегральный критерий – показатель активности регуляторных систем (ПАРС), характеризующий состояние регуляторных систем, обусловленное приспособительными (адаптивными) реакциями организма. На его основе оценивается степень напряжения регуляторных систем – индекс напряжения (ИН). Этот параметр играет важнейшую роль в характеристике выраженности стресса и существенно зависит от функциональных резервов организма.
Создается база данных для фиксации в реальном, текущем времени снятых рядов кардиоинтервалов (15 выборок по 100 кардиоинтервалов), накопления и сохранения всех рассчитываемых параметров ВСР.
Сохраняются следующие показатели: средняя частота сердечных сокращений, среднее значение кардиоинтервалов, минимальный и максимальнй кардиоинтервалы, вариационный размах, дисперсия, среднее квадратическое отклонение, коэффициент вариации, мода, амплитуда моды, асимметрия, эксцесс, индекс вегетативного равновесия, вегетативный показатель ритма, показатель активности процессов регуляции, индекс функционального состояния, индекс напряжения, психофизиологическая цена, параметры кардиоцикла (А0, Т, Т0), параметры скаттерограммы (альфа, бета, альфа/бета, dN-N), всего 25 параметров, которые могут быть использованы врачом-кардиологом для оценки состояния ССС работника, ряд из названных показателей использованы в качестве исходных данных для расчета надежности.
Кроме того, на персональном компьютере психофизиолога, осуществляющего обследование специалиста, установлены тестовые программы для проведения предсменных испытаний СЭПД по различным деятельностным тестовым методикам (блоки: «Психомоторика», «Нейродинамика», «Внимание», «Память», «Антиципация», «Восприятие», «Мышление», «Деятельностные стили», «Теппинг», «Тремор», «Координация»).
В ходе тестового контроля осуществляется запись и анализ ВСР с автоматическим вводом параметров сердечного ритма и достигнутых результатов тестирования для расчета и прогноза надежности специалиста.
В соответствии с порядком расчета надежности специалиста экстремального профиля деятельности критерием определения профессиональной надежности специалиста является результат выполнения специалистом трудового задания и специальных профессиональных действий при минимальной психофизиологической цене их осуществления.
Признаком профессиональной надежности является величина расчета мгновенной надежности специалиста в контролируемый момент времени, производимого по формуле Ht=K1RtK2(1-Ct), где Rt – результативность, Ct – психофизиологическая цена, К1К2 – коэффициенты, которые определяются исходя из требований к конкретному виду деятельности методом пошагового дискриминантного анализа результативности и цены по f – критерию Фишера.
Признаком надежности специалиста является положительное значение показателя Ht – больше нуля.
Признаком ненадежности специалиста является нулевое и отрицательное значения показателя Ht.
Проведенные Заявителем тестовые испытания патентуемого способа определения профессиональной надежности СЭПД и устройства для его осуществления подтвердили:
– высокую индивидуальную точность и объективность получаемых в реальном масштабе времени результатов расчета профессиональной надежности специалистов экстремального профиля деятельности;
– а также компактность, высокую надежность работы и эксплуатационное удобство разработанного устройства для проведения мониторинга специалистов.
Формула изобретения
1. Способ определения профессиональной надежности специалиста, включающий регистрацию и анализ психофизиологических данных исследуемого специалиста, оценку характера реакции сердечно-сосудистой системы на заданную нагрузку, отличающийся тем, что регистрацию психофизиологических данных исследуемого и оценку реакции его сердечно-сосудистой системы осуществляют на основе анализа серии кардиоинтервалов, полученных из параметров фотоплетизмограммы исследуемого, для чего процессор блока управления программируют на формирование серий кардиоинтервалов, после чего блок датчика фотоплетизмограммы закрепляют, например, на руке исследуемого, осуществляют регистрацию, измерение и обработку сигналов блока датчика фотоплетизмограммы, накопленную информацию о вариабельности сердечного ритма сохраняют в виде цифровых файлов, которые передают на персональный компьютер, в который вводят экспертные оценки результативности деятельности исследуемого и определяют профессиональную надежность специалиста путем вычисления ее величины методом канонических корреляционных связей между результативностью деятельности и величиной затрат организма – ценой деятельности.
2. Способ по п.1, отличающийся тем, что для расчета достигнутого результата и оценки психофизиологического состояния специалиста формируют два множества показателей, комплексно характеризующих деятельность специалиста, так вводят {Yi}, i=1, 2, n – совокупность показателей, характеризующих результативность деятельности, и {Xj}, j=1, 2, m – совокупность параметров сердечного ритма, регистрируемых в ходе деятельности, обозначают «наихудшее» и «наилучшее» состояние организма и достигнутые результаты как {Xj-}, {Xj+} и {Yi-}, {Yi+}, где Yi – совокупность показателей, характеризующих результативность деятельности, при i=1, 2, n, где n – число показателей результативности деятельности; Xj – совокупность параметров сердечного ритма, регистрируемых в ходе деятельности, j=1, 2, m, где m – число физиологических показателей; ai и bj – коэффициенты корреляции из показателей Yi и Xj с соответствующей канонической переменной, соответственно, методом канонического корреляционного анализа вычисляют коэффициенты канонической корреляции « k», оценивающие силу связи между {Yi} и {Xj}, каждому значимому « k» соответствует пара канонических переменных:
 при этом значимость « k» оценивают по критерию Бартлетта, при подстановке в (1) значения показателей результативности и психофизиологического состояния «наилучших» и «наихудших» величин получают соответствующие альтернативы для каждой пары: (Yk+,Xk+) и (Yk-,Xk-); в n-мерном пространстве результативности и m-мерном пространстве психофизиологических показателей указанные пары канонических переменных играют роль центроидов, применяют метод Махаланобиса, оценивают, насколько каждый случай оценки результата работы и состояния организма отклоняется от центров статистической совокупности для данного индивида, обозначив через: Мtk+ – расстояние текущей результативности до «наилучшего» состояния, Mtk- – расстояние текущего состояния до «наихудшего» показателя результативности, получают интегральные оценки результативности и психофизиологической цены в момент времени «t»:
 е – количество значимых (по Бартлетту) коэффициентов канонической корреляции « k», при этом интегральные оценки Rt и Ct меняются в диапазоне – 0-1.
3. Способ по п.2, отличающийся тем, что текущая, фактически мгновенная, надежность специалиста в контролируемый момент времени вычисляется по формуле: Ht=K1RtK2(1-Ct), где коэффициенты K1 и К2 в конкретной работе определяют экспертным путем, исходя из требований, предъявляемых к данному виду деятельности, в общем случае, в том числе и при тестовых испытаниях, их определяют методом пошагового дискриминантного анализа результативности и цены по f-критерию Фишера.
4. Способ по п.1, отличающийся тем, что по полученным результатам вычисляют интегральный критерий – показатель активности регуляторных систем, который характеризует состояние регуляторных систем специалиста, и на основании которого оценивают степень напряжения регуляторных систем – индекс напряжения, характеризующий функциональные резервы организма.
5. Устройство для сбора, обработки и накопления информации о функциональном ответе сердечно-сосудистой системы человека на трудовую нагрузку для определения профессиональной надежности специалиста экстремального профиля деятельности, содержащее блок датчика фотоплетизмограммы, в виде инфракрасной оптической пары светодиода и фотодиода, выход которого подключен к входу шумоподавляющего фильтра измерительного блока датчика фотоплетизмограммы, который включает также последовательно соединенные с ним усилитель сигналов и аналого-цифровой преобразователь, подключенный к входу цифрового фильтра блока обработки сигналов с блока датчика фотоплетизмограммы, включающего также последовательно соединенные с ним дешифратор, компаратор, вариометр кардиоинтервала и анализатор состояния сердечно-сосудистой системы, при этом вход цифрового фильтра подключен к аналого-цифровому преобразователю, отличающееся тем, что устройство снабжено блоком управления, который содержит процессор, подключенный двунаправленной многоразрядной шиной к блоку оперативной памяти, связанному через многоразрядный разъем с выходом анализатора состояния сердечно-сосудистой системы, цифроаналоговый преобразователь, многоразрядный вход которого подключен ко второму многоразрядному выходу процессора, а выход – через исполнительный элемент, подключен ко входу светодиода блока фотоплетизмограммы, блок визуализации, многоразрядный выход которого подключен к второму многоразрядному входу процессора, при этом первый многоразрядный выход процессора соединен с многоразрядным разъемом для подключения персонального компьютера и автономный блок питания, подключенный соответственно к входу процессора, входу блока оперативной памяти, цифроаналогового преобразователя, исполнительного элемента, блока визуализации, а также к светодиоду блока датчика фотоплетизмограммы и элементам, включенным в измерительный блок датчика фотоплетизмограммы и блок обработки сигналов с блока датчика фотоплетизмограммы.
6. Устройство по п.5, отличающееся тем, что блок управления содержит клавиатуру, первый многоразрядный выход которой подключен к первому многоразрядному входу процессора, второй многоразрядный выход – к многоразрядному входу блока визуализации, а вход соединен с выходом автономного блока питания.
7. Устройство по п.5, отличающееся тем, что исполнительный элемент выполнен в виде реле.
РИСУНКИ
|