|
|
(21), (22) Заявка: 2009109706/09, 18.03.2009
(24) Дата начала отсчета срока действия патента:
18.03.2009
(46) Опубликовано: 20.06.2010
(56) Список документов, цитированных в отчете о поиске:
ЕВДОКУНИН Г.А. и др. Высоковольтные ВЛ. Коммутации и воздействия на выключатели. – Новости электротехники, 2008, 3 (51), с.64-68. RU 2341858 C2, 20.12.2008. RU 1421213 С, 20.01.1995. SU 537415 A1, 30.11.1976. SU 1814141 А1, 07.05.1993. US 4891569 А1, 02.01.1990.
Адрес для переписки:
111123, Москва, ул. 2-я Владимирская, 8, корп.1, кв.18А, А.М. Брянцеву
|
(72) Автор(ы):
Брянцев Александр Михайлович (RU), Лурье Александр Иосифович (RU)
(73) Патентообладатель(и):
Брянцев Александр Михайлович (RU)
|
(54) ВЫСОКОВОЛЬТНАЯ ВОЗДУШНАЯ ЛИНИЯ С ПРИСОЕДИНЕННЫМИ ШУНТИРУЮЩИМИ РЕАКТОРАМИ
(57) Реферат:
Использование: в области электротехники. Технический результат заключается в повышении технико-экономических параметров линии и расширении функциональных возможностей. В высоковольтной воздушной линии, содержащей неуправляемые шунтирующие реакторы, подсоединенные к шинам линии через выключатели, дополнительно введен управляемый шунтирующий реактор, например, управляемый подмагничиванием, подключенный к шинам линии. Диапазон регулирования реактивной мощности управляемого реактора определяется следующим соотношением:
qмакс QУРмакс 0,9Qмакс,
0>QУРмин 0,1Qмакс,
где QУРмакс – максимальная реактивная мощность управляемого реактора,
QУРмин – минимальная реактивная мощность управляемого реактора,
Qмакс – максимальная мощность реактора любого из неуправляемых реакторов. 1 ил.
Изобретение относится к области электротехники, в частности к устройствам компенсации реактивной мощности в сетях переменного тока высокого напряжения, и может быть использовано на подстанциях воздушных линий передач с установленными на них шунтирующими реакторами.
Известны аналоги – воздушные линии передач с подстанциями на передающем и приемном концах, на которых установлены неуправляемые шунтирующие реакторы, используемые для ограничения напряжения на приемном конце в режиме малых нагрузок и на холостом ходу путем компенсации зарядной (емкостной) реактивной мощности воздушных линий передач [1]. Недостатком таких компенсированных воздушных линий передач с неуправляемыми реакторами является снижение пропускной способности передач и усложнение процессов при коммутациях из-за возможности резонансов индуктивности линии и ее емкости. Известны также воздушные линии передач с подстанцией, на которой установлен управляемый реактор, в котором этот недостаток компенсирован тем, что в режиме малых нагрузок и на холостом ходу регулируемая мощность управляемого реактора максимальна, а при нагрузке – минимальна [1]. При этом ослабление резонансных явлений достигается изменением индуктивности управляемого реактора. Недостатками такой линии является увеличение стоимости оборудования (за счет большей стоимости управляемых реакторов по сравнению с неуправляемыми) и снижение надежности работы линии (за счет возможного отключения компенсации при ревизиях, ремонте или аварийном отключении управляемого шунтирующего реактора).
Указанный недостаток устраняется в устройстве [2] – прототипе. В высоковольтной воздушной линии с несколькими присоединенными неуправляемыми шунтирующими реакторами (например, с тремя неуправляемыми реакторами) часть реакторов (например, один) подключается через выключатели. Выключатель предусмотрен для того, чтобы в режиме малой нагрузки или в режиме холостого хода для компенсации зарядной мощности линии были включены все реакторы, а при коммутациях, например, при циклах однофазного автоматического повторного включения (ОАПВ) для ликвидации однофазных коротких замыканий, один шунтирующий реактор отключался от линии. При этом нарушается полная компенсация зарядной емкостной реактивной мощности воздушной линии передач индуктивной реактивной мощностью и таким образом исключается возможность возникновения резонанса. Недостатком прототипа является существенное ограничение возможности регулирования режимов линии из-за того, что это регулирование дискретное с большими ступенями изменения индуктивности, вносимыми включениями и отключениями одного реактора.
Целью настоящего изобретения является ликвидация отмеченного недостатка прототипа и увеличение функциональных возможностей за счет расширения диапазона непрерывного плавного регулирования реактивной мощности, вносимой шунтирующими реакторами воздушных линий передач, увеличение пропускной способности линий и оборудования, стабилизация напряжения на шинах подстанций, снижение реактивных токов в линиях и оборудовании и снижение в них потерь мощности, увеличение надежности всего высоковольтного оборудования подстанций из-за ограничения коммутационных перенапряжений.
Поставленная цель достигается тем, что в высоковольтную воздушную линию, содержащую неуправляемые шунтирующие реакторы, подсоединенные к шинам линии через выключатели, дополнительно введен управляемый шунтирующий реактор, например, управляемый подмагничиванием, подключенный к шинам линии.
Диапазон регулирования реактивной мощности управляемого реактора соответствует соотношениям:
Qмакс QУРмакс 0,9Qмакс,
0 QУРмин 0,1Qмакс,
где QУРмакс – максимальная реактивная мощность управляемого реактора,
QУРмин – минимальная реактивная мощность управляемого реактора,
Qмакс – максимальная мощность одного из неуправляемых реакторов.
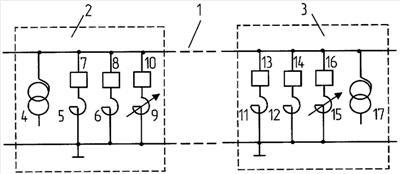
Предлагаемая высоковольтная воздушная линия поясняется чертежом. На чертеже показана высоковольтная воздушная линия, содержащая подстанции и шунтирующие реакторы.
Высоковольтная воздушная линия 1 на концах имеет передающую подстанцию 2 и принимающую подстанцию 3.
Передающая подстанция 2 может быть подстанцией электростанции или транзитной подстанцией. На чертеже принимающая подстанция 3 имеет автотрансформатор 4 для питания линий передачи на нагрузку и присоединенную высоковольтную линию для передачи (транзита) электрической энергии.
На передающей подстанции 2 установлены три шунтирующих реактора: два неуправляемых шунтирующих реактора 5 и 6, соединенных с шинами подстанции через выключатели 7 и 8, и управляемый реактор 9 (например, управляемый подмагничиванием), соединенный с шинами подстанции через выключатель 10.
На принимающей подстанции 3 установлены также три шунтирующих реактора: два неуправляемых шунтирующих реактора 11 и 12, соединенных с шинами подстанции через выключатели 13 и 14, и управляемый реактор 15 (например, управляемый подмагничиванием), соединенный с шинами подстанции через выключатель 16. Имеется также и автотрансформатор 17.
В стационарных режимах малых нагрузок и холостого хода на концах линии 1 выключатели 7, 8, 10, 13, 14 и 16 включены, а мощность управляемых реакторов 9 и 15 установлена такой, что полностью компенсирует зарядную мощность линии. Это необходимо для того, чтобы избежать возможного повышения напряжения на приемной подстанции 3 по сравнению с напряжением на передающей подстанции 2. Практически обычно в режимах малых нагрузок и холостого хода используется максимальная реактивная мощность всех шести установленных на линии шунтирующих реакторов.
В режимах максимальной нагрузки реактивная мощность нагрузки частично или полностью компенсируется зарядной мощностью линии передачи. Поэтому неуправляемые шунтирующие реакторы 5, 6, 11 и 12 могут быть отключены (частично или полностью), а мощность управляемых реакторов 9 и 15 обеспечивает необходимое заданное напряжение на шинах подстанций (она устанавливается системой управления в автоматическом режиме или вручную).
В режимах промежуточной нагрузки для полноценного регулирования напряжения требуется плавное регулирование суммарной мощности шунтирующих реакторов во всем диапазоне от минимальной (в режимах максимальной нагрузки) до максимальной (в режимах малых нагрузок и холостого хода). Это может быть осуществлено с точностью не менее 10% (что практически достаточно), т.к. диапазон регулирования реактивной мощности управляемого реактора соответствует соотношениям:
Qмакс QУРмакс 0,9Qмакс,
0 QУPмин 0,1Qмакс,
где QУРмакс – максимальная реактивная мощность управляемого реактора,
QУРмин – минимальная реактивная мощность управляемого реактора,
Qмакс – максимальная мощность одного из неуправляемых реакторов.
Выбранные соотношения мощностей обеспечивают возможность плавной регулировки вносимой в линию реактивной мощности от минимальной (0÷0,1Qмакс) до максимальной (суммарной мощности всех реакторов) при любом числе реакторов на подстанции. Например, при отключенных неуправляемых шунтирующих реакторах 5 и 6 выключателями 7 и 8 на передающей подстанции 2 плавно регулируемое изменение реактивной мощности, вносимой управляемым реактором 9, варьируется в пределах от QУРмин до QУРмакс. При подключении неуправляемого шунтирующего реактора 5 выключателем 7 диапазон регулируемой реактивной мощности расширяется на величину мощности реактора 5, т.е. до мощности двух реакторов 5 и 9. При подключении неуправляемого шунтирующего реактора 6 выключателем 8 диапазон регулируемой реактивной мощности расширяется до полной суммарной величины мощности всех трех шунтирующих реакторов 5, 6 и 9. При указанных в соотношениях мощностей коэффициентах 0,1 и 0,9 в основном возможна точная плавная регулировка реактивной мощности реакторов, и только в нескольких точках отклонение от требуемой реактивной мощности может составить не более 10%, что практически приемлемо, т.к. при этом разбаланс по собственной частоте колебаний будет не более 5% (более подробные расчетные обоснования могут быть при необходимости дополнительно предоставлены).
Аналогичное плавное регулирование вносимой компенсирующей реактивной мощности осуществляется на принимающей подстанции 3 совместной работой коммутируемых выключателей 13 и 14 неуправляемых шунтирующих реакторов 11 и 12 и системой регулирования мощности управляемого реактора 15.
В стационарных неполнофазных режимах, например, в ремонтных или послеаварийных режимах, при пофазном регулировании мощности управляемых реакторов в сочетании с коммутацией выключателей устанавливаются оптимальные для каждого режима любые сочетания мощности однофазных реакторов каждой из трех фаз сети.
При скачкообразном переходе от одного режима к другому (при подключении оборудования подстанций, коммутациях линейных выключателей, аварийных отключениях или коротких замыканиях, в режимах циклов ОАПВ) возникают нестационарные переходные режимы. При этом существует опасность резонансных процессов и биений, приводящих к коммутационным перенапряжениям и повышению напряжений, опасных для реакторов и всего высоковольтного оборудования подстанций. Основная причина этих явлений заключается в том, что режимы полной компенсации реактивной мощности линий и нагрузки, наиболее выгодные с точки зрения увеличения пропускной способности линий и оборудования, минимизации потерь напряжения, снижения реактивных токов в линиях и оборудовании и снижения потерь мощности из-за этих токов, одновременно по существу являются режимами резонанса. Поэтому при переходных процессах возникает необходимость быстрой расстройки резонанса включением или отключением реактивной мощности. В предложенной сети оптимально быстрый переход от одного к другому сочетанию мощностей неуправляемых и управляемых реакторов легко достижим, так как при совместных коммутациях выключателей реакторов и быстродействующем регулировании мощности управляемых реакторов имеется возможность изменения вводимой компенсирующей реактивной мощности во всем диапазоне от минимальной (характерной для стационарных режимов максимальной нагрузки) до максимальной (для режимов малых нагрузок и холостого хода). Необходимое быстродействие управляемых реакторов при изменении их мощности (например, реакторов, управляемых подмагничиванием) может быть обеспечено.
Предложенная высоковольтная воздушная линия с присоединенными шунтирующими реакторами, один из которых – управляемый, имеет существенно большие функциональные возможности и более высокие технико-экономические параметры, чем прототип. Основное отличие заключается в том, что в прототипе имеется возможность вводить в линию или выводить компенсирующую реактивную мощность только дискретно, большими ступенями, соответствующими мощности одного неуправляемого реактора. Возможность плавного изменения мощности во всем диапазоне от минимальной до максимальной позволяет устанавливать оптимальные режимы линии, т.е. получать оптимальное увеличение пропускной способности линий и оборудования, стабилизировать напряжение на шинах подстанций, оптимально снижать реактивные токи в линиях и оборудовании и снижать в них потери мощности, увеличивать надежность всего высоковольтного оборудования подстанций из-за действенного ограничения коммутационных перенапряжений.
ЛИТЕРАТУРА
1. Александров Г.Н., Передача электрической энергии. СПб.: Изд-во Политехнического университета, 2007. – 412 с. (Энергетика в политехническом университете). Стр.173-198.
2. Евдокунин Г.А., Дмитриев М., Гольдштейн С., Иваницкий Ю., Высоковольтные ВЛ. Коммутации и воздействия на выключатели. Новости Электротехники, 3 (51), 2008, с.64-68.
Формула изобретения
Высоковольтная воздушная линия, содержащая неуправляемые шунтирующие реакторы, подсоединенные к шинам линии через выключатели, отличающаяся тем, что в устройство дополнительно введен управляемый шунтирующий реактор, например, управляемый подмагничиванием, подключенный к шинам линии, при этом диапазон регулирования реактивной мощности управляемого реактора определяется следующим соотношением: qмакс QУРмакс 0,9Qмакс, 0>QУРмин 0,1Qмакс, где QУРмакс – максимальная реактивная мощность управляемого реактора, QУРмин – минимальная реактивная мощность управляемого реактора, Qмакс – максимальная мощность реактора любого из неуправляемых реакторов.
РИСУНКИ
|
|