|
|
(21), (22) Заявка: 2009125302/28, 01.07.2009
(24) Дата начала отсчета срока действия патента:
01.07.2009
(46) Опубликовано: 20.06.2010
(56) Список документов, цитированных в отчете о поиске:
SU 1352406 A1, 15.11.1987. US 4857830 A, 15.08.1989. SU 1352406 A1, 15.11.1987. SU 565260 A1, 15.07.1977.
Адрес для переписки:
196128, Санкт-Петербург, ул. Благодатная, 6, Федеральное государственное унитарное предприятие “ЦНИИ судовой электротехники и технологии” (ФГУП “ЦНИИ СЭТ”)
|
(72) Автор(ы):
Китаев Александр Михайлович (RU)
(73) Патентообладатель(и):
Федеральное государственное унитарное предприятие “ЦНИИ судовой электротехники и технологии” (ФГУП “ЦНИИ СЭТ”) (RU)
|
(54) УСТРОЙСТВО ИЗБИРАТЕЛЬНОГО КОНТРОЛЯ СОПРОТИВЛЕНИЯ И ЕМКОСТИ ИЗОЛЯЦИИ
(57) Реферат:
Изобретение относится к электрическим измерениям, а именно к контролю сопротивления изоляции в электрических сетях с изолированной нейтралью. Устройство содержит источник тока непромышленной частоты. Один из его выходов соединен с нейтралью, другой – с общей шиной. На каждой линии контролируемой сети установлены датчики тока, связанные с коммутатором. Выход фильтра напряжения нулевой последовательности непосредственно подключен к первому входу одного аналогового перемножителя, а через фазовращатель – к первому входу другого аналогового перемножителя и через блок вычисления квадрата эффективного напряжения – к первым входам аналоговых делителей, вторые входы которых через фильтры нижних частот соединены с выходами аналоговых перемножителей. К выходам аналоговых делителей подключены индикаторы величины сопротивления и емкости изоляции. Технический результат заключается в повышении универсальности, информативности и точности устройства. 1 ил.
Предложение относится к измерительной технике, в частности к избирательному контролю сопротивления и емкости изоляции в электрических сетях с изолированной нейтралью.
Известно устройство избирательного контроля состояния изоляции элементов сети (Н.Н.Никифоровский и др. Электробезопасность судовых электрических систем. – Л.: Судостроение, 1978. с.68-69), содержащее источник напряжения непромышленной частоты, датчики сопротивления изоляции, коммутатор, избирательный усилитель, амплитудный выпрямитель, фазовращатель, блок формирования фазового угла, решающий блок и блок сигнализации.
Недостатком устройства является сложность, связанная с необходимостью применения счетно-решающего блока.
Наиболее близким техническим решением к предлагаемому является устройство избирательного контроля сопротивления изоляции (А.С. СССР 1352406, кл. G01R 27/18, 1987), содержащее источник тока непромышленной частоты, датчики тока, фильтр напряжения нулевой последовательности, коммутатор, селектор-преобразователь, потенциометр, выпрямитель и логометр.
Недостаток известного технического решения заключается в невысокой точности, обусловленной приближенными соотношениями, в отсутствии информации о емкости изоляции, а также в сложности конструкции устройства, связанной с необходимостью установки на каждой линии контролируемой сети двух датчиков тока.
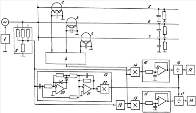
На фиг.1 представлена функциональная схема устройства избирательного контроля сопротивления и емкости изоляции.
Устройство содержит источник 1 тока непромышленной частоты, один из выходов которого подключен к нейтрали контролируемой сети, другой соединен с общей шиной, датчики 2, 3, 4 тока, установленные на каждой линии 5, 6, 7 контролируемой сети и связанные с коммутатором 8, фильтр 9 напряжения нулевой последовательности, фильтры 10, 11 нижних частот и индикаторы 12, 13 величины сопротивления и емкости изоляции. Устройство снабжено двумя аналоговыми перемножителями 14, 15, двумя аналоговыми делителями 16, 17, фазовращателем 18 и блоком 19 вычисления квадрата эффективного напряжения. При этом выход фильтра 9 непосредственно подключен к первому входу перемножителя 14, через фазовращатель 18 – к первому входу перемножителя 15 и через блок 19 – к первым входам делителей 16, 17, вторые входы которых через фильтры 10,11 соединены с выходами перемножителей 14, 15, со вторыми входами которых связан выход коммутатора 8. К выходам делителей 16, 17 подключены индикаторы 12, 13. Блок 19 включает выпрямитель с фильтром нижних частот на усилителях 20, 21 и квадратор 22.
Устройство работает следующим образом. Наложенный ток от источника 1 создает на выходе фильтра 9 напряжение u=Umsin t, а на выходе датчиков 2, 3, 4 напряжения, пропорциональные токам утечки в линиях 5, 6, 7, – i=Imsin( t+ ). При этом угол =arctg RC, где R и С – сопротивление и емкость изоляции соответствующей линии контролируемой сети. Коммутатор 8 осуществляет поочередное подключение датчиков 2, 3, 4 к входам перемножителей 14, 15. Фазовращатель 18 поворачивает фазу напряжения, снимаемого с фильтра 9, на 90°. Перемножители 14, 15 формируют напряжения, пропорциональные произведениям входных напряжений, а именно:


Фильтры 10, 11, включающие интегрирующие цепи и развязывающие усилители, подавляют высокочастотные и выделяют низкочастотные составляющие этих напряжений. Низкочастотная составляющая на выходе фильтра 10 пропорциональна активной мощности, выделяющейся на сопротивлении R изоляции на частоте наложенного тока. Низкочастотная составляющая на выходе фильтра 11 пропорциональна реактивной мощности на емкости С изоляции. На выходе блока 19 формируется напряжение, соответствующее квадрату эффективного значения входного напряжения – . В делителе 16 вычисляется отношение , пропорциональное сопротивлению R изоляции, в делителе 17-отношение , пропорциональное емкостной проводимости (а при фиксированной частоте – емкости изоляции). Индикаторы 12, 13 отображают соответствующие значения сопротивления и емкости изоляция контролируемой линии. Для подавления напряжения рабочей частоты на выходах датчиков 2, 3, 4 могут быть включены конденсаторы, образующие с выходной обмоткой датчика резонансный контур, настроенный на частоту накладываемого тока. Аналогично в фильтре 9 в качестве элемента, включенного между общей шиной и средней точной, также может использоваться параллельный резонансный контур, настроенный на ту же частоту. При стабильном напряжении источника 1 выходное напряжение блока 19 постоянно, что делает его наличие в устройстве необязательным. Соответственно упрощаются делители 16, 17.
Таким образом, предложенное устройство реализует достаточно простой и универсальный алгоритм определения сопротивления и емкости изоляции ответвлений электрической сети, обеспечивает высокую точность, информативность и существенно упрощает конструкцию устройства.
Формула изобретения
Устройство избирательного контроля сопротивления и емкости изоляции, содержащее источник тока непромышленной частоты, один из выходов которого подключен к нейтрали контролируемой сети, другой соединен с общей шиной, датчики тока, установленные на каждой линии контролируемой сети и связанные с коммутатором, фильтр напряжения нулевой последовательности, фильтры нижних частот и индикаторы величины сопротивления и емкости изоляции, отличающееся тем, что оно снабжено двумя аналоговыми перемножителями, двумя аналоговыми делителями, фазовращателем и блоком вычисления квадрата эффективного напряжения, причем выход фильтра напряжения нулевой последовательности непосредственно подключен к первому входу одного аналогового перемножителя, через фазовращатель – к первому входу другого аналогового перемножителя и через блок вычисления квадрата эффективного напряжения – к первым входам аналоговых делителей, вторые входы которых через фильтры нижних частот соединены с выходами аналоговых перемножителей, со вторыми входами которых связан выход коммутатора, а к выходам аналоговых делителей подключены индикаторы величины сопротивления и емкости изоляции.
РИСУНКИ
|
|