|
| На основании пункта 1 статьи 1366 части четвертой Гражданского кодекса Российской Федерации патентообладатель обязуется заключить договор об отчуждении патента на условиях, соответствующих установившейся практике, с любым гражданином Российской Федерации или российским юридическим лицом, кто первым изъявил такое желание и уведомил об этом патентообладателя и федеральный орган исполнительной власти по интеллектуальной собственности. |
|
(21), (22) Заявка: 2009123187/11, 17.06.2009
(24) Дата начала отсчета срока действия патента:
17.06.2009
(46) Опубликовано: 20.06.2010
(56) Список документов, цитированных в отчете о поиске:
RU 2326363 С2, 10.06.2008. RU 2342644 C1, 27.12.2008. WO 2007062751 A1, 07.06.2007. RU 2290330 С2, 27.12.2006.
Адрес для переписки:
355044, г.Ставрополь, ул. Васильева, 19, кв.67, В.В. Ефанову
|
(72) Автор(ы):
Ефанов Василий Васильевич (RU)
(73) Патентообладатель(и):
Ефанов Василий Васильевич (RU)
|
(54) СПОСОБ ОПРЕДЕЛЕНИЯ ИСПРАВНОСТИ ТОРМОЗНОЙ СИСТЕМЫ ТРАНСПОРТНОГО СРЕДСТВА И УСТРОЙСТВО ДЛЯ ЕГО ОСУЩЕСТВЛЕНИЯ
(57) Реферат:
Изобретение относится к измерительной технике и может быть использовано для автоматического определения исправности тормозной системы транспортного средства. Способ заключается в определении начальных условий возникновения перегрузки в момент начала торможения путем сравнения текущей массы транспортного средства с заданными значениями, сравнения текущих усилий нажатия на педаль тормоза с заданными значениями. Определение исправности тормозной системы транспортного средства производят без ограничений на направление и величину уклона дорожного полотна путем введения эталонных значений перегрузок для n-значений величин уклона дорожного полотна и двух направлений уклона в плоскости движения транспортного средства. Далее сравнивают текущее значение перегрузки, полученное при данных начальных условиях возникновения перегрузки, с эталонным значением. Осуществляют индикацию при превышении уровня текущей перегрузки над эталонным значением. Устройство содержит электроконтактный датчик, датчик уклона, вычислитель, n-первые, n-вторые блоки обработки информации, элемент ИЛИ, индикатор направления перегрузки, индикатор величины перегрузки, индикатор превышения уровня перегрузки. Первая и вторая группа выходов датчика уклона соединена соответственно с пятыми входами n-первых, n-вторых блоков обработки сигналов. Первые, вторые, третьи и четвертые входы блока обработки сигналов соединены соответственно со вторым выходом вычислителя, с выходом датчика скорости движения транспортного средства, датчика массы и датчика усилий, воздействующих на педаль тормоза. Выходы n-первых и n-вторых блоков обработки информации соединены через элемент ИЛИ с индикатором превышения уровня перегрузки. В блок обработки сигналов дополнительно введены четыре ключа. Первые входы введенных ключей являются соответственно первым, вторым, третьим и четвертым входами блока обработки сигналов. Пятый вход блока обработки сигналов является вторыми входами введенных ключей, выходы которых соединены соответственно со вторыми входами n-четвертых, первыми входами n-первых, n-вторых и n-третьих пороговых устройств. Технический результат заключается в расширении эксплутационных возможностей устройства за счет автоматического определения состояния тормозной системы в условиях наличия наклона дорожного полотна. 2 н.п. ф-лы, 5 ил.
Изобретение относится к измерительной технике и может быть использовано для автоматического определения исправности тормозной системы транспортного средства.
Наиболее близким к изобретению является способ определения исправности тормозной системы транспортного средства, заключающийся в том, что вводят эталонные значения перегрузок для n-начальных условий, определяют текущую величину и направления перегрузки, осуществляют индикацию значений величины и направления перегрузки, определяют начальные условия возникновения перегрузки, выбирают эталонное значение перегрузки для данных начальных условий, сравнивают текущее значение перегрузки, полученное при данных начальных условиях возникновения перегрузки, с эталонным значением, осуществляют индикацию при превышении уровня текущей перегрузки над эталонным значением, отличающийся тем, что определяют начальные условия возникновения перегрузки в момент начала торможения путем сравнения текущей массы транспортного средства с заданными значениями, а также путем сравнения текущих усилий нажатия на педаль тормоза с заданными значениями (патент РФ на изобретение 2326363, кл. G01M 17/00, 10.06.2008 г.).
Наиболее близким к изобретению является устройство для определения исправности тормозной системы транспортного средства, содержащее электроконтактный датчик, вычислитель, блок обработки информации, индикатор направления перегрузки, индикатор величины перегрузки, индикатор превышения уровня перегрузки, при этом электроконтактный датчик состоит из немагнитного конусообразного корпуса с крышкой, размещенной в вершине корпуса, инерционного элемента, выполненного в виде электропроводного шарика, первого электроконтакта, выполненного в виде усеченного полого конуса, закрепленного на крышке корпуса, второго электроконтакта, выполненного в виде полого конуса, размещенного по боковой поверхности корпуса так, что его основание обращено к нижнему основанию усеченного конуса первого электроконтакта и параллельно ему, изолированных между собой центрального и кольцевого электроконтактов, причем центральный электроконтакт размещен в вершине конуса второго электроконтакта и изолирован от него, кольцевой электроконтакт размещен по периметру вершины конуса второго электроконтакта и изолирован от него, первый электроконтакт выполнен в виде изолированных друг от друга секторов, выводы которых образуют первую группу выходов датчика, вторым выходом которого является вывод кольцевого электроконтакта, центральный и второй электроконтакты соединены с положительным выводом источника питания, первая группа входов и второй вход вычислителя соединены соответственно с первой группой выходов и вторым выходом датчика, первая группа выходов вычислителя соединена с группой входов индикатора направления перегрузки, второй выход – с входом индикатора перегрузки, вычислитель содержит группу из n-триггеров, где n – число секторов первого электроконтакта вибрационного датчика, первый, второй и третий элементы И, инвертор, генератор импульсов, дифференцирующую цепь, счетчик импульсов, умножитель, делитель, задатчик постоянной величины, причем информационные входы триггеров соединены с соответствующими входами первой группы входов вычислителя, второй вход которого через инвертор соединен с входом дифференцирующей цепи и первым входом второго элемента И, второй вход которого соединен с выходом генератора импульсов, а выход второго элемента И соединен с информационным входом счетчика, входы обнуления триггеров и счетчика импульсов объединены с обеспечением возможности подачи на них сигнала с плюсовой шиной источника питания, прямые выходы триггеров являются соответствующими выходами первой группы выходов вычислителя, а инверсные выходы соединены с соответствующими входами группы n-входов первого элемента И, выход которого соединен с третьим входом второго элемента И и вторым входом третьего элемента И, первый вход которого соединен с выходом дифференцирующей цепи, а выход третьего элемента И соединен с входом обнуления счетчика импульсов, выход которого соединен с первым и вторым входами умножителя, выход которого соединен с первым входом делителя, второй вход которого соединен с выходом первого задатчика постоянной величины, а выход является вторым выходом вычислителя, блок обработки сигналов состоит из n-первых, n-вторых пороговых устройств, n-первых ключей, ИЛИ и задатчика постоянных сигналов, причем второй выход вычислителя соединен соответственно с первым входом блока обработки сигналов, второй вход которого соединен с выходом датчика скорости движения транспортного средства, а выход блока обработки сигналов соединен с индикатором превышения уровня перегрузки, блок обработки сигналов дополнительно имеет n-третьих, n-четвертых пороговых устройств, n-вторых, n-третьих, n-четвертых, n-пятых ключей, причем на третий и четвертый входы блока обработки сигналов поступают соответственно данные о значении массы транспортного средства и усилий, воздействующих на педаль тормоза от датчиков массы и датчика усилий, воздействующих на педаль тормоза, причем первый, второй, третий, четвертый входы блока обработки информации соединены соответственно со вторыми входами n-четвертых и первыми входами n-первых, n-вторых и n-третьих пороговых устройств, на вторые входы n-первых, n-вторых и n-третьих пороговых устройств поступают сигналы с первой, второй, третьей группы выходов задатчиков сигналов, выходы которых соединены с первыми входами соответственно n-первых, n-вторых и n-третьих ключей, вторые входы которых соединены с выходами соответственно четвертых, пятых и шестых групп выходов задатчика сигналов, выходы n-первых и n-вторых ключей соединены соответственно с первыми и вторыми входами n-четвертых ключей, выходы которых соединены с первыми входами n-пятых ключей, вторые входы которых соединены с выходами третьих ключей, выходы n-пятых ключей соединены с первыми входами n-четвертых пороговых устройств, выходы которых соединены с входами элемента ИЛИ, а выход элемента ИЛИ является выходом блока обработки информации [1].
Недостатком данных способа и устройства является наличие эксплуатационных ограничений за счет невозможности определения состояния тормозной системы в условиях наличия уклона дорожного полотна.
Технической задачей изобретения является повышение эксплуатационных возможностей за счет осуществления возможности проверки тормозной системы транспортного средства в случае наличие уклона дорожного полотна.
Решение технической задачи достигается тем, что в способе определения исправности тормозной системы транспортного средства, заключающемся в том, что вводят эталонные значения перегрузок для n-начальных условий, определяют текущую величину и направления перегрузки, осуществляют индикацию значений величины и направления перегрузки, определяют начальные условия возникновения перегрузки, выбирают эталонное значение перегрузок для данных начальных условий, сравнивают текущее значение перегрузки, полученное при данных начальных условиях возникновения перегрузки, с эталонным значением, осуществляют индикацию при превышении уровня текущей перегрузки над эталонным значением, при этом определяют начальные условия возникновения перегрузки в момент начала торможения путем сравнения текущей массы транспортного средства с заданными значениями, а также путем сравнения текущих усилий нажатия на педаль тормоза с заданными значениями, дополнительно производят определение исправности тормозной системы транспортного средства без ограничений на направление и величину уклона дорожного полотна путем введения эталонных значений перегрузок для n-значений величин уклона дорожного полотна и двух направлений уклона в плоскости движения транспортного средства, определяют направление и величину уклона дорожного полотна при торможении в плоскости движения транспортного средства, сравнивают текущее значение перегрузки, полученное при данных начальных условиях возникновения перегрузки, с эталонным значением, осуществляют индикацию при превышении уровня текущей перегрузки над эталонным значением.
Заявляемый способ реализуется в устройстве для определения исправности тормозной системы транспортного средства, содержащем электроконтактный датчик, вычислитель, блок обработки сигналов, индикатор направления перегрузки, индикатор величины перегрузки, индикатор превышения уровня перегрузки, при этом электроконтактный датчик состоит из немагнитного конусообразного корпуса с крышкой, размещенной в вершине корпуса, инерционного элемента, выполненного в виде электропроводного шарика, первого электроконтакта, выполненного в виде усеченного полого конуса, закрепленного на крышке корпуса, второго электроконтакта, выполненного в виде полого конуса, размещенного по боковой поверхности корпуса так, что его основание обращено к нижнему основанию усеченного конуса первого электроконтакта и параллельно ему, изолированных между собой центрального и кольцевого электроконтактов, причем центральный электроконтакт размещен в вершине конуса второго электроконтакта и изолирован от него, кольцевой электроконтакт размещен по периметру вершины конуса второго электроконтакта и изолирован от него, первый электроконтакт выполнен в виде изолированных друг от друга секторов, выводы которых образуют первую группу выходов датчика, вторым выходом которого является вывод кольцевого электроконтакта, центральный и второй электроконтакты соединены с положительным выводом источника питания, первая группа входов и второй вход вычислителя соединены соответственно с первой группой выходов и вторым выходом датчика, первая группа выходов вычислителя соединена с группой входов индикатора направления перегрузки, второй выход – с входом индикатора перегрузки, вычислитель содержит группу из n-триггеров, где n – число секторов первого электроконтакта вибрационного датчика, первый, второй и третий элементы И, инвертор, генератор импульсов, дифференцирующую цепь, счетчик импульсов, умножитель, делитель, задатчик постоянной величины, причем информационные входы триггеров соединены с соответствующими входами первой группы входов вычислителя, второй вход которого через инвертор соединен с входом дифференцирующей цепи и первым входом второго элемента И, второй вход которого соединен с выходом генератора импульсов, а выход второго элемента И соединен с информационным входом счетчика, входы обнуления триггеров и счетчика импульсов объединены с обеспечением возможности подачи на них сигнала с плюсовой шиной источника питания, прямые выходы триггеров являются соответствующими выходами первой группы выходов вычислителя, а инверсные выходы соединены с соответствующими входами группы n-входов первого элемента И, выход которого соединен с третьим входом второго элемента И и вторым входом третьего элемента И, первый вход которого соединен с выходом дифференцирующей цепи, а выход третьего элемента И соединен с входом обнуления счетчика импульсов, выход которого соединен с первым и вторым входами умножителя, выход которого соединен с первым входом делителя, второй вход которого соединен с выходом первого задатчика постоянной величины, а выход является вторым выходом вычислителя, блок обработки сигналов состоит из n-первых, n-вторых пороговых устройств, n-первых ключей, элемента ИЛИ и задатчика постоянных сигналов, причем второй выход вычислителя соединен соответственно с первым входом блока обработки сигналов, второй вход которого соединен с выходом датчика скорости движения транспортного средства, а выход блока обработки сигналов соединен с индикатором превышения уровня перегрузки, блок обработки сигналов дополнительно имеет n-третьих, n-четвертых пороговых устройств, n-вторых, n-третьих, n-четвертых, n-пятых ключей, причем на третий и четвертый входы блока обработки сигналов поступают соответственно данные о значении массы транспортного средства от датчиков массы и данные о значениях усилий, воздействующих на педаль тормоза, причем первый, второй, третий, четвертый входы блока обработки сигналов соединены соответственно со вторыми входами n-четвертых и первыми входами n-первых, n-вторых и n-третьих пороговых устройств, на вторые входы n-первых, n-вторых и n-третьих пороговых устройств поступают сигналы с первой, второй, третьей группы выходов задатчика сигналов, выходы которых соединены с первыми входами соответственно n-первых, n-вторых и n-третьих ключей, вторые входы которых соединены с выходами соответственно четвертых, пятых и шестых групп выходов задатчика сигналов, выходы n-первых и n-вторых ключей соединены соответственно с первыми и вторыми входами n-четвертых ключей, выходы которых соединены с первыми входами n-пятых ключей, вторые входы которых соединены с выходами третьих ключей, выходы n-пятых ключей соединены с первыми входами n-четвертых пороговых устройств, выходы которых соединены с входами элемента ИЛИ, а выход элемента ИЛИ является выходом блока обработки сигналов, дополнительно введены датчик уклона, n-первые, n-вторые блоки обработки сигналов, элемент ИЛИ, причем первая и вторая группа выходов датчика уклона соединена соответственно с пятыми входами n-первых, n-вторых блоков обработки сигналов, первые, вторые, третьи и четвертые входы блока обработки сигналов соединены соответственно со вторым выходом вычислителя, с выходом датчика скорости движения транспортного средства, датчика массы и датчика усилий, воздействующих на педаль тормоза, а выходы n-первых и n-вторых блоков обработки информации соединены через элемент ИЛИ с индикатором превышения уровня перегрузки, в блок обработки сигналов дополнительно введены четыре ключа, при этом первые входы введенных ключей являются соответственно первыми, вторыми, третьими и четвертыми входами блока обработки сигналов, пятый вход которого является вторыми входами введенных ключей, выходы которых соединены соответственно со вторыми входами n-четвертых, первыми входами n-первых, n-вторых и n-третьих пороговых устройств.
Новыми признаками, обладающими существенными отличиями по способу, является следующая совокупность действий.
1. Производят определение исправности тормозной системы транспортного средства без ограничений на направление и величину уклона дорожного полотна путем введения эталонных значений перегрузок для n-значений величин уклона дорожного полотна и двух направлений уклона в плоскости движения транспортного средства.
2. Определяют направление и величину уклона дорожного полотна при торможении в плоскости движения транспортного средства.
3. Сравнивают текущее значение перегрузки, полученное при данных начальных условиях возникновения перегрузки, с эталонным значением.
4. Осуществляют индикацию при превышении уровня текущей перегрузки над эталонным значением.
Новыми элементами, обладающими существенными отличиями по устройству, являются датчик уклона, n-первые, n-вторые блоки обработки сигналов, элемент ИЛИ и связи между известными и новыми элементами.
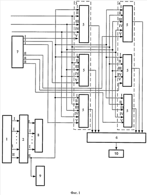
На фиг.1 изображена структурная схема устройства определения исправности тормозной системы транспортного средства, на фиг.2 – конструктивная схема электроконтатного датчика; на фиг.3 – то же, план; на фиг.4 электрическая схема электроконтатного датчика и структурная схема вычислителя, на фиг.5 – блок обработки сигналов.
Устройство содержит электроконтактный датчик 1, вычислитель 2, n-первые 3 и n-вторые 4 блоки 5 обработки сигналов, элемент ИЛИ 6, датчик 7 уклона, индикатор 8 направления перегрузки, индикатор 9 величины перегрузки, индикатор 10 превышения уровня перегрузки, при этом электроконтактный датчик 1 состоит из немагнитного конусообразного корпуса 11 с крышкой 12, размещенной в вершине корпуса, инерционного элемента 13, выполненного в виде электропроводного шарика, первого 14 электроконтакта, выполненного в виде усеченного полого конуса, закрепленного на крышке корпуса, второго 15 электроконтакта, выполненного в виде полого конуса, размещенного по боковой поверхности корпуса так, что его основание обращено к нижнему основанию усеченного конуса первого 14 электроконтакта и параллельно ему, изолированных между собой центрального 16 и кольцевого 17 электроконтактов, центральный 16 электроконтакт размещен в вершине конуса второго 15 электроконтакта и изолирован от него, кольцевой 17 электроконтакт размещен по периметру вершины конуса второго 16 электроконтакта и изолирован от него, первый 14 электроконтакт выполнен в виде изолированных друг от друга секторов, выводы которых образуют первую группу выходов датчика 1, вторым выходом которого является вывод кольцевого 17 электроконтакта, центральный 16 и второй 15 электроконтакты соединены с положительным выводом источника 18 питания.
Первая группа входов и второй вход вычислителя 2 соединены соответственно с первой группой выходов и вторым выходом датчика 1, первая группа выходов вычислителя 2 соединена с группой входов индикатора 8 направления перегрузки, второй выход – с входом индикатора величины 9 перегрузки. Вычислитель 2 содержит группу из n-триггеров 19, где n – число секторов первого электроконтакта вибрационного датчика, первый 20, второй 21 и третий 22 элементы И, инвертор 23, генератор 24 импульсов, дифференцирующую цепь 25, счетчик 26 импульсов, умножитель 27, делитель 28, задатчик 29 постоянной величины. Причем информационные входы триггеров 19 соединены с соответствующими входами первой группы входов вычислителя 2, второй вход которого через инвертор 23 соединен с входом дифференцирующей цепи 25 и первым входом второго 21 элемента И, второй вход которого соединен с выходом генератора 24 импульсов, а выход второго 21 элемента И соединен с информационным входом счетчика 26, входы обнуления триггеров 19 и счетчика 26 импульсов объединены с обеспечением возможности подачи на них сигнала с плюсовой шиной источника 18 питания, прямые выходы триггеров 19 являются соответствующими выходами первой группы выходов вычислителя 2, а инверсные выходы соединены с соответствующими входами группы n-входов первого 20 элемента И, выход которого соединен с третьим входом второго 21 элемента И и вторым входом третьего 22 элемента И, первый вход которого соединен с выходом дифференцирующей цепи 25, а выход третьего 23 элемента И соединен с входом обнуления счетчика 26 импульсов, выход которого соединен с первым и вторым входами умножителя 27, выход которого соединен с первым входом делителя 28, второй вход которого соединен с выходом задатчика 29 постоянной величины, а выход является вторым выходом вычислителя 2.
Блок 5 обработки сигналов состоит из первого 30, второго 31, третьего 32, четвертого 33, n-пятых 34, n-шестых 35, n-седьмых 36, n-восьмых 37 и n-девятых 38 ключей, n-первых 39, n-вторых 40, n-третьих 41 и n-четвертых 42 пороговых устройств, элемента ИЛИ 43, задатчика 44 постоянных сигналов, причем первый, второй, третий и четвертый входы блока 5 обработки сигналов соединены соответственно: со вторым выходом вычислителя 2, выходами датчика скорости движения транспортного средства, датчика массы транспортного средства и датчика воздействующих усилий на педаль тормоза, выход блока 5 обработки сигналов соединен через элемент ИЛИ 6 с входом индикатора 10 превышения уровня перегрузки, первый, второй, третий, четвертый и пятый входы блока 5 обработки сигналов являются соответственно первыми входами первого 30, второго 31, третьего 32 и четвертого 33 ключей и вторыми входами данных ключей, выходы которых соединены со вторыми входами n-четвертых 42 и первыми входами n-первых 39, n-вторых 40 и n-третьих 41 пороговых устройств, на вторые входы которых поступают сигналы с первой, второй, третьей группы выходов задатчика 44 сигналов, а выходы соединены с первыми входами соответственно: n-пятых 38, n-шестых 39 и n-седьмых 40 ключей, вторые входы которых соединены с выходами соответственно четвертых, пятых и шестых групп выходов задатчика 44 сигналов, выходы n-пятых 38 и n-шестых 39 ключей соединены соответственно: с первыми и вторыми входами n-восьмых 41 ключей, выходы которых соединены с первыми входами n-девятых 42 ключей, вторые входы которых соединены с выходами седьмых 36 ключей, выходы n-девятых 38 ключей соединены с первыми входами n-четвертых 42 пороговых устройств, выходы которых соединены с входами элемента ИЛИ 43, выход которого является выходом блока 5 обработки сигналов.
Для измерения перегрузок вместо электроконтактного датчика может использоваться акселерометр и датчик линейных ускорений.
В качестве датчика массы может быть использовано транспортное весовое устройство, которое содержит тензометрические датчики, установленные в шинах транспортного средства, датчики давления, чувствительные элементы которых соединены с внутренними полостями шин, генератор, многоканальный усилитель, преобразователь аналог-код, блок памяти, преобразователь код-аналог и прибор отображения информации, установленный на приборной панели транспортного средства [2].
Текущей массой автомобиля является масса автомобиля в каждый текущий момент времени его движения. Полная масса транспортного средства учитывает вес перевозимого в кузове груза, количество пассажиров и перевозимого ими в кабине багажа, навесного оборудования, вес топлива и т.д., полная масса транспортного средства меняется в зависимости от времени его движения в связи с выработкой топлива, изменения количества пассажиров, перевозимого ими багажа.
Устройство для определения исправности тормозной системы работает следующим образом.
В момент воздействия перегрузки сигнал с одного из первых выходов электроконтатного датчика 1 поступает на один из входов вычислителя 2, где определяется направление и величина перегрузки. Сигнал в зависимости от направления перегрузки поступает с одного из первых выходов вычислителя 2 на один из входов индикатора 6 направления перегрузки, со второго выхода вычислителя 2 сигнал поступает на первые входы первых 3, вторых 4 блоков 5 обработки сигналов и вход индикатора 7 величины перегрузки.
В исходном состоянии сигнал с положительной шины питания электроконтактного датчика 1 подается на входы обнуления счетчика 26 и группы из n-триггеров 19, при этом с инверсных выходов триггера 19, сигналы через первый 20 элемент И поступают на третий вход второго 21 элемента И.
Под воздействием перегрузки инерционный элемент 13 в виде электропроводного шарика перемещается в направлении одного из секторов первого 14 электроконтакта, при этом происходит размыкание центрального 16 и кольцевого электроконтактов 17 (фиг.2, 3, 4), приводящее к снятию сигнала с входа инвертора 23.
Сигнал с выхода инвертора 23 поступает на вход дифференцирующей цепи 25, на первый вход второго 21 элемента И (фиг.4).
С выхода дифференцирующей цепи 25 сигнал через первый вход третьего 22 элемента И поступает на вход обнуления счетчика 26 импульсов.
С выхода генератора 24 сигнал в виде импульсов поступает через второй вход второго 21 элемента И на первый вход счетчика 26.
В дальнейшем при движении электропроводного шарика 13 происходит замыкание второго 15 и одного из секторов первого 14 электроконтакта (фиг.3), при этом сигнал поступает на первый вход одного из n-триггеров 19, с прямого выхода которого сигнал поступает на вход индикатора 8 направлений перегрузки, а отсутствие сигнала с инверсного выхода триггера 19 приводит к прекращению подсчета импульсов счетчиком 26 через первый 20 и второй 21 элементы И.
С выхода счетчика 26 импульсов сигнал, соответствующий времени движения t электропроводного шарика, поступает на первый и второй входы умножителя 27, с выхода которого сигнал, пропорциональный величине t2, поступает на первый вход делителя 28, на второй вход которого с выхода задатчика 29 поступает сигнал соответствующей величине (фиг.4),
где L – расстояние между двумя исходными положениями электроконтактов, – угол образующей полого конуса, g – ускорение свободного падения.
С выхода делителя 28 сигнал, пропорциональный величине , поступает одновременно на вход индикатора 9 величины перегрузки и на первые входы n-первых 3 и n-вторых 4 блоков 5 обработки сигналов.
В зависимости от величины и направления уклона выдается сигнал с первой или второй группы выходов датчика 7 уклона на один из пятых входов одного из n-первых 3 или n-вторых 4 блоков 5 обработки сигналов.
Блок 5 обработки сигналов предназначен для определения начальных условий возникновения перегрузок и автоматического определения исправности тормозной системы транспортного средства для данных начальных условий, в том числе и в случае наличия наклона дорожного полотна (фиг.5) в плоскости движения транспортного средства.
На первые входы первого 30, второго 31, третьего 32 и четвертого 33 ключей одного из n-первых 3 или n-вторых 4 блоков 5 обработки сигналов поступают сигналы соответственно: с вычислителя 2, датчика скорости движения транспортного средства, датчика текущей массы транспортного средства, датчика воздействующих усилий на педаль тормоза.
С выхода первого 30 ключа сигнал поступает на вторые входы четвертых 37 пороговых устройств.
С выходов второго 31, третьего 32 и четвертого 33 ключей сигналы поступают на первые входы первого 39, второго 40 и третьего 41 пороговых устройств, на вторые входы которых поступают сигналы с первой, второй, третьей группы выходов задатчика 44 сигналов.
С выходов первого 39, второго 40 и третьего 41 пороговых устройств сигналы, соответствующие начальным значениям: скорости движения, массы транспортного средства и усилию, воздействующему на педаль тормоза, поступают на первые входы соответственно n-пятых 34, n-шестых 35 и n-седьмых 36 ключей, на вторые входы которых поступают сигналы, соответствующие эталонным значениям с соответственно четвертых, пятых и шестых групп выходов задатчика 44 сигналов.
С выходов n-пятых 34 и n-шестых 35 ключей сигналы поступают соответственно на первые и вторые входы n-восьмых 37 ключей, с выходов которых поступают на первые входы n-девятых 38 ключей, на вторые входы которых поступают сигналы с выходов седьмых 36 ключей.
На выходе одного из n-девятых 38 ключей формируется сигнал, соответствующий эталонному значению при данных начальных условиях возникновения перегрузок.
С выходов n-девятых 38 ключей сигналы поступают на первые входы n-четвертых 42 пороговых устройств, на вторые входы которых поступает сигнал, соответствующий текущей перегрузке, определяемой в момент торможения транспортного средства. В случае превышения уровня текущей перегрузки заданному эталонному значению сигнал поступает на один из входов элемента ИЛИ 43, с выхода которого через элемент ИЛИ 6 поступает на индикатор 10 превышения уровня перегрузки.
Таким образом осуществлено расширение эксплуатационных возможностей устройства за счет автоматического определения состояния тормозной системы в условиях наличия наклона дорожного полотна.
Источники информации
1. Патент РФ на изобретение 2326363, кл. G01M 17/00, 10.06.2008 г. (прототип).
2. Патент РФ на изобретение 2046300 С1, 20.10.1995, кл. G01G 19/02, G01G 19/21.
Формула изобретения
1. Способ определения исправности тормозной системы транспортного средства, заключающийся в том, что вводят эталонные значения перегрузок для n-начальных условий, определяют текущую величину и направление перегрузки, осуществляют индикацию значений величины и направления перегрузки, определяют начальные условия возникновения перегрузки, выбирают эталонное значение перегрузок для данных начальных условий, определяют начальные условия возникновения перегрузки в момент начала торможения путем сравнения текущей массы транспортного средства с заданными значениями, а также путем сравнения текущих усилий нажатия на педаль тормоза с заданными значениями, отличающийся тем, что производят определение исправности тормозной системы транспортного средства без ограничений на направление и величину уклона дорожного полотна путем введения эталонных значений перегрузок для n-значений величин уклона дорожного полотна и двух направлений уклона в плоскости движения транспортного средства, определяют направление и величину уклона дорожного полотна при торможении в плоскости движения транспортного средства, сравнивают текущее значение перегрузки, полученное при данных начальных условиях возникновения перегрузки, с эталонным значением, осуществляют индикацию при превышении уровня текущей перегрузки над эталонным значением.
2. Устройство для определения исправности тормозной системы транспортного средства, содержащее электроконтактный датчик, вычислитель, блок обработки информации, индикатор направления перегрузки, индикатор величины перегрузки, индикатор превышения уровня перегрузки, при этом электроконтактный датчик состоит из немагнитного конусообразного корпуса с крышкой, размещенной в вершине корпуса, инерционного элемента, выполненного в виде электропроводного шарика, первого электроконтакта, выполненного в виде усеченного полого конуса, закрепленного на крышке корпуса, второго электроконтакта, выполненного в виде полого конуса, размещенного по боковой поверхности корпуса так, что его основание обращено к нижнему основанию усеченного конуса первого электроконтакта и параллельно ему, изолированных между собой центрального и кольцевого электроконтактов, причем центральный электроконтакт размещен в вершине конуса второго электроконтакта и изолирован от него, кольцевой электроконтакт размещен по периметру вершины конуса второго электроконтакта и изолирован от него, первый электроконтакт выполнен в виде изолированных друг от друга секторов, выводы которых образуют первую группу выходов датчика, вторым выходом которого является вывод кольцевого электроконтакта, центральный и второй электроконтакты соединены с положительным выводом источника питания, первая группа входов и второй вход вычислителя соединены соответственно с первой группой выходов и вторым выходом датчика, первая группа выходов вычислителя соединена с группой входов индикатора направления перегрузки, второй выход – с входом индикатора перегрузки, вычислитель содержит группу из n-триггеров, где n – число секторов первого электроконтакта вибрационного датчика, первый, второй и третий элементы И, инвертор, генератор импульсов, дифференцирующую цепь, счетчик импульсов, умножитель, делитель, задатчик постоянной величины, причем информационные входы триггеров соединены с соответствующими входами первой группы входов вычислителя, второй вход которого через инвертор соединен с входом дифференцирующей цепи и первым входом второго элемента И, второй вход которого соединен с выходом генератора импульсов, а выход второго элемента И соединен с информационным входом счетчика, входы обнуления триггеров и счетчика импульсов объединены с обеспечением возможности подачи на них сигнала с плюсовой шины источника питания, прямые выходы триггеров являются соответствующими выходами первой группы выходов вычислителя, а инверсные выходы соединены с соответствующими входами группы n-входов первого элемента И, выход которого соединен с третьим входом второго элемента И и вторым входом третьего элемента И, первый вход которого соединен с выходом дифференцирующей цепи, а выход третьего элемента И соединен с входом обнуления счетчика импульсов, выход которого соединен с первым и вторым входами умножителя, выход которого соединен с первым входом делителя, второй вход которого соединен с выходом первого задатчика постоянной величины, а выход является вторым выходом вычислителя, блок обработки информации состоит из n-первых, n-вторых, n-третьих, n-четвертых пороговых устройств, n-первых, n-вторых, n-третьих, n-четвертых, n-пятых ключей, элемента ИЛИ и задатчика постоянных сигналов, при этом на вторые входы n-первых, n-вторых и n-третьих пороговых устройств поступают сигналы с первой, второй, третьей группы выходов задатчика сигналов, выходы которого соединены с первыми входами соответственно n-первых, n-вторых и n-третьих ключей, вторые входы которых соединены с выходами соответственно четвертых, пятых и шестых групп выходов задатчика сигналов, выходы n-первых и n-вторых ключей соединены соответственно с первыми и вторыми входами n-четвертых ключей, выходы которых соединены с первыми входами n-пятых ключей, вторые входы которых соединены с выходами третьих ключей, выходы n-пятых ключей соединены с первыми входами n-четвертых пороговых устройств, выходы которых соединены с входами элемента ИЛИ, а выход элемента ИЛИ является выходом блока обработки сигналов, отличающееся тем, что введены датчик уклона, n-первые, n-вторые блоки обработки сигналов, элемент ИЛИ, причем первая и вторая группа выходов датчика уклона соединена соответственно с пятыми входами n-первых, n-вторых блоков обработки сигналов, первые, вторые, третьи и четвертые входы блока обработки сигналов соединены соответственно со вторым выходом вычислителя, с выходом датчика скорости движения транспортного средства, датчика массы и датчика усилий, воздействующих на педаль тормоза, а выходы n-первых и n-вторых блоков обработки информации соединены через элемент ИЛИ с индикатором превышения уровня перегрузки, в блок обработки сигналов дополнительно введены четыре ключа, при этом первые входы введенных ключей являются соответственно первым, вторым, третьим и четвертым входами блока обработки сигналов, пятый вход которого является вторыми входами введенных ключей, выходы которых соединены соответственно со вторыми входами n-четвертых, первыми входами n-первых, n-вторых и n-третьих пороговых устройств.
РИСУНКИ
|
|