|
|
(21), (22) Заявка: 2008129653/28, 21.07.2008
(24) Дата начала отсчета срока действия патента:
21.07.2008
(43) Дата публикации заявки: 27.01.2010
(46) Опубликовано: 20.06.2010
(56) Список документов, цитированных в отчете о поиске:
RU 2170995 C1, 20.07.2001. JP 2007-066696 А, 15.03.2007. JP 2004-342557 A, 02.12.2004. RU 56558 U1, 10.09.2006.
Адрес для переписки:
123100, Москва, Шмитовский пр., стр.2, Агентство “Ермакова, Столярова и партнеры”, В.Е.Наумову
|
(72) Автор(ы):
Абрамов Владимир Семенович (RU), Кондратенко Владимир Степанович (RU), Черных Сергей Петрович (RU), Иванов Алексей Алексеевич (RU), Филиппов Александр Иванович (RU)
(73) Патентообладатель(и):
Абрамов Владимир Семенович (RU), Черных Сергей Петрович (RU)
|
(54) СВЕТОДИОДНЫЙ ИСТОЧНИК ИЗЛУЧЕНИЯ
(57) Реферат:
Изобретение относится к средствам светоизлучения и может быть использовано в различных светосигнальных устройствах, например – семафорах. Светодиодное излучающее устройство содержит, по меньшей мере, один или несколько полупроводниковых излучателей света, одноцветного либо разноцветного излучения оптического диапазона, держатель излучателя света, теплоотводящую металлизированную подложку с присоединительными выводами, покровную линзу, один или несколько соединенных последовательно термоэлементов Пельтье и, по меньшей мере, один радиатор. Излучатели света размещены в области поглощения тепла термоэлементами, а радиаторы – в области выделения тепла термоэлементами, при этом последние выполнены в виде прямоугольной трапеции. Технический результат состоит в сохранении в некоторой области температур постоянной температуры р-n перехода излучателей, а также в повышении энергоэкономичности устройства по сравнению с существующими аналогами. 8 з.п. ф-лы, 9 ил., 2 табл.
Изобретение относится к средствам светоизлучения и может быть использовано в различных светосигнальных устройствах, например – семафорах.
В начале 2000 года произошел принципиальный скачок в улучшении параметров кристаллов, применяемых в светодиодах. Появились кристаллы нового поколения на основе гетероструктур нитрида галлия GaN и AllnGaP и их твердых растворов, красного, желтого, зеленого и синего цветов свечения. Внешний квантовый выход подобных кристаллов достигают 25% и более, что позволило начать применение полупроводниковых светодиодов не только в качестве индикаторов, но также в осветительной и светосигнальной аппаратуре.
Основными преимуществами полупроводниковых светодиодных источников излучения над остальными источниками света явились:
надежность – в настоящий момент светодиоды различных конструкций имеют срок службы до 50000 часов и более, лампы накаливания и люминесцентные лампы имеют срок службы не более 10000 часов;
световая отдача светодиодов в настоящий момент превышает 80 лм/Вт и постоянно растет, тогда как световая отдача ламп накаливания и люминесцентных находится в пределах 10-100 лм/Вт;
излучение светодиодов близко к монохроматическому излучению и имеет широкий спектр цветов, что позволяет использовать их в различных светосигнальных устройствах без применения светофильтров.
Опыт применения полупроводниковых светодиодных источников излучения в управлении движением автотранспорта и на железной дороге подтвердил вышеперечисленные преимущества таких источников над традиционными лампами накаливания. Вместе с тем фундаментальные физические свойства полупроводниковых светодиодных источников излучения снижают эффективность их применения, в особенности в системах и устройствах светосигнальной аппаратуры. Для примера рассмотрим технические требования на мачтовый железнодорожный светофор. Сила света в зависимости от длины волны излучения показана в следующей таблице 1.
| Таблица 1 |
| Тип исполнения |
Наименьшее значение силы света по оси l0, кд |
| ССМ200-К |
2100 |
| ССМ200-Ж |
4350 |
| ССМ200-З |
2600 |
| ССМ200-С |
150 |
| ССМ200-Б |
2500 |
Из зависимостей интенсивности излучения, прямого падения напряжения, длины волны (координат цветности) излучения от температуры окружающей среды, а значит, и от температуры P-N перехода, видно, для того, чтобы удовлетворить выше представленным требованиям, необходимо увеличить интенсивность излучения полупроводникового светодиодного (СД) источника излучения минимум в три раза. С учетом чего таблица 1 может быть представлена в следующем виде (в диапазоне температур от -50°С до +60°С).
| Таблица 2 |
| Тип исполнения |
Наименьшее значение силы света по оси 10, кд, для лампового источника |
Наименьшее значение силы света по оси 10, кд, для СД источника. |
| ССМ200-К |
2100 |
6800 |
| ССМ200-Ж |
4350 |
18800 |
| ССМ200-З |
2600 |
7000 |
| ССМ200-С |
150 |
1200 |
| ССМ200-Б |
2500 |
8000 |
Очевидно, что для увеличения силы света полупроводникового светодиодного (СД) источника излучения до требуемых значений, необходимо либо увеличение прямого тока через СД, либо увеличение количества СД, что равнозначно. Авторы настоящего изобретения видят решение проблемы в стабилизации температуры P-N перехода в некоторой области температур, вне зависимости от температуры окружающей среды. Таким образом, задача стабилизации температуры P-N перехода сводится к интенсивному отводу тепла от P-N перехода.
Существующий способ отвода тепла от области P-N перехода заключается в естественной конвекции с применением радиаторов и тепловых труб. Известный многокристальный СД излучатель состоит из размещенного на алюминиевом радиаторе металлического основания (подложки), на котором, посредством субподложки, размещены чипы светодиода.
Многокристальный СД излучатель существующей конструкции и его тепловая модель представлены на фиг.1.
В математическом виде температура P-N перехода определяется следующим образом:

где: 
– температура P-N перехода;
ТА – температура окружающей среды;
Pi – рассеиваемая мощность чипа;
RTHSA – тепловое сопротивление основание – окружающая среда;
RTHSB – тепловое сопротивление основание – подложка;
RTHBH – тепловое сопротивление подложка-радиатор;
RTHHA – тепловое сопротивление радиатор – окружающая среда;
RTHJS – тепловое сопротивление от P-N перехода до основания.
Расчет тепловых сопротивлений для кристалла излучателя проводился с помощью метода эквивалентов, предложенного авторами.
Остальные тепловые сопротивления могут быть рассчитаны на основании известных данных по теплопроводности слоев и геометрии излучателя, где основное уравнение теплопередачи будет следующим:

где: Q – рассеиваемая мощность, Вт;
k – теплопроводность, Вт/см·К;
А – площадь радиатора, см2;
Т – температура, К.
Как видно из (2), основная величина, определяющая отток тепла от кристалла излучателя на воздух, – площадь радиатора. Согласно зависимости теплового сопротивления алюминиевого радиатора от его площади тепловое сопротивление на воздух любого излучателя площадью 1 см2 при свободной конвекции составляет 200 К/Вт. Таким образом, для эффективного отвода тепла от кристалла, площадь радиатора должна составлять не менее 100 см2. Однако при изменении температуры окружающей среды согласно (1) температура P-N перехода увеличивается на величину изменения температуры, что однозначно показывает – существующий способ отвода тепла эффективен только при постоянной температуре окружающей среды, что накладывает существенные ограничения на область использования светодиодных излучающих устройств, использующих в своей конструкции подобный способ теплоотвода.
Задача, поставленная авторами при создании настоящего изобретения, состоит в создании светодиодного излучающего устройства, эксплуатационные возможности которого с одной стороны сочетают в себе все вышеописанные достоинства подобных устройств, а с другой зависят от температуры окружающей среды в незначительной степени, т.е. создания полного аналога лампы накаливания.
Возможность создания подобных устройств, по мнению авторов, обусловлена использованием электрического способа переноса тепла от P-N перехода к радиатору посредством использования эффекта Пельтье. В числе известных светодиодных устройств, использующих в своей конструкции подобный эффект, может быть упомянуто светодиодное устройство по патенту РФ 2170995. Подобное устройство, предложенное в качестве наиболее близкого аналога и содержащее один или несколько полупроводниковых излучателей света с присоединительными выводами, подложку, линзу, и снабженное одним или несколькими соединенными последовательно термоэлементами Пельтье и одним или несколькими радиаторами. Излучатели света включены последовательно в цепь термоэлементов и размещены в области поглощения тепла термоэлементами, а радиаторы размещены в области выделения тепла термоэлементами. Конструкция известного устройства позволяет повысить его рассеиваемую мощность, сохранив пропорциональность параметров входа-выхода, в частности силы света излучения светодиодного устройства от прямого тока через светодиод, с возможностью варьирования угла обзора и пространственной диаграммы направленности излучения.
К недостаткам известного устройства следует отнести то, что тепло, выделяемое кристаллом СД, который включен последовательно с элементом Пельтье, всегда намного больше, чем тепло, отводимое элементом Пельтье. При разумных токах через элемент Пельтье прямое напряжение на кристалле излучающих элементов СД, при параллельном подключении элементов Пельтье, гораздо больше, чем на элементе Пельтье. Поэтому ток через элемент Пельтье возрастает до значений, при которых Джоулево тепло начинает превалировать над эффектом Пельтье.
Технический результат, полученный созданием заявленного устройства, состоит в применении эффекта Пельтье в сочетании с параметрами полупроводниковых излучателей, позволяющий в некоторой области температур сохранять температуру р-n перехода излучателей постоянной, а также в повышении энергоэкономичности устройства по сравнению с существующими аналогами. Для достижения поставленного результата предлагается в светодиодном излучающем устройстве, содержащем, по меньшей мере, один или несколько полупроводниковых излучателей света, одноцветного либо разноцветного излучения оптического диапазона, держатель излучателя света, теплоотводящую металлизированную подложку с присоединительными выводами, покровную линзу, один или несколько соединенных последовательно термоэлементов Пельтье и, по меньшей мере, один радиатор, при этом излучатели света размещены в области поглощения тепла термоэлементами, а радиаторы – в области выделения тепла термоэлементами. Термоэлементы Пельтье выполнены в виде прямоугольной трапеции с размерами, определяемыми из следующих условий: d=(0,35÷0,55)·a, с=(1,78÷2,0)·а, b=(4,0÷6,0)·а, где а – толщина термоэлемента Пельтье, d и с – соответственно длины меньшего и большего основания трапеции, b – высота трапеции. Потребляемая мощность полупроводниковых излучателей света находится в пределах не более 90% мощности, поглощаемой термоэлементами Пельтье на холодной поверхности держателя источника излучения.
Предпочтительные, но не обязательные варианты исполнения устройства предполагают выполнение держателя источника излучения площадью не более 1,4 см2; расположение термоэлементов Пельтье по обе стороны держателя источника излучения в горизонтальных плоскостях; полное сопротивление термоэлементов Пельтье – не более 3 Ом; площадь радиатора – не менее 150 см2; заполнение объема между покровной линзой и излучателями света герметизирующим эластичным компаундом, имеющим коэффициент преломления не менее 1,4; топологию размещения излучателей света, повторяющую форму спирали лампы накаливания; использование в качестве покровной линзы линзу сферической формы с толщиной стенок линзы до 1 мм.
Изобретение поясняется чертежами, где:
на фиг.1 – принципиальная схема многокристального СД излучателя существующей конструкции;
фиг.2 – многокристальный излучатель с термоэлементами Пельтье;
фиг.3 – принципиальная схема термоэлемента Пельтье согласно формуле изобретения;
фиг.4 – график зависимости для конкретных комплектующих СД лампы;
фиг.5 – принципиальная конструкция заявленного светодиодного излучающего устройства (СД лампы);
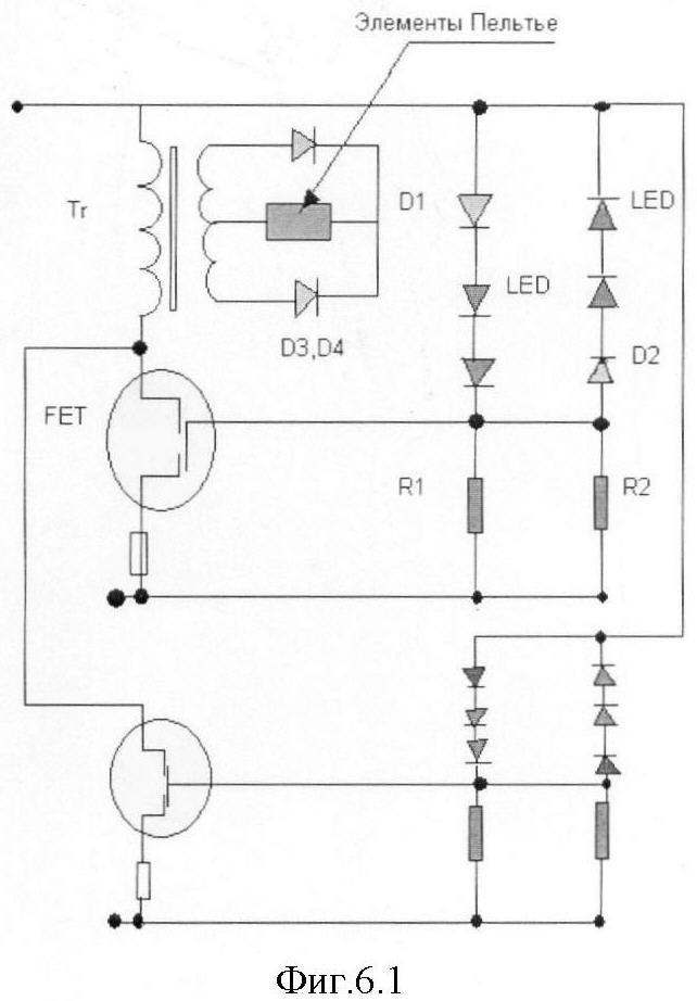
фиг.6.1, 6.2 – принципиальные электрические схемы светодиодного излучающего устройства заявленной конструкции;
фиг.7 и 8 – графики параметров ЖД лампы и СД лампы заявленной конструкции. Возможность достижения поставленного результата с использованием заявленной конструкции обусловлена следующим. В предложенных решениях применяются специальные элементы Пельтье, позволяющие эффективно отводить тепло от кристаллов малых размеров. Многокристальный излучатель с элементами Пельтье представлен на фиг.2.
Тепло, отводимое элементами Пельтье от холодной поверхности Qc, равно:

где: – коэффициент термоэдс;
I – ток, А;
Тс – температура холодного конца, К;
– удельное сопротивление элемента Пельтье, Ом·см;
G – геометрический фактор;
k – удельная теплопроводность, Вт/см·К;
T – разность температур горячего и холодного конца.
Введем понятие полного электрического сопротивления одной ветви термопары RЭл. (см. фиг.3), где RЭл= /G, а также полного теплового сопротивления термопары RT=1/kG.
С учетом вышесказанного полный баланс в формуле (3) можно записать в виде:

Расчет RЭл и RT с учетом формы элемента Пельтье дает следующие значения:


где: F – фактор формы элемента Пельтье:

В окончательном виде формула (3) для определения тепла, отводимого от холодной поверхности, примет следующий вид:

В отличие от элементов Пельтье, применяемых в термохолодильниках с формой параллепипеда, форма элемента Пельтье в виде прямоугольной трапеции, применяемой авторами, дает F 1. Расчет мощности по формуле (8), в области внешних температур от -50°С до +60°С, дает представленную на фиг.4 зависимость для конкретных комплектующих СД лампы.
Примем температуру р-n перехода равной 25°С, тогда разность температур в (8) Т принимает значение, равное 35°С, при внешней температуре 60°С. Следуя показаниям графика фиг.4, мощность, потребляемая СД, не должна быть более чем 1,2 Вт.
Конструкция лампы на СД с применением элементов Пельтье, созданная в соответствии с настоящим изобретением, показана на фиг.5.
Варианты электрических схем ЖД ламп, функционирующих в соответствии с заявленным изобретением, показаны на фиг.6.1 и 6.2.
На фиг.6.1 показан вариант схемы, применяемой для напряжения питания на СД от 9 до 12 В. Согласно такому варианту напряжение питания на СД равно 6 В, сила тока, проходящего через СД, равна 0,07 А. Характеристики остальных параметров следующие:
ограничивающие сопротивления R1, R2 мощностью 0,2 W, D1, D2, D3, D4 – диоды Шоттки, сила тока 0,3 (для D1 и D2) и 1,5 А – для D3 и D4, ПТ – полевой транзистор на напряжении отсечки мин. 1 В, ток СИ 1,5 А, напряжение СИ – мин. 2,5 В, тороидальный трансформатор – первичное напряжение 6 В, вторичное – 3 В, максимальный ток 1,2 А, размер трансформатора – 55×30×20 мм, количество элементов Пельтье – 40 шт.
Фиг.6.2 отображает вариант схемы, применяемой для напряжения питания на СД от 5 до 12 В. Напряжение питания СД на представленном варианте составляет 3 В, ток через СД 0,07 А, напряжение отсечки на полевом транзисторе – мин. 0,6 В.
Параметры ЖД лампы, и СД-лампы, состоящей из четырех кристаллов, размером 1×1 мм2, показаны на фиг.7, 8, где на фиг.7 показана ЖД-лампа ЖС – 12+15+15, на фиг.8 СД лампа.
Как видно на фиг.7, 8 при потребляемой мощности ЖД лампой 15 Вт, сила света равна 15 кд в угле излучения ±60° измеренной на половине мощности излучения. СД лампа согласно заявленному изобретению при потребляемой мощности в 3 Вт дает ту же силу света в том же угле излучения. С учетом применения светофильтров для ЖД ламп, эффективность СД ламп на порядок выше. При замене существующих ламп накаливания на предлагаемый авторами аналог ОАО «РЖД» сможет существенно снизить издержки на монтаж и обслуживание светофоров в связи с простотой монтажа и долговечностью лампы, а также приведет к экономии денежных, людских и временных ресурсов.
Формула изобретения
1. Светодиодный источник излучения, содержащий, по меньшей мере, один или несколько полупроводниковых излучателей света, одноцветного либо разноцветного излучения оптического диапазона, держатель излучателя света, теплоотводящую металлизированную подложку с присоединительными выводами, покровную линзу, один или несколько соединенных последовательно термоэлементов Пельтье и, по меньшей мере, один радиатор, при этом излучатели света размещены в области поглощения тепла термоэлементами, а радиаторы – в области выделения тепла термоэлементами, отличающийся тем, что термоэлементы Пельтье выполнены в виде прямоугольной трапеции с размерами, определяемыми из следующих условий: d=(0,35÷0,55)·a, с=(1,78÷2,0)·а, b=(4,0÷6,0)·а, где а – толщина термоэлемента Пельтье, d и c – длина меньшего и большего основания трапеции, соответственно, b – высота трапеции, потребляемая мощность полупроводниковых излучателей света в пределах 90% мощности, поглощаемой термоэлементами Пельтье на холодной поверхности держателя источника излучения.
2. Устройство по п.1, отличающееся тем, что площадь держателя источника излучения составляет 1,4 см2.
3. Устройство по п.1, отличающееся тем, что термоэлементы Пельтье расположены по обе стороны держателя источника излучения в горизонтальных плоскостях.
4. Устройство по п.1, отличающееся тем, что полное сопротивление термоэлементов Пельтье составляет 3 Ом.
5. Устройство по п.1, отличающееся тем, что площадь радиатора составляет 150 см2.
6. Устройство по п.1, отличающееся тем, что объем между покровной линзой и излучателями света заполнен герметизирующим эластичным компаундом.
7. Устройство по п.6, отличающееся тем, что герметизирующий компаунд имеет коэффициент преломления 1,4.
8. Устройство по п.1, отличающееся тем, что топология размещения излучателей света повторяет форму спирали лампы накаливания.
9. Устройство по п.1, отличающееся тем, что покровная линза выполнена сферической формы с толщиной стенок 1 мм.
РИСУНКИ
|
|