|
|
(21), (22) Заявка: 2006130419/11, 28.02.2005
(24) Дата начала отсчета срока действия патента:
28.02.2005
(30) Конвенционный приоритет:
27.02.2004 DE 202004003238.4 15.10.2004 DE 202004016009.9
(43) Дата публикации заявки: 10.04.2008
(46) Опубликовано: 20.06.2010
(56) Список документов, цитированных в отчете о поиске:
US 3797870 А, 19.03.1974. US 1426239 A, 15.08.1922. US 1454890 A, 15.05.1923. SU 550494 A, 12.04.1977. SU 1227836 A1, 30.04.1986. SU 1254216 A1, 30.08.1986. FR 2746944 A1, 10.03.1997. SU 1362666 A1, 30.12.1987. SU 489854 A, 24.02.1976. SU 838108 A, 20.06.1981. US 3160249 A, 08.12.1964. US 1659992 A, 21.02.1928. US 3583736 A, 08.06.1971.
(85) Дата перевода заявки PCT на национальную фазу:
27.09.2006
(86) Заявка PCT:
EP 2005/002084 20050228
(87) Публикация PCT:
WO 2005/083275 20050909
Адрес для переписки:
105215, Москва, а/я 26, Н.А.Рыбиной
|
(72) Автор(ы):
РАМЗАУЕР Дитер (DE)
(73) Патентообладатель(и):
РАМЗАУЕР Дитер (DE)
|
(54) ПРИСТЕГИВАЮЩЕЕ УСТРОЙСТВО ИЛИ ЗАЩЕЛОЧНОЕ КРЕПЛЕНИЕ ДЛЯ ФИКСАЦИИ ТОНКОЙ СТЕНКИ К СТЕННОЙ ОПОРЕ
(57) Реферат:
Изобретение относится к крепежным устройствам. Защелочное крепление используется для фиксации тонкой стенки, которая снабжена отверстием, к стенной опоре, которая также снабжена отверстием, имеет опорную часть, которая может быть размещена у стенной опоры в ее отверстии, и головную часть, отходящую от указанной опорной части. Головная часть представляет собой охватываемую съемную часть, которая за счет преодоления усилия пружины, действующего радиально наружу, может быть установлена в охватывающую съемную часть с выточкой, образуемую отверстием в тонкой стенке или удерживаемую отверстием в тонкой стенке. Согласно первому варианту опорная часть включает элемент, идентичный конструкции головной части и расположенный зеркально. Согласно второму варианту корпус снабжен крепежными кулачками, которые могут быть зажаты в отверстии в тонкой стенке. Согласно третьему варианту имеются нажимные элементы, которые содержат две дискообразные пластины, расположенные рядом друг с другом или одна позади другой с возможностью смещения. Изобретение относится также к выдвижному ящику и шкафу, в которых используется защелочное крепление согласно первому или второму варианту. В результате увеличивается надежность крепления. 5 н. и 35 з.п. ф-лы, 146 ил.
Предпосылки к созданию изобретения
Изобретение относится к защелочному креплению для фиксации тонкой стенки, такой как стенка корпуса, створка двери, жалюзи и т.д., которая снабжена отверстием, к стенной опоре, такой как каркас корпуса, дверная коробка, кромка отверстия в стенке и т.д., с опорной частью, которая может быть размещена у стенной опоры в отверстии, с головной частью, идущей от указанной опорной части, причем диаметр продольного сечения головной части от конца головной части в направлении опорной части сначала увеличивается, а затем уменьшается, причем головная часть представляет собой охватываемую съемную часть, которая, преодолевая усилие пружины, действующее радиально наружу в направлении диаметра, может входить в охватывающую съемную часть с выточкой, образуемую или удерживаемую отверстием в тонкой стенке.
Краткое описание известного уровня техники
Защелочное крепление, тип которого упомянут выше, уже известно из технического проспекта, изданного Bollhoff GmbH, Archimedesstr. 1-4, 33649 Bielefeld. Штифт, который может быть прикреплен к стенной опоре с помощью опорной части, снабженной резьбой, имеет сферическую или шарообразную головку, представляющую собой охватываемую съемную часть, в то время как шляпка, снабженная кольцевым выступом, служит в качестве охватывающей съемной части и может быть вставлена в отверстие в тонкой стенке, что обеспечивает гибкую установку головки благодаря конструкционному материалу, представляющему собой гибкий пластик.
Недостаток конструкции заключается в том, что пластиковый материал с течением времени и при повторяемом напряжении может потерять свою целостность и пружинистость, в результате чего не обеспечивается прочность держателя. Кроме того, конструкция является исключительно сложной и дорогостоящей.
Цель изобретения
Целью настоящего изобретения является создание защелочного крепления, тип которого указан выше, обеспечивающего устранение указанных недостатков и максимальную пружинистость в течение неограниченного периода времени, и конструкция которого ввиду ее простоты обеспечивает дешевое производство, а простая сборка позволяет производить, например, шкафы из листового материала и все типы корпусов, кожухов и концевых закрывающих устройств при меньших затратах.
Краткое изложение существа изобретения
Указанная цель достигается благодаря тому, что головная часть в защелочном креплении, тип которого указан выше, представляет собой направляющую или канал для одного, либо двух, либо нескольких нажимных элементов, которые могут быть продвинуты под нажимом, по меньшей мере, одной пружины в положение, при котором они выступают над торцом направляющей или канала, и торцы нажимных элементов, выступающие из направляющего канала, имеют треугольную или шарообразную форму в плоскости проекции, идущей перпендикулярно тонкой стенке (пункт формулы 1).
В противоположность известным устройствам, в которых усилие пружины должно создаваться с помощью пластикового материала, характеристики которого изменяются со временем, может быть использована стальная пружина с пружинными характеристиками, не изменяющимися с течением времени.
Еще одно преимущество заключается в том, что может быть создано максимальное усилие пружины путем использования пружинных устройств, имеющих соответственно высокие константы пружины, в то время как пружинистость пластмасс ограничена характеристиками пластикового материала.
В известных устройствах охватывающая съемная часть должна быть размещена в круглом отверстии в тонкой стенке; в примере осуществления в соответствии с изобретением охватывающая съемная часть предпочтительно сформирована прямоугольным отверстием в тонкой стенке, предпочтительно на скошенном участке у кромки тонкой стенки, чтобы обеспечивалось формирование более узкого и, следовательно, меньшего по размеру отверстия без снижения прочности (пункт 1 формулы изобретения).
В примере осуществления настоящего изобретения, обладающем особыми преимуществами, нажимные элементы включают две пластины, расположенные рядом друг с другом (либо одна позади другой) таким образом, чтобы обеспечивалось их смещение, при этом каждая из двух пластин имеет отверстие, удлиненное в направлении перемещения и которое образует по отдельности или совместно пространство для установки спиральной нажимной пружины, в которых отверстия во втором торце расположены так, чтобы обеспечивалось их перемещение в направлении от шарообразного или треугольного свободного конца таким образом, чтобы общая пружина раздвигала две пластины в направлении их движения (пункты 1, 10 и 29 формулы изобретения).
В соответствии с другой конструкцией изобретения нажимной пружине и кромкам отверстия придана такая форма, чтобы нажимная пружина удерживала две пластины вплотную друг к другу с целью формирования манипулирующего узла, который может быть предварительно собран (пункты 29, 30 формулы изобретения).
Благодаря этому также обеспечивается простое манипулирование до процесса сборки и во время него.
В соответствии с другой конструкцией изобретения кромки отверстий снабжены выступами или углублениями для фиксации спиральной нажимной пружины и пластин (пункт 31 формулы изобретения). Соответственно спиральная пружина может быть предварительно установлена в пластинах или в пластине с целью ускорения последующей сборки в охватываемой съемной части.
В соответствии с дальнейшим примером осуществления изобретения пластины снабжены вырезом на их внешней продольной кромке для ограничения их продольного перемещения с помощью буртика или штифта, заходящего в вырез (пункт 32 формулы изобретения). В соответствии с изобретением обеспечивается направление двух пластин таким образом, чтобы происходило их смещение в продольном направлении в U-образном корпусе, концы ножек которого прикреплены к опорной пластине, образованной опорной частью, или составляющих единое целое с опорной пластиной (пункт 33 формулы изобретения), что является существенным преимуществом.
U-образный корпус может быть снабжен отверстием в перемычке для установки штифта (пункт 34 формулы изобретения), служащего для ограничения продольного перемещения пластины или пластин, как описывалось выше.
Опорная часть может быть образована болтом с головкой, с помощью которого опорная часть может быть прикреплена к стенной опоре, такой как рама корпуса, кромка отверстия стены и т.д. путем навинчивания гайки на болт (пункты 8, 19, 35 формулы изобретения). Это соответствует типу крепления штифта в известных устройствах.
В соответствии с другим примером осуществления изобретения опорная часть также может быть образована крепежной пластиной, снабженной крепежными отверстиями (пункты 20, 36 формулы изобретения) с целью обеспечения крепления опорной части с помощью соответствующих винтов, которые могут быть установлены в крепежных отверстиях.
Опорная часть также может быть образована пластиной, перекрывающей продольные кромки отверстия в тонкой стенке (пункты 21, 37 формулы изобретения).
Опорная часть также может представлять собой сторону штампованного металлического профиля, такого как алюминиевый профиль или профиль из прокатанного листового металла, такого как тонколистовой стальной профиль, либо пластикового профиля, полученного литьем под давлением (пункты 22-24, 38-40 формулы изобретения).
Существенное преимущество заключается в том, что опорная часть включает элемент, идентичный конструкции головной части, расположенный зеркально (пункт 1 формулы изобретения). В примере осуществления изобретения такого рода преимущество заключается в том, что обе части имеют общую опорную пластину, расположенную между ними (пункт 16 формулы изобретения).
Тем не менее, опорная пластина головной части может быть также образована перемычкой опорной части, либо перемычка создает для нее опору (пункт 3 формулы изобретения).
В этом случае преимущество заключается в том, что опорная часть имеет большую продольную длину, чем головная часть, и в сочетании со своей перемычкой образует опорные буртики (стопоры) для тонкой стенки (пункт 4 формулы изобретения). Благодаря этому обеспечивается стопор перпендикулярно плоскости тонкой стенки, который в дальнейшем нет необходимости создавать с помощью других деталей структурных элементов стенной опоры или корпуса.
Свободные торцы смещаемых пластин опорной части могут иметь асимметричную двускатную форму таким образом, чтобы опорная часть могла быть установлена внутри приемлемого отверстия в тонкой стенке или стенной опоре путем установки вовнутрь смещаемых в продольном направлении пластин, при этом направляя часть ската с более пологим наклоном, но обратное перемещение при направлении более крутой части ската является невозможным, т.к. пластины являются самоблокирующимися в своей направляющей (пункт 5 формулы изобретения).
Конструкция такого типа не может быть снова разблокирована без применения специальных инструментов, что является преимуществом во многих случаях.
При использовании самоблокирующегося защелочного крепления преимущество заключается в том, что инструмент, такой как гаечный ключ или ключ, позволяющий отвести назад нажимные элементы под воздействием усилия пружины путем его поворота, может быть вставлен с передней и (или) тыльной стороны в корпус, содержащий самоблокирующееся защелочное крепление (пункт 6 формулы изобретения).
При необходимости это обеспечивает разборку крепления такого рода.
В соответствии с другим примером осуществления изобретения корпус может быть снабжен крепежным кулачком, который может быть посажен внутри сквозного отверстия в тонкой стенке.
Из корпуса может выступать приводной вал, либо приводное колесо, либо ключ, с помощью которого нажимные элементы корпуса могут быть отведены назад (пункт 10 формулы изобретения).
Приведение в действие защелочного крепления, снабженного несколькими приводными колесами (маховичками), упрощается в том случае, когда приводное колесо сконструировано таким образом, чтобы обеспечивалась его блокировка в разомкнутом положении (пункт 11 формулы изобретения).
Захват также может выступать из корпуса. Это создает существенные преимущества, например, в тех случаях, когда корпус представляет собой выдвижной ящик или вставную стойку (пункт 12 формулы изобретения).
Корпус может включать несамоблокирующееся, а также самоблокирующееся защелочное крепление. Два типа защелочных креплений расположены приблизительно на одной и той же высоте для смещения относительно друг друга на расстояние от плоскости тонкой стенки (пункты 17, 18 формулы изобретения).
Опорная часть может быть снабжена удлиненными отверстиями в качестве крепежных отверстий, и это является преимуществом в том плане, что конструкция служит в качестве кронштейна, привинчиваемого винтами, в результате чего обеспечивается его замена.
Изобретение также предусматривает создание ящика или стойки с передней тонколистовой стенкой, в которых передняя панель представляет собой тонкую стенку, а емкость ящика является стенной опорой в соответствии с одним из пунктов формулы 1-8.
Изобретение также предусматривает создание шкафа с тонкой стенкой или дверной створкой, в котором защелочное крепление имеет конструкцию в соответствии с одним из примеров осуществления изобретения, упомянутых выше (пункт 26 формулы изобретения).
Тонкая стенка может быть снабжена одной или несколькими ручками или углубленными захватами с целью упрощения манипулирования тонкой стенкой (пункт 27 формулы изобретения). В этом случае преимущество заключается в том, что углубления захватов расположены в отверстиях, в которых защелочное крепление входит в зацепление аналогично защелочному креплению опорной части, проиллюстрированной на приведенных выше примерах осуществления изобретения.
Двойной скос обеспечивает потайное размещение крепления. В другом примере осуществления тонкая стенка может быть снабжена перемычкой с отверстиями для установки симметричных двускатных концов защелочного крепления в соответствии с одним из приведенных выше примеров осуществления изобретения (пункт 28 формулы изобретения).
Краткое описание чертежей
Ниже следует подробное описание изобретение на примерах его осуществления, проиллюстрированных прилагаемыми чертежами.
Фиг.1 – дверца распределительного шкафа, шарнирно прикрепленная к раме распределительного шкафа и удерживаемая в закрытом положении с помощью защелочного крепления, имеющего конструкцию в соответствии с изобретением.
Фиг.1В – вид сверху в разрезе отверстия, выполненного в створке дверцы и в дверной раме для защелочного крепления, имеющего конструкцию в соответствии с изобретением.
Фиг.2 – вид сбоку защелочного крепления по Фиг.1А, служащего в качестве запирающего устройства и которое может быть прикреплено к дверной раме с помощью опорной части в форме аналогично сконструированного защелочного крепления.
Фиг.3А – вид в перспективе защелочного крепления с опорной частью, образованной крепежной пластиной, снабженной крепежными отверстиями.
Фиг.3В – вид в сбоку защелочного крепления с опорной частью, образованной крепежной пластиной, снабженной крепежными отверстиями.
Фиг.4 – пример осуществления изобретения, в котором опорная часть образована болтом с головкой.
Фиг.5А – вид в перспективе двойного U-образного корпуса для двух пластин, расположенных таким образом, чтобы обеспечивалось их смещение относительно друг друга.
Фиг.5В – вид спереди двойного U-образного корпуса для двух пластин, расположенных таким образом, чтобы обеспечивалось их смещение относительно друг друга.
Фиг.5С – вид в разрезе в аксиальной проекции по плоскости разреза В-В по Фиг.5В.
Фиг.5D – вид сверху корпуса по Фиг.5А.
Фиг.6 – пластина, снабженная отверстием и вырезом боковой кромки для осуществления защелочного крепления у дверной рамы.
Фиг.7А – вид в перспективе монтажной пластины, имеющей симметричный треугольный конец и снабженной отверстием и вырезом в боковой кромке.
Фиг.7В – вид сбоку монтажной пластины, имеющей симметричный треугольный конец и снабженной отверстием и вырезом в боковой кромке.
Фиг.7С – вид сверху монтажной пластины, имеющей симметричный треугольный конец и снабженной отверстием и вырезом в боковой кромке.
Фиг.8 – вид сверху монтажной пластины, имеющей симметричный треугольный конец и снабженной отверстием и вырезом в боковой кромке, в которой одна сторона треугольника концевой части является вогнутой.
Фиг.9 – вид сверху монтажной пластины, в которой конец имеет шарообразную форму и выгнутую сторону треугольника.
Фиг.10А – вид в разрезе, аналогичный виду на Фиг.1А, через стенку шкафа, снабженную защелочным креплением, имеющим конструкцию в соответствии с изобретением.
Фиг.10В – вид в разрезе по линии разреза А-А по Фиг.10А.
Фиг.10С – вид сверху примера осуществления по Фиг.10А.
Фиг.10D – вид в перспективе конструкции по Фиг.10А.
Фиг.11А – боковая рама с боковой стенкой шкафа, снабженной защелочными креплениями в соответствии с изобретением и конструкциями углубленных ручек.
Фиг.11В – увеличенный вид в разрезе по линии Е-Е по Фиг.11А.
Фиг.11C – увеличенный вид в разрезе по линии разреза D-D по Фиг.11А.
Фиг.11D – вид в перспективе рамы по Фиг.11А с защелочным креплением, сконструированным в соответствии с изобретением по Фиг.11В и 11C.
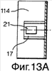
Фиг.12 – поперечное сечение рамы шкафа, снабженного створкой дверцы и ее защелочным креплением.
Фиг.13А и 13В – вид сверху и вид в разрезе по линии F-F по Фиг.13А шкафа по Фиг.12, иллюстрирующие держатель, приваренный к тыльной поверхности створки дверцы и имеющий отверстия для установки концов нажимных пластин защелочного крепления.
Фиг.14А-D – пример осуществления нажимных пластин, имеющих конструкции для образования манипулируемого ручного узла, включающего пластины и пружины.
Фиг.15А – вид в разрезе защелочного элемента, в котором опорная часть образована пластиной 218.
Фиг.15В – вид сбоку защелочного элемента, в котором опорная часть образована пластиной 218.
Фиг.16А – вид в разрезе защелочного элемента, в котором опорная часть образована пластиной 218.
Фиг.16В – вид сбоку защелочного элемента, в котором опорная часть образована пластиной 218.
Фиг.16С – корпус по Фиг.16А с инструментом для вдавливания направленного вовнутрь выступа для фиксации пластин.
Фиг.17А – вид в разрезе защелочного устройства, тип которого аналогичен устройству по Фиг.2, но которое выполнено из листового металла.
Фиг.17В – конструкция аналогичная конструкции по Фиг.1А, но которая также выполнена из листового металла.
Фиг.17С – корпус зажимной соединительной части.
Фиг.17D – вид в разрезе пластин, которые могут быть установлены в корпусе в соответствии с Фиг.17А.
Фиг.18 – форма корпуса аналогичная форме по Фиг.17С, но с выступающими направляющими для пластин.
Фиг.19А – вид сбоку корпуса, выполненного путем литья под давлением.
Фиг.19В – вид сбоку корпуса, выполненного путем литья под давлением.
Фиг.19С – вид сверху пластин.
Фиг.19D – вид сбоку пластин.
Фиг.20 – корпус, аналогичный корпусу по Фиг.18, но выполненный путем литья под давлением.
Фиг.21А, 21В – пример осуществления по Фиг.15А, 15В с исключительно стабильным ввинченным держателем.
Фиг.21С – вид сзади примера осуществления по Фиг.21А, иллюстрирующий наличие двух пар пластин.
Фиг.22А – вид аналогичный виду по Фиг.21А, но на котором пластины расположены одна позади другой, а не рядом друг с другом.
Фиг.22В – вид сбоку примера осуществления по Фиг.22А.
Фиг.22С – вид сверху примера осуществления по Фиг.22А.
Фиг.23А, 23В, 23С и 23D – укороченная пластина с пружиной.
Фиг.24А, 24В и 24С – три вида альтернативного исключительно стабильного защелочного элемента.
Фиг.25А, 25В и 25С – различные виды защелочного элемента, который может быть блокирован с помощью стопора или пробки и который может быть разблокирован с помощью ключа.
Фиг.26А-В и 27А-С – различенные виды нажимных пластин.
Фиг.28А, 28В, 28С и 28D – пример осуществления изобретения с закрепленной пружиной.
Фиг.29А-С – пластина и используемая вместе с ней пружина.
Фиг.30А, 30В -другой пример осуществления изобретения.
Фиг.31 – корпус.
Фиг.32А и 32В – пластина.
Фиг.33А и 33В -другой пример осуществления изобретения.
Фиг.34А-D – пример осуществления изобретения, аналогичный примеру по Фиг.20, устройство которого может быть разблокировано с помощью ключа.
Фиг.35 – отверстие в тонкой стенке.
Фиг.36 – устройство, которое может быть открыто снаружи.
Фиг.37 – соответствующее устройство, которое может быть открыто сзади.
Фиг.38А и 38В – отверстия для тонкой стенки и стенной опоры с использованием корпуса по Фиг.41А и 41В.
Фиг.39А и 39В – соответствующие отверстия для примеров осуществления изобретения по Фиг.40А-С.
Фиг.40А-D – корпус, который может быть блокирован с помощью зажимных выступов в стенной опоре, которые образованы стенкой корпуса.
Фиг.41А и 41В – другая соответствующая форма.
Фиг.42 – вид в разрезе корпуса в аксиальной проекции по Фиг.40А-D.
Фиг.43А-В – другой пример осуществления изобретения, в котором используется захват.
Фиг.44 – вид в разрезе устройства в соответствии с примером осуществления изобретения, которое может быть разблокировано с помощью колеса (маховичка).
Фиг.45А-С – пример осуществления изобретения с захватом, в котором самоблокирующееся крепление и несамоблокирующееся крепление расположены в отдельном корпусе.
Фиг.46 – вид примера осуществления изобретения аналогичный виду по Фиг.45, в котором самоблокирующееся крепление и несамоблокирующееся крепление расположены в различных плоскостях в одном и том же корпусе.
Фиг.47 – форма отверстия для примера осуществления по Фиг.45А-С.
Фиг.48А – вид спереди приемлемых самоблокирующихся пластин для примера осуществления изобретения по Фиг.45А и 45В.
Фиг.48В – вид сбоку приемлемых самоблокирующихся пластин для примера осуществления изобретения по Фиг.45А и 45В.
Фиг.48С – соответствующий вид пластины, не являющейся самоблокирующейся.
Фиг.49А, 49В и 49С – вид другого примера осуществления самоблокирующейся пластины.
Фиг.50А, 50В и 50С – защелочное крепление, сконструированное в соответствии с изобретением, которое может быть использовано в качестве кронштейна.
Фиг.51А и 51В – вид в продольном разрезе и в поперечном сечении примера осуществления изобретения, сконструированного в виде соединительного элемента двух тонких стенок.
Фиг.52А и 52В – вид сбоку и вид сверху соединительного элемента по Фиг.51А.
Фиг.53 – вид, аналогичный виду на Фиг.51В, но отличающийся тем, что стенки еще не соединены.
Фиг.54 – вид сбоку защелочного крепления с крепежными элементами, способными поворачиваться вокруг оси, расположенной параллельно плоскости тонкой стенки.
Фиг.55А, 55В и 55С – вид сбоку защелочного крепления с крепежными элементами, способными поворачиваться вокруг оси, расположенной перпендикулярно плоскости тонкой стенки.
Фиг.56 – покомпонентное изображение защелочного крепления, аналогичного креплению, проиллюстрированному на Фиг.40А-С, но отличающегося тем, что вместо крепежного кулачка установлена вставляемая вовнутрь пружина.
Фиг.57A-F – различные виды защелочного крепления по Фиг.56 в закрытом положении.
Фиг.58А-Е – различные виды защелочного крепления по Фиг.56 в открытом положении.
Фиг.59 – вид в перспективе защелочного крепления по Фиг.56 до установки в стенной опоре и до установки тонкой стенки у стенной опоры с помощью защелочного крепления.
Фиг.60А – вид в перспективе защелочного крепления по Фиг.56 после его установки в стенной опоре и до установки тонкой стенки у стенной опоры с помощью защелочного крепления.
Фиг.60B-D – другие виды состояний монтажа, проиллюстрированные на Фиг.60А.
Фиг.61А – вид в перспективе защелочного крепления по Фиг.56 после его установки в стенной опоре и после установки тонкой стенки у стенной опоры с помощью защелочного крепления.
Фиг.61B-D – другие виды состояний монтажа, проиллюстрированные на Фиг.61А.
Подробное описание изобретения
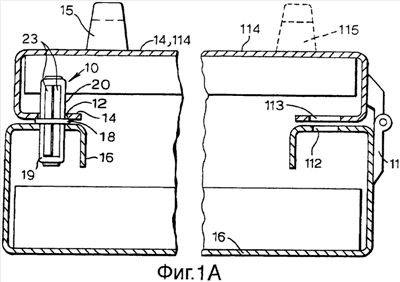
На Фиг.1А приведен вид в поперечном сечении, иллюстрирующий защелочное крепление 10 для фиксации тонкой стенки 14, такой как стенка корпуса, в данном случае дверной створки 14, жалюзи или аналогичного элемента, которая снабжена отверстием 12, к стенной опоре 16, такой как каркас корпуса, дверная рама, кромка отверстия стены или аналогичный элемент, который также снабжен отверстием 12, имеющее опорную часть 18, которая может быть размещена у стенной опоры 16 в отверстии 12, снабженное головной частью 20, отходящей от указанной опорной части 18, причем диаметр продольного сечения головной части, показанной как вид сбоку на Фиг.2, сначала увеличивается, а затем уменьшается от конца головной части 20 в направлении опорной части 18, характеризующееся тем, что головная часть 20 представляет собой охватываемую съемную часть, которая за счет преодоления усилия пружины (см. пружину 28 на Фиг.3В), действующего радиально в направлении продольного сечения, может быть установлена в охватывающую съемную часть с выточкой, образуемую отверстием 13 в тонкой стенке 14 или удерживаемую отверстием 13 в тонкой стенке 14. Головная часть 20 защелочного крепления 10 снабжена направляющими или каналами 33, 34 для одного или двух нажимных элементов 23, которые выдвигаются в положение (см. Фиг.3В) с помощью, по меньшей мере, одной пружины 28, в котором они выступают за торец направляющего канала. Конец, выступающий из направляющего канала 33 или 34, имеет форму треугольника (см. Фиг.2, сверху, и Фиг.7В), т.е. он включает наклонные поверхности или стороны 25, 27 треугольника, как видно на Фиг.7В. Два нажимных элемента 23, имеющих идентичную конструкцию, расположены рядом друг с другом внутри канала 33, 34 с целью перемещения в противоположных направлениях и являются смещаемыми по отношению друг к другу и относительно четырех стенок канала. Такое возвратно-поступательное движение нажимных элементов 23 ограничено буртиком 42, который может являться частью стопора или пробки 66 и который проходит через совпадающее отверстие 32 (см. Фиг.5D) в узкой стенке головной части 20. Указанный буртик входит в углубление 79 нажимного элемента 23 и ударяет по его торцам 38, 39. Соответствующим образом, в то время как пробка 66 находится в положении, показанном на Фиг.3В, два нажимных элемента 23, 123, перемещающиеся в противоположных направлениях, не могут выпасть из направляющей корпуса; с другой стороны, с помощью пружины 28 они отжаты в положение, показанное на Фиг.3В, в котором вершины их треугольников выступают за направляющие каналы. Наклонные поверхности 25, 27 соответственно образуют вышеупомянутое диаметральное удлинение головной части, которое сначала увеличивается, а затем уменьшается. Соответствующим образом указанный защелочный элемент 10 может быть задвинут в отверстие 12, образованное дверной створкой 14. Наклонная поверхность 27 скользит вдоль узкой кромки указанного отверстия и по мере перемещения толкает нажимной элемент 23 обратно в направляющий канал под воздействием усилия пружины 28 до тех пор, пока не будет достигнута вершина треугольника, вследствие чего нажимной элемент 23 снова движется наружу, и кромка отверстия скользит вниз вдоль наклонной поверхности 25 и вынуждает защелочный элемент снова выдвигаться из отверстия. Когда его наклон аналогичен наклону наклонной поверхности 27, наклонная поверхность 25 обеспечивает перемещение наружу, которое, тем не менее, также может быть изменено за счет того, что указанная наклонная поверхность 25 имеет вогнутую форму, указанную позицией 25′ (см. Фиг.8), или выгнутую форму, указанную позицией 25” (см. Фиг.9), таким образом, чтобы снова происходило изменение затраты силы, необходимой для отпирания защелочного элемента.
Как проиллюстрировано на Фиг.1А, отверстие 12 для защелочного крепления расположено на скосе дверной створки 14 таким образом, чтобы крепление не было видно при закрытой двери. Вместо отверстия корпуса 16, закрываемого дверцей, снабженной петлей 11 и дверной ручкой 15, отверстие корпуса 16 может быть закрыто с помощью стенной части, в которой вместо петли 11 над отверстиями 112, 113 могло бы быть размещено защелочное крепление, аналогичное тому, что показано на левой стороне под позицией 10. Указанная стенка 114 может быть снабжена второй ручкой 115 для упрощения операции, но также можно обойтись без ручки.
В целом, скос рамы 16, проиллюстрированной с левой стороны на Фиг.1А, может представлять собой отверстие в стене, закрываемое соответствующей крышкой.
Крепление защелочного элемента 10 на дверной раме 16 или на аналогичной конструкции может быть выполнено известным способом с помощью болта с головкой (см. болт под позицией 219, расположенный в опорной пластине 218 на Фиг.4) или в соответствии с Фиг.3А, 3В с помощью винтов (не показаны), которые установлены в отверстиях 119 в опорной пластине 118. Более предпочтительная конструкция, адаптированная к верхней части защелочного крепления и проиллюстрированная на Фиг.1, заключается в том, что опорная часть включает элемент, имеющий конструкцию, идентичную головной части 21.
Существенное отличие состоит в том, что наклонные поверхности 26, 24 имеют различные углы наклона (см. Фиг.6). Наклонная поверхность 26 упрощает установку опорной части в соответствующее отверстие 12, 112 в каркасе или аналогичной конструкции за счет обеспечения относительно небольшого наклона, предотвращающего самоблокировку. В противоположность этому наклон 24, который необходимо преодолеть с целью извлечения структурного компонента из отверстия, является настолько крутым, что имеет место самоблокировка, и структурный компонент не может быть извлечен из отверстия без специального инструмента.
На Фиг.14А-D проиллюстрировано применение усилия пружины, что представляет собой исключительное преимущество. Два нажимных элемента включают две пластины 122, расположенные рядом друг с другом, с целью обеспечения их смещения (см. Фиг.14В), при этом каждая пластина снабжена отверстием 146, имеющим удлинение в направлении перемещения. Указанные два отверстия, расположенные рядом друг с другом, вместе образуют пространство для установки спиральной нажимной пружины 128. Отверстия 146 расположены с возможностью их смещения в направлении от шарообразных или треугольных свободных концов таким образом, чтобы пружина разводила две пластины в стороны в направлении их движения, т.е. вправо и влево, как показано на Фиг.14В.
Другие кромки отверстия 146 могут иметь выступы 186 с целью фиксации пружины внутри указанного пространства для ее установки или с целью того, чтобы две смежные смещаемые пластины 122 могли удерживаться вместе одновременно в виде манипулируемого узла, проиллюстрированного на Фиг.14С и 14D (различная толщина пластин).
При отсутствии необходимости в указанном монтажном устройстве, либо если конструкция является самонесущей, можно также обойтись без выступов 186. В любом случае после монтажа в каналах пружины и пластины автоматически удерживаются относительно друг друга, т.е. с помощью стенок каналов.
Таким образом, конструкция защелочного крепления в соответствии с Фиг.2 обладает исключительными преимуществами в том, что защелочное крепление может быть закреплено в каркасе 16 путем зажима, и тонкая стенка, такая как дверца 14, далее может скользить вдоль защелочного крепления и, таким образом, блокироваться, но при этом имеется возможность снова открыть дверцу путем оказания соответствующего тянущего усилия. Такая операция является невозможной при использовании защелочного крепления опорной части 19. С целью разборки последней необходимо применить инструмент или создать существенное усилие пальцами для вдавливания двух нажимных элементов 22 в корпус, преодолевая усилие пружины, до тех пор, пока кромки отверстия 12 не отойдут назад вдоль крутой наклонной поверхности 24.
В примере осуществления изобретения в соответствии с Фиг.1А скос тонкой стенки 14 находится непосредственно рядом со скосом каркаса 16, и лишь толщина пластины разделяет их друг от друга. В примере осуществления изобретения, проиллюстрированном на Фиг.11В, конструкция подобрана таким образом, чтобы это расстояние увеличилось, что в некоторых случаях может представлять собой преимущество. С этой целью опорную часть поворачивают вокруг ее оси.
На Фиг.10А, 10В, 10С и 10D показаны различные виды примера осуществления изобретения, на которых тонкая стенка 14 крепится к дверной раме 16 с возможностью съема с помощью двойного защелочного крепления 19, 20 в соответствии с изобретением.
Если дверная створка не снабжена скосом, на котором может быть расположено приемлемое установочное отверстие для самофиксации, то в случае с распределительным шкафом, снабженным дверной рамой 116 и дверной створкой 114 в соответствии с Фиг.12, 13А и 13В, указанная дверная створка 114 снабжена перемычками 17, идущими от свободной поверхности дверной створки и расположенными друг против друга и имеющими отверстия 21, в которые могут входить нажимные элементы 123.
На Фиг.15А, 15В две тонкие стенки могут быть соединены друг с другом посредством опорной части в соответствии с изобретением. Две тонкие стенки 14 и 16 удерживаются с помощью самоблокирующихся нажимных элементов 323 таким образом, чтобы они могли быть разъединены с помощью инструмента. Корпус может быть выполнен из металлического сплава или пластика путем литья под давлением и иметь форму, показанную на Фиг.15В, в то время как аналогичная форма может быть создана путем прокатки листового металла, как показано на Фиг.16В. Как показано на Фиг.16А, перемычка 61 может быть снята с помощью двух канавок 59 и в дальнейшем может быть запрессована в профиль с помощью прессового инструмента, показанного на Фиг.16С. Запрессованная часть в дальнейшем служит в качестве выступа для ограничения перемещения нажимных элементов 323.
В указанном примере осуществления изобретения конструкции, выполненной из листового проката, может быть придана форма, проиллюстрированная на Фиг.17А, 17В и 17С, в которой две пары нажимных элементов без промежуточной опорной пластины удерживаются таким образом, чтобы обеспечивалось их смещение в профиле, создающем достаточное пространство для указанных нажимных элементов. Две пары нажимных элементов также могут быть отделены друг от друга. В соответствии с Фиг.18 это достигается с помощью обратного изгиба тонколистового металла (см. позицию 331). Пример осуществления изобретения, показанный на Фиг.16С, также может представлять собой конструкцию из металла или пластика, выполненную путем литья под давлением. Пример, показанный на Фиг.19А, 19В и Фиг.20, иллюстрирует соответствующий способ в связи с двухканальным профилем. За счет гибкости буртиков 342 на Фиг.16С, указанных позицией 442 на Фиг.19А и 19В и позицией 542 на Фиг.20, выполненных из металла или пластика путем литья под давлением, может быть установлена вовнутрь соответствующая пара нажимных элементов 323, 423 или 422, в то время как буртик выступает наружу, при этом указанный буртик является гибким в момент установки; далее буртик перемещается в углубление и спружинивает. Таким образом, отпадает необходимость в отдельной пробке, тип которой упомянут со ссылкой на предшествующие примеры осуществления изобретения.
Конструкция, проиллюстрированная на Фиг.21А, 21В и 21С, является аналогичной конструкции, показанной на Фиг.19А, 19В, но в данном случае вместо одной пары нажимных пластин 422 по Фиг.19С установлены две пары нажимных пластин 622. В этом случае головная часть 620 соединена с опорной частью 618 с помощью двух винтов 40, в которой винт 20 ввинчивается в буртик 41, выступающий из опорной части 618. Винт без головки, пересекающий траекторию перемещения двух нажимных элементов 622 соответственно для ограничения траектории перемещения, обозначен позицией 44. В конструкции по Фиг.22А, 22В, 22С нажимные элементы 722 имеют отверстие 46, идущее параллельно плоскости тонкой стенки и в которое может быть установлена спиральная пружина 728. Указанная пружина опирается на нижнюю поверхность 48 глухого отверстия 50, в которое устанавливается пружина, при этом другой конец пружины прижат к кромке 52 нажимного элемента 722 и соответственно прижимает указанный нажимной элемент 722 к кромке отверстия в тонкой стенке 714. Крепежный элемент 722, образованный плоским диском, как видно из Фиг.22С, расположен в сформированном соответствующим образом пространстве 54 в форме шлица, расположенном в головной части 720. Шлиц 54 достаточно далеко входит в головную часть 720 (см. Фиг.22А) таким образом, чтобы нажимной элемент 722 мог быть полностью вставлен в нее. Перемещение в направлении наружу ограничено при достижении задней кромкой отверстия 46 нажимного элемента 722 нижней поверхности 48 для пружины 728, т.к. указанная кромка 46 (56) далее ударяет по концу пружины 728, и пружина соответственно перестает оказывать нажимное усилие на металлический элемент 722.
На Фиг.24А, 24В, 24С показано, что единственное отличие по сравнению с конструкцией на Фиг.6А-С заключается в том, что между контактной поверхностью 360 и наклонной поверхностью 624 имеется зазор В, в который могут быть установлены дополнительные тонкие стенки 816, 817. Соответственно пример осуществления изобретения на Фиг.24А-С отличается от примера осуществления на Фиг.22А-С тем, что нажимной элемент 822 не является узким, а, наоборот, имеет большую ширину, на боковых поверхностях 62 выполнены полукруглые углубления 64 для установки полупрофиля или поперечного сечения пружины 828. Вторая половина проволочной пружины 828 устанавливается в соответствующее пространство, имеющее полукруглое поперечное сечение, сформированное в головной части 28 и соответствующее шлицу 54 по Фиг.22А.
На Фиг.25А, 25В, 25С показан пример осуществления, который позволяет, с одной стороны, блокировать крепежные элементы 922 в их выдвинутом положении, проиллюстрированном на Фиг.25А с помощью пробки 66, но также, с другой стороны, отводить крепежные элементы 922 за счет воздействия усилия пружины 988 после извлечения пробки 66 с помощью ключа 68, и соответственно позволяет при необходимости выводить из зацепления соединительный элемент с тонкой стенкой 914. Дополнительное преимущество указанного примера осуществления изобретения заключается в том, что под воздействием наклонной поверхности 70 (см. также детальный вид крепежных элементов 922 на Фиг.26А, 26В и 27А, 27В, 27С) указанные крепежные элементы выступают наружу в направлении стенок 72 канала под воздействием давления пружины 928, в результате чего в канале возникает трение, обеспечивая в достаточной степени фиксацию крепежных элементов 922, и отпадает необходимость в фиксирующей пробке 66, показанной на Фиг.25А. В том случае, когда отсутствует необходимость в пробке 66 для фиксации крепежных элементов 922, также отпадает необходимость в извлечении пробки 66, когда отпирающий ключ 68 вводят через отверстие 47 в крышке 76 канала в углубление 78, образованное двумя крепежными элементами 922. При повороте ключа 68 против часовой стрелки, как показано на Фиг.25А, стороны 80 ключа прижимаются к торцам 82 углубления 78, и ключ перемещает крепежный элемент 922 вовнутрь канала до тех пор, пока не будет достигнуто положение, показанное на Фиг.27С, при этом ключ повернут на 90° и держится сам по себе. Все устройство, показанное на Фиг.25А, может быть извлечено из отверстия в тонкой стенке 914, после чего структурные компоненты, которые могут быть зажаты вместе, снова могут быть разделены.
Кроме того, на Фиг.26А-27С четко показано пространство 84 для установки пружин 928.
На Фиг.28А-D показана плоская металлическая деталь, выступающая в качестве крепежного элемента 102, снабженная отверстием 1046 для установки пружины 1028 и двумя выступами 1066, которые расположены напротив друг друга и прижимаются к пружине 1028, тем самым создавая опору для последней с целью создания манипулирующего узла, включающего крепежный элемент и пружину, аналогичные тем, что проиллюстрированы на Фиг.14А-D.
Указанное устройство может быть установлено в паз 1054, имеющий соответствующую форму, в головной части 1020 (см. Фиг.28А), в которой вырез 1084, предназначенный для пружины короче, чем соответствующий паз 1054 для крепежного элемента 1022 таким образом, чтобы обеспечивалась контактная поверхность пружины 1028 при выталкивании крепежного элемента 1022 в положение, показанное на Фиг.28А.
При размещении утолщения 86 в конце выреза 1084 для пружины обеспечивается фиксация пружины и предотвращается выпадение крепежного элемента 1022 с пружиной 1028.
В примере осуществления изобретения в соответствии с Фиг.30А, 30В, 31, 32А и 32В канал 1134 открывается вверх (см. Фиг.31) по техническим причинам, обусловленным процессом изготовления. Тем не менее обеспечивается направление крепежных элементов 1122, т.к. конструкция крепежного элемента 1122 имеет L-образную форму в поперечном сечении, в результате чего 2 L-образных элемента, расположенных рядом друг с другом, как показано на Фиг.30В, образуют конструкцию в виде Т. Ввиду того что крепежные элементы 1122 не блокируются в указанном примере осуществления изобретения, упрощается установка соединительной детали 1110 в отверстие 1112 тонкой стенки 1116 в том случае, когда прямая кромка 88 создается перед спусковым уклоном 90. Наклонные поверхности, образованные корпусом 1120 (см. Фиг.30В и 31), также упрощают установку в прямоугольное отверстие 1112 в тонкой стенке 1116.
Неразъемный Т-образный зажимной элемент также может быть установлен в глухое отверстие, имеющее Т-образную форму в поперечном сечении, например в передней части корпуса крышки, хотя указанный зажимной элемент будет таким же образом открываться вверх.
Форма отверстия не обязательно должна быть прямоугольной, как в вышеприведенных примерах осуществления изобретения она может быть круглой, если приданная способность вращаться не вызывает проблем, либо если указанная способность вращаться является даже желательной, либо два отверстия либо утолщения предотвращают вращение или имеют крестообразную форму (аналогичную «Красному кресту») и далее имеют, например, четыре крепежных элемента, которые смещаются соответственно на 90°, в результате чего обеспечивается исключительно надежное предотвращение вращения дополнительно к исключительно высокой крепежной прочности, либо овальную форму, либо иную другую приемлемую форму, которая может быть адаптирована к головной части.
Пример практического осуществления изобретения для примера осуществления изобретения, показанного на Фиг.25А, 25В-27С, проиллюстрирован на Фиг.34-37. В этом случае тонкая стенка 1214 установлена на стенной опоре 1216, при этом стенка 1214 и стенная опора 1216 соответственно снабжены отверстиями 1212 и 1213, через которые может быть установлен защелочный крепежный элемент 1210 и блокирован позади стенной опоры, как показано на Фиг.34А. Защелочный крепежный элемент 1210 снабжен отверстием 1274 на переднем конце, а также на тыльной стороне для разблокировки для того, чтобы соответствующий ключ 68 мог быть вставлен как спереди, так и сзади с целью разблокировки крепежного элемента и отделения тонкой стенки 1214 от стенной опоры 1216.
Указанная разблокировка с переднего и заднего конца проиллюстрирована соответственно на Фиг.36 и 37.
В целях предотвращения визуального осмотра, а также проникновения пыли отверстие 1274 может быть закрыто пробкой 66, которая одновременно обеспечивала бы блокировку крепежного элемента 1122 для предотвращения нежелательного удаления.
Другой пример практического осуществления изобретения показан на Фиг.39-44. На Фиг.38 показаны прямоугольное отверстие 1313 в тонкой стенке 1314 и отверстие 1312 в стенной опоре 1316. Отверстие 1413 и отверстие 1412 снабжены двумя параллельными кромками и закругленными кромками, перпендикулярными последним (см. Фиг.38А и 38В). Все отверстия имеют вырезы в параллельных стенках, расположенных друг против друга.
Корпус 1335 может быть зажат в отверстии 1312 тонкой стенки 1314. Зажимание производится с помощью выступающих частей 1337, которые выступают из пластикового корпуса, но являются гибкими в такой степени, что обеспечивается их изгиб при установке кромок отверстия 1312. В результате этого обеспечивается закрепление корпуса внутри тонкой стенки 1314. Корпус 1335 образует каналы или направляющие 1333 для пластин или нажимных элементов, которые можно отводить назад аналогично тому, как показано на Фиг.25А-27С, когда ручка 43, проходящая через фланец 1318, образующий для нее опору, поворачивается на четверть оборота, в результате чего крепежные элементы 1322 отводятся назад до тех пор, пока не будет разблокировано отверстие стенной опоры 1318, при этом углубления в отверстии 1312 обеспечивают прохождение выступающих частей 1337, отвод назад которых не производится. Указанный процесс проиллюстрирован на Фиг.40D. Конструкция может быть выполнена в соответствии с вышеприведенными примерами осуществления изобретения таким образом, чтобы пусковое устройство осуществляло блокировку при повороте на 90° и чтобы несколько защелочных креплений 1310 описанного выше типа одновременно находились в незаблокированном состоянии и могли быть извлечены из стенной опоры 1316.
Пример практического осуществления также показан на Фиг.44, в соответствии с которым два защелочных крепления 1310 описанного выше типа установлены на тонкой стенке 1314, например стенной элемент или крышка стенной опоры 1316, например, на каркасе корпуса. Фланец 1318 защелочного крепления также может включать захват (см. Фиг.43В и 43А), окружающий приводной винт 43.
В примере осуществления изобретения, показанном на Фиг.45А, 45В и 45С, несамоблокирующееся защелочное крепление 1523 и самоблокирующееся защелочное крепление 1522 расположены в корпусе 1535. Самоблокирующееся защелочное крепление 1522 фиксирует конструкцию в стенной опоре 1415, и несамоблокирующееся защелочное крепление 1523 может удерживать тонкую стенку 1516 в стенной опоре 1415 с возможностью ее удаления.
На Фиг.46 показано, что два типа защелочного крепления 1522, 1523 могут смещаться относительно друг друга на расстояние от плоскости тонкой стенки 1540. Защелочное крепление, показанное на Фиг.47, относится к конструкции, показанной на Фиг.45В. Отверстие, предусмотренное для несамоблокирующегося защелочного крепления, обозначено позицией 1512 и несколько больше, чем отверстие, необходимое для самоблокирующегося крепления, показанное несколько ближе под позицией 1513.
Различные конструкции, типы которых были уже подробно описаны выше, могут использоваться в качестве пластинчатых элементов.
На Фиг.48А и 48В показан самоблокирующийся вариант.
На Фиг.48С показан соответствующий несамоблокирующийся вариант.
На Фиг.49А, 49В и 49С показан пример пластин, форма которых аналогична пластинам, показанным на Фиг.30-32.
На Фиг.50А и 50В показаны два вида защелочных креплений с несамоблокирующимися пластинами. Опорная часть может быть привинчена с возможностью регулировки в качестве кронштейна. Такая регулируемость обеспечивает подгонку к навешиваемой на петли двери.
На Фиг.51А-53 защелочное крепление 1710 в соответствии с изобретением служит в качестве соединительной части для двух тонких стенок 1714, 1716, выполненных из листового металла, которые снабжены отверстиями 1712, 1713 в местах соединения. Соединительная часть заменяет сварку, которую исключительно сложно выполнять для сварочного соединения многих типов металла, таких как нержавеющая сталь, и которая приводит к обесцвечиванию либо заменяет сложные винтовые соединения, детали которых при их выпадении могут привести к короткому замыканию в распределительных шкафах, либо заклепки, в результате чего при необходимости создания соединения защелочное соединение в соответствии с изобретением также может использоваться в тех случаях, когда место соединения является труднодоступным или недоступным.
Решение состоит в том, что опорная часть 1718 и головная часть 1720 имеют общий корпус 1735 с крепежными элементами 1722, 1722′, расположенными в обоих элементах 1718, 1720 приблизительно в зеркально обращенном положении по отношению к осевой линии корпуса, которым придана такая форма, чтобы они являлись самоблокирующимися в направлении установки под воздействием усилия пружины 1728 и входили в зацепление с кромками отверстия с помощью наклонных поверхностей 1724, 1724′, при этом опорная кромка 1718, закрывающая контактирующие кромки отверстия 1712 в одной стенке 1716 и которая может быть установлена (Фиг.51А-53) в отверстие 1713 во второй стенке 1714, тянется вдоль внешней стенки корпуса 1735 на высоте наклонной поверхности 1724 крепежных элементов головной части 1720 в целом параллельно направлению установки.
В этом отношении конструкция аналогична конструкции на Фиг.2 за тем исключением, что опорная часть 22 снабжена самоблокирующимися зажимными элементами 22, в то время как головная часть 20 не имеет их. В конструкции по Фиг.51А угол наклона наклонной поверхности 1724 больше, и также соответственно конструкция является самоблокирующейся.
Кроме того, в этом случае отверстия не обязательно должны быть прямоугольными; они могут быть выполнены другой формы, например круглыми. Соответственно изменяется внешняя форма корпуса.
Вместо того чтобы использовать пробку 1766 для ограничения траектории перемещения крепежных элементов, также может быть установлен поперечный штифт, идущий через углубления 1779 и удерживаемый в продольных стенках (не показаны).
Также возможно при кинематическом изменении направления на обратное снабдить крепежные элементы выступами, входящими в углубления или удлиненные отверстия, образованные корпусом, и ограничивающими траекторию перемещения крепежных элементов.
Вместо использования крепежных элементов, способных перемещаться прямолинейно, во многих случаях также возможно использовать элементы с поворотным перемещением. Например, на Фиг.54 показано защелочное крепление, отличающееся тем, что крепежные элементы 1822 представляют собой рычаги, расположенные на расстоянии (А) от тонкой стенки 1816 с целью обеспечения их поворота вокруг оси параллельно плоскости тонкой стенки 1816 (Фиг.54).
В другом примере осуществления изобретения защелочное крепление также может отличаться тем, что крепежные элементы 1922 являются рычагами, размещенными на расстоянии от тонкой стенки 1916 с целью обеспечения их поворота вокруг оси перпендикулярно плоскости тонкой стенки 1916 (Фиг.55А-55С).
На Фиг.56 показано покомпонентное изображение защелочного крепления 2010, аналогичное защелочному креплению на Фиг.40А-С, но отличающееся тем, что оно снабжено пружиной 2037, вставляемой в шлиц 67 корпуса, вместо крепежного кулачка. Защелочное крепление 2010 крепится в отверстии 2012 стенной опоры 2016 указанными пружинами 2037, установленными в противоположных поверхностях головной части 2020. Указанная конструкция показана на Фиг.60А-С.
Тонкая стенка 2014, снабженная несколько большим отверстием 2013, обеспечивающим свободное прохождение пружин 2037, в дальнейшем крепится и удерживается с помощью нажимных элементов 2022, как видно из Фиг.61А-С.
На Фиг.57A-F (Фиг.57Е – увеличенный вид) показаны различные виды защелочного устройства в соответствии с Фиг.56 в закрытом положении, в котором нажимные элементы 2022 выдвинуты наружу. Бородки 2029 поворотной ручки 2043 контактируют с упорными поверхностями 69 корпуса и входят в канавки 2078 нажимных элементов 2022 таким образом, чтобы нажимные элементы 2022 отводились назад при вращении поворотной ручки 2043 на 90 градусов (до тех пор, пока не будет достигнут контакт со второй упорной поверхностью 71) и достигалось открытое положение, показанное на Фиг.58Е.
На Фиг.58А-Е показаны различные виды защелочного крепления по Фиг.56 в открытом положении. На Фиг.59 показан вид в перспективе защелочного крепления по Фиг.56 до его установки в стенную опору и до установки тонкой стенки у стенной опоры с помощью защелочного крепления. На Фиг.60А показан вид в перспективе защелочного крепления по Фиг.56 после его установки в стенную опору и до установки тонкой стенки у стенной опоры с помощью защелочного крепления. На Фиг.60B-D показаны другие виды конструкции, проиллюстрированной на Фиг.60А, и на Фиг.61А показан вид в перспективе защелочного крепления по Фиг.56 после его установки в стенную опору и после установки тонкой стенки у стенной опоры с помощью защелочного крепления. На Фиг.61B-D показаны дополнительные виды конструкции, проиллюстрированной на Фиг.61А.
Поворотная ручка 2043 снабжена фланцем 73, на который нанесена цветная маркировка 75, 77, например красная точка и зеленая точка. Указанный фланец установлен с возможностью поворота между поверхностью 81 корпуса и крышкой 83, который может быть прикреплен к последней. Корпус (или его крышка 83) имеет маркировки в форме насечек 85, которые указывают на рабочее положение нажимных элементов (открыто, закрыто) в том плане, что насечка или отверстие 85 расположено таким образом, чтобы была видна цветная точка или участок поверхности (см., например, Фиг.60D) в определенном положении поворотной ручки относительно корпуса (например, в двух конечных положениях).
Промышленное применение
Настоящее изобретение имеет промышленное применение в конструкции распределительных шкафов.
Обозначение позиций на чертежах
| 10, 110, 210, 310-2010 |
защелочное крепление, соединительная деталь |
| 11 |
петля |
| 12, 112, 1112, 1212, 1712, 2012 |
отверстие в стенной опоре |
| 13, 113, 1213, 1313, 1713, 2013 |
отверстие в тонкой стенке, охватывающая съемная часть |
| 14, 114, 714, 914, 1314, 1514, 1714, 2014 |
тонкая стенка |
| 15, 115 |
рукоять, ручка, утопленная ручка |
| 16, 816, 1116, 1216, 1316, 1716, 1816, 2016 |
стенная опора |
| 17, 817 |
перемычка, тонкая стенка |
| 18, 118, 218, 318, 418, 618, 1618, 1718, 2018 |
фланец, опорная часть, опорная плита, нижняя плита, крепежная плита |
| 119, 219, 319 |
болт, отверстие, опорная часть |
| 20, 320, 720, 1020, 1720, 2020 |
головная часть, охватываемая съемная часть |
| 21 |
отверстие |
| 22, 122, 322, 422, 622, 722, 822, 922, 1022, |
 |
| 1122, 1322, 1522, 1722, 1722′, 1822, 2022 |
крепежные элементы, нажимные элементы, пластины |
| 23, 123, 223, 323, 423, 1523 |
нажимные элементы, крепежные элементы |
| 24, 424, 1724, 1724′ |
двускатная форма, более крутая часть |
| 25, 25′ |
сторона треугольника, наклонная поверхность |
| 26 |
двускатная форма, плоская часть |
| 27, 27′ |
сторона треугольника, наклонная поверхность |
| 28, 728, 828, 928, 1028, 1728, 2028 |
пружинный элемент |
| 29, 2029 |
инструмент |
| 30 |
ось |
| 331 |
обратный изгиб |
| 32 |
отверстие |
| 33 |
направляющая, канал |
| 34, 1134 |
направляющая, канал |
| 35, 935, 1335, 1735 |
корпус |
| 36 |
кромка отверстия |
| 37, 2037 |
крепежный кулачок, пружинная деталь, пружинный элемент |
| 38 |
торец, стопорная поверхность |
| 39 |
торец, стопорная поверхность |
| 40 |
винт |
| 41 |
выступ |
| 42, 342, 442, 542 |
буртик, выступ, штифт |
| 43, 2043 |
вращающаяся ручка, ключ |
| 44 |
винт без головки |
| 45 |
захват |
| 46, 146 |
отверстие |
| 47 |
отверстие |
| 48 |
нижняя поверхность |
| 49 |
диаметр головной части направление движения |
| 50 |
глухое отверстие |
| 51 |
выступающий конец нажимного элемента |
| 52 |
кромка |
| 53 |
выступающий конец крепежного элемента |
| 54, 1054 |
пространство паза |
| 56 |
кромка |
| 57 |
опорные буртики |
| 58 |
кронштейн |
| 59 |
вырез |
| 360 |
стопорная поверхность |
| 61 |
перемычка |
| 62 |
боковая поверхность |
| 64 |
углубление |
| 66, 1766 |
пробка, буртик, выступ, штифт |
| 67 |
паз в корпусе |
| 68 |
ключ |
| 69 |
стопорная поверхность |
| 70 |
наклонная поверхность |
| 71 |
стопорная поверхность |
| 72 |
стенка канала |
| 73 |
фланец |
| 74, 1274 |
отверстие |
| 75 |
цветовая маркировка |
| 76 |
крышка канала |
| 77 |
цветовая маркировка |
| 78 |
область углубления |
| 79, 1779 |
вырез, углубление |
| 80 |
стороны |
| 81 |
поверхность |
| 82 |
торец |
| 83 |
крышка |
| 84, 1084 |
пространство для установки |
| 85 |
вырез |
| 86, 186 |
утолщение, выступ |
| 88 |
прямая кромка |
| 90 |
спусковой уклон |
| А |
расстояние |
| В |
часть |
Формула изобретения
1. Защелочное крепление (10, 110, 210, 310, 410, 510, 610, 710, 810, 910, 1010, 1110, 1210, 1310, 1410, 1510, 1610, 1710, 1810, 1910), предназначенное для фиксации тонкой стенки (14), такой как, например, стенка корпуса, дверная створка, жалюзи, которая снабжена отверстием (13), к стенной опоре (16), такой как, например, каркас корпуса, дверная рама, кромка отверстия стены, которая также снабжена отверстием, имеющее опорную часть (18), которая может быть размещена у стенной опоры (16) в ее отверстии (12), снабженное головной частью (20), отходящей от указанной опорной части (18), причем диаметр продольного сечения головной части (20) от конца головной части (20) в направлении опорной части (18) сначала увеличивается, а затем уменьшается, причем головная часть (20) которого представляет собой охватываемую съемную часть, которая за счет преодоления усилия пружины (28), действующего радиально наружу, может быть установлена в охватывающую съемную часть (13) с выточкой, образуемую отверстием (13) в тонкой стенке (14) или удерживаемую отверстием (13) в тонкой стенке (14), характеризующееся тем, что головная часть (20) представляет собой направляющую или канал (33, 34) для одного, двух или нескольких нажимных элементов или крепежных элементов (22, 23), которые выдвигаются в положение с помощью, по меньшей мере, одной пружины (28), в котором они выступают за торец направляющей или канала (33, 34), и концы (51, 53) нажимных элементов или крепежных элементов (22, 23), выступающие из направляющей или канала, имеют треугольную или сферическую форму (фиг.7В, 8, 9, фиг.6) в проекционной плоскости, расположенной перпендикулярно тонкой стенке (14), и характеризующееся тем, что опорная часть (118) содержит опорную пластину (118), перекрывающую продольные кромки отверстия (13) в тонкой стенке (14), отличающееся тем, что опорная часть (322) включает элемент, идентичный конструкции головной части (фиг.12; 323, фиг.17А, 17В, 17С, 18, 20), расположенный зеркально.
2. Защелочное крепление по п.1, отличающееся тем, что опорная пластина (18, 118) опорной части расположена со стороны головной части.
3. Защелочное крепление по п.2, отличающееся тем, что опорная пластина (18) образована перемычкой опорной части (319), либо размещена на ней (фиг.11В, 11С).
4. Защелочное крепление по п.3, отличающееся тем, что опорная часть (319) имеет большую продольную длину, чем головная часть (320), и в сочетании со своей перемычкой образует опорные буртики (57) для тонкой стенки (14) (фиг.11В).
5. Защелочное крепление по одному из пп.2-4, отличающееся тем, что свободные концы (51) крепежных или нажимных элементов (22) опорной части (19) имеют ассиметричную двускатную форму (26, 24) таким образом, чтобы опорная часть (19) могла быть установлена внутри приемлемого отверстия (12) в тонкой стенке или стенной опоре (16) путем установки вовнутрь смещаемых в продольном направлении крепежных или нажимных элементов (22), при этом направляя часть (26) ската (26) с более пологим наклоном, но обратное перемещение при направлении более крутой части (24) ската является невозможным, так как крепежные или нажимные элементы (22) являются самоблокирующимися в своей направляющей (19).
6. Защелочное крепление по одному из пп.1-4, отличающееся тем, что инструмент, такой как ключ (68), способный отодвигать назад крепежные и нажимные элементы (22) под воздействием усилия пружины (28) путем его поворота, может быть вставлен спереди и/или сзади в корпус (935), включающий самоблокирующееся защелочное крепление (фиг.25А-27С; фиг.36, 37).
7. Защелочное крепление по одному из пп.1-4, отличающееся тем, что служит в качестве соединительного элемента для двух тонких стенок (1714, 1716), таких как листовой металл, расположенное в месте соединения с отверстиями (1712, 1713), при этом опорная часть (1718) и головная часть (1720) имеют общий корпус (1735) с крепежными элементами (1722, 1722′), расположенными в опорной части (1718) и головной части (1720) приблизительно в зеркально обращенном положении по отношению к осевой линии корпуса, и которым придана такая форма, чтобы они являлись самоблокирующимися в направлении установки под воздействием усилия пружины (1728) и входили в зацепление с кромками отверстия с помощью наклонных поверхностей (1724, 1724′), при этом опорная кромка (1718), закрывающая контактирующие кромки отверстия (1712) в одной стенке (1716) и которая может быть установлена (фиг.51А-53) в отверстие (1713) во второй стенке (1714), тянется вдоль внешней стенки корпуса (1735) на высоте наклонной поверхности (1724) крепежных элементов головной части (1720) в целом параллельно направлению установки (фиг.51А-53).
8. Защелочное крепление по одному из пп.1-4, отличающееся тем, что опорная часть (218) включает болт с головкой (219).
9. Защелочное крепление по одному из пп.1-4, отличающееся тем, что опорная часть (322) имеет в целом аналогичную конструкцию, в частности, зеркально обращенную конструкцию головной части (фиг.12; 323, фиг.17А, 17В, 17С, 18, 20).
10. Защелочное крепление (10, 110, 210, 310, 410, 510, 610, 710, 810, 910, 1010, 1110, 1210, 1310, 1410, 1510, 1610, 1710, 1810, 1910), предназначенное для фиксации тонкой стенки (14), такой как, например, стенка корпуса, дверная створка, жалюзи, которая снабжена отверстием (13), к стенной опоре (16), такой как, например, каркас корпуса, дверная рама, кромка отверстия стены, которая также снабжена отверстием, имеющее опорную часть (18), которая может быть размещена у стенной опоры (16) в ее отверстии (12), снабженное головной частью (20), отходящей от указанной опорной части (18), причем диаметр продольного сечения головной части (20) от конца головной части (20) в направлении опорной части (18) сначала увеличивается, а затем уменьшается, причем головная часть (20) которого представляет собой охватываемую съемную часть, которая за счет преодоления усилия пружины (28), действующего радиально наружу, может быть установлена в охватывающую съемную часть (13) с выточкой, образуемую отверстием (13) в тонкой стенке (14) или удерживаемую отверстием (13) в тонкой стенке (14), характеризующееся тем, что головная часть (20) представляет собой направляющую или канал (33, 34) для одного, двух или нескольких нажимных элементов или крепежных элементов (22, 23), которые выдвигаются в положение с помощью, по меньшей мере, одной пружины (28), в котором они выступают за торец направляющей или канала (33, 34), и концы (51, 53) нажимных элементов или крепежных элементов (22, 23), выступающие из направляющей или канала, имеют треугольную или сферическую форму (фиг.7В, 8, 9, фиг.6) в проекционной плоскости, расположенной перпендикулярно тонкой стенке (14), и характеризующееся тем, что опорная часть (118) включает пластину, перекрывающую продольные кромки отверстия (13) в тонкой стенке (14), отличающееся тем, что корпус (1335) снабжен крепежными кулачками (37), которые могут быть зажаты в отверстии (1313) в тонкой стенке (1314) и отличающееся тем, что приводное колесо, либо поворотная ручка (43), либо ключ, с помощью которого нажимные элементы (1322) могут быть отведены назад в корпусе (1335), выступает из корпуса (1335).
11. Защелочное крепление по п.10, отличающееся тем, что приводное колесо (46) блокируется в открытом положении.
12. Защелочное крепление по п.10 или 11, отличающееся тем, что захват (45), окружающий приводное колесо (43), выступает из корпуса (1335).
13. Защелочное крепление по п.10 или 11, отличающееся тем, что крепежные кулачки заменены пружинами (2037), которые могут быть установлены в корпусе (2018, 2020).
14. Защелочное крепление по п.10 или 11, отличающееся тем, что поворотная ручка (2043) и/или корпус (2018, 83) имеют маркировку (75, 77, 85), указывающую на рабочее положение нажимных элементов (2022) (открыто, закрыто).
15. Защелочное крепление по п.14, отличающееся тем, что маркировка на корпусе (на поворотной ручке) представляет собой цветную точку или участок поверхности (75, 77), и маркировка у поворотной ручки (у корпуса) представляет собой, по меньшей мере, насечку или отверстие (85), которые расположены таким образом, чтобы при определенном положении поворотной ручки относительно корпуса (например в двух конечных положениях) были видны цветная точка или участок поверхности.
16. Защелочное крепление по п.15, отличающееся тем, что поворотная ручка (2043) образует фланец (73), на который нанесена цветная маркировка (75, 77), и тем, что фланец (83) или опорная часть корпуса образуют насечки или отверстия (85).
17. Защелочное крепление по одному из пп.10 и 11, отличающееся тем, что корпус включает защелочное крепление (1523), не являющееся самоблокирующимся, а также защелочное крепление (1522), являющееся самоблокирующимся (фиг.45А, 45В, 45С; фиг.46).
18. Защелочное крепление по п.17, отличающееся тем, что два типа защелочного крепления (1522, 1523) расположены в корпусе (фиг.46) таким образом, чтобы происходило их смещение относительно друг друга на расстояние от плоскости тонкой стенки (1514).
19. Защелочное крепление по одному из пп.10 и 11, отличающееся тем, что опорная часть (218) включает болт с головкой (219).
20. Защелочное крепление по одному из пп.10 и 11, отличающееся тем, что опорная часть образована крепежной пластиной (118), снабженной крепежными отверстиями.
21. Защелочное крепление по одному из пп.10 и 11, отличающееся тем, что опорная часть (118) образована пластиной (118), перекрывающей продольные кромки отверстия (13) в тонкой стенке (14).
22. Защелочное крепление по п.21, отличающееся тем, что опорная часть (318) является стороной штампованного металлического профиля, такого как алюминиевый профиль (фиг.15В).
23. Защелочное крепление по п.21, отличающееся тем, что опорная часть (318′) является стороной катаного тонколистового металлического профиля, такого как стальной тонколистовой профиль (фиг.16В).
24. Защелочное крепление по п.21, отличающееся тем, что опорная часть (418) является стороной пластикового профиля, выполненного путем литья под давлением (фиг.19А, 19В).
25. Выдвижной ящик или стойка с тонкостенной передней пластиной, характеризующийся тем, что передняя пластина является тонкой стенкой (1314), а емкость ящика является стенной опорой в соответствии с одним из пп.1-8, отличающийся одним или несколькими защелочными креплениями по одному из пп.1-11.
26. Шкаф с тонкой стенкой или дверной створкой, отличающийся защелочным креплением или несколькими защелочными креплениями в соответствии с одним из пп.1-11.
27. Шкаф по п.26, отличающийся тем, что одна или несколько ручек или углубленных захватов (115) размещены в отверстиях в тонкой стенке (14), в которых происходит зацепление защелочного крепления аналогичного защелочному креплению опорной части по пп.1-8.
28. Шкаф по п.27, отличающийся тем, что тонкая стенка (114) снабжена перемычками (17) с отверстиями (21) для установки симметричных двускатных концов (53) защелочного крепления (не самоблокирующегося) по одному из пп.1-11.
29. Защелочное крепление (10, 110, 210, 310, 410, 510, 610, 710, 810, 910, 1010, 1110, 1210, 1310, 1410, 1510, 1610, 1710, 1810, 1910), предназначенное для фиксации тонкой стенки (14), такой как, например, стенка корпуса, дверная створка, жалюзи, которая снабжена отверстием (13), к стенной опоре (16), такой как, например, каркас корпуса, дверная рама, кромка отверстия стены, которая также снабжена отверстием, имеющее опорную часть (18), которая может быть размещена у стенной опоры (16) в ее отверстии (12), снабженное головной частью (20), отходящей от указанной опорной части (18), причем диаметр продольного сечения головной части (20) от конца головной части (20) в направлении опорной части (18) сначала увеличивается, а затем уменьшается, причем головная часть (20) которого представляет собой охватываемую съемную часть, которая за счет преодоления усилия пружины (28), действующего радиально наружу, может быть установлена в охватывающую съемную часть (13) с выточкой, образуемую отверстием (13) в тонкой стенке (14) или удерживаемую отверстием (13) в тонкой стенке (14), характеризующееся тем, что головная часть (20) представляет собой направляющую или канал (33, 34) для одного, двух или нескольких нажимных элементов или крепежных элементов (22, 23), которые выдвигаются в положение с помощью, по меньшей мере, одной пружины (28), в котором они выступают за торец направляющей или канала (33, 34), и концы (51, 53) нажимных элементов или крепежных элементов (22, 23), выступающие из направляющей или канала, имеют треугольную или сферическую форму (фиг.7В, 8, 9, фиг.6) в проекционной плоскости, расположенной перпендикулярно тонкой стенке (14), и характеризующееся тем, что опорная часть (118) включает пластину (118), перекрывающую продольные кромки отверстия (13) в тонкой стенке (14), отличающееся тем, что нажимные элементы (23) содержат две дискообразные пластины, расположенные рядом друг с другом или одна позади другой с возможностью смещения, при этом каждая из двух пластин имеет отверстие (47), удлиняющееся в направлении перемещения, и которая образует по отдельности или совместно место для установки спиральной нажимной пружины (28).
30. Защелочное крепление по п.29, отличающееся тем, что для создания общего пространства для установки пружины (28) отверстия (47) расположены таким образом, чтобы перемещаться от сферических или треугольных свободных концов таким образом, чтобы общая пружина (28) раздвигала две пластины (23) по направлению (49) их перемещения.
31. Защелочное крепление по п.29 или 30, отличающееся тем, что кромки отверстий (46, 47, 146) снабжены выступами (например, 186) или углублениями для фиксации пружины (28) и пластин (22, 23, 122).
32. Защелочное крепление по п.30, отличающееся тем, что две пластины (22, 23, 122) снабжены вырезом (79) на их внешней продольной кромке для ограничения их продольного перемещения с помощью буртика, выступа, пробки или штифта (66), выдающегося в вырез (79).
33. Защелочное крепление по п.30 или 32, отличающееся тем, что две пластины (123) направляются таким образом, чтобы происходило их смещение в продольном направлении в U-образном корпусе (35), концы ножек которого прикреплены к опорной пластине (118, 218), образованной опорной частью (18), или составляющих единое целое с опорной пластиной (118, 218).
34. Защелочное крепление по п.33, отличающееся тем, что U-образный корпус (35) имеет отверстие (32) на участке перемычки для установки штифта (66) или пробки (66).
35. Защелочное крепление по одному из пп.29, 30 и 32, отличающееся тем, что опорная часть (218) включает болт с головкой (219).
36. Защелочное крепление по одному из пп.29, 30 и 32, отличающееся тем, что опорная часть образована крепежной пластиной (118), снабженной крепежными отверстиями.
37. Защелочное крепление по одному из пп.29, 30 и 32, отличающееся тем, что опорная часть (118) образована пластиной (118), перекрывающей продольные кромки отверстия (13) в тонкой стенке (14).
38. Защелочное крепление по п.37, отличающееся тем, что опорная часть (318) является стороной штампованного тонколистового металлического профиля, такого как алюминиевый профиль (фиг.15В).
39. Защелочное крепление по п.37, отличающееся тем, что опорная часть (318′) является стороной катаного тонколистового металлического профиля, такого как стальной тонколистовой профиль (фиг.16В).
40. Защелочное крепление по п.37, отличающееся тем, что опорная часть (418) является стороной пластикового профиля, выполненного путем литья под давлением (фиг.19А, 19В). Приоритет по пунктам:
27.02.2004 по пп.1, 5, 9, 10, 13, 20, 21, 23, 24, 29, 30, 32-34, 36, 37;
15.10.2004 по пп.2-4, 6-8, 11, 12, 17-19, 22, 25-28, 31, 35, 38-40;
28.02.2005 по пп.14-16.
РИСУНКИ
|
|